メカニカル部品技術窓口
ミスミ品のみ対象
![【ふっ素樹脂コーティング】板金 取付板・ブラケット-凸曲げタイプ- BLUFS FH-BLUFS-SUD-A[30-200/1]-B[20-200/1]-T[0.8,1,1.2,1.5,2,3,4]-H[10-100/1]-V[15-200/1]](https://content.misumi-ec.com/image/upload/t_product_main/t_misumi_wm/t_fluorine/v1/p/jp/product/series/110311169009/110311169009_20241018110215.jpg)

| ■穴種選択表 | |||
| 穴種 | ボルト通し穴 | 公差付通し穴 | |
| Code | N | D | |
| 形状図 | [ ! ] ![]() | | |
| [ ! ]d寸法は規格表下部 「N加工寸法表」参照 | |||
| 型式 | [ M ]材質 | コーティング仕様 | |||||||
| Type | 材質記号 | [ S ]コーティング種類 | 膜厚 | 耐熱温度 | [ H ]被膜硬度 | ||||
| FH-BLUFS | SUD | SUS304(2B) | ふっ素樹脂コーティング (変性塗料:PTFE+PAI) |
| 210℃ | 鉛筆硬度 2H | |||
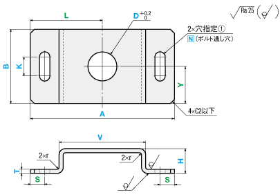
| 型式 | - | A | - | B | - | T | - | H | - | V | - | S | - | 穴指定① Code・呼び径 | - | K | L | - | Y | - | D | |||
| - | ||||||||||||||||||||||||
| Type | - | 材質記号 | ||||||||||||||||||||||
| FH-BLUFS | - | SUD | - | A80 | - | B40 | - | T2.0 | - | H20 | - | V50 | - | S7 | - | N3 | - | K8 | - | L40 | - | Y20 | - | D20 |
| 型式 | 指定1mm単位 | 選択 | 指定1mm単位 | S | 穴指定① | K | L | Y | D | ||||
| Type | 材質記号 | A | B | T | H | V | Code/指定方法 | ||||||
| FH-BLUFS | SUD | N | |||||||||||
| 30 | 20 | 10 | min | (ボルト通し穴) | 指定 | 3~30 | |||||||
| ~ | ~ | 0.8 ・ 1.0 ・ 1.2 ・ 1.5 | ~ | 15~ | 指定 | 3・4・5 | 0.1mm単位 | ||||||
| 200 | 200 | 2.0 ・ 3.0 ・ 4.0 | 100 | 0.1mm単位 | 6・8・10 | (0.5mm単位) | |||||||
| [ ! ]V≧H | (選択) | [ ! ]K≦N×5 | |||||||||||
| [ ! ] | |||||||||||||
| [ ! ]穴が端面に近すぎると穴が変形する可能性がありますが、加工限界内であればそのまま加工します。 | |||||||||||||
[ ! ]N加工寸法表
| N指定値 | 通し穴径(d) |
| 3 | 3.5 |
| 4 | 4.5 |
| 5 | 5.5 |
| 6 | 6.5 |
| 8 | 9 |
| 10 | 11 |

| Alteration | コーナーカット変更(4コーナー) | |
![]() | ||
| Code | CC | |
| Spec. | CC=指定1mm単位 [ ! ]1≦CC≦20 指定方法 CCを型式末尾に追加 (例)~-CC10 | |
| ¥/1Code | 400 | |
[ ! ]1.許容差は下図を参照
| <加工寸法の普通許容差> | ||||||
| 商品 | 基準寸法の区分 (A・H寸法) | 6以下 | 6を超え 30以下 | 30を超え 120以下 | 120を超え 400以下 | |
| 板金(曲げ加工品) | 許容差(a・h) | ±0.3 | ±0.5 | ±0.8 | ±1.2 | |
| ※JIS B 0408の金属プレス加工品普通許容差の公差等級:B級を採用。 | ||||||

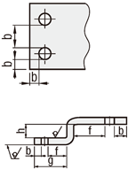
[ ! ]5.長穴は寸法により下記形状となる可能性があります。

[ ! ]6.下図のf,b,h,gの各部には加工限界があります。
| T | f(穴と曲げの距離) | b (穴と断面 との距離) | h | g | ||||
| SUS304 | 通し穴 | タップ穴 | 公差付穴 曲げと平行な長穴 | |||||
| L曲げ | Z・凸曲げ | L曲げ | Z・凸曲げ | |||||
| 0.8 | 2 | 3 | - | - | 3.5 | 1 | 5 | 5 |
| 1.0 | 2 | 3 | 3 | 5.5 | 3.5 | 1 | 5.5 | 5.5 |
| 1.2 | 2 | 3 | 3 | 5.5 | 3.5 | 1 | 5.5 | 5.5 |
| 1.5 | 2 | 3.5 | 3 | 6 | 4 | 1 | 6 | 6 |
| 2.0 | 2 | 4.5 | 3 | 7 | 5 | 1.5 | 7 | 7 |
| 3.0 | 2 | 6.5 | 3 | 9 | 7 | 1.5 | 9 | 9 |
| 4.0 | 3 | 7.5 | 4 | 11 | 8(9) | 2 | 11 | 11 |
[ ! ] T4.0・T4.5の曲げと平行な長穴のfは(9)となります。
[ ! ]上記加工限界値で寸法指定した場合、穴が変形する可能性があります。

[ ! ]7.プレスブレーキのブレーキ押さえによるキズが付きます。r・e・d寸法は目安となります。
| T | 曲げ後R | ブレーキキズ | |
| 位置 | 深さ | ||
| SUS304 | (r) | (e) | (d) |
| 0.8 | 0.8 | 5 | 0.1 |
| 1.0 | 1 | 5 | 0.1 |
| 1.2 | 1.2 | 5 | 0.1 |
| 1.5 | 1.5 | 6 | 0.1 |
| 2.0 | 2.0 | 7.5 | 0.1 |
| 3.0 | 3.0 | 10.5 | 0.2 |
| 4.0 | 4.0 | 13.5 | 0.3 |

[ ! ] 曲げと穴の位置が近い場合、rが小さくなることがあります。
[ ! ]8.曲げによる食い込み、及び膨らみが付きます。

| 表面処理名称 | ふっ素樹脂コーティング (変性塗料:PTFE+PAI) |
| 表面硬度 | 鉛筆硬度 2H |
| 動摩擦係数_参考値 | 0.15~0.3 |
| 撥水角(撥水性)_参考値 | 107° |
| 電気的特性_参考値 | 帯電防止 1010~1011Ω |
| A | B | T | ¥基準単価 |
| FH-BLUFS | |||
| 30~120 | 20~100 | 0.8~1.5 | 5,540 |
| 2.0 | 5,830 | ||
| 3.0 | 5,850 | ||
| 4.0 | 6,320 | ||
| 101~140 | 0.8~1.5 | 6,310 | |
| 2.0 | 6,640 | ||
| 3.0 | 6,860 | ||
| 4.0 | 7,440 | ||
| 141~200 | 0.8~1.5 | 7,600 | |
| 2.0 | 7,980 | ||
| 3.0 | 8,370 | ||
| 4.0 | 9,070 | ||
| 121~200 | 20~100 | 0.8~1.5 | 7,490 |
| 2.0 | 7,840 | ||
| 3.0 | 8,220 | ||
| 4.0 | 8,770 | ||
| 101~140 | 0.8~1.5 | 7,670 | |
| 2.0 | 8,070 | ||
| 3.0 | 8,570 | ||
| 4.0 | 9,250 | ||
| 141~200 | 0.8~1.5 | 9,080 | |
| 2.0 | 9,550 | ||
| 3.0 | 10,140 | ||
| 4.0 | 10,910 |
| 9 | 日目出荷 |
| 数量区分 | 標準対応 | 個別対応 | |
| 小口 | 大口 | 大口 | |
| 数 量 | 1〜19 | 20〜39 | 40~ |
| 出荷日 | 通常 | +4日 | お見積り |
通常価格、通常出荷日が表示と異なる場合がございます
通常価格、通常出荷日が表示と異なる場合がございます

ミスミ
板金 取付板・ブラケット-凸曲げタイプ- BLUFS
4.5
ミスミ
板金 取付板・ブラケット-凸曲げタイプ- BLUZS
4.7
ミスミ
板金 取付板・ブラケット-凸曲げタイプ- BLUES
4.6
ミスミ
板金 取付板・ブラケット-凸曲げタイプ- BLUJS
4.7
ミスミ
板金 取付板・ブラケット -フリー寸法タイプ- JTDAS・JTDAR
4.4
ミスミ
板金 取付板・ブラケット-センター振り分けタイプ- JSDAS
4.6
ミスミ
板金 取付板・ブラケット -フリー寸法タイプ- JTAAS・JTAAR
4.6
ミスミ
L型板金 取付板・ブラケット-フリー寸法タイプ- FACAS・FACAR
4.5
ミスミ
板金 取付板・ブラケット -フリー寸法タイプ- JTDZS・JTDZR
4.4