メカニカル部品技術窓口
ミスミ品のみ対象

■ふっ素樹脂コーティングの特長耐薬品性・すべり性・難付着性・帯電防止に優れており、一般製造装置・半導体...
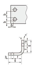
詳細を確認![]() | (共通寸法) ![]() |
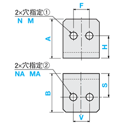
| 穴種 | ボルト通し穴 | タップ穴(並目) |
| Code | N・NA | M・MA |
| 形状図 | ![]() | ![]() |
[ ! ]d寸法は規格表下部 |
| 型式 | [ M ]材質 | コーティング仕様 | ||||||||
| Type | 材質記号 | [ S ]コーティング種類 | 膜厚 | 耐熱温度 | [ H ]被膜硬度 | |||||
| FH-FSMAS | SUD | T0.8~6.0 T9.0 | : SUS304(2B) : SUS304(No.1) | ふっ素樹脂コーティング (変性塗料:PTFE+PAI) |
| 210℃ | 鉛筆硬度 2H | |||
| 型式 | - | T | - | A | - | B | - | L | - | H | - | F | - | 穴指定① Code・呼び径 | - | V | - | S | - | 穴指定② Code・呼び径 | ||
| Type | - | 材質記号 | ||||||||||||||||||||
| FH-FSMAS | - | SUD | - | T2.0 | - | A30 | - | B30 | - | L30 | - | H20 | - | F15 | - | N5 | - | V15 | - | S20 | - | NA5 |
| 型式 | 選択 | 指定1mm単位 | H | F | 穴指定① | V | S | 穴指定② | |||||||
| Type | 材質記号 | T | A | B | L | Code/指定方法 | Code/指定方法 | ||||||||
| FH-FSMAS | SUD | 0.8 ・ 1.0 ・ 1.2 ・ 1.5 ・ 2.0 3.0 ・ 4.0 ・ 5.0 ・ 6.0 ・ 9.0 | 20 ~ 200 | 15 ~ 100 [ ! ] | 15 ~ 100 [ ! ] | 指定 1mm単位 | N (ボルト通し穴) 3・4・5 6・8・10 (選択) [ ! ] | M (タップ穴) 3・4・5 6・8・10 (選択) [ ! ] | 指定 1mm単位 | NA (ボルト通し穴) 3・4・5 6・8・10 (選択) [ ! ] | MA (タップ穴) 3・4・5 6・8・10 (選択) [ ! ] | ||||
| [ ! ]T6.0は、B≧20, L≧20 | |||||||||||||||
| [ ! ]T9.0は、B≧32, L≧20 | |||||||||||||||
| [ ! ]穴が端面に近すぎると穴が変形する可能性がありますが、加工限界内であればそのまま加工します。 | |||||||||||||||
| N・NA指定値 | 通し穴径(d) |
| 3 | 3.5 |
| 4 | 4.5 |
| 5 | 5.5 |
| 6 | 6.5 |
| 8 | 9 |
| 10 | 11 |
| T | N・NA(ボルト通し穴) | M・MA(タップ穴) |
| 0.8 | 3・4・5・6・8・10 | 不可 |
| 1.0、1.2 | 3 | |
| 1.5 | 3・4 | |
| 2.0 | 3・4・5・6 | |
| 3.0 | 3・4・5・6・8 | |
| 4.0~6.0 | 3・4・5・6・8・10 | |
| 9.0 | 5・6・8・10 | 5・6・8・10 |
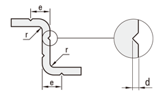
| T | f(穴と曲げの距離) | b (穴と断面 との距離) | g | ||||
| SUS304 | 通し穴 | タップ穴 | 公差付穴 曲げと平行な長穴 | ||||
| L曲げ | Z・凸曲げ | L曲げ | Z・凸曲げ | ||||
| 0.8 | 2 | 3 | ー | ー | 3.5 | 1 | 5 |
| 1.0 | 2 | 3 | 3 | 5.5 | 3.5 | 1 | 5.5 |
| 1.2 | 2 | 3 | 3 | 5.5 | 3.5 | 1 | 5.5 |
| 1.5 | 2 | 3.5 | 3 | 6 | 4 | 1 | 6 |
| 2.0 | 2 | 4.5 | 3 | 7 | 5 | 1.5 | 7 |
| 3.0 | 2 | 6.5 | 3 | 9 | 7 | 1.5 | 9 |
| 4.0 | 3 | 7.5 | 4 | 11 | 8(9) | 2 | 11 |
| 5.0 | 3 | 14 | 4 | 16 | 15 | 2.5 | 18 |
| 6.0 | 3 | 14 | 4 | 16 | 15 | 2.5 | 18 |
| 9.0 | 20 | ー | 20.5 | ー | 20 | 4 | 20 |

| T | 曲げ後R | ブレーキキズ | |
| 位置 | 深さ | ||
| SUS304 | (r) | (e) | (d) |
| 0.8 | 0.8 | 5 | 0.1 |
| 1.0 | 1 | 5 | 0.1 |
| 1.2 | 1.2 | 5 | 0.1 |
| 1.5 | 1.5 | 6 | 0.1 |
| 2.0 | 2.0 | 7.5 | 0.1 |
| 3.0 | 3.0 | 10.5 | 0.2 |
| 4.0 | 4.0 | 13.5 | 0.3 |
| 5.0 | 5.0 | 17 | 0.5 |
| 6.0 | 6.0 | 17 | 0.5 |
| 9.0 | 9.0 | 27 | 0.8 |


| 表面処理名称 | ふっ素樹脂コーティング (変性塗料:PTFE+PAI) |
| 表面硬度 | 鉛筆硬度 2H |
| 動摩擦係数_参考値 | 0.15~0.3 |
| 撥水角(撥水性)_参考値 | 107° |
| 電気的特性_参考値 | 帯電防止 1010~1011Ω |
| 型番 |
|---|
通常単価(税別)
(税込単価) | 通常出荷日 |
|---|
- ( - ) | 9日目 |
- ( - ) | 9日目 |
- ( - ) | 9日目 |
- ( - ) | 9日目 |
| 材質 記号 | A | L | T | ¥基準単価 |
| SUD | 20~100 | 15~50 | 0.8 | 2,370 |
| 1.0 | 2,370 | |||
| 1.2 | 2,370 | |||
| 1.5 | 2,370 | |||
| 2.0 | 2,580 | |||
| 3.0 | 2,580 | |||
| 4.0 | 2,880 | |||
| 5.0 | 3,490 | |||
| 6.0 | 3,490 | |||
| 9.0 | 5,660 | |||
| 51~100 | 0.8 | 3,010 | ||
| 1.0 | 3,010 | |||
| 1.2 | 3,010 | |||
| 1.5 | 3,010 | |||
| 2.0 | 3,240 | |||
| 3.0 | 3,240 | |||
| 4.0 | 3,560 | |||
| 5.0 | 4,190 | |||
| 6.0 | 4,190 | |||
| 9.0 | 6,190 | |||
| 101~200 | 15~50 | 0.8 | 2,930 | |
| 1.0 | 2,930 | |||
| 1.2 | 2,930 | |||
| 1.5 | 2,930 | |||
| 2.0 | 3,140 | |||
| 3.0 | 3,150 | |||
| 4.0 | 3,470 | |||
| 5.0 | 4,110 | |||
| 6.0 | 3,740 | |||
| 9.0 | 5,100 | |||
| 51~100 | 0.8 | 3,310 | ||
| 1.0 | 3,310 | |||
| 1.2 | 3,310 | |||
| 1.5 | 3,310 | |||
| 2.0 | 3,550 | |||
| 3.0 | 3,560 | |||
| 4.0 | 3,920 | |||
| 5.0 | 4,190 | |||
| 6.0 | 4,860 | |||
| 9.0 | 6,730 |
| 9 | 日目出荷 |
| 11 | 日目出荷 |
| 数量区分 | 標準対応 | 個別対応 | |
| 小口 | 大口 | 大口 | |
| 数 量 | 1〜19 | 20〜39 | 40〜 |
| 出荷日 | 通常 | +4日 | お見積り |
通常価格、通常出荷日が表示と異なる場合がございます
通常価格、通常出荷日が表示と異なる場合がございます

ミスミ
L型板金 取付板・ブラケット-フリー寸法タイプ- FALCS・FALCR
4.4
ミスミ
L型板金 取付板・ブラケット-センター振り分けタイプ- FSLAS
4.5
ミスミ
L型板金 取付板・ブラケット-フリー寸法タイプ- FACAS・FACAR
4.5
ミスミ
L型板金 取付板・ブラケット-フリー寸法タイプ- FALZS・FALZR
4.7
ミスミ
L型板金 取付板・ブラケット-センター振り分けタイプ- FSMAS
4.4
ミスミ
L型板金 取付板・ブラケット-フリー寸法タイプ- FALBS・FALBR
4.3
ミスミ
L型板金 取付板・ブラケット-フリー寸法タイプ- FADBS・FADBR
4
ミスミ
L型板金 取付板・ブラケット-フリー寸法タイプ- FAMAS・FAMAR
4.3
ミスミ
L型板金 取付板・ブラケット-フリー寸法タイプ- FAMCS・FAMCR
4.3