メカニカル部品技術窓口
ミスミ品のみ対象
![【ふっ素樹脂コーティング】L型板金 取付板・ブラケット-フリー寸法タイプ- FALCS FH-FALCS-SUD-T[0.8,1,1.2,1.5,2,3,4,5,6,9]-A[20-300/1]-B[15-200/1]-L[10-200/1]](https://content.misumi-ec.com/image/upload/t_product_main/t_misumi_wm/t_fluorine/v1/p/jp/product/series/110311168109/110311168109_20241018110214.jpg)
■ふっ素樹脂コーティングの特長耐薬品性・すべり性・難付着性・帯電防止に優れており、一般製造装置・半導体...
詳細を確認

(共通寸法)
寸法区分 | 公差 (㎜) | |
を超え | 以下 | |
6 | ±0.1 | |
6 | 30 | ±0.2 |
30 | 120 | ±0.3 |
120 | 400 | ±0.5 |
寸法区分 | 公差 (㎜) | |
を超え | 以下 | |
6 | ±0.3 | |
6 | 30 | ±0.5 |
30 | 120 | ±0.8 |
120 | 400 | ±1.2 |
| 穴種 | ボルト用通し穴 | タップ穴(並目) | 公差付通し穴 |
| Code | N・NA | M | DA |
| 形状図 | ![]() | ![]() | ![]() |
[ ! ]d寸法は規格表下部 |
| 型式 | [ M ]材質 | コーティング仕様 | ||||||||
| Type | 材質記号 | [ S ]コーティング種類 | 膜厚 | 耐熱温度 | [ H ]被膜硬度 | |||||
| FH-FALCS | SUD | T0.8~6.0 T9.0 | : SUS304(2B) : SUS304(No.1) | ふっ素樹脂コーティング (変性塗料:PTFE+PAI) |
| 210℃ | 鉛筆硬度 2H | |||
| 型式 | - | T | - | A | - | B | - | L | - | X | - | H | - | 穴指定① Code・呼び径 | - | Y | - | S | - | 穴指定② Code・呼び径 | - | K | ||
| Type | - | 材質記号 | ||||||||||||||||||||||
| FH-FALCS | - | SUD | - | T2.0 | - | A40 | - | B30 | - | L30 | - | X15 | - | H25 | - | N10 | - | Y15 | - | S15 | - | NA8 | - | K5 |
| 型式 | 選択 | 指定1mm単位 | X | H | 穴指定① | Y | S | 穴指定② | K | |||||
| Type | 材質記号 | T | A | B | L | Code/指定方法 | Code/指定方法 | |||||||
| FH-FALCS | SUD | 0.8 ・ 1.0 ・ 1.2 ・ 1.5 2.0 ・ 3.0 ・ 4.0 ・ 5.0 | 20~200 | 15~200 | 10~200 | 指定 1mm単位 | N (ボルト通し穴) 0(穴無し) 3・4・5 6・8・10 (選択) [ ! ] | M (タップ穴) 0(穴無し) 3・4・5 6・8・10 (選択) [ ! ] | DA (通し穴) 3~30 (0.5mm単位) [ ! ] | 指定 0.1mm単位 | NA (ボルト通し穴) 0(穴無し) 3・4・5 6・8・10 (選択) [ ! ] | 指定 0.1mm単位 [ ! ]K≦NA×5 | ||
| 6.0 | 20~300 | 20~200 | 20~200 | |||||||||||
| 9.0 | 32~200 | - | ||||||||||||
| [ ! ]穴が端面や曲げ部に近すぎると穴が変形する可能性がありますが、加工限界内であればそのまま加工します。 | ||||||||||||||
| N・NA指定値 | 通し穴径(d) |
| 0 | (穴無し) |
| 3 | 3.5 |
| 4 | 4.5 |
| 5 | 5.5 |
| 6 | 6.5 |
| 8 | 9 |
| 10 | 11 |
| T | N・NA(ボルト通し穴) | M(タップ穴) |
| 0.8 | 0・3・4・5・6・8・10 | 0 |
| 1.0、1.2 | 0・3 | |
| 1.5 | 0・3・4 | |
| 2.0 | 0・3・4・5・6 | |
| 3.0 | 0・3・4・5・6・8 | |
| 4.0~6.0 | 0・3・4・5・6・8・10 | |
| 9.0 | 0・5・6・8・10 | 0・5・6・8・10 |
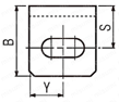
| Alterations | 長穴角度変更 |
![]() | |
| Code | RC |
| Spec. | 長穴を上図のように変更します。 [ ! ]寸法関係に注意 指定方法 RCを型式末尾に追加 (例)~-RC |
| ¥/1Code | 無料 |
| 商品 | 基準寸法の区分 (A・B寸法) | 6以下 | 6を超え 30以下 | 30を超え 120以下 | 120を超え 400以下 |
| 板金(曲げ加工品) | 許容差(a・b) | ±0.3 | ±0.5 | ±0.8 | ±1.2 |

[ ! ] 5.長穴は寸法によっては下記形状となる可能性があります。
(取付穴の機能に支障がない程度です)
| T | f(穴と曲げの距離) | b (穴と断面 との距離) | g | ||||
| SUS304 | 通し穴 | タップ穴 | 公差付穴 曲げと平行な長穴 | ||||
| L曲げ | Z・凸曲げ | L曲げ | Z・凸曲げ | ||||
| 0.8 | 2 | 3 | ー | ー | 3.5 | 1 | 5 |
| 1.0 | 2 | 3 | 3 | 5.5 | 3.5 | 1 | 5.5 |
| 1.2 | 2 | 3 | 3 | 5.5 | 3.5 | 1 | 5.5 |
| 1.5 | 2 | 3.5 | 3 | 6 | 4 | 1 | 6 |
| 2.0 | 2 | 4.5 | 3 | 7 | 5 | 1.5 | 7 |
| 3.0 | 2 | 6.5 | 3 | 9 | 7 | 1.5 | 9 |
| 4.0 | 3 | 7.5 | 4 | 11 | 8(9) | 2 | 11 |
| 5.0 | 3 | 14 | 4 | 16 | 15 | 2.5 | 18 |
| 6.0 | 3 | 14 | 4 | 16 | 15 | 2.5 | 18 |
| 9.0 | 20 | ー | 20.5 | ー | 20 | 4 | 20 |

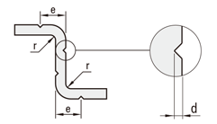
| T | 曲げ後R | ブレーキキズ | |
| 位置 | 深さ | ||
| SUS304 | (r) | (e) | (d) |
| 0.8 | 0.8 | 5 | 0.1 |
| 1.0 | 1 | 5 | 0.1 |
| 1.2 | 1.2 | 5 | 0.1 |
| 1.5 | 1.5 | 6 | 0.1 |
| 2.0 | 2.0 | 7.5 | 0.1 |
| 3.0 | 3.0 | 10.5 | 0.2 |
| 4.0 | 4.0 | 13.5 | 0.3 |
| 5.0 | 5.0 | 17 | 0.5 |
| 6.0 | 6.0 | 17 | 0.5 |
| 9.0 | 9.0 | 27 | 0.8 |


| 表面処理名称 | ふっ素樹脂コーティング (変性塗料:PTFE+PAI) |
| 表面硬度 | 鉛筆硬度 2H |
| 動摩擦係数_参考値 | 0.15~0.3 |
| 撥水角(撥水性)_参考値 | 107° |
| 電気的特性_参考値 | 帯電防止 1010~1011Ω |
| A | L | T | ¥基準単価 |
| FH-FALCS | |||
| 20~100 | 10~100 | 0.8~1.5 | 2,790 |
| 2.0~3.0 | 2,960 | ||
| 4.0~5.0 | 3,990 | ||
| 6.0 | 4,260 | ||
| 9.0 | 6,980 | ||
| 101~200 | 0.8~1.5 | 4,460 | |
| 2.0~3.0 | 4,770 | ||
| 4.0~5.0 | 6,230 | ||
| 6.0 | 6,230 | ||
| 9.0 | 10,570 | ||
| 101~200 | 10~100 | 0.8~1.5 | 3,900 |
| 2.0~3.0 | 4,170 | ||
| 4.0~5.0 | 5,540 | ||
| 6.0 | 5,540 | ||
| 9.0 | 8,860 | ||
| 101~200 | 0.8~1.5 | 5,620 | |
| 2.0~3.0 | 6,010 | ||
| 4.0~5.0 | 7,810 | ||
| 6.0 | 7,810 | ||
| 9.0 | 13,260 | ||
| 201~300 | 20~100 | 6.0 | 10,240 |
| 9.0 | 13,620 | ||
| 101~200 | 6.0 | 13,390 | |
| 9.0 | 18,580 |
| 9 | 日目出荷 |
| 11 | 日目出荷 |
| 数量区分 | 標準対応 | 個別対応 | |
| 小口 | 大口 | 大口 | |
| 数 量 | 1〜19 | 20〜39 | 40〜 |
| 出荷日 | 通常 | +4日 | お見積り |
通常価格、通常出荷日が表示と異なる場合がございます
通常価格、通常出荷日が表示と異なる場合がございます

ミスミ
L型板金 取付板・ブラケット-フリー寸法タイプ- FAMCS・FAMCR
4.3
ミスミ
L型板金 取付板・ブラケット-センター振り分けタイプ- FSMAS
4.4
ミスミ
L型板金 取付板・ブラケット-センター振り分けタイプ- FSLAS
4.5
ミスミ
L型板金 取付板・ブラケット-フリー寸法タイプ- FACAS・FACAR
4.5
ミスミ
L型板金 取付板・ブラケット-フリー寸法タイプ- FAMAS・FAMAR
4.3
ミスミ
L型板金 取付板・ブラケット-フリー寸法タイプ- FALCS・FALCR
4.4
ミスミ
L型板金 取付板・ブラケット-センター振り分けタイプ- FSLBS
4.7
ミスミ
L型板金 取付板・ブラケット-フリー寸法タイプ- FASBS・FASBR
4.7
ミスミ
L型板金 取付板・ブラケット-フリー寸法タイプ- FALBS・FALBR
4.3