メカニカル部品技術窓口
ミスミ品のみ対象

■ふっ素樹脂コーティングの特長耐薬品性・すべり性・難付着性・帯電防止に優れており、一般製造装置・半導体...
詳細を確認![]() | (共通寸法)![]() |
| ■穴種選択表 | ■加工限界 | ||||||||||||||||||||||||||||||||||||
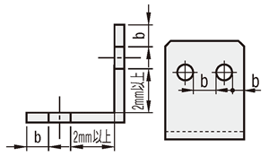
| 穴間、穴と端面の肉厚に加工限界があります。 限界値はこちらを参照 ![]() | ||||||||||||||||||||||||||||||||||||
![]() | ・b条件値単位:mm
| |||||||||||||||||||||||||||||||||||||||||
| 型式 | [ M ]材質 | コーティング仕様 | |||||||
| Type | 材質記号 | [ S ]コーティング種類 | 膜厚 | 耐熱温度 | [ H ]被膜硬度 | ||||
| FH-LRCDF | SU | SUS304 | ふっ素樹脂コーティング (変性塗料:PTFE+PAI) |
| 210℃ | 鉛筆硬度 2H | |||
| 型式 | - | T | - | A | - | B | - | L | - | V | - | S | - | 穴指定① Code・呼び径 | - | H | - | F | - | 穴指定② Code・呼び径 | ||
| Type | - | 材質記号 | ||||||||||||||||||||
| FH-LRCDF | - | SU | - | T6 | - | A50 | - | B50 | - | L40 | - | V25 | - | S35 | - | M5 | - | H35 | F25 | - | MA5 | |
| 型式 | 外形寸法 | V | S | 穴指定① | H | F | 穴指定② | ||||||
| T選択 | A選択 | B選択 | L選択 | ||||||||||
| Type | 材質記号 | Code | 呼び径 | Code | 呼び径 | ||||||||
| FH-LRCDF | SU | 5 6 | 20 25 40 50 | 20 | 25 30 40 50 60 70 80 | 指定0.1mm単位 | 3 | 指定0.1mm単位 | 3 | ||||
| 4 | 4 | ||||||||||||
| 25 30 40 50 60 | 25 | 5 | 5 | ||||||||||
| N | 6 | NA | 6 | ||||||||||
| 20 25 30 40 50 60 | 30 | [ ! ] | 8 | [ ! ] | 8 | ||||||||
| 10 | 10 | ||||||||||||
| 5 6 8 | 40 50 60 | 40 | 30 40 50 60 70 80 | M | 12 | MA | 12 | ||||||
| [ ! ]加工寸法は | [ ! ]加工寸法は | ||||||||||||
| 40 50 60 | 50 | 穴種選択表 | 穴種選択表 | ||||||||||
| 参照 | 参照 | ||||||||||||
| 型式 | T | A | B | L | V | S | 穴指定① | H | F | 穴指定② | (CC) | |||||||||||||
| - | - | - | - | - | - | - | Code・呼び径 | - | - | - | Code・呼び径 | - | ||||||||||||
| Type | - | 材質記号 | ||||||||||||||||||||||
| FH-LRCDF | - | SU | - | T6 | - | A50 | - | B50 | - | L40 | - | V25 | - | S35 | - | M5 | - | H35 | - | F25 | - | MA5 | - | CC10 |
| Alterations | コーナーカット変更 | |||||||
![]() | ||||||||
| Code | CC | |||||||
| Spec. | CC=指定1mm単位 [ ! ]1≦CC≦30 指定方法 CCを型式末尾に追加 (例)~-CC10 | |||||||
| ¥/1Code |
|
| 表面処理名称 | ふっ素樹脂コーティング (変性塗料:PTFE+PAI) |
| 表面硬度 | 鉛筆硬度 2H |
| 動摩擦係数_参考値 | 0.15~0.3 |
| 撥水角(撥水性)_参考値 | 107° |
| 電気的特性_参考値 | 帯電防止 1010~1011Ω |
| 型番 |
|---|
通常単価(税別)
(税込単価) | 通常出荷日 |
|---|
- ( - ) | 9日目 |
- ( - ) | 9日目 |
- ( - ) | 9日目 |
- ( - ) | 9日目 |
- ( - ) | 9日目 |
- ( - ) | 9日目 |
- ( - ) | 9日目 |
- ( - ) | 9日目 |
- ( - ) | 9日目 |
- ( - ) | 9日目 |
- ( - ) | 9日目 |
- ( - ) | 9日目 |
| T | A | ¥基準単価 | |||||
| FH-LRCDF | |||||||
| L25・30 | L40 | L50 | L60 | L70 | L80 | ||
| 5 6 | 20 | 4,060 | 4,950 | 5,800 | 6,390 | 6,980 | 7,840 |
| 25 | 4,090 | 4,980 | 5,830 | 6,420 | 7,010 | 7,880 | |
| 30 | 4,170 | 5,080 | 5,920 | 6,520 | 7,120 | 7,990 | |
| 40 | 4,190 | 5,090 | 5,940 | 6,540 | 7,140 | 8,010 | |
| 50 | 4,630 | 5,250 | 6,090 | 6,680 | 7,290 | 8,140 | |
| 60 | 5,260 | 5,850 | 6,450 | 7,040 | 7,640 | 8,230 | |
| 8 | 40 | 4,720 | 5,350 | 6,240 | 6,890 | 7,530 | 8,440 |
| 50 | 4,860 | 5,500 | 6,390 | 7,040 | 7,680 | 8,590 | |
| 60 | 5,430 | 6,080 | 6,700 | 7,360 | 8,010 | 8,640 | |
| 9 | 日目出荷 |
| 数量区分 | 標準対応 | 個別対応 | |
| 小口 | 大口 | 大口 | |
| 数 量 | 1〜19 | 20〜40 | 41〜 |
| 出荷日 | 通常 | +4日 | お見積り |
通常価格、通常出荷日が表示と異なる場合がございます
通常価格、通常出荷日が表示と異なる場合がございます

ミスミ
L型板金 取付板・ブラケット-センター振り分けタイプ- FSMAS
4.4
ミスミ
L型板金 取付板・ブラケット-フリー寸法タイプ- FACAS・FACAR
4.5
ミスミ
L型板金 取付板・ブラケット-フリー寸法タイプ- FAMAS・FAMAR
4.3
ミスミ
L型板金 取付板・ブラケット-フリー寸法タイプ- FALBS・FALBR
4.3
ミスミ
L型板金 取付板・ブラケット-センター振り分けタイプ- FSLAS
4.5
ミスミ
L型板金 取付板・ブラケット-フリー寸法タイプ- FAMBS・FAMBR
4.7
ミスミ
L型板金 取付板・ブラケット-フリー寸法タイプ- FALCS・FALCR
4.4
ミスミ
L型板金 取付板・ブラケット-フリー寸法タイプ- FAMCS・FAMCR
4.3
ミスミ
L型板金 取付板・ブラケット-フリー寸法タイプ- FASBS・FASBR
4.7