メカニカル部品技術窓口
ミスミ品のみ対象

■ふっ素樹脂コーティングの特長耐薬品性・すべり性・難付着性・帯電防止に優れており、一般製造装置・半導体...
詳細を確認

寸法区分 | 公差 (㎜) | |
を超え | 以下 | |
0.5 | 6 | ±0.1 |
6 | 30 | ±0.2 |
30 | 120 | ±0.3 |
120 | 400 | ±0.5 |
| 穴種 | タップ穴 | ボルト用通し穴 | 公差付通し穴 | |||||||||||||||||||||||||||||||||||||||||||||||||||||||||||||||||||||
| Code | MA | N・NA | DA | |||||||||||||||||||||||||||||||||||||||||||||||||||||||||||||||||||||
| 形状図 ・ Code | ![]() | ![]() | ![]() | |||||||||||||||||||||||||||||||||||||||||||||||||||||||||||||||||||||
| 加工 仕様 | タップ有効長 最大MA×2 |
|
| |||||||||||||||||||||||||||||||||||||||||||||||||||||||||||||||||||||
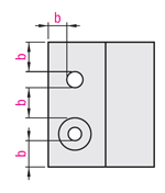
![]() | ・b条件値単位:mm
| |||||||||||||||||||||||||||||||||||||||||||||||||||||||||||||
| 型式 | [ M ]材質 | コーティング仕様 | |||||||
| Type | 材質記号 | [ S ]コーティング種類 | 膜厚 | 耐熱温度 | [ H ]被膜硬度 | ||||
| FH-LAFSN | SU | SUS304 | ふっ素樹脂コーティング (変性塗料:PTFE+PAI) |
| 210℃ | 鉛筆硬度 2H | |||
| A・B寸法の長手 | 直角度 K |
| 10~80 | 0.05以内 |
| 80.5~130 | 0.10以内 |
| 型式 | − | T | − | A | − | B | − | L | − | P | − | S | − | 穴指定① Code・呼び径 | − | K | − | X | − | H | − | 穴指定② Code・呼び径 | ||
| Type | − | 材質記号 | ||||||||||||||||||||||
| FH-LAFSN | − | SU | − | T6 | − | A50 | − | B30 | − | L30 | − | S20 | − | N6 | − | K7 | − | H35 | − | NA6 | ||||
| 型式 | 外形寸法 | P | S | 穴指定① | K | X | H | 穴指定② | ||||||||
| 選択 | 指定0.5mm単位 | |||||||||||||||
| Type | 材質記号 | T | A | B | L | Code | 呼び径 | Code | 呼び径 | Code | 指定 | |||||
| FH-LAFSN | SU | 5・6・8 | 10.0~90.0 | 10.0~90.0 | 10.0~100.0 | 指定0.1mm単位 | 0(穴なし) | 指定0.1mm単位 [ ! ]K≦N×5 | 0(穴なし) | DA | 3~30(0.5mm単位) 31~60(1mm単位) | |||||
| 3 | 3 | |||||||||||||||
| 4 | 4 | |||||||||||||||
| 5 | 5 | |||||||||||||||
| N | 6 | NA | 6 | |||||||||||||
| [ ! ] | 8 | [ ! ] | 8 | |||||||||||||
| 10 | 10 | |||||||||||||||
| 12 | MA | 12 | ||||||||||||||
| [ ! ]加工寸法は | [ ! ]加工寸法は | |||||||||||||||
| 穴種選択表 | 穴種選択表 | |||||||||||||||
| 参照 | 参照 | |||||||||||||||
| Alterations | コーナーカット変更 | 底面長穴角度変更 | |||||||||||||||||||||||
![]() | LAF□N![]() | ||||||||||||||||||||||||
| Code | CC | RC | |||||||||||||||||||||||
| Spec. | CC=指定1mm単位 [ ! ]1≦CC≦30 指定方法 CCを型式末尾に追加 (例)~-CC10 | B面の長穴を上図のように変更します。 [ ! ]寸法関係に注意 指定方法 RCを型式末尾に追加 (例)~-RC | |||||||||||||||||||||||
| ¥/1Code |
| 無料 | |||||||||||||||||||||||
| 表面処理名称 | ふっ素樹脂コーティング (変性塗料:PTFE+PAI) |
| 表面硬度 | 鉛筆硬度 2H |
| 動摩擦係数_参考値 | 0.15~0.3 |
| 撥水角(撥水性)_参考値 | 107° |
| 電気的特性_参考値 | 帯電防止 1010~1011Ω |
| 型番 |
|---|
通常単価(税別)
(税込単価) | 通常出荷日 |
|---|
- ( - ) | 9日目 |
- ( - ) | 9日目 |
- ( - ) | 9日目 |
| DA穴加工 | ||
| 穴径31~40 | 穴径41~50 | 穴径51~60 |
| 600 | 800 | 1,000 |
| T | A | B | 本体価格 ¥基準単価 | ||
| FH-LAFSN | |||||
| L10~50 | L50.5~75 | L75.5~100 | |||
| 5・6 | 10~50 | 10~50 | 5,600 | 7,490 | 9,380 |
| 50.5~75 | 6,370 | 8,230 | 10,520 | ||
| 75.5~90 | 8,240 | 10,590 | 13,530 | ||
| 50.5~75 | 10~50 | 6,870 | 8,700 | 10,520 | |
| 50.5~75 | 7,080 | 9,140 | 11,050 | ||
| 75.5~90 | 8,670 | 11,010 | 13,850 | ||
| 75.5~90 | 10~50 | 8,740 | 10,870 | 13,030 | |
| 50.5~75 | 9,170 | 11,010 | 13,510 | ||
| 75.5~90 | 10,390 | 12,330 | 15,260 | ||
| 8 | 10~50 | 10~50 | 6,830 | 9,080 | 11,340 |
| 50.5~75 | 7,460 | 9,770 | 12,110 | ||
| 75.5~90 | 8,620 | 11,220 | 13,850 | ||
| 50.5~75 | 10~50 | 7,920 | 9,770 | 12,110 | |
| 50.5~75 | 8,270 | 10,590 | 12,700 | ||
| 75.5~90 | 9,170 | 11,650 | 14,500 | ||
| 75.5~90 | 10~50 | 9,060 | 11,220 | 13,350 | |
| 50.5~75 | 9,670 | 11,800 | 14,000 | ||
| 75.5~90 | 10,890 | 12,930 | 15,900 | ||
| 9 | 日目出荷 |
| 数量区分 | 標準対応 | 個別対応 | |
| 小口 | 大口 | 大口 | |
| 数 量 | 1〜19 | 20〜40 | 41〜 |
| 出荷日 | 通常 | +4日 | お見積り |
通常価格、通常出荷日が表示と異なる場合がございます
通常価格、通常出荷日が表示と異なる場合がございます

ミスミ
L型板金 取付板・ブラケット-フリー寸法タイプ- FACAS・FACAR
4.5
ミスミ
L型板金 取付板・ブラケット-センター振り分けタイプ- FSLAS
4.5
ミスミ
L型板金 取付板・ブラケット-フリー寸法タイプ- FALBS・FALBR
4.3
ミスミ
L型板金 取付板・ブラケット-フリー寸法タイプ- FALCS・FALCR
4.4
ミスミ
L型板金 取付板・ブラケット-フリー寸法タイプ- FAMAS・FAMAR
4.3
ミスミ
L型板金 取付板・ブラケット-センター振り分けタイプ- FSMAS
4.4
ミスミ
L型板金 取付板・ブラケット-フリー寸法タイプ- FAMBS・FAMBR
4.7
ミスミ
L型板金 取付板・ブラケット-フリー寸法タイプ- FAMCS・FAMCR
4.3
ミスミ
L型板金 取付板・ブラケット-フリー寸法タイプ- FASBS・FASBR
4.7