メカニカル部品技術窓口
ミスミ品のみ対象

■ふっ素樹脂コーティングの特長耐薬品性・すべり性・難付着性・帯電防止に優れており、一般製造装置・半導体...
詳細を確認

| 穴種 | ボルト通し穴 | |||||||||||||||||||||||||||||||||||||||||||||||||
| Code | N・NA | |||||||||||||||||||||||||||||||||||||||||||||||||
| 形状図 ・ Code | ![]() | |||||||||||||||||||||||||||||||||||||||||||||||||
| 加工 仕様 |
| |||||||||||||||||||||||||||||||||||||||||||||||||

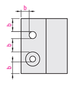
![]() | ・b条件値単位:mm
| ||||||||||||||||||||||||||||||||
| 型式 | [ M ]材質 | コーティング仕様 | |||||||
| Type | 材質記号 | [ S ]コーティング種類 | 膜厚 | 耐熱温度 | [ H ]被膜硬度 | ||||
| FH-LAFNN | SU | SUS304 | ふっ素樹脂コーティング (変性塗料:PTFE+PAI) |
| 210℃ | 鉛筆硬度 2H | |||
| 型式 | − | T | − | A | − | B | − | L | − | P | − | S | − | 穴指定① Code・呼び径 | − | K | − | X | − | H | − | 穴指定② Code・呼び径 | − | J | ||
| Type | − | 材質記号 | ||||||||||||||||||||||||
| FH-LAFNN | − | SU | − | T6 | − | A50 | − | B30 | − | L30 | − | S20 | − | N6 | − | K7 | − | H35 | − | NA6 | − | J7 | ||||
| 型式 | 外形寸法 | P | S | 穴指定① | K | X | H | 穴指定② | J | ||||||
| 選択 | 指定0.5mm単位 | ||||||||||||||
| Type | 材質記号 | T | A | B | L | Code | 呼び径 | Code | 呼び径 | ||||||
| FH-LAFNN | SU | 5・6・8 | 10.0~90.0 | 10.0~90.0 | 10.0~100.0 | 指定0.1mm単位 | 0(穴なし) | 0(穴なし) | |||||||
| 3 | 3 | ||||||||||||||
| 4 | 4 | ||||||||||||||
| 5 | 5 | ||||||||||||||
| N | 6 | 指定0.1mm単位 | NA | 6 | 指定0.1mm単位 | ||||||||||
| [ ! ] | 8 | [ ! ] | 8 | ||||||||||||
| 10 | [ ! ]K≦N×5 | 10 | [ ! ]J≦NA×5 | ||||||||||||
| 12 | 12 | ||||||||||||||
| [ ! ]加工寸法は | [ ! ]加工寸法は | ||||||||||||||
| 穴種選択表 | 穴種選択表 | ||||||||||||||
| 参照 | 参照 | ||||||||||||||
| Alterations | コーナーカット変更 | 底面長穴角度変更 | |||||||||||||||||||||||
![]() | LAF□N![]() | ||||||||||||||||||||||||
| Code | CC | RC | |||||||||||||||||||||||
| Spec. | CC=指定1mm単位 [ ! ]1≦CC≦30 指定方法 CCを型式末尾に追加 (例)~-CC10 | B面の長穴を上図のように変更します。 [ ! ]寸法関係に注意 指定方法 RCを型式末尾に追加 (例)~-RC | |||||||||||||||||||||||
| ¥/1Code |
| 無料 | |||||||||||||||||||||||
| 表面処理名称 | ふっ素樹脂コーティング (変性塗料:PTFE+PAI) |
| 表面硬度 | 鉛筆硬度 2H |
| 動摩擦係数_参考値 | 0.15~0.3 |
| 撥水角(撥水性)_参考値 | 107° |
| 電気的特性_参考値 | 帯電防止 1010~1011Ω |
| 型番 |
|---|
通常単価(税別)
(税込単価) | 通常出荷日 |
|---|
- ( - ) | 9日目 |
- ( - ) | 9日目 |
- ( - ) | 9日目 |
| T | A | B | ¥基準単価 | ||
| FH-LAFNN | |||||
| L10~50 | L50.5~75 | L75.5~100 | |||
| 5・6 | 10~50 | 10~50 | 5,980 | 7,870 | 9,770 |
| 50.5~75 | 6,750 | 8,620 | 10,900 | ||
| 75.5~90 | 8,620 | 10,980 | 13,910 | ||
| 50.5~75 | 10~50 | 7,250 | 9,080 | 10,900 | |
| 50.5~75 | 7,470 | 9,520 | 11,430 | ||
| 75.5~90 | 9,060 | 11,390 | 14,230 | ||
| 75.5~90 | 10~50 | 9,120 | 11,250 | 13,410 | |
| 50.5~75 | 9,560 | 11,390 | 13,890 | ||
| 75.5~90 | 10,770 | 12,710 | 15,650 | ||
| 8 | 10~50 | 10~50 | 7,210 | 9,460 | 11,720 |
| 50.5~75 | 7,850 | 10,150 | 12,490 | ||
| 75.5~90 | 9,000 | 11,600 | 14,230 | ||
| 50.5~75 | 10~50 | 8,300 | 10,150 | 12,490 | |
| 50.5~75 | 8,650 | 10,970 | 13,080 | ||
| 75.5~90 | 9,550 | 12,040 | 14,880 | ||
| 75.5~90 | 10~50 | 9,440 | 11,600 | 13,730 | |
| 50.5~75 | 10,050 | 12,180 | 14,380 | ||
| 75.5~90 | 11,270 | 13,310 | 16,280 | ||
| 9 | 日目出荷 |
| 数量区分 | 標準対応 | 個別対応 | |
| 小口 | 大口 | 大口 | |
| 数 量 | 1〜19 | 20〜40 | 41〜 |
| 出荷日 | 通常 | +4日 | お見積り |
通常価格、通常出荷日が表示と異なる場合がございます
通常価格、通常出荷日が表示と異なる場合がございます

ミスミ
L型板金 取付板・ブラケット-フリー寸法タイプ- FACAS・FACAR
4.5
ミスミ
L型板金 取付板・ブラケット-フリー寸法タイプ- FAMAS・FAMAR
4.3
ミスミ
L型板金 取付板・ブラケット-センター振り分けタイプ- FSLAS
4.5
ミスミ
L型板金 取付板・ブラケット-フリー寸法タイプ- FALBS・FALBR
4.3
ミスミ
L型板金 取付板・ブラケット-センター振り分けタイプ- FSMAS
4.4
ミスミ
L型板金 取付板・ブラケット-フリー寸法タイプ- FAMBS・FAMBR
4.7
ミスミ
L型板金 取付板・ブラケット-フリー寸法タイプ- FALCS・FALCR
4.4
ミスミ
L型板金 取付板・ブラケット-フリー寸法タイプ- FAMDS・FAMDR
4.3
ミスミ
L型板金 取付板・ブラケット-センター振り分けタイプ- FSLBS
4.7