メカニカル部品技術窓口
ミスミ品のみ対象

■ふっ素樹脂コーティングの特長耐薬品性・すべり性・難付着性・帯電防止に優れており、一般製造装置・半導体...
詳細を確認

| 穴種 | タップ穴 | ボルト通し穴 | |||||||||||||||||||||||||||||||||||||||||||||||||
| Code | M・MA | N・NA | |||||||||||||||||||||||||||||||||||||||||||||||||
| 形状図 ・ Code | ![]() | ![]() | |||||||||||||||||||||||||||||||||||||||||||||||||
| 加工 仕様 | タップ有効長 最大M・MA×2 |
| |||||||||||||||||||||||||||||||||||||||||||||||||

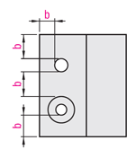
![]() | ・b条件値単位:mm
| |||||||||||||||||||||||||||||||||||||||||
| 型式 | [ M ]材質 | コーティング仕様 | |||||||
| Type | 材質記号 | [ S ]コーティング種類 | 膜厚 | 耐熱温度 | [ H ]被膜硬度 | ||||
| FH-LAFWF | SU | SUS304 | ふっ素樹脂コーティング (変性塗料:PTFE+PAI) |
| 210℃ | 鉛筆硬度 2H | |||
| A・B寸法の長手 | 直角度 K |
| 10~80 | 0.05以内 |
| 80.5~130 | 0.10以内 |
| 型式 | − | T | − | A | − | B | − | L | − | P | − | V | − | S | − | W | − | 穴指定① | − | X | − | H | − | F | − | G | − | 穴指定② | ||
| Code・呼び径 | Code・呼び径 | |||||||||||||||||||||||||||||
| Type | − | 材質記号 | ||||||||||||||||||||||||||||
| FH-LAFWF | − | SU | − | T6 | − | A50 | − | B30 | − | L30 | − | V15 | − | S15 | − | W10 | − | N5 | − | H30 | − | F15 | − | G8 | − | NA5 | ||||
| 型式 | 外形寸法 | P | V | S | W | 穴指定① | X | H | F | G | 穴指定② | ||||||
| 選択 | 指定0.5mm単位 | ||||||||||||||||
| Type | 材質記号 | T | A | B | L | Code | 呼び径 | Code | 呼び径 | ||||||||
| FH-LAFWF | SU | 5・6・8 | 10.0~90.0 | 10.0~90.0 | 10.0~100.0 | 指定0.1mm単位 | 0(穴なし) | 指定0.1mm単位 | 0(穴なし) | ||||||||
| 3 | 3 | ||||||||||||||||
| 4 | 4 | ||||||||||||||||
| 5 | 5 | ||||||||||||||||
| N | 6 | NA | 6 | ||||||||||||||
| [ ! ] | 8 | [ ! ] | 8 | ||||||||||||||
| 10 | 10 | ||||||||||||||||
| M | 12 | MA | 12 | ||||||||||||||
| [ ! ]加工寸法は | [ ! ]加工寸法は | ||||||||||||||||
| 穴種選択表 | 穴種選択表 | ||||||||||||||||
| 参照 | 参照 | ||||||||||||||||
| Alterations | コーナーカット変更 | |||||||||||||||||||||||
![]() | ||||||||||||||||||||||||
| Code | CC | |||||||||||||||||||||||
| Spec. | CC=指定1mm単位 [ ! ]1≦CC≦30 指定方法 CCを型式末尾に追加 (例)~-CC10 | |||||||||||||||||||||||
| ¥/1Code |
| |||||||||||||||||||||||
| 表面処理名称 | ふっ素樹脂コーティング (変性塗料:PTFE+PAI) |
| 表面硬度 | 鉛筆硬度 2H |
| 動摩擦係数_参考値 | 0.15~0.3 |
| 撥水角(撥水性)_参考値 | 107° |
| 電気的特性_参考値 | 帯電防止 1010~1011Ω |
| 型番 |
|---|
通常単価(税別)
(税込単価) | 通常出荷日 |
|---|
- ( - ) | 9日目 |
- ( - ) | 9日目 |
- ( - ) | 9日目 |
| T | A | B | ¥基準単価 | ||
| FH-LAFWF | |||||
| L10~50 | L50.5~75 | L75.5~100 | |||
| 5・6 | 10~50 | 10~50 | 5,930 | 7,820 | 9,710 |
| 50.5~75 | 6,700 | 8,560 | 10,850 | ||
| 75.5~90 | 8,570 | 10,920 | 13,860 | ||
| 50.5~75 | 10~50 | 7,200 | 9,020 | 10,850 | |
| 50.5~75 | 7,410 | 9,470 | 11,380 | ||
| 75.5~90 | 9,000 | 11,340 | 14,180 | ||
| 75.5~90 | 10~50 | 9,070 | 11,200 | 13,360 | |
| 50.5~75 | 9,500 | 11,340 | 13,840 | ||
| 75.5~90 | 10,720 | 12,650 | 15,590 | ||
| 8 | 10~50 | 10~50 | 7,160 | 9,410 | 11,660 |
| 50.5~75 | 7,790 | 10,100 | 12,440 | ||
| 75.5~90 | 8,950 | 11,550 | 14,180 | ||
| 50.5~75 | 10~50 | 8,250 | 10,090 | 12,440 | |
| 50.5~75 | 8,600 | 10,920 | 13,030 | ||
| 75.5~90 | 9,500 | 11,980 | 14,830 | ||
| 75.5~90 | 10~50 | 9,390 | 11,550 | 13,680 | |
| 50.5~75 | 10,000 | 12,130 | 14,330 | ||
| 75.5~90 | 11,210 | 13,260 | 16,230 | ||
| 9 | 日目出荷 |
| 数量区分 | 標準対応 | 個別対応 | |
| 小口 | 大口 | 大口 | |
| 数 量 | 1〜19 | 20〜40 | 41〜 |
| 出荷日 | 通常 | +4日 | お見積り |
通常価格、通常出荷日が表示と異なる場合がございます
通常価格、通常出荷日が表示と異なる場合がございます

ミスミ
L型板金 取付板・ブラケット-フリー寸法タイプ- FALCS・FALCR
4.4
ミスミ
L型板金 取付板・ブラケット-フリー寸法タイプ- FACAS・FACAR
4.5
ミスミ
L型板金 取付板・ブラケット-センター振り分けタイプ- FSLAS
4.5
ミスミ
L型板金 取付板・ブラケット-フリー寸法タイプ- FALAS・FALAR
4.4
ミスミ
L型板金 取付板・ブラケット-フリー寸法タイプ- FAMAS・FAMAR
4.3
ミスミ
L型板金 取付板・ブラケット-センター振り分けタイプ- FSMAS
4.4
ミスミ
L型板金 取付板・ブラケット-フリー寸法タイプ- FALBS・FALBR
4.3
ミスミ
L型板金 取付板・ブラケット-フリー寸法タイプ- FAMBS・FAMBR
4.7
ミスミ
L型板金 取付板・ブラケット-フリー寸法タイプ- FAMCS・FAMCR
4.3