メカニカル部品技術窓口
ミスミ品のみ対象

■ふっ素樹脂コーティングの特長 耐薬品性・すべり性・難付着性・帯電防止に優れており、一般製造装置・...
詳細を確認![]() |
| 穴種 | タップ穴 | ボルト通し穴 | ザグリ穴 | |||||||||||||||||||||||||||||||
| Code | M | N | Z | |||||||||||||||||||||||||||||||
| 形状図 | ![]() | ![]() | ![]() | |||||||||||||||||||||||||||||||
| 加工 仕様 | タップ有効長最大M×2 [ ! ]T≧M×3のとき、 タップ下穴が貫通しない 場合があります。 |
| ||||||||||||||||||||||||||||||||
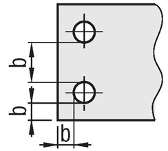
■加工限界 穴と穴、穴と端面の肉厚に加工限界があります。(例:右図b部) 限界値はこちらを参照 | ![]() |
| 型式 | [ M ]材質 | コーティング仕様 | |||||||
| Type | 材質記号 | [ S ]コーティング種類 | 膜厚 | 耐熱温度 | [ H ]被膜硬度 | ||||
| FH-HRMCD | SU | SUS304D | ふっ素樹脂コーティング (変性塗料:PTFE+PAI) |
| 210℃ | 鉛筆硬度 2H | |||
| 型式 | - | A | - | B | - | T | - | L | - | G | - | 穴指定 Code・呼び径 | - | D | ||
| Type | - | 材質記号 | ||||||||||||||
| FH-HRMCD | - | SU | - | A80 | - | B65 | - | T6 | - | L60 | - | G40 | - | M6 | - | D20 |
| 型式 | 指定1mm単位 | B | T | L | G | 穴指定 | 0.5mm単位 | ||
| Type | 材質記号 | A | Code | 呼び径 | D | ||||
| FH-HRMCD | SU | 30~150 | 15 20 25 32 38 50 65 100 125 | 6 9 10 12 16 19 | 指定 0.1mm単位 | N [ ! ] M Z [ ! ] [ ! ] 加工寸法は 穴種選択表 参照 | 3 4 5 6 8 10 12 | 3~30 | |
| [ NG ]B15の時、T10~19選択不可 [ NG ]B20の時、T19選択不可 | |||||||||
| Alteration | コーナーカット変更 | |||||||
![]() | ||||||||
| Code | CC | |||||||
| Spec. | コーナーカットを変更します。 CC=指定1mm単位 [ ! ]1≦CC≦50
(例) ~-CC10 | |||||||
| ¥/1Code |
| |||||||
| 表面処理名称 | ふっ素樹脂コーティング (変性塗料:PTFE+PAI) |
| 表面硬度 | 鉛筆硬度 2H |
| 動摩擦係数_参考値 | 0.15~0.3 |
| 撥水角(撥水性)_参考値 | 107° |
| 電気的特性_参考値 | 帯電防止 1010~1011Ω |
| 型番 |
|---|
通常単価(税別)
(税込単価) | 通常出荷日 |
|---|
- ( - ) | 12日目 |
- ( - ) | 12日目 |
- ( - ) | 12日目 |
| A | B | T | ¥基準単価 |
| FH-HRMCD | |||
| 30~50 | 15~32 | 6 | 3,600 |
| 9・10 | 4,310 | ||
| 12 | 5,140 | ||
| 16・19 | 5,920 | ||
| 38~65 | 6 | 3,600 | |
| 9・10 | 4,370 | ||
| 12 | 5,140 | ||
| 16・19 | 5,920 | ||
| 75~100 | 6 | 3,600 | |
| 9・10 | 4,370 | ||
| 12 | 5,140 | ||
| 16・19 | 5,920 | ||
| 125 | 6 | 5,120 | |
| 9・10 | 6,240 | ||
| 12 | 7,520 | ||
| 16・19 | 9,000 | ||
| 51~100 | 15~32 | 6 | 4,860 |
| 9・10 | 5,670 | ||
| 12 | 6,960 | ||
| 16・19 | 8,140 | ||
| 38~65 | 6 | 4,890 | |
| 9・10 | 5,820 | ||
| 12 | 7,000 | ||
| 16・19 | 8,620 | ||
| 75~100 | 6 | 4,890 | |
| 9・10 | 5,820 | ||
| 12 | 7,000 | ||
| 16・19 | 8,620 | ||
| 125 | 6 | 6,560 | |
| 9・10 | 7,820 | ||
| 12 | 9,270 | ||
| 16・19 | 10,880 | ||
| 101~150 | 15~32 | 6 | 5,180 |
| 9・10 | 5,770 | ||
| 12 | 7,370 | ||
| 16・19 | 8,590 | ||
| 38~65 | 6 | 5,210 | |
| 9・10 | 6,390 | ||
| 12 | 7,440 | ||
| 16・19 | 8,810 | ||
| 75~100 | 6 | 5,210 | |
| 9・10 | 6,390 | ||
| 12 | 7,440 | ||
| 16・19 | 8,810 | ||
| 125 | 6 | 6,990 | |
| 9・10 | 8,640 | ||
| 12 | 10,450 | ||
| 16・19 | 12,290 |
| 9 | 日目出荷 |
| 数量区分 | 標準対応 | 個別対応 | |
| 小口 | 大口 | 大口 | |
| 数 量 | 1〜10 | 11〜30 | 31〜 |
| 出荷日 | 通常 | +4日 | お見積り |

通常価格、通常出荷日が表示と異なる場合がございます
通常価格、通常出荷日が表示と異なる場合がございます

ミスミ
板金 取付板・ブラケット -フリー寸法タイプ- JTDAS・JTDAR
4.4
ミスミ
板金 取付板・ブラケット-センター振り分けタイプ- JSDAS
4.6
ミスミ
板金 取付板・ブラケット -フリー寸法タイプ- JTAAS・JTAAR
4.6
ミスミ
板金 取付板・ブラケット-センター振り分けタイプ- JSAAS
4.4
ミスミ
板金 取付板・ブラケット -フリー寸法タイプ- JTDZS・JTDZR
4.4
ミスミ
フラットバー 取付板・ブラケット -センター振り分けタイプ- HRCZA
4.7
ミスミ
6面フライス 取付板・ブラケット-外径寸法フリー指定- HFMQA
4.9
ミスミ
板金 取付板・ブラケット -フリー寸法タイプ- JTMAS・JTMAR
5
ミスミ
板金 取付板・ブラケット -フリー寸法タイプ- JTNAS・JTNAR
4.6