メカニカル部品技術窓口
ミスミ品のみ対象
![【ふっ素樹脂コーティング】板金 取付板・ブラケット-フリー寸法タイプ- JTDBS FH-JTDBS-SUD-A[10-300/1]-B[5-300/1]-T[0.8,1,1.2,1.5,2,3,4,5,6,9]](https://content.misumi-ec.com/image/upload/t_product_main/t_misumi_wm/t_fluorine/v1/p/jp/product/series/110311164239/110311164239_20241018110210.jpg)
■ふっ素樹脂コーティングの特長 耐薬品性・すべり性・難付着性・帯電防止に優れており、一般製造装置・...
詳細を確認
| 穴種 | ボルト通し穴 | タップ穴(並目) | 公差付通し穴 |
| Code | N・NA | MA | DA |
| 形状図 | [ ! ] ![]() | ![]() | ![]() |
| [ ! ]d寸法は規格表下部 「N・NA加工寸法表」参照 |
| 型式 | [ M ]材質 | コーティング仕様 | ||||||||
| Type | 材質記号 | [ S ]コーティング種類 | 膜厚 | 耐熱温度 | [ H ]被膜硬度 | |||||
| FH-JTDBS | SUD | T0.8~6.0 T9.0 | :SUS304(2B) :SUS304(No.1) | ふっ素樹脂コーティング (変性塗料:PTFE+PAI) |
| 210℃ | 鉛筆硬度 2H | |||
| 型式 | - | A | - | B | - | T | - | X | - | Y | - | 穴指定① Code・呼び径 | - | K | - | L | 穴指定② Code・呼び径 | |||
| - | ||||||||||||||||||||
| Type | - | 材質記号 | ||||||||||||||||||
| FH-JTDBS | - | SUD | - | A120 | - | B80 | - | T2.0 | - | X30 | - | Y40 | - | N8 | - | K8 | - | L70 | - | MA4 |
| 型式 | 指定1mm単位 | 選択 | X | Y | 穴指定① | K | L | 穴指定② | ||||||
| Type | 材質記号 | A | B | T | Code/指定方法 | Code/指定方法 | ||||||||
| FH-JTDBS | SUD | 10~300 | 5~300 [ ! ] | 0.8 ・ 1.0 ・ 1.2 ・ 1.5 ・ 2.0 3.0 ・ 4.0 ・ 5.0 ・ 6.0 ・ 9.0 | 指定 0.1mm単位 | N (ボルト通し穴) 3・4・5 6・8・10 (選択) [ ! ] | 指定 0.1mm単位 [ ! ]K≦N×10 | NA (ボルト通し穴) 3・4・5 6・8・10 (選択) [ ! ] | MA (タップ穴) 3・4・5 6・8・10 (選択) [ ! ] | DA (通し穴) 3~30 (0.5mm単位) [ ! ] | ||||
| [ ! ]T6.0は、B≧6 | ||||||||||||||
| [ ! ]T9.0は、B≧9 DA穴不可 | ||||||||||||||
| [ ! ]穴が端面に近すぎると穴が変形する可能性がありますが、加工限界内であればそのまま加工します。 | ||||||||||||||
| N・NA指定値 | 通し穴径(d) |
| 3 | 3.5 |
| 4 | 4.5 |
| 5 | 5.5 |
| 6 | 6.5 |
| 8 | 9 |
| 10 | 11 |
| T | N・NA(ボルト通し穴) | MA(タップ穴) |
| 0.8 | 3・4・5・6・8・10 | 不可 |
| 1.0、1.2 | 3 | |
| 1.5 | 3・4 | |
| 2.0 | 3・4・5・6 | |
| 3.0 | 3・4・5・6・8 | |
| 4.0~6.0 | 3・4・5・6・8・10 | |
| 9.0 | 5・6・8・10 | 5・6・8・10 |
Alteration | 長穴角度変更 | コーナーカット | ||
![]() | ![]() | |||
Code | RC | CC | ||
Spec. | 長穴を上図のように変更します。 [ ! ]寸法関係に注意
(例)~-RC | CC=指定1mm単位 1≦CC≦10
(例)~-CC5 | ||
¥/1Code | 無料 | 400 |
| 商品 | 基準寸法の区分 (A・B寸法) | 6以下 | 6を超え 30以下 | 30を超え 120以下 | 120を超え 400以下 |
| 板金(曲げ無) | 許容差(a・b) | ±0.1 | ±0.2 | ±0.3 | ±0.5 |


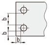
[ ! ]5. 穴と穴、穴と端面の肉厚に加工限界があります。(例:下図b部)

| T | b |
| SUS304 | |
| 0.8 | 1 |
| 1.0 | 1 |
| 1.2 | 1 |
| 1.5 | 1 |
| 2.0 | 1.5 |
| 3.0 | 1.5 |
| 4.0 | 2 |
| 5.0 | 2.5 |
| 6.0 | 2.5 |
| 9.0 | 4 |
| 表面処理名称 | ふっ素樹脂コーティング (変性塗料:PTFE+PAI) |
| 表面硬度 | 鉛筆硬度 2H |
| 動摩擦係数_参考値 | 0.15~0.3 |
| 撥水角(撥水性)_参考値 | 107° |
| 電気的特性_参考値 | 帯電防止 1010~1011Ω |

| A | B | T | ¥基準単価 |
| FH-JTDBS | |||
| 10~100 | 5~100 | 0.8~1.5 | 4,810 |
| 2.0~3.0 | 5,050 | ||
| 4.0~5.0 | 5,440 | ||
| 6.0 | 5,660 | ||
| 9.0 | 6,400 | ||
| 101~200 | 0.8~1.5 | 6,640 | |
| 2.0~3.0 | 6,950 | ||
| 4.0~5.0 | 7,430 | ||
| 6.0 | 8,040 | ||
| 9.0 | 9,460 | ||
| 201~300 | 0.8~1.5 | 9,250 | |
| 2.0~3.0 | 9,560 | ||
| 4.0~5.0 | 10,160 | ||
| 6.0 | 11,490 | ||
| 9.0 | 13,840 | ||
| 101~200 | 5~100 | 0.8~1.5 | 6,640 |
| 2.0~3.0 | 6,950 | ||
| 4.0~5.0 | 7,660 | ||
| 6.0 | 8,460 | ||
| 9.0 | 9,660 | ||
| 101~200 | 0.8~1.5 | 8,070 | |
| 2.0~3.0 | 8,440 | ||
| 4.0~5.0 | 9,260 | ||
| 6.0 | 10,770 | ||
| 9.0 | 12,860 | ||
| 201~300 | 0.8~1.5 | 10,750 | |
| 2.0~3.0 | 11,180 | ||
| 4.0~5.0 | 12,070 | ||
| 6.0 | 14,730 | ||
| 9.0 | 17,630 | ||
| 201~300 | 5~100 | 0.8~1.5 | 9,770 |
| 2.0~3.0 | 10,220 | ||
| 4.0~5.0 | 10,820 | ||
| 6.0 | 11,820 | ||
| 9.0 | 13,190 | ||
| 101~200 | 0.8~1.5 | 11,380 | |
| 2.0~3.0 | 11,990 | ||
| 4.0~5.0 | 12,570 | ||
| 6.0 | 14,870 | ||
| 9.0 | 17,520 | ||
| 201~300 | 0.8~1.5 | 12,970 | |
| 2.0~3.0 | 13,720 | ||
| 4.0~5.0 | 14,320 | ||
| 6.0 | 18,000 | ||
| 9.0 | 23,000 |
| 9 | 日目出荷 |
| 11 | 日目出荷 |
| 数量区分 | 標準対応 | 個別対応 | |
| 小口 | 大口 | 大口 | |
| 数 量 | 1〜19 | 20〜39 | 40〜 |
| 出荷日 | 通常 | +4日 | お見積り |
通常価格、通常出荷日が表示と異なる場合がございます
通常価格、通常出荷日が表示と異なる場合がございます

ミスミ
板金 取付板・ブラケット -フリー寸法タイプ- JTDAS・JTDAR
4.4
ミスミ
板金 取付板・ブラケット-センター振り分けタイプ- JSDAS
4.6
ミスミ
板金 取付板・ブラケット -フリー寸法タイプ- JTAAS・JTAAR
4.6
ミスミ
板金 取付板・ブラケット -フリー寸法タイプ- JTDZS・JTDZR
4.4
ミスミ
板金 取付板・ブラケット -フリー寸法タイプ- JTABS・JTABR
4.4
ミスミ
板金 取付板・ブラケット-センター振り分けタイプ- JSAAS
4.4
ミスミ
板金 取付板・ブラケット -フリー寸法タイプ- JTNAS・JTNAR
4.6
ミスミ
6面フライス 取付板・ブラケット-外径寸法フリー指定- HFMQA
4.9
ミスミ
板金 取付板・ブラケット -フリー寸法タイプ- JTADS・JTADR
4.8