メカニカル部品技術窓口
ミスミ品のみ対象

■ふっ素樹脂コーティングの特長 耐薬品性・すべり性・難付着性・帯電防止に優れており、一般製造装置・...
詳細を確認
| 穴種 | タップ穴 | ボルト通し穴 | ザグリ表 | ザグリ裏 | |||||||||||||||||||||||||||||||||||||||
| Code | M・MA | N・NA | Z・ZF | ZB | |||||||||||||||||||||||||||||||||||||||
| 形状図 | ![]() | ![]() | ![]() | ![]() | |||||||||||||||||||||||||||||||||||||||
| 加工 仕様 | タップ有効長最大 M・MA×2 [ ! ]T≧M・MA×3のとき、 タップ下穴が貫通しない 場合があります。 |
| |||||||||||||||||||||||||||||||||||||||||
寸法区分 | 公差 (㎜) | |
を超え | 以下 | |
0.5 | 3 | ±0.1 |
3 | 6 | ±0.1 |
6 | 30 | ±0.2 |
30 | 120 | ±0.3 |
120 | 400 | ±0.5 |
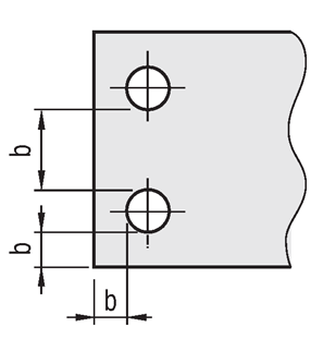
| 板厚 | b(穴と断面 との距離) |
SUS304 (2B) | |
1.0 | 1 |
1.5 | 1 |
2.0 | 1.5 |
3.0 | 1.5 |
4.0 | 2 |
5.0 | 2.5 |
| B寸指定 | 型式 | [ M ]材質 | コーティング仕様 | |||||||
| Type | 材質記号 | [ S ]コーティング種類 | 膜厚 | 耐熱温度 | [ H ]被膜硬度 | |||||
| B寸選択 | FH-HRCBA | SU | SUS304D | ふっ素樹脂コーティング (変性塗料:PTFE+PAI) |
| 210℃ | 鉛筆硬度 2H | |||
| B寸フリー指定 | FH-HUCBA | |||||||||
| 型式 | - | A | - | B | - | T | - | X | - | V | - | Y | - | 穴指定① Code・呼び径 | - | L | - | F | - | G | - | 穴指定② Code・呼び径 | ||
| Type | - | 材質記号 | ||||||||||||||||||||||
| FH-HRCBA | - | SU | - | A80 | - | B50 | - | T6 | - | X10 | - | V40 | - | Y25 | - | M6 | - | L60 | - | F10 | - | MA6 | ||
| FH-HUCBA | - | SU | - | A100 | - | B80 | - | T10 | - | X15 | - | V70 | - | Y10 | - | Z6 | - | L25 | - | F50 | - | G50 | - | MA6 |
| B寸指定 | 型式 | 0.1mm単位 | B | T | X | V | Y | 穴指定① | L | F | G | 穴指定② | |||
| Type | 材質記号 | A | Code | 呼び径 | Code | 呼び径 | |||||||||
| B寸選択 | FH-HRCBA | SU | 25.0~200.0 | 15 20 25 32 38 50 65 100 125 | 6 9 10 12 16 19 | 指定 0.1mm単位 | N [ ! ] M Z [ ! ] [ ! ] 加工寸法は 穴種選択表 参照 | 3 4 5 6 8 10 12 14 16 | 指定 0.1mm単位 | NA [ ! ] MA ZF [ ! ] ZB [ ! ] [ ! ] 加工寸法は 穴種選択表 参照 | 3 4 5 6 8 10 12 14 16 | ||||
| B寸フリー指定 | FH-HUCBA | SU | 25.0~200.0 | 15.0~150.0 (指定0.1mm単位) | 6 9 10 12 16 19 | ||||||||||
| [ NG ]B15の時、T10~19選択不可 | |||||||||||||||
| [ NG ]B20の時、T19選択不可 | |||||||||||||||
| Alterations | コーナーカット変更 | |||||||||||||||||||
![]() | ||||||||||||||||||||
| Code | CC | |||||||||||||||||||
| Spec. | コーナーカットを変更します。 CC=指定1mm単位 [ ! ]1≦CC≦50 指定方法 CCを型式末尾に追加 (例)~-CC10 | |||||||||||||||||||
| ¥/1Code |
| |||||||||||||||||||
| 表面処理名称 | ふっ素樹脂コーティング (変性塗料:PTFE+PAI) |
| 表面硬度 | 鉛筆硬度 2H |
| 動摩擦係数_参考値 | 0.15~0.3 |
| 撥水角(撥水性)_参考値 | 107° |
| 電気的特性_参考値 | 帯電防止 1010~1011Ω |
| 型番 |
|---|
通常単価(税別)
(税込単価) | 通常出荷日 |
|---|
- ( - ) | 12日目 |
- ( - ) | 12日目 |
| 材質記号 | A | B | ¥本体価格+穴加工料金 | ||||||||
| B寸選択 | B寸フリー指定 | ||||||||||
| B寸選択 | B寸フリー指定 | FH-HRCBA | FH-HUCBA | ||||||||
| T6 | T9・10 | T12 | T16・19 | T6 | T9・10 | T12 | T16・19 | ||||
| SU | 25.0~50.0 | 15~32 | 15.0~32.0 | 2,790 | 3,520 | 4,320 | 5,070 | 3,830 | 4,150 | 4,860 | 5,670 |
| 38・50 | 32.1~50.0 | 2,790 | 3,520 | 4,320 | 5,070 | 3,830 | 4,150 | 4,860 | 5,670 | ||
| 65 | 50.1~65.0 | 3,000 | 3,900 | 4,880 | 5,960 | 3,900 | 4,860 | 5,800 | 7,140 | ||
| 100 | 65.1~100.0 | 4,090 | 5,130 | 6,320 | 7,730 | 4,780 | 5,740 | 6,680 | 8,020 | ||
| 125 | 100.1~150.0 | 4,650 | 5,790 | 7,080 | 8,580 | 5,440 | 6,400 | 7,700 | 9,180 | ||
| 50.1~100.0 | 15~32 | 15.0~32.0 | 4,050 | 4,820 | 6,140 | 7,320 | 5,400 | 5,900 | 7,060 | 8,410 | |
| 38・50 | 32.1~50.0 | 4,080 | 5,050 | 6,460 | 7,810 | 5,420 | 6,290 | 7,060 | 8,410 | ||
| 65 | 50.1~65.0 | 4,410 | 5,470 | 7,060 | 8,280 | 5,670 | 6,710 | 8,270 | 9,740 | ||
| 100 | 65.1~100.0 | 5,480 | 6,650 | 8,410 | 9,490 | 6,420 | 7,460 | 9,020 | 10,490 | ||
| 125 | 100.1~150.0 | 5,720 | 7,020 | 8,480 | 10,110 | 6,930 | 8,200 | 9,890 | 11,890 | ||
| 100.1~150.0 | 15~32 | 15.0~32.0 | 4,100 | 4,920 | 6,550 | 7,790 | 5,420 | 6,270 | 7,630 | 9,020 | |
| 38・50 | 32.1~50.0 | 4,320 | 5,570 | 6,740 | 8,000 | 5,420 | 6,270 | 7,630 | 9,020 | ||
| 65 | 50.1~65.0 | 4,770 | 6,100 | 7,520 | 9,020 | 6,290 | 7,630 | 9,410 | 11,480 | ||
| 100 | 65.1~100.0 | 5,950 | 7,380 | 9,040 | 10,760 | 7,040 | 8,380 | 10,160 | 12,230 | ||
| 125 | 100.1~150.0 | 6,760 | 8,350 | 10,190 | 12,050 | 8,270 | 9,940 | 12,220 | 14,760 | ||
| 150.1~200.0 | 15~32 | 15.0~32.0 | 4,900 | 6,010 | 7,540 | 8,950 | 6,560 | 7,550 | 9,360 | 11,130 | |
| 38・50 | 32.1~50.0 | 5,270 | 6,830 | 8,520 | 10,230 | 6,830 | 7,550 | 9,360 | 11,130 | ||
| 65 | 50.1~65.0 | 5,850 | 7,460 | 9,290 | 11,130 | 7,680 | 9,290 | 11,150 | 13,430 | ||
| 100 | 65.1~100.0 | 8,150 | 9,850 | 11,810 | 13,750 | 9,430 | 11,040 | 12,900 | 15,180 | ||
| 125 | 100.1~150.0 | 9,230 | 10,840 | 13,200 | 15,400 | 10,760 | 12,640 | 15,590 | 18,720 | ||
| 9 | 日目出荷 |
| 数量区分 | 標準対応 | 個別対応 | |
| 小口 | 大口 | 大口 | |
| 数 量 | 1〜10 | 11〜30 | 31〜 |
| 出荷日 | 通常 | +4日 | お見積り |
通常価格、通常出荷日が表示と異なる場合がございます
通常価格、通常出荷日が表示と異なる場合がございます

ミスミ
板金 取付板・ブラケット -フリー寸法タイプ- JTDAS・JTDAR
4.4
ミスミ
板金 取付板・ブラケット-センター振り分けタイプ- JSDAS
4.6
ミスミ
板金 取付板・ブラケット -フリー寸法タイプ- JTAAS・JTAAR
4.6
ミスミ
6面フライス 取付板・ブラケット-外径寸法フリー指定- HFMQA
4.9
ミスミ
板金 取付板・ブラケット -フリー寸法タイプ- JTDZS・JTDZR
4.4
ミスミ
板金 取付板・ブラケット -フリー寸法タイプ- JTABS・JTABR
4.4
ミスミ
板金 取付板・ブラケット -フリー寸法タイプ- JTHAS・JTHAR
4.5
ミスミ
フラットバー 取付板・ブラケット -センター振り分けタイプ- HRCZA
4.7
ミスミ
フラットバー/アルミ圧延材 取付板・ブラケット-B寸選択- HRMQA HUMQA
4.4