メカニカル部品技術窓口
ミスミ品のみ対象

■ふっ素樹脂コーティングの特長 耐薬品性・すべり性・難付着性・帯電防止に優れており、一般製造装置・...
詳細を確認
| 穴種 | タップ穴 | ボルト通し穴 | ザグリ表 | ||||||||||||||||||||||||||||||||||||||||
| Code | M | N | Z | ||||||||||||||||||||||||||||||||||||||||
| 形状図 | ![]() | ![]() | ![]() | ||||||||||||||||||||||||||||||||||||||||
| 加工 仕様 | タップ有効長最大 M×2 [ ! ]T≧M×3のとき、 タップ下穴が貫通しない 場合があります。 |
| |||||||||||||||||||||||||||||||||||||||||

| B寸指定 | 型式 | [ M ]材質 | コーティング仕様 | |||||||
| Type | 材質記号 | [ S ]コーティング種類 | 膜厚 | 耐熱温度 | [ H ]被膜硬度 | |||||
| B寸選択 | FH-HRFCB | SU | SUS304D | ふっ素樹脂コーティング (変性塗料:PTFE+PAI) |
| 210℃ | 鉛筆硬度 2H | |||
| B寸フリー指定 | FH-HUFCB | |||||||||
| 型式 | - | A | - | B | - | T | - | X | - | Y | - | W | - | 穴指定① Code・呼び径 | - | L | - | H | - | D | ||
| Type | - | 材質記号 | ||||||||||||||||||||
| FH-HRFCB | - | SU | - | A80 | - | B50 | - | T6 | - | X10 | - | Y10 | - | W30 | - | M6 | - | L60 | - | D10 | ||
| FH-HUFCB | - | SU | - | A100 | - | B80 | - | T10 | - | X15 | - | Y10 | - | W60 | - | Z6 | - | L50 | - | H40 | - | D30 |
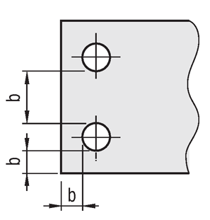
| B寸指定 | 型式 | 0.1mm単位 | B | T | X | Y | W | 穴指定① | L | H | D | ||
| Type | 材質記号 | A | Code | 呼び径 | |||||||||
| B寸選択 | FH-HRFCB | SU | 25.0~200.0 | 15 20 25 32 38 50 65 100 125 | 6 9 10 12 16 19 | 指定 0.1mm単位 | N [ ! ] M Z [ ! ] [ ! ] 加工寸法は 穴種選択表 参照 | 3 4 5 6 8 10 12 14 16 | 指定 0.1mm単位 | 3~30 (0.5mm単位) 31~100 (1mm単位) | |||
| B寸フリー指定 | FH-HUFCB | SU | 25.0~200.0 | 15.0~150.0 (指定0.1mm単位) | 6 9 10 12 16 19 | ||||||||
| [ NG ]B15の時、T10~19選択不可 | |||||||||||||
| [ NG ]B20の時、T19選択不可 | |||||||||||||
| Alterations | コーナーカット変更 | |||||||||||||||||||
![]() | ||||||||||||||||||||
| Code | CC | |||||||||||||||||||
| Spec. | コーナーカットを変更します。 CC=指定1mm単位 [ ! ]1≦CC≦50 指定方法 CCを型式末尾に追加 (例)~-CC10 | |||||||||||||||||||
| ¥/1Code |
| |||||||||||||||||||
| 表面処理名称 | ふっ素樹脂コーティング (変性塗料:PTFE+PAI) |
| 表面硬度 | 鉛筆硬度 2H |
| 動摩擦係数_参考値 | 0.15~0.3 |
| 撥水角(撥水性)_参考値 | 107° |
| 電気的特性_参考値 | 帯電防止 1010~1011Ω |
| 型番 |
|---|
通常単価(税別)
(税込単価) | 通常出荷日 |
|---|
- ( - ) | 12日目 |
- ( - ) | 12日目 |
| 材質記号 | A | B | ¥本体価格+穴加工料金 | ||||||||
| B寸選択 | B寸フリー指定 | ||||||||||
| B寸選択 | B寸フリー指定 | FH-HRFCB | FH-HUFCB | ||||||||
| T6 | T9・10 | T12 | T16・19 | T6 | T9・10 | T12 | T16・19 | ||||
| SU | 25.0~50.0 | 15~32 | 15.0~32.0 | 3,270 | 4,010 | 4,800 | 5,550 | 4,310 | 4,640 | 5,340 | 6,160 |
| 38・50 | 32.1~50.0 | 3,270 | 4,010 | 4,800 | 5,550 | 4,310 | 4,640 | 5,340 | 6,160 | ||
| 65 | 50.1~65.0 | 3,490 | 4,380 | 5,360 | 6,440 | 4,390 | 5,350 | 6,290 | 7,630 | ||
| 100 | 65.1~100.0 | 4,580 | 5,620 | 6,810 | 8,210 | 5,270 | 6,230 | 7,170 | 8,510 | ||
| 125 | 100.1~150.0 | 5,140 | 6,280 | 7,580 | 9,070 | 5,920 | 6,890 | 8,180 | 9,680 | ||
| 50.1~100.0 | 15~32 | 15.0~32.0 | 4,540 | 5,320 | 6,630 | 7,810 | 5,890 | 6,390 | 7,550 | 8,900 | |
| 38・50 | 32.1~50.0 | 4,570 | 5,550 | 6,940 | 8,300 | 5,900 | 6,780 | 7,550 | 8,900 | ||
| 65 | 50.1~65.0 | 4,900 | 5,960 | 7,550 | 8,770 | 6,160 | 7,200 | 8,760 | 10,230 | ||
| 100 | 65.1~100.0 | 5,960 | 7,140 | 8,900 | 9,990 | 6,910 | 7,950 | 9,510 | 10,980 | ||
| 125 | 100.1~150.0 | 6,210 | 7,510 | 8,970 | 10,600 | 7,420 | 8,680 | 10,380 | 12,380 | ||
| 100.1~150.0 | 15~32 | 15.0~32.0 | 4,590 | 5,410 | 7,040 | 8,280 | 5,900 | 6,760 | 8,120 | 9,510 | |
| 38・50 | 32.1~50.0 | 4,810 | 6,060 | 7,230 | 8,490 | 5,900 | 6,760 | 8,120 | 9,510 | ||
| 65 | 50.1~65.0 | 5,260 | 6,590 | 8,010 | 9,510 | 6,780 | 8,110 | 9,900 | 11,970 | ||
| 100 | 65.1~100.0 | 6,440 | 7,880 | 9,530 | 11,250 | 7,530 | 8,860 | 10,650 | 12,720 | ||
| 125 | 100.1~150.0 | 7,250 | 8,830 | 10,670 | 12,540 | 8,760 | 10,420 | 12,710 | 15,250 | ||
| 150.1~200.0 | 15~32 | 15.0~32.0 | 5,400 | 6,510 | 8,030 | 9,440 | 7,040 | 8,040 | 9,850 | 11,610 | |
| 38・50 | 32.1~50.0 | 5,760 | 7,320 | 9,020 | 10,720 | 7,320 | 8,040 | 9,850 | 11,610 | ||
| 65 | 50.1~65.0 | 6,330 | 7,950 | 9,780 | 11,610 | 8,170 | 9,780 | 11,640 | 13,910 | ||
| 100 | 65.1~100.0 | 8,640 | 10,340 | 12,310 | 14,240 | 9,920 | 11,530 | 13,390 | 15,660 | ||
| 125 | 100.1~150.0 | 9,720 | 11,320 | 13,680 | 15,890 | 11,240 | 13,130 | 16,090 | 19,200 | ||
| 9 | 日目出荷 |
| 数量区分 | 標準対応 | 個別対応 | |
| 小口 | 大口 | 大口 | |
| 数 量 | 1〜10 | 11〜30 | 31〜 |
| 出荷日 | 通常 | +4日 | お見積り |
通常価格、通常出荷日が表示と異なる場合がございます
通常価格、通常出荷日が表示と異なる場合がございます

ミスミ
板金 取付板・ブラケット -フリー寸法タイプ- JTDAS・JTDAR
4.4
ミスミ
板金 取付板・ブラケット-センター振り分けタイプ- JSDAS
4.6
ミスミ
板金 取付板・ブラケット -フリー寸法タイプ- JTAAS・JTAAR
4.6
ミスミ
フラットバー 取付板・ブラケット -センター振り分けタイプ- HRCZA
4.7
ミスミ
板金 取付板・ブラケット-センター振り分けタイプ- JSAAS
4.4
ミスミ
板金 取付板・ブラケット -フリー寸法タイプ- JTNAS・JTNAR
4.6
ミスミ
板金 取付板・ブラケット -フリー寸法タイプ- JTDZS・JTDZR
4.4
ミスミ
6面フライス 取付板・ブラケット-外径寸法フリー指定- HFMQA
4.9
ミスミ
板金 取付板・ブラケット -フリー寸法タイプ- JTBAS・JTBAR
4.6