メカニカル部品技術窓口
ミスミ品のみ対象

■ふっ素樹脂コーティングの特長 耐薬品性・すべり性・難付着性・帯電防止に優れており、一般製造装置・...
詳細を確認
| 穴種 | ボルト通し穴 | |||||||||||||||||||||||||||||||
| Code | N | |||||||||||||||||||||||||||||||
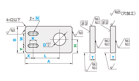
| 形状図 | ![]() | |||||||||||||||||||||||||||||||
| 加工 仕様 |
| |||||||||||||||||||||||||||||||
| B寸指定 | 型式 | [ M ]材質 | コーティング仕様 | |||||||
| Type | 材質記号 | [ S ]コーティング種類 | 膜厚 | 耐熱温度 | [ H ]被膜硬度 | |||||
| B寸選択 | FH-HRJCB | SU | SUS304D | ふっ素樹脂コーティング (変性塗料:PTFE+PAI) |
| 210℃ | 鉛筆硬度 2H | |||
| B寸フリー指定 | FH-HUJCB | |||||||||
| 型式 | - | A | - | B | - | T | - | X | - | Y | - | W | - | 穴指定① Code・呼び径 | - | K | - | L | - | H | - | D | ||
| Type | - | 材質記号 | ||||||||||||||||||||||
| FH-HRJCB | - | SU | - | A80 | - | B50 | - | T6 | - | X10 | - | Y10 | - | W30 | - | N6 | - | K8 | - | L50 | - | D25 | ||
| FH-HUJCB | - | SU | - | A100 | - | B80 | - | T10 | - | X10 | - | Y10 | - | W60 | - | N6 | - | K8 | - | L50 | - | H30 | - | D30 |
| B寸指定 | 型式 | 0.1mm単位 | B | T | X | Y | W | 穴指定① | K | L | H | D | ||
| Type | 材質記号 | A | Code | 呼び径 | ||||||||||
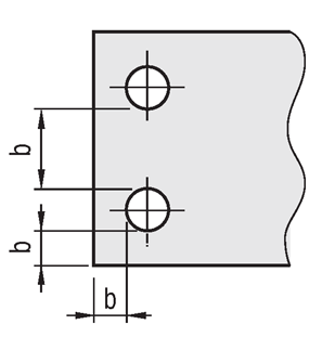
| B寸選択 | FH-HRJCB | SU | 25.0~200.0 | 15 20 25 32 38 50 65 100 125 | 6 9 10 12 16 19 | 指定 0.1mm単位 | N [ ! ] [ ! ] 加工寸法は 穴種選択表 参照 | 3 4 5 6 8 10 12 14 16 | 指定 0.1mm単位 [ ! ]K≦N×5 | 3~30 (0.5mm単位) 31~100 (1mm単位) | ||||
| B寸フリー指定 | FH-HUJCB | SU | 25.0~200.0 | 15.0~150.0 (指定0.1mm単位) | 6 9 10 12 16 19 | |||||||||
| [ NG ]B15の時、T10~19選択不可 | ||||||||||||||
| [ NG ]B20の時、T19選択不可 | ||||||||||||||
| Alterations | コーナーカット変更 | 長穴角度変更 | |||||||||||||||||||
![]() | ![]() | ||||||||||||||||||||
| Code | CC | RC | |||||||||||||||||||
| Spec. | コーナーカットを変更します。 CC=指定1mm単位 [ ! ]1≦CC≦50 指定方法 CCを型式末尾に追加 (例)~-CC10 | 長穴を上図のように変更します。 [ ! ]寸法関係に注意 指定方法 RCを型式末尾に追加 (例)~-RC | |||||||||||||||||||
| ¥/1Code |
| 無料 | |||||||||||||||||||
| 表面処理名称 | ふっ素樹脂コーティング (変性塗料:PTFE+PAI) |
| 表面硬度 | 鉛筆硬度 2H |
| 動摩擦係数_参考値 | 0.15~0.3 |
| 撥水角(撥水性)_参考値 | 107° |
| 電気的特性_参考値 | 帯電防止 1010~1011Ω |
| 型番 |
|---|
通常単価(税別)
(税込単価) | 通常出荷日 |
|---|
- ( - ) | 12日目 |
- ( - ) | 12日目 |
| 材質記号 | A | B | ¥本体価格+穴加工料金 | ||||||||
| B寸選択 | B寸フリー指定 | ||||||||||
| B寸選択 | B寸フリー指定 | FH-HRJCB | FH-HUJCB | ||||||||
| T6 | T9・10 | T12 | T16・19 | T6 | T9・10 | T12 | T16・19 | ||||
| SU | 25.0~50.0 | 15~32 | 15.0~32.0 | 4,210 | 4,960 | 5,740 | 6,490 | 5,250 | 5,570 | 6,280 | 7,100 |
| 38・50 | 32.1~50.0 | 4,210 | 4,960 | 5,740 | 6,490 | 5,250 | 5,570 | 6,280 | 7,100 | ||
| 65 | 50.1~65.0 | 4,420 | 5,320 | 6,300 | 7,380 | 5,320 | 6,290 | 7,230 | 8,560 | ||
| 100 | 65.1~100.0 | 5,510 | 6,560 | 7,740 | 9,150 | 6,200 | 7,170 | 8,110 | 9,440 | ||
| 125 | 100.1~150.0 | 6,070 | 7,210 | 8,510 | 10,000 | 6,870 | 7,830 | 9,130 | 10,610 | ||
| 50.1~100.0 | 15~32 | 15.0~32.0 | 5,470 | 6,250 | 7,570 | 8,740 | 6,820 | 7,330 | 8,490 | 9,830 | |
| 38・50 | 32.1~50.0 | 5,510 | 6,480 | 7,880 | 9,240 | 6,850 | 7,710 | 8,490 | 9,830 | ||
| 65 | 50.1~65.0 | 5,830 | 6,910 | 8,490 | 9,710 | 7,100 | 8,130 | 9,690 | 11,160 | ||
| 100 | 65.1~100.0 | 6,900 | 8,080 | 9,830 | 10,920 | 7,850 | 8,880 | 10,440 | 11,910 | ||
| 125 | 100.1~150.0 | 7,150 | 8,440 | 9,910 | 11,540 | 8,350 | 9,630 | 11,310 | 13,320 | ||
| 100.1~150.0 | 15~32 | 15.0~32.0 | 5,530 | 6,340 | 7,970 | 9,220 | 6,850 | 7,690 | 9,050 | 10,440 | |
| 38・50 | 32.1~50.0 | 5,750 | 6,990 | 8,160 | 9,430 | 6,850 | 7,690 | 9,050 | 10,440 | ||
| 65 | 50.1~65.0 | 6,200 | 7,520 | 8,950 | 10,440 | 7,720 | 9,050 | 10,830 | 12,900 | ||
| 100 | 65.1~100.0 | 7,380 | 8,810 | 10,460 | 12,200 | 8,470 | 9,800 | 11,580 | 13,650 | ||
| 125 | 100.1~150.0 | 8,180 | 9,770 | 11,610 | 13,470 | 9,700 | 11,360 | 13,640 | 16,180 | ||
| 150.1~200.0 | 15~32 | 15.0~32.0 | 6,330 | 7,440 | 8,970 | 10,370 | 7,980 | 8,980 | 10,790 | 12,550 | |
| 38・50 | 32.1~50.0 | 6,710 | 8,250 | 9,950 | 11,660 | 8,260 | 8,980 | 10,790 | 12,550 | ||
| 65 | 50.1~65.0 | 7,270 | 8,880 | 10,710 | 12,550 | 9,100 | 10,710 | 12,580 | 14,860 | ||
| 100 | 65.1~100.0 | 9,580 | 11,270 | 13,240 | 15,180 | 10,850 | 12,460 | 14,330 | 16,610 | ||
| 125 | 100.1~150.0 | 10,650 | 12,270 | 14,620 | 16,830 | 12,180 | 14,070 | 17,020 | 20,140 | ||
| 9 | 日目出荷 |
| 数量区分 | 標準対応 | 個別対応 | |
| 小口 | 大口 | 大口 | |
| 数 量 | 1〜10 | 11〜30 | 31〜 |
| 出荷日 | 通常 | +4日 | お見積り |
通常価格、通常出荷日が表示と異なる場合がございます
通常価格、通常出荷日が表示と異なる場合がございます

ミスミ
板金 取付板・ブラケット -フリー寸法タイプ- JTDAS・JTDAR
4.4
ミスミ
板金 取付板・ブラケット-センター振り分けタイプ- JSDAS
4.6
ミスミ
板金 取付板・ブラケット -フリー寸法タイプ- JTAAS・JTAAR
4.6
ミスミ
板金 取付板・ブラケット -フリー寸法タイプ- JTDZS・JTDZR
4.4
ミスミ
6面フライス 取付板・ブラケット-外径寸法フリー指定- HFMQA
4.9
ミスミ
板金 取付板・ブラケット-センター振り分けタイプ- JSAAS
4.4
ミスミ
フラットバー 取付板・ブラケット -センター振り分けタイプ- HRCZA
4.7
ミスミ
板金 取付板・ブラケット -フリー寸法タイプ- JTMAS・JTMAR
5
ミスミ
板金 取付板・ブラケット -フリー寸法タイプ- JTADS・JTADR
4.8