メカニカル部品技術窓口
ミスミ品のみ対象

■ふっ素樹脂コーティングの特長耐薬品性・すべり性・難付着性・帯電防止に優れており、一般製造装置・半導体...
詳細を確認
| 穴種 | タップ穴 | ボルト通し穴 | ザグリ表 | ザグリ裏 | |||||||||||||||||||||||||||||||||||||||
| Code | M・MA | N・NA | Z・ZF | ZB | |||||||||||||||||||||||||||||||||||||||
| 形状図 | ![]() | ![]() | ![]() | ![]() | |||||||||||||||||||||||||||||||||||||||
| 加工仕様 | タップ有効長最大 M・MA×2 [ ! ]T≧M・MA×3のとき、 |
| |||||||||||||||||||||||||||||||||||||||||
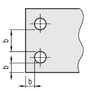
■加工限界
穴と穴、穴と端面の肉厚に加工限界があります。
(例:下図b部)
限界値はこちらを参照

| B寸指定 | 型式 | [ M ]材質 | コーティング仕様 | |||||||
| Type | 材質記号 | [ S ]コーティング種類 | 膜厚 | 耐熱温度 | [ H ]被膜硬度 | |||||
| B寸選択 | FH-HRMCA | SU | SUS304D | ふっ素樹脂コーティング (変性塗料:PTFE+PAI) |
| 210℃ | 鉛筆硬度 2H | |||
| B寸フリー指定 | FH-HUMCA | |||||||||
| 型式 | - | A | - | B | - | T | - | X | - | V | - | Y | - | W | - | 穴指定① Code・呼び径 | - | L | - | H | - | D | - | F | - | G | - | 穴指定② Code・呼び径 | ||
| Type | - | 材質記号 | ||||||||||||||||||||||||||||
| FH-HRMCA | - | SU | - | A80 | - | B50 | - | T6 | - | X10 | - | V60 | - | Y10 | - | W30 | - | M6 | - | L40 | - | D10 | - | F20 | - | G20 | - | MA6 | ||
| FH-HUMCA | - | SU | - | A100 | - | B80 | - | T10 | - | X10 | - | V60 | - | Y10 | - | W60 | - | M6 | - | L50 | - | H40 | - | D30 | - | F50 | - | G35 | - | MA6 |
| タイプ | 型式 | 0.1mm単位 | B | T | X | V | Y | W | 穴指定① | L | H | D | F | G | 穴指定② | |||
| Type | 材質記号 | A | Code | 呼び径 | Code | 呼び径 | ||||||||||||
| B寸選択 | FH-HRMCA | SU | 25.0~200.0 | 15 20 25 32 38 50 65 100 125 | 6 9 10 12 16 19 | 指定 0.1mm単位 | N [ ! ] M Z [ ! ] [ ! ] 加工寸法は 穴種選択表 参照 | 3 4 5 6 8 10 12 14 16 | 指定 0.1mm単位 | 3~30 (0.5mm単位) 31~100 (1mm単位) | 指定 0.1mm単位 | NA [ ! ] MA ZF [ ! ] ZB [ ! ] [ ! ] 加工寸法は 穴種選択表 参照 | 3 4 5 6 8 10 12 14 16 | |||||
| B寸フリー指定 | FH-HUMCA | SU | 25.0~200.0 | 15.0~150.0 (指定0.1mm単位) | 6 9 10 12 16 19 | |||||||||||||
| [ NG ]B15の時、T10~19選択不可 | ||||||||||||||||||
| [ NG ]B20の時、T19選択不可 | ||||||||||||||||||
| Alterations | コーナーカット変更 | |||||||||||||||||||
![]() | ||||||||||||||||||||
| Code | CC | |||||||||||||||||||
| Spec. | コーナーカットを変更します。 CC=指定1mm単位 [ ! ]1≦CC≦50 指定方法 CCを型式末尾に追加 (例)~-CC10 | |||||||||||||||||||
| ¥/1Code |
| |||||||||||||||||||
| 表面処理名称 | ふっ素樹脂コーティング (変性塗料:PTFE+PAI) |
| 表面硬度 | 鉛筆硬度 2H |
| 動摩擦係数_参考値 | 0.15~0.3 |
| 撥水角(撥水性)_参考値 | 107° |
| 電気的特性_参考値 | 帯電防止 1010~1011Ω |
| 型番 |
|---|
通常単価(税別)
(税込単価) | 通常出荷日 |
|---|
- ( - ) | 12日目 |
- ( - ) | 12日目 |
| 材質記号 | A | B | ¥本体価格+穴加工料金 | ||||||||
| B寸選択 | B寸フリー指定 | ||||||||||
| B寸選択 | B寸フリー指定 | FH-HRMCA | FH-HUMCA | ||||||||
| T6 | T9・10 | T12 | T16・19 | T6 | T9・10 | T12 | T16・19 | ||||
| SU | 25.0~50.0 | 15~32 | 15.0~32.0 | 4,280 | 5,020 | 5,800 | 6,550 | 5,310 | 5,640 | 6,350 | 7,160 |
| 38・50 | 32.1~50.0 | 4,280 | 5,020 | 5,800 | 6,550 | 5,310 | 5,640 | 6,350 | 7,160 | ||
| 65 | 50.1~65.0 | 4,490 | 5,380 | 6,370 | 7,440 | 5,390 | 6,350 | 7,290 | 8,640 | ||
| 100 | 65.1~100.0 | 5,590 | 6,620 | 7,800 | 9,210 | 6,270 | 7,230 | 8,170 | 9,520 | ||
| 125 | 100.1~150.0 | 6,140 | 7,280 | 8,580 | 10,070 | 6,930 | 7,890 | 9,190 | 10,670 | ||
| 50.1~100.0 | 15~32 | 15.0~32.0 | 5,540 | 6,310 | 7,630 | 8,820 | 6,900 | 7,390 | 8,550 | 9,910 | |
| 38・50 | 32.1~50.0 | 5,570 | 6,540 | 7,940 | 9,300 | 6,910 | 7,790 | 8,550 | 9,910 | ||
| 65 | 50.1~65.0 | 5,890 | 6,970 | 8,550 | 9,770 | 7,160 | 8,210 | 9,750 | 11,230 | ||
| 100 | 65.1~100.0 | 6,970 | 8,140 | 9,910 | 10,990 | 7,910 | 8,960 | 10,500 | 11,980 | ||
| 125 | 100.1~150.0 | 7,210 | 8,510 | 9,970 | 11,600 | 8,410 | 9,690 | 11,370 | 13,380 | ||
| 100.1~150.0 | 15~32 | 15.0~32.0 | 5,600 | 6,410 | 8,050 | 9,280 | 6,910 | 7,760 | 9,130 | 10,500 | |
| 38・50 | 32.1~50.0 | 5,820 | 7,050 | 8,240 | 9,500 | 6,910 | 7,760 | 9,130 | 10,500 | ||
| 65 | 50.1~65.0 | 6,260 | 7,590 | 9,010 | 10,500 | 7,790 | 9,120 | 10,910 | 12,960 | ||
| 100 | 65.1~100.0 | 7,450 | 8,870 | 10,520 | 12,260 | 8,540 | 9,870 | 11,660 | 13,710 | ||
| 125 | 100.1~150.0 | 8,240 | 9,830 | 11,670 | 13,530 | 9,760 | 11,420 | 13,720 | 16,260 | ||
| 150.1~200.0 | 15~32 | 15.0~32.0 | 6,400 | 7,510 | 9,040 | 10,450 | 8,050 | 9,040 | 10,850 | 12,610 | |
| 38・50 | 32.1~50.0 | 6,770 | 8,320 | 10,010 | 11,720 | 8,330 | 9,040 | 10,850 | 12,610 | ||
| 65 | 50.1~65.0 | 7,330 | 8,960 | 10,790 | 12,610 | 9,180 | 10,780 | 12,640 | 14,920 | ||
| 100 | 65.1~100.0 | 9,640 | 11,330 | 13,300 | 15,240 | 10,930 | 12,530 | 14,390 | 16,670 | ||
| 125 | 100.1~150.0 | 10,720 | 12,330 | 14,680 | 16,890 | 12,250 | 14,130 | 17,090 | 20,210 | ||
| 9 | 日目出荷 |
| 数量区分 | 標準対応 | 個別対応 | |
| 小口 | 大口 | 大口 | |
| 数 量 | 1〜10 | 11〜30 | 31〜 |
| 出荷日 | 通常 | +4日 | お見積り |
通常価格、通常出荷日が表示と異なる場合がございます
通常価格、通常出荷日が表示と異なる場合がございます

ミスミ
板金 取付板・ブラケット -フリー寸法タイプ- JTDAS・JTDAR
4.4
ミスミ
板金 取付板・ブラケット-センター振り分けタイプ- JSDAS
4.6
ミスミ
板金 取付板・ブラケット -フリー寸法タイプ- JTAAS・JTAAR
4.6
ミスミ
フラットバー 取付板・ブラケット -センター振り分けタイプ- HRCZA
4.7
ミスミ
板金 取付板・ブラケット-センター振り分けタイプ- JSAAS
4.4
ミスミ
板金 取付板・ブラケット -フリー寸法タイプ- JTNAS・JTNAR
4.6
ミスミ
板金 取付板・ブラケット -フリー寸法タイプ- JTDZS・JTDZR
4.4
ミスミ
6面フライス 取付板・ブラケット-外径寸法フリー指定- HFMQA
4.9
ミスミ
板金 取付板・ブラケット -フリー寸法タイプ- JTBAS・JTBAR
4.6