メカニカル部品技術窓口
ミスミ品のみ対象

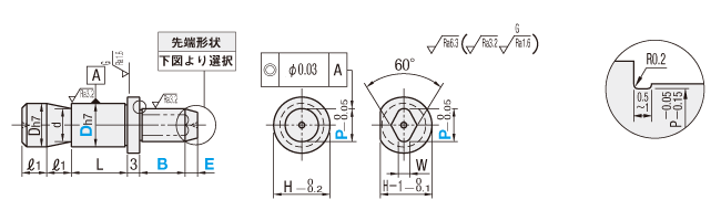
(丸)
(ダイヤ)
研磨逃げ溝

| 先端形状選択 | |
| A形状 | B形状 |
![]() | ![]() |
| [ ! ]センター穴が残ります。 [ ! ]P-2Etan(A/2)≧0.73 [ ! ]P-2Etan(A/2)≧2(ディコート®) | [ ! ]センター穴が残ります。 [ ! ]e=P/2÷tan(A/2)+R-{R÷sin(A/2)} |
| 参考: sin15°≒0.259 sin30°=0.5 sin45°≒0.707 sin60°≒0.866 tan15°≒0.267 tan30°≒0.577 tan45°=1 tan60°≒1.732 | |
| Type | [ M ]材質 | [ H ]硬度 | [ S ]表面処理 | 洗浄方法 | ||||
| 洗浄方法 | 洗浄環境 | 梱包形態 | 梱包環境 | |||||
| SL-R-SLATA□ | 丸 | SCM435 | 35〜40HRC (表面750HV〜) | 硬質クロムメッキ | 脱脂洗浄 | 一般環境 | 防錆梱包 | 一般環境 |
| SH-R-SLATA□ | 精密洗浄 | クラス1000 | 脱気2重梱包 | クラス10 | ||||
| SL-R-SLATD□ | ダイヤ | 脱脂洗浄 | 一般環境 | 防錆梱包 | 一般環境 | |||
| SH-R-SLATD□ | 精密洗浄 | クラス1000 | 脱気2重梱包 | クラス10 | ||||
詳細図を記載しておりますので、ご確認ください。| 型式 | − | P | − | B | − | A | − | E | ||||
| Type | 先端形状 | D | ||||||||||
| SL-R-SLATA | A | 16 | − | P14.2 | − | B21 | − | A60 | − | E2 | ||
| 型式 | P 指定 0.1mm単位 | B 指定 1mm単位 | A 選択 | E (A形状) 指定1mm単位 | L | ℓ1 | H | d | R | 適用 止め ねじ | W | ¥基準単価 | ||||||
| Type | 先端形状 | Dh7 | SL-R-SLATA□ | SH-R-SLATA□ | SL-R-SLATD□ | SH-R-SLATD□ | ||||||||||||
| (丸) SL-R-SLATA SH-R-SLATA (ダイヤ) SL-R-SLATD SH-R-SLATD | A (テーパ) B (テーパR) | 6 | 0 -0.012 | 3.0〜8.0 | 2〜30 (B≦P×4) | *30 60 90 120 | 1~10 | 8 | 8 | 9 | 4 | 1 | M5 | 1〜2 | 1,850 | 2,050 | 2,020 | 2,220 |
| 8 | 0 -0.015 | 3.0〜10.0 | 8 | 8 | 11 | 5 | 1.5 | M5 | 1〜2 | 2,030 | 2,230 | 2,250 | 2,450 | |||||
| 10 | 4.5〜12.0 | 10 | 8 | 13 | 7 | 2 | M6 | 1〜3 | 2,300 | 2,500 | 2,610 | 2,810 | ||||||
| 10T | 4.5〜12.0 | 5 | 8 | 13 | 7 | 2 | M6 | 1〜3 | 2,300 | 2,500 | 2,610 | 2,810 | ||||||
| 12 | 0 -0.018 | 9.0〜14.0 | 12 | 10 | 15 | 9 | 3 | M8 | 4 | 2,570 | 2,770 | 2,950 | 3,150 | |||||
| 16 | 13.0〜18.0 | 12 | 10 | 19 | 13 | 4 | M8 | 5 | 2,840 | 3,040 | 3,300 | 3,500 | ||||||
| 追加工 コード | 追加工内容 | 適用条件 | 指定例 | \/1Code | |||||||||||||
| KC | 廻り止め位置変更![]() | 規格位置を0°とし90°移動した位置に廻り止め一面加工を行います。 | [ ! ]ダイヤ形状のみ適用 [ ! ]H-P≧2 | SELATDB8-P6.5-B10-A60-KC | 200 | ||||||||||||
| KD | 廻り止め加工![]() | 一面加工を行います。 | [ ! ]H-P≧2 [ ! ]丸形状のみ適用 [ ! ]KDとSCは併用不可 | TSELATAA10-P8.8-B10-A60-E2-KD | 200 | ||||||||||||
| SC | スパナ掛加工![]() | スパナ掛を追加工します。 指定方法:SC
| [ ! ]丸形状のみ適用 | R-SLATAB8-P6.5-B10-A60-SC | 500 | ||||||||||||
| RTC | つば上部R変更 ・ディコート® ・その他 ![]() | 逃げ溝加工を下記選択Rに変更します。 選択:R1、R2、R3 指定方法:RTC1 | [ ! ]RTC≦(H-P)/2 [ ! ]B≧5の時適用 | SELATAA10-P8.8-B10-A90-E2-RTC1 | 無料 | ||||||||||||
洗浄工程| ※材質がステンレスの場合、アルカリ系温水洗浄となることがあります。 | |
| ・脱脂洗浄(型式:SL-□□) | ※表面処理が低温黒色クロムメッキの場合、IPA洗浄となります。 |
作業環境:一般環境 | ||||||
|---|---|---|---|---|---|---|
![]() 炭化水素系洗浄※ Ro水洗浄 中性洗剤洗浄 | ![]() | ![]() 高圧ジェット水洗(Ro水) 後に純水(10MΩ・cm)で 洗浄 | ![]() | ![]() エアブロー(オイルフリー) 使用 | ![]() | ![]() 防錆袋使用 |
| ・精密洗浄(型式:SH-□□) | ※表面処理が低温黒色クロムメッキの場合、IPA洗浄となります。 |
作業環境:クラス1000 | 作業環境:クラス10 | |||||||
|---|---|---|---|---|---|---|---|---|
![]() 炭化水素系洗浄※ Ro水洗浄 中性洗剤洗浄 | ![]() | ![]() 高圧ジェット水洗(Ro水) 後に純水(10MΩ・cm)で 洗浄 | ![]() | ![]() 温純水(13MΩ・cm)使用 | ![]() | ![]() 窒素ブロー使用 | ![]() | ![]() クリーンベンチ(クラス10) で実施 |
作業環境:クラス1000 | 作業環境:クラス10 | |||||||||
|---|---|---|---|---|---|---|---|---|---|---|
![]() 炭化水素系洗浄 Ro水洗浄 中性洗剤洗浄 | ![]() | ![]() 材質に応じた電解研磨槽 で電解研磨 | ![]() | ![]() 高圧ジェット水洗(Ro水) 後に純水(10MΩ・cm)で 洗浄 | ![]() | ![]() 温純水(13MΩ・cm)使用 | ![]() | ![]() 窒素ブロー使用 | ![]() | ![]() クリーンベンチ(クラス10) で実施 |
梱包例| 脱脂洗浄の場合 (TYPE型番:SL-□□) | 精密洗浄または電解研磨+精密洗浄の場合 | |
| (TYPE型番:SH-□□・SHD-□□) | ||
| オーステナイト系ステンレス・アルミ材質の場合 | 鉄・マルテンサイト系ステンレス材質の場合 | |
![]() | ![]() | ![]() |
| 一部商品・サイズによっては、 梱包形態が異なる場合がございます。 | [ ! ]1重目・2重目の梱包とも、脱気されております。 | [ ! ]防錆対策として乾燥剤を同封しております。 1梱包につき1つになります。 |
洗浄効果・利用推奨環境| 洗浄方法 | 商品型番 | 梱包形態 | 未洗浄品と比べた効果 | ご利用環境(目安) | 利用シーン・工程 |
|---|---|---|---|---|---|
| 脱脂洗浄 | SL-□□ | 防錆梱包 | 油分除去 | 一般環境 | 通常組立工程 |
| バッテリー組立後工程 | |||||
| 精密洗浄 | SH-□□ | 脱気2重梱包 | 油分除去 粉塵除去 | クリーン環境(クラス10~1,000) | バッテリー組立工程 |
| 液晶関連組立後工程 | |||||
| 車載カメラ組立工程 | |||||
| 電解研磨+精密洗浄 | SHD-□□ | 脱気2重梱包 | 油分除去 粉塵除去 アウトガス低減 | 真空環境 クリーン環境(クラス10~1,000) | 半導体前工程 |
| 液晶成膜工程 | |||||
| 有機EL前工程 |
| 型番 |
|---|
通常単価(税別)
(税込単価) | 通常出荷日 |
|---|
- ( - ) | 6日目 |
- ( - ) | 6日目 |
- ( - ) | 6日目 |
- ( - ) | 6日目 |
- ( - ) | 6日目 |
- ( - ) | 6日目 |
- ( - ) | 6日目 |
- ( - ) | 6日目 |
- ( - ) | 6日目 |
- ( - ) | 6日目 |
- ( - ) | 6日目 |
- ( - ) | 6日目 |
- ( - ) | 6日目 |
- ( - ) | 6日目 |
- ( - ) | 6日目 |
- ( - ) | 6日目 |
- ( - ) | 6日目 |
- ( - ) | 6日目 |
- ( - ) | 6日目 |
- ( - ) | 6日目 |
- ( - ) | 6日目 |
- ( - ) | 6日目 |
- ( - ) | 6日目 |
- ( - ) | 6日目 |
- ( - ) | 6日目 |
- ( - ) | 6日目 |
- ( - ) | 6日目 |
- ( - ) | 6日目 |
- ( - ) | 6日目 |
- ( - ) | 6日目 |
- ( - ) | 6日目 |
- ( - ) | 6日目 |
- ( - ) | 6日目 |
- ( - ) | 6日目 |
- ( - ) | 6日目 |
- ( - ) | 6日目 |
- ( - ) | 6日目 |
- ( - ) | 6日目 |
- ( - ) | 6日目 |
- ( - ) | 6日目 |
- ( - ) | 6日目 |
- ( - ) | 6日目 |
- ( - ) | 6日目 |
- ( - ) | 6日目 |
- ( - ) | 6日目 |
- ( - ) | 6日目 |
- ( - ) | 6日目 |
- ( - ) | 6日目 |
| ・脱脂洗浄(防錆1重梱包) | :型番SL-□□ |
| ・精密洗浄(脱気2重梱包) | :型番SH-□□ |
| ・電解研磨+精密洗浄(脱気2重梱包) | :型番SHD-□□ |
| 商品型番 | 洗浄方法 | 梱包形態 | 未洗浄品と比べた効果 | ご利用環境(目安) | 工程別 |
| SL-□□ | 脱脂洗浄 | 防錆梱包 | 油分除去 | 一般環境 | 通常組立工程 |
| バッテリー組立後工程 | |||||
| SH-□□ | 精密洗浄 | 脱気2重梱包 | 油分除去 粉塵除去 | クリーン環境(クラス10~1,000) | バッテリー組立工程 |
| 液晶関連組立後工程 | |||||
| 車載カメラ組立工程 | |||||
| SHD-□□ | 電解研磨+精密洗浄 | 脱気2重梱包 | 油分除去 粉塵除去 アウトガス低減 | 真空環境 クリーン環境(クラス10~1,000) | 半導体前工程 |
| 液晶成膜工程 | |||||
| 有機EL前工程 |
通常価格、通常出荷日が表示と異なる場合がございます
通常価格、通常出荷日が表示と異なる場合がございます

ミスミ
治具用位置決めピン 並級ツバ付タイプ おねじタイプ
4.4
ミスミ
治具用位置決めピン 並級 ぼかしR付タイプ おねじ
5
ミスミ
治具用位置決めピン 並級ツバなしタイプ おねじタイプ
5
ミスミ
治具用高さ受けピン おねじ
4.6
ミスミ
治具用位置決めピン 並級ツバ付タイプ 先端形状選択おねじタイプ
4.3
ミスミ
治具用位置決めピン 並級ツバ付タイプ 止めねじタイプ
5
ミスミ
治具用位置決めピン 並級ツバなしタイプ 止めねじタイプ
5
ミスミ
治具用位置決めピン 並級ツバなしタイプ 先端形状選択おねじタイプ
5
ミスミ
治具用位置決めピン 並級止めねじ部ショートタイプ ツバ付タイプ
5