メカニカル部品技術窓口
ミスミ品のみ対象


| Type | [ M ]材質 | [ S ]表面処理 | [ H ]硬度 | 洗浄方法 | |||
| おねじ | 洗浄方法 | 洗浄環境 | 梱包形態 | 梱包環境 | |||
| SL-SRPCR | S45C相当 | 硬質クロム メッキ | メッキ硬度 750HV〜 | 脱脂洗浄 | 一般環境 | 防錆梱包 | 一般環境 |
| SH-SRPCR | 精密洗浄 | クラス1000 | 脱気2重梱包 | クラス10 | |||
| SL-SRPCHR | 焼入硬度 45〜50HRC | 脱脂洗浄 | 一般環境 | 防錆梱包 | 一般環境 | ||
| SH-SRPCHR | メッキ硬度 750HV〜 | 精密洗浄 | クラス1000 | 脱気2重梱包 | クラス10 | ||
| SL-SRPCC | SUS440Cまたは 13Crステンレス | − | 焼入硬度 50〜55HRC | 脱脂洗浄 | 一般環境 | 防錆梱包 | 一般環境 |
| SH-SRPCC | 精密洗浄 | クラス1000 | 脱気2重梱包 | クラス10 | |||
詳細図を記載しておりますので、ご確認ください。| 型式 | − | L | − | P | − | F | − | G | ||
| Type | B | |||||||||
| SL-SRPCR | 10 | − | L50.00 | − | P5.98 | − | F3.0 | − | G5 | |
| M(並目) | 締付トルク N・cm |
| M3 | 98 |
| M4 | 225 |
| M5 | 461 |
| M6 | 784 |
| M8 | 1911 |
| M10 | 3783 |
| M12 | 6605 |
| M16 | 16366 |
| M20 | 32928 |
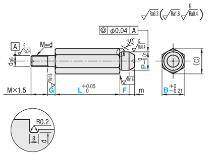
| 型式 | L 指定0.01mm単位 | P 指定0.01mm単位 | F 指定0.1mm単位 | G 指定1mm単位 | m | (C) | d | M (並目) | |
| Type | B | ||||||||
| SL-SRPCR SH-SRPCR SL-SRPCHR SH-SRPCHR SL-SRPCC SH-SRPCC | 6 | 10.00〜50.00 | 3.00〜4.00 | 2.0〜12.0 | 1 | 6.9 | 4 | M4 | |
| 7 | 3.00〜6.00 | 2.0〜15.0 | 1 | 8.1 | 4 | M4 | |||
| 8 | 15.00〜50.00 | 1 | 9.2 | 5 | M5 | ||||
| 10 | 20.00〜80.00 | 4.00〜8.00 | 2.0〜20.0 | 0 | 2 | 11.5 | 5 | M5 | |
| 12 | 4.00〜10.00 | または | 2 | 13.9 | 6 | M6 | |||
| 13 | 5.00〜10.00 | 2.0〜25.0 | 2≦G≦d×2 | 3 | 15 | 6 | M6 | ||
| 14 | 3 | 16.2 | 6 | M6 | |||||
| 17 | 8.00〜15.00 | 2.0〜30.0 | 3 | 19.6 | 8 | M8 | |||
| 19 | 3 | 21.9 | 8 | M8 | |||||
| 24 | 10.00〜15.00 | 4 | 27.7 | 10 | M10 | ||||
| 型式 | − | L | − | P | − | F | − | G | − | (DRC・NNC) |
| SL-SRPCR12 | − | L30.00 | − | P4.98 | − | F3.0 | − | G0 | − | NNC |
| 9 | 日目出荷 |
| Alterations | ドライバー溝追加工 | ねじ元ニゲ加工 |
![]() | ![]() | |
| Code | DRC | NNC |
| Spec. | 幅0.8mm、深さ1mmの ドライバー溝を加工します。 | ねじ元にニゲを加工します。 [ ! ]G=0の場合に適用 |
| ¥/1Code | 100 | 100 |
洗浄工程| ※材質がステンレスの場合、アルカリ系温水洗浄となることがあります。 | |
| ・脱脂洗浄(型式:SL-□□) | ※表面処理が低温黒色クロムメッキの場合、IPA洗浄となります。 |
作業環境:一般環境 | ||||||
|---|---|---|---|---|---|---|
![]() 炭化水素系洗浄※ Ro水洗浄 中性洗剤洗浄 | ![]() | ![]() 高圧ジェット水洗(Ro水) 後に純水(10MΩ・cm)で 洗浄 | ![]() | ![]() エアブロー(オイルフリー) 使用 | ![]() | ![]() 防錆袋使用 |
| ・精密洗浄(型式:SH-□□) | ※表面処理が低温黒色クロムメッキの場合、IPA洗浄となります。 |
作業環境:クラス1000 | 作業環境:クラス10 | |||||||
|---|---|---|---|---|---|---|---|---|
![]() 炭化水素系洗浄※ Ro水洗浄 中性洗剤洗浄 | ![]() | ![]() 高圧ジェット水洗(Ro水) 後に純水(10MΩ・cm)で 洗浄 | ![]() | ![]() 温純水(13MΩ・cm)使用 | ![]() | ![]() 窒素ブロー使用 | ![]() | ![]() クリーンベンチ(クラス10) で実施 |
作業環境:クラス1000 | 作業環境:クラス10 | |||||||||
|---|---|---|---|---|---|---|---|---|---|---|
![]() 炭化水素系洗浄 Ro水洗浄 中性洗剤洗浄 | ![]() | ![]() 材質に応じた電解研磨槽 で電解研磨 | ![]() | ![]() 高圧ジェット水洗(Ro水) 後に純水(10MΩ・cm)で 洗浄 | ![]() | ![]() 温純水(13MΩ・cm)使用 | ![]() | ![]() 窒素ブロー使用 | ![]() | ![]() クリーンベンチ(クラス10) で実施 |
梱包例| 脱脂洗浄の場合 (TYPE型番:SL-□□) | 精密洗浄または電解研磨+精密洗浄の場合 | |
| (TYPE型番:SH-□□・SHD-□□) | ||
| オーステナイト系ステンレス・アルミ材質の場合 | 鉄・マルテンサイト系ステンレス材質の場合 | |
![]() | ![]() | ![]() |
| 一部商品・サイズによっては、 梱包形態が異なる場合がございます。 | [ ! ]1重目・2重目の梱包とも、脱気されております。 | [ ! ]防錆対策として乾燥剤を同封しております。 1梱包につき1つになります。 |
洗浄効果・利用推奨環境| 洗浄方法 | 商品型番 | 梱包形態 | 未洗浄品と比べた効果 | ご利用環境(目安) | 利用シーン・工程 |
|---|---|---|---|---|---|
| 脱脂洗浄 | SL-□□ | 防錆梱包 | 油分除去 | 一般環境 | 通常組立工程 |
| バッテリー組立後工程 | |||||
| 精密洗浄 | SH-□□ | 脱気2重梱包 | 油分除去 粉塵除去 | クリーン環境(クラス10~1,000) | バッテリー組立工程 |
| 液晶関連組立後工程 | |||||
| 車載カメラ組立工程 | |||||
| 電解研磨+精密洗浄 | SHD-□□ | 脱気2重梱包 | 油分除去 粉塵除去 アウトガス低減 | 真空環境 クリーン環境(クラス10~1,000) | 半導体前工程 |
| 液晶成膜工程 | |||||
| 有機EL前工程 |
| 型番 |
|---|
通常単価(税別)
(税込単価) | 通常出荷日 |
|---|
- ( - ) | 6日目 |
- ( - ) | 6日目 |
- ( - ) | 6日目 |
- ( - ) | 6日目 |
- ( - ) | 6日目 |
- ( - ) | 6日目 |
- ( - ) | 6日目 |
- ( - ) | 6日目 |
- ( - ) | 6日目 |
- ( - ) | 6日目 |
- ( - ) | 6日目 |
- ( - ) | 6日目 |
- ( - ) | 6日目 |
- ( - ) | 6日目 |
- ( - ) | 6日目 |
- ( - ) | 6日目 |
- ( - ) | 6日目 |
- ( - ) | 6日目 |
- ( - ) | 6日目 |
- ( - ) | 6日目 |
- ( - ) | 6日目 |
- ( - ) | 6日目 |
- ( - ) | 6日目 |
- ( - ) | 6日目 |
- ( - ) | 6日目 |
- ( - ) | 6日目 |
- ( - ) | 6日目 |
- ( - ) | 6日目 |
- ( - ) | 6日目 |
- ( - ) | 6日目 |
- ( - ) | 6日目 |
- ( - ) | 6日目 |
- ( - ) | 6日目 |
- ( - ) | 6日目 |
- ( - ) | 6日目 |
- ( - ) | 6日目 |
- ( - ) | 6日目 |
- ( - ) | 6日目 |
- ( - ) | 6日目 |
- ( - ) | 6日目 |
- ( - ) | 6日目 |
- ( - ) | 6日目 |
- ( - ) | 6日目 |
- ( - ) | 6日目 |
- ( - ) | 6日目 |
- ( - ) | 6日目 |
- ( - ) | 6日目 |
- ( - ) | 6日目 |
- ( - ) | 6日目 |
- ( - ) | 6日目 |
- ( - ) | 6日目 |
- ( - ) | 6日目 |
- ( - ) | 6日目 |
- ( - ) | 6日目 |
- ( - ) | 6日目 |
- ( - ) | 6日目 |
- ( - ) | 6日目 |
- ( - ) | 6日目 |
- ( - ) | 6日目 |
- ( - ) | 6日目 |
| ・脱脂洗浄(防錆1重梱包) | :型番SL-□□ |
| ・精密洗浄(脱気2重梱包) | :型番SH-□□ |
| ・電解研磨+精密洗浄(脱気2重梱包) | :型番SHD-□□ |
| 商品型番 | 洗浄方法 | 梱包形態 | 未洗浄品と比べた効果 | ご利用環境(目安) | 工程別 |
| SL-□□ | 脱脂洗浄 | 防錆梱包 | 油分除去 | 一般環境 | 通常組立工程 |
| バッテリー組立後工程 | |||||
| SH-□□ | 精密洗浄 | 脱気2重梱包 | 油分除去 粉塵除去 | クリーン環境(クラス10~1,000) | バッテリー組立工程 |
| 液晶関連組立後工程 | |||||
| 車載カメラ組立工程 | |||||
| SHD-□□ | 電解研磨+精密洗浄 | 脱気2重梱包 | 油分除去 粉塵除去 アウトガス低減 | 真空環境 クリーン環境(クラス10~1,000) | 半導体前工程 |
| 液晶成膜工程 | |||||
| 有機EL前工程 |
| B | ¥基準単価 | |||||
| S45C相当 硬質クロムメッキ | S45C相当 焼入 硬質クロムメッキ | SUS440Cまたは13Crステンレス | ||||
| SL-SRPCR | SH-SRPCR | SL-SRPCHR | SH-SRPCHR | SL-SRPCC | SH-SRPCC | |
| 6 | 1,970 | 2,170 | 2,250 | 2,450 | - | - |
| 7 | 1,970 | 2,170 | 2,250 | 2,450 | - | - |
| 8 | 1,970 | 2,170 | 2,250 | 2,450 | 2,730 | 2,930 |
| 10 | 2,180 | 2,380 | 2,490 | 2,690 | 2,870 | 3,070 |
| 12 | 2,180 | 2,380 | 2,490 | 2,690 | 2,870 | 3,070 |
| 13 | 2,180 | 2,380 | 2,490 | 2,690 | 2,870 | 3,070 |
| 14 | 2,180 | 2,380 | 2,490 | 2,690 | 2,870 | 3,070 |
| 17 | 2,480 | 2,680 | 2,930 | 3,130 | 3,200 | 3,400 |
| 19 | 2,480 | 2,680 | 2,930 | 3,130 | 3,200 | 3,400 |
| 24 | 2,660 | 2,860 | 3,150 | 3,350 | 3,890 | 4,090 |
| 数量区分 | 標準対応 | 個別対応 | ||||
| 小口 | 大口 | 大口 | ||||
| 数 量 | 1〜19 | 20〜34 | 35〜49 | 50〜100 | 101~200 | 201〜 |
| 値引率 | 基準単価 | 5% | 10% | 23% | 23% | お見積り |
| 出荷日 | 通常 | +7日 | ||||
通常価格、通常出荷日が表示と異なる場合がございます
通常価格、通常出荷日が表示と異なる場合がございます

ミスミ
高さ調整ピン 六角タイプ -高精度おねじタイプー
4.6
ミスミ
高さ調整ピン 丸・二面幅 おねじタイプ
3.9
ミスミ
高さ調整ピン フラットタイプ・先端止めねじタイプ -おねじ-
4.4
ミスミ
高さ調整ピン ザグリタイプ
4.6
ミスミ
高さ調整ピン ツバ付 おねじタイプ
4.8
ミスミ
支柱ピン 先端形状選択タイプ -めねじ-
4.6
ミスミ
高さ調整ピン 圧入タイプ
5
ミスミ
高さ調整ピン 六角タイプ -中精度おねじタイプー
4.6
ミスミ
高さ調整ピン 六角タイプ -中精度めねじタイプー
4