メカニカル部品技術窓口

「脱脂洗浄」「精密洗浄」「電解研磨+精密洗浄」3種類の洗浄方法が選択可能、いずれも標準型番で1個からご...
詳細を確認
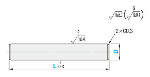
-精度基凖-
D部真円度 0.004以下(焼きなまし範囲を除く)
| Type | [ M ] 材質 | 洗浄方法 | |||
| ストレートタイプ | 洗浄方法 | 洗浄環境 | 梱包形態 | 梱包環境 | |
| SL-SSBGZP | SUS440C相当 | 脱脂洗浄 | 一般環境 | 防錆梱包 | 一般環境 |
| SH-SSBGZP | 精密洗浄 | クラス1000 | 脱気2重梱包 | クラス10 | |
詳細図を記載しておりますので、ご確認ください。| 型式 | − | L |
| SL-SSBGZP5 | − | 72 |
| 型式 | L 指定1mm単位 | ¥基準単価 | |||||||
| Type | D | 軸径 公差 | SL-SSBGZP | SH-SSBGZP | |||||
| L30〜50 | L51〜100 | L101〜150 | L30〜50 | L51〜100 | L101〜150 | ||||
| SL-SSBGZP SH-SSBGZP | 2 | 0 −0.005 | 30〜50 | 1,830 | - | - | 2,130 | - | - |
| 3 | 40〜70 | 1,520 | 1,800 | - | 1,820 | 2,100 | - | ||
| 4 | 1,520 | 1,720 | - | 1,820 | 2,020 | - | |||
| 5 | 40〜90 | 1,520 | 1,990 | - | 1,820 | 2,290 | - | ||
| 6 | 1,660 | 2,130 | - | 1,960 | 2,430 | - | |||
| 8 | 40〜150 | 1,720 | 2,170 | 2,310 | 2,020 | 2,470 | 2,610 | ||
| 10 | 1,850 | 2,210 | 2,400 | 2,150 | 2,510 | 2,700 | |||
| 12 | 1,900 | 2,260 | 2,440 | 2,150 | 2,560 | 2,740 | |||
洗浄工程| ※材質がステンレスの場合、アルカリ系温水洗浄となることがあります。 | |
| ・脱脂洗浄(型式:SL-□□) | ※表面処理が低温黒色クロムメッキの場合、IPA洗浄となります。 |
作業環境:一般環境 | ||||||
|---|---|---|---|---|---|---|
![]() 炭化水素系洗浄※ Ro水洗浄 中性洗剤洗浄 | ![]() | ![]() 高圧ジェット水洗(Ro水) 後に純水(10MΩ・cm)で 洗浄 | ![]() | ![]() エアブロー(オイルフリー) 使用 | ![]() | ![]() 防錆袋使用 |
| ・精密洗浄(型式:SH-□□) | ※表面処理が低温黒色クロムメッキの場合、IPA洗浄となります。 |
作業環境:クラス1000 | 作業環境:クラス10 | |||||||
|---|---|---|---|---|---|---|---|---|
![]() 炭化水素系洗浄※ Ro水洗浄 中性洗剤洗浄 | ![]() | ![]() 高圧ジェット水洗(Ro水) 後に純水(10MΩ・cm)で 洗浄 | ![]() | ![]() 温純水(13MΩ・cm)使用 | ![]() | ![]() 窒素ブロー使用 | ![]() | ![]() クリーンベンチ(クラス10) で実施 |
作業環境:クラス1000 | 作業環境:クラス10 | |||||||||
|---|---|---|---|---|---|---|---|---|---|---|
![]() 炭化水素系洗浄 Ro水洗浄 中性洗剤洗浄 | ![]() | ![]() 材質に応じた電解研磨槽 で電解研磨 | ![]() | ![]() 高圧ジェット水洗(Ro水) 後に純水(10MΩ・cm)で 洗浄 | ![]() | ![]() 温純水(13MΩ・cm)使用 | ![]() | ![]() 窒素ブロー使用 | ![]() | ![]() クリーンベンチ(クラス10) で実施 |
梱包例| 脱脂洗浄の場合 (TYPE型番:SL-□□) | 精密洗浄または電解研磨+精密洗浄の場合 | |
| (TYPE型番:SH-□□・SHD-□□) | ||
| オーステナイト系ステンレス・アルミ材質の場合 | 鉄・マルテンサイト系ステンレス材質の場合 | |
![]() | ![]() | ![]() |
| 一部商品・サイズによっては、 梱包形態が異なる場合がございます。 | [ ! ]1重目・2重目の梱包とも、脱気されております。 | [ ! ]防錆対策として乾燥剤を同封しております。 1梱包につき1つになります。 |
洗浄効果・利用推奨環境| 洗浄方法 | 商品型番 | 梱包形態 | 未洗浄品と比べた効果 | ご利用環境(目安) | 利用シーン・工程 |
|---|---|---|---|---|---|
| 脱脂洗浄 | SL-□□ | 防錆梱包 | 油分除去 | 一般環境 | 通常組立工程 |
| バッテリー組立後工程 | |||||
| 精密洗浄 | SH-□□ | 脱気2重梱包 | 油分除去 粉塵除去 | クリーン環境(クラス10~1,000) | バッテリー組立工程 |
| 液晶関連組立後工程 | |||||
| 車載カメラ組立工程 | |||||
| 電解研磨+精密洗浄 | SHD-□□ | 脱気2重梱包 | 油分除去 粉塵除去 アウトガス低減 | 真空環境 クリーン環境(クラス10~1,000) | 半導体前工程 |
| 液晶成膜工程 | |||||
| 有機EL前工程 |
| 型番 |
|---|
通常単価(税別)
(税込単価) | 通常出荷日 |
|---|
- ( - ) | 5日目 |
- ( - ) | 5日目 |
- ( - ) | 5日目 |
- ( - ) | 5日目 |
- ( - ) | 5日目 |
- ( - ) | 5日目 |
- ( - ) | 5日目 |
- ( - ) | 5日目 |
- ( - ) | 5日目 |
- ( - ) | 5日目 |
- ( - ) | 5日目 |
- ( - ) | 5日目 |
- ( - ) | 5日目 |
- ( - ) | 5日目 |
- ( - ) | 5日目 |
- ( - ) | 5日目 |
- ( - ) | 5日目 |
- ( - ) | 5日目 |
- ( - ) | 5日目 |
- ( - ) | 5日目 |
| ・脱脂洗浄(防錆1重梱包) | :型番SL-□□ |
| ・精密洗浄(脱気2重梱包) | :型番SH-□□ |
| ・電解研磨+精密洗浄(脱気2重梱包) | :型番SHD-□□ |
| 商品型番 | 洗浄方法 | 梱包形態 | 未洗浄品と比べた効果 | ご利用環境(目安) | 工程別 |
| SL-□□ | 脱脂洗浄 | 防錆梱包 | 油分除去 | 一般環境 | 通常組立工程 |
| バッテリー組立後工程 | |||||
| SH-□□ | 精密洗浄 | 脱気2重梱包 | 油分除去 粉塵除去 | クリーン環境(クラス10~1,000) | バッテリー組立工程 |
| 液晶関連組立後工程 | |||||
| 車載カメラ組立工程 | |||||
| SHD-□□ | 電解研磨+精密洗浄 | 脱気2重梱包 | 油分除去 粉塵除去 アウトガス低減 | 真空環境 クリーン環境(クラス10~1,000) | 半導体前工程 |
| 液晶成膜工程 | |||||
| 有機EL前工程 |
| 数量区分 | 標準対応 | 個別対応 | |||
| 小口 | 大口 | ||||
| 数 量 | 1~9 | 10~14 | 15~19 | 20~50 | 51~ |
| 値引率 | 基準単価 | 5% | 10% | 18% | お見積り |
| 出荷日 | 通常 | ||||

通常価格、通常出荷日が表示と異なる場合がございます
通常価格、通常出荷日が表示と異なる場合がございます

ミスミ
ミニュチュアボールガイド用ブシュ ボールスライダスタンダードタイプ
4.3通常価格(税別):820円~

ミスミ
ミニュチュアボールガイド用ブシュ コンパクトストレートタイプ
4.5通常価格(税別):840円~

ミスミ
ミニュチュアボールガイドセット コンパクトストレート両端めねじタイプ
4
ミスミ
ミニュチュアボールガイト用シャフト ストレートタイプ
0
ミスミ
ミニュチュアボールガイドセット コンパクトストレートタイプ
4.3
ミスミ
ミニュチュアボールガイド用ブシュ フランジ付スタンダードタイプ
5通常価格(税別):1,770円~

ミスミ
ミニュチュアボールガイド用ブシュ ボールスライダコンパクトタイプ
5通常価格(税別):1,730円~

ミスミ
ミニュチュアボールガイドセット コンパクトストレート片端めねじパイプタイプ
5
ミスミ
ミニュチュアボールガイト用シャフト 両軸端加工両端めねじタイプ
4.5通常価格(税別):820円~