メカニカル部品技術窓口
ミスミ品のみ対象

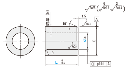
■スタンダードタイプ
[ ! ]

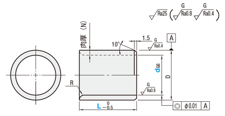
■薄肉タイプ
[ ! ]

| Type | [ M ]材質 | [ S ]表面処理 | [ H ]硬度 | 洗浄方法 | ||||
| p6 | m6 | 洗浄方法 | 洗浄環境 | 梱包形態 | 梱包環境 | |||
| SL-JBAN | SL-JBAMN | SKS3相当 | 無電解ニッケルメッキ | 60HRC〜 | 脱脂洗浄 | 一般環境 | 防錆梱包 | 一般環境 |
| SH-JBAN | SH-JBAMN | 精密洗浄 | クラス1000 | 脱気2重梱包 | クラス10 | |||
| SL-JBAC | SL-JBAMC | SUS440Cまたは 13Crステンレス | − | 50HRC〜 | 脱脂洗浄 | 一般環境 | 防錆梱包 | 一般環境 |
| SH-JBAC | SH-JBAMC | 精密洗浄 | クラス1000 | 脱気2重梱包 | クラス10 | |||
詳細図を記載しておりますので、ご確認ください。| Type | [ M ]材質 | [ S ]表面処理 | [ H ]硬度 | 洗浄方法 | ||||
| p6 | m6 | 洗浄方法 | 洗浄環境 | 梱包形態 | 梱包環境 | |||
| SL-JBAUNP | SL-JBAUN | SUJ2または SKS3相当 | 無電解ニッケルメッキ | 58HRC〜 | 脱脂洗浄 | 一般環境 | 防錆梱包 | 一般環境 |
| SH-JBAUNP | SH-JBAUN | 精密洗浄 | クラス1000 | 脱気2重梱包 | クラス10 | |||
| SL-JBAUCP | SL-JBAUC | SUS440Cまたは 13Crステンレス | − | 50HRC〜 | 脱脂洗浄 | 一般環境 | 防錆梱包 | 一般環境 |
| SH-JBAUCP | SH-JBAUC | 精密洗浄 | クラス1000 | 脱気2重梱包 | クラス10 | |||
詳細図を記載しておりますので、ご確認ください。| 型式 | − | L |
| SL-JBAC12 | − | 10 |
| SH-JBAUN8 | − | 8 |
| 型式 | L選択 | 肉厚 (N) | R | D | D許容差 | |||||||||||||||||
| Type | d | d許容差 | p6 | m6 | ||||||||||||||||||
| 表面処理なし | 無電解ニッケルメッキ | |||||||||||||||||||||
| (p6) SL-JBAN SH-JBAN SL-JBAC SH-JBAC (m6) SL-JBAMN SH-JBAMN SL-JBAMC SH-JBAMC | 2 | G6 | +0.008 +0.002 | [ ! ]H7 | +0.010 0 | 5 | 6 | 7 | 8 | 10 | 12 | 1.5 | 0.8 | 5 | +0.020 +0.012 | +0.012 +0.004 | ||||||
| 3 | G6 | +0.008 +0.002 | [ ! ]H7 | +0.010 0 | 2 | 0.8 | 7 | +0.024 +0.015 | +0.015 +0.006 | |||||||||||||
| 4 | G6 | +0.012 +0.004 | [ ! ]H7 | +0.012 0 | 5 | 6 | 7 | 8 | 10 | 12 | 15 | *16 | 20 | 2 | 1 | 8 | +0.024 +0.015 | +0.015 +0.006 | ||||
| 5 | G6 | +0.012 +0.004 | [ ! ]H7 | +0.012 0 | 5 | 6 | 7 | 8 | 10 | 12 | 15 | 16 | 20 | 2.5 | 1 | 10 | +0.024 +0.015 | +0.015 +0.006 | ||||
| 6 | G6 | +0.012 +0.004 | [ ! ]H7 | +0.012 0 | 5 | 6 | 7 | 8 | 10 | 12 | 15 | 16 | 20 | 25 | 2 | 1 | 10 | +0.024 +0.015 | +0.015 +0.006 | |||
| 8 | G6 | +0.014 +0.005 | G6 | +0.014 +0.005 | 2 | 2 | 12 | +0.029 +0.018 | +0.018 +0.007 | |||||||||||||
| 10 | G6 | +0.014 +0.005 | G6 | +0.014 +0.005 | 6 | 7 | 8 | 10 | 12 | 15 | 16 | 20 | 25 | 30 | 2.5 | 2 | 15 | +0.029 +0.018 | +0.018 +0.007 | |||
| 12 | G6 | +0.017 +0.006 | G6 | +0.017 +0.006 | 8 | 10 | 12 | 15 | 16 | 20 | 25 | 30 | 3 | 2 | 18 | +0.029 +0.018 | +0.018 +0.007 | |||||
| 13 | G6 | +0.017 +0.006 | G6 | +0.017 +0.006 | 10 | 12 | *15 | 16 | 20 | *25 | 30 | 4.5 | 2 | 22 | +0.035 +0.022 | +0.021 +0.008 | ||||||
| 15 | G6 | +0.017 +0.006 | G6 | +0.017 +0.006 | 12 | 15 | 16 | 20 | *25 | 30 | 5 | 2 | 25 | +0.035 +0.022 | +0.021 +0.008 | |||||||
| 16 | G6 | +0.017 +0.006 | G6 | +0.017 +0.006 | 12 | 15 | 16 | 20 | 25 | 30 | 5 | 2 | 26 | +0.035 +0.022 | +0.021 +0.008 | |||||||
| 20 | G6 | +0.020 +0.007 | G6 | +0.020 +0.007 | 5 | 3 | 30 | +0.035 +0.022 | +0.021 +0.008 | |||||||||||||
| 25 | G6 | +0.020 +0.007 | G6 | +0.020 +0.007 | 16 | 20 | 25 | 30 | *35 | 5 | 3 | 35 | +0.042 +0.026 | +0.025 +0.009 | ||||||||
[ NG ]L寸の*はJBAMCのみ選択不可 [ ! ]無電解ニッケルメッキ品のd寸2〜6の許容差はH7となります。
■スタンダードタイプ
質量(g)参考値 | |||
d | L | SKS3相当 | SUS440Cまたは 13Crステンレス |
2 | 5 | 0.65 | 0.65 |
6 | 0.78 | 0.78 | |
7 | 0.91 | 0.92 | |
8 | 1.04 | 1.05 | |
10 | 1.30 | 1.31 | |
12 | 1.55 | 1.57 | |
3 | 5 | 1.23 | 1.25 |
6 | 1.48 | 1.49 | |
7 | 1.73 | 1.74 | |
8 | 1.97 | 1.99 | |
10 | 2.47 | 2.49 | |
12 | 2.96 | 2.99 | |
4 | 5 | 1.48 | 1.49 |
6 | 1.78 | 1.79 | |
7 | 2.07 | 2.09 | |
8 | 2.37 | 2.39 | |
10 | 2.96 | 2.99 | |
12 | 3.55 | 3.59 | |
15 | 4.44 | 4.48 | |
16 | 4.74 | 4.78 | |
20 | 5.92 | 5.98 | |
5 | 5 | 2.31 | 2.33 |
6 | 2.78 | 2.80 | |
7 | 3.24 | 3.27 | |
8 | 3.70 | 3.74 | |
10 | 4.63 | 4.67 | |
12 | 5.55 | 5.60 | |
15 | 6.94 | 7.00 | |
16 | 7.40 | 7.47 | |
20 | 9.26 | 9.34 | |
6 | 5 | 1.97 | 1.99 |
6 | 2.37 | 2.39 | |
7 | 2.76 | 2.79 | |
8 | 3.16 | 3.19 | |
10 | 3.95 | 3.98 | |
12 | 4.74 | 4.78 | |
15 | 5.92 | 5.98 | |
16 | 6.32 | 6.37 | |
20 | 7.90 | 7.97 | |
25 | 9.87 | 9.96 | |
8 | 5 | 2.47 | 2.49 |
6 | 2.96 | 2.99 | |
7 | 3.46 | 3.49 | |
8 | 3.95 | 3.98 | |
10 | 4.94 | 4.98 | |
12 | 5.92 | 5.98 | |
15 | 7.40 | 7.47 | |
16 | 7.90 | 7.97 | |
20 | 9.87 | 9.96 | |
25 | 12.34 | 12.45 | |
10 | 6 | 4.63 | 4.67 |
7 | 5.40 | 5.45 | |
8 | 6.17 | 6.23 | |
10 | 7.71 | 7.78 | |
12 | 9.26 | 9.34 | |
15 | 11.57 | 11.67 | |
16 | 12.34 | 12.45 | |
20 | 15.43 | 15.56 | |
25 | 19.28 | 19.45 | |
30 | 23.14 | 23.34 | |
12 | 8 | 8.88 | 8.96 |
10 | 11.11 | 11.21 | |
12 | 13.33 | 13.45 | |
15 | 16.66 | 16.81 | |
16 | 17.77 | 17.93 | |
20 | 22.21 | 22.41 | |
25 | 27.77 | 28.01 | |
30 | 33.32 | 33.62 | |
13 | 10 | 19.44 | 19.61 |
12 | 23.32 | 23.53 | |
15 | 29.15 | 29.41 | |
16 | 31.10 | 31.37 | |
20 | 38.87 | 39.22 | |
25 | 48.59 | 49.02 | |
30 | 58.31 | 58.83 | |
15 | 12 | 29.62 | 29.88 |
15 | 37.02 | 37.35 | |
16 | 39.49 | 39.84 | |
20 | 49.36 | 49.80 | |
25 | 61.70 | 62.25 | |
30 | 74.04 | 74.70 | |
16 | 12 | 31.10 | 31.37 |
15 | 38.87 | 39.22 | |
16 | 41.46 | 41.83 | |
20 | 51.83 | 52.29 | |
25 | 64.79 | 65.36 | |
30 | 77.74 | 78.44 | |
20 | 12 | 37.02 | 37.35 |
15 | 46.28 | 46.69 | |
16 | 49.36 | 49.80 | |
20 | 61.70 | 62.25 | |
25 | 77.13 | 77.81 | |
30 | 92.55 | 93.38 | |
25 | 16 | 59.23 | 59.76 |
20 | 74.04 | 74.70 | |
25 | 92.55 | 93.38 | |
30 | 111.06 | 112.05 | |
35 | 129.57 | 130.73 | |
| 型式 | L選択 | 肉厚 (N) | R | D | D許容差 | ||||||||||||||
| Type | d | d許容差 | p6 | m6 | |||||||||||||||
| 表面処理なし | 無電解ニッケルメッキ | ||||||||||||||||||
| (p6) SL-JBAUNP SH-JBAUNP SL-JBAUCP SH-JBAUCP (m6) SL-JBAUN SH-JBAUN SL-JBAUC SH-JBAUC | 3 | G6 | +0.008 +0.002 | [ ! ]H7 | +0.010 0 | 5 | 6 | 8 | 10 | 12 | 1 | 0.5 | 5 | +0.020 +0.012 | +0.012 +0.004 | ||||
| 4 | G6 | +0.012 +0.004 | [ ! ]H7 | +0.012 0 | 5 | 6 | 8 | 10 | 12 | 15 | 16 | 1 | 0.5 | 6 | +0.020 +0.012 | +0.012 +0.004 | |||
| 5 | G6 | +0.012 +0.004 | [ ! ]H7 | +0.012 0 | 5 | 6 | 8 | 10 | 12 | 15 | 16 | 20 | 1 | 0.5 | 7 | +0.024 +0.015 | +0.015 +0.006 | ||
| 6 | G6 | +0.012 +0.004 | [ ! ]H7 | +0.012 0 | 1 | 0.5 | 8 | +0.024 +0.015 | +0.015 +0.006 | ||||||||||
| 8 | G6 | +0.014 +0.005 | G6 | +0.014 +0.005 | 6 | 8 | 10 | 12 | 15 | 16 | 20 | 1 | 0.5 | 10 | +0.024 +0.015 | +0.015 +0.006 | |||
| 10 | G6 | +0.014 +0.005 | G6 | +0.014 +0.005 | 1.5 | 0.5 | 13 | +0.029 +0.018 | +0.018 +0.007 | ||||||||||
| 12 | G6 | +0.017 +0.006 | G6 | +0.017 +0.006 | 8 | 10 | 12 | 15 | 16 | 20 | 1.5 | 0.5 | 15 | +0.029 +0.018 | +0.018 +0.007 | ||||
| 13 | G6 | +0.017 +0.006 | G6 | +0.017 +0.006 | 10 | 12 | *15 | 16 | 20 | 2 | 1 | 17 | +0.029 +0.018 | +0.018 +0.007 | |||||
| 15 | G6 | +0.017 +0.006 | G6 | +0.017 +0.006 | 10 | 12 | 15 | 16 | 20 | 2 | 1 | 19 | +0.035 +0.022 | +0.021 +0.008 | |||||
| 16 | G6 | +0.017 +0.006 | G6 | +0.017 +0.006 | 10 | 12 | 15 | 16 | 20 | 25 | 2.5 | 2 | 21 | +0.035 +0.022 | +0.021 +0.008 | ||||
| 20 | G6 | +0.020 +0.007 | G6 | +0.020 +0.007 | 12 | 15 | 16 | 20 | 25 | 3 | 2 | 26 | +0.035 +0.022 | +0.021 +0.008 | |||||
| 25 | G6 | +0.020 +0.007 | G6 | +0.020 +0.007 | 20 | 25 | 3 | 2 | 31 | +0.042 +0.026 | +0.025 +0.009 | ||||||||
[ NG ]L寸の*はJBAUNのみ選択不可 [ ! ]無電解ニッケルメッキ品のd寸3〜6の許容差はH7となります。
■薄肉タイプ
質量(g)参考値 | |||
d | L | SUJ2又はSKS3相当 | SUS440Cまたは 13Crステンレス |
3 | 5 | 0.49 | 0.50 |
6 | 0.59 | 0.60 | |
8 | 0.79 | 0.80 | |
10 | 0.99 | 1.00 | |
12 | 1.18 | 1.20 | |
4 | 5 | 0.62 | 0.62 |
6 | 0.74 | 0.75 | |
8 | 0.99 | 1.00 | |
10 | 1.23 | 1.25 | |
12 | 1.48 | 1.49 | |
15 | 1.85 | 1.87 | |
16 | 1.97 | 1.99 | |
5 | 5 | 0.74 | 0.75 |
6 | 0.89 | 0.90 | |
8 | 1.18 | 1.20 | |
10 | 1.48 | 1.49 | |
12 | 1.78 | 1.79 | |
15 | 2.22 | 2.24 | |
16 | 2.37 | 2.39 | |
20 | 2.96 | 2.99 | |
6 | 5 | 0.86 | 0.87 |
6 | 1.04 | 1.05 | |
8 | 1.38 | 1.39 | |
10 | 1.73 | 1.74 | |
12 | 2.07 | 2.09 | |
15 | 2.59 | 2.61 | |
16 | 2.76 | 2.79 | |
20 | 3.46 | 3.49 | |
8 | 6 | 1.33 | 1.34 |
8 | 1.78 | 1.79 | |
10 | 2.22 | 2.24 | |
12 | 2.67 | 2.69 | |
15 | 3.33 | 3.36 | |
16 | 3.55 | 3.59 | |
20 | 4.44 | 4.48 | |
10 | 6 | 2.55 | 2.58 |
8 | 3.41 | 3.44 | |
10 | 4.26 | 4.30 | |
12 | 5.11 | 5.15 | |
15 | 6.39 | 6.44 | |
16 | 6.81 | 6.87 | |
20 | 8.51 | 8.59 | |
12 | 8 | 4.00 | 4.03 |
10 | 5.00 | 5.04 | |
12 | 6.00 | 6.05 | |
15 | 7.50 | 7.56 | |
16 | 8.00 | 8.07 | |
20 | 10.00 | 10.08 | |
13 | 10 | 7.40 | 7.47 |
12 | 8.88 | 8.96 | |
15 | 11.11 | 11.21 | |
16 | 11.85 | 11.95 | |
20 | 14.81 | 14.94 | |
15 | 10 | 8.39 | 8.47 |
12 | 10.07 | 10.16 | |
15 | 12.59 | 12.70 | |
16 | 13.43 | 13.55 | |
20 | 16.78 | 16.93 | |
16 | 10 | 11.41 | 11.52 |
12 | 13.70 | 13.82 | |
15 | 17.12 | 17.27 | |
16 | 18.26 | 18.43 | |
20 | 22.83 | 23.03 | |
25 | 28.54 | 28.79 | |
20 | 12 | 20.44 | 20.62 |
15 | 25.54 | 25.77 | |
16 | 27.25 | 27.49 | |
20 | 34.06 | 34.36 | |
25 | 42.57 | 42.95 | |
25 | 20 | 41.46 | 41.83 |
25 | 51.83 | 52.29 | |
洗浄工程| ※材質がステンレスの場合、アルカリ系温水洗浄となることがあります。 | |
| ・脱脂洗浄(型式:SL-□□) | ※表面処理が低温黒色クロムメッキの場合、IPA洗浄となります。 |
作業環境:一般環境 | ||||||
|---|---|---|---|---|---|---|
![]() 炭化水素系洗浄※ Ro水洗浄 中性洗剤洗浄 | ![]() | ![]() 高圧ジェット水洗(Ro水) 後に純水(10MΩ・cm)で 洗浄 | ![]() | ![]() エアブロー(オイルフリー) 使用 | ![]() | ![]() 防錆袋使用 |
| ・精密洗浄(型式:SH-□□) | ※表面処理が低温黒色クロムメッキの場合、IPA洗浄となります。 |
作業環境:クラス1000 | 作業環境:クラス10 | |||||||
|---|---|---|---|---|---|---|---|---|
![]() 炭化水素系洗浄※ Ro水洗浄 中性洗剤洗浄 | ![]() | ![]() 高圧ジェット水洗(Ro水) 後に純水(10MΩ・cm)で 洗浄 | ![]() | ![]() 温純水(13MΩ・cm)使用 | ![]() | ![]() 窒素ブロー使用 | ![]() | ![]() クリーンベンチ(クラス10) で実施 |
作業環境:クラス1000 | 作業環境:クラス10 | |||||||||
|---|---|---|---|---|---|---|---|---|---|---|
![]() 炭化水素系洗浄 Ro水洗浄 中性洗剤洗浄 | ![]() | ![]() 材質に応じた電解研磨槽 で電解研磨 | ![]() | ![]() 高圧ジェット水洗(Ro水) 後に純水(10MΩ・cm)で 洗浄 | ![]() | ![]() 温純水(13MΩ・cm)使用 | ![]() | ![]() 窒素ブロー使用 | ![]() | ![]() クリーンベンチ(クラス10) で実施 |
梱包例| 脱脂洗浄の場合 (TYPE型番:SL-□□) | 精密洗浄または電解研磨+精密洗浄の場合 | |
| (TYPE型番:SH-□□・SHD-□□) | ||
| オーステナイト系ステンレス・アルミ材質の場合 | 鉄・マルテンサイト系ステンレス材質の場合 | |
![]() | ![]() | ![]() |
| 一部商品・サイズによっては、 梱包形態が異なる場合がございます。 | [ ! ]1重目・2重目の梱包とも、脱気されております。 | [ ! ]防錆対策として乾燥剤を同封しております。 1梱包につき1つになります。 |
洗浄効果・利用推奨環境| 洗浄方法 | 商品型番 | 梱包形態 | 未洗浄品と比べた効果 | ご利用環境(目安) | 利用シーン・工程 |
|---|---|---|---|---|---|
| 脱脂洗浄 | SL-□□ | 防錆梱包 | 油分除去 | 一般環境 | 通常組立工程 |
| バッテリー組立後工程 | |||||
| 精密洗浄 | SH-□□ | 脱気2重梱包 | 油分除去 粉塵除去 | クリーン環境(クラス10~1,000) | バッテリー組立工程 |
| 液晶関連組立後工程 | |||||
| 車載カメラ組立工程 | |||||
| 電解研磨+精密洗浄 | SHD-□□ | 脱気2重梱包 | 油分除去 粉塵除去 アウトガス低減 | 真空環境 クリーン環境(クラス10~1,000) | 半導体前工程 |
| 液晶成膜工程 | |||||
| 有機EL前工程 |
| 型番 |
|---|
通常単価(税別)
(税込単価) | 通常出荷日 |
|---|
- ( - ) | 3日目 |
- ( - ) | 3日目 |
- ( - ) | 3日目 |
- ( - ) | 3日目 |
- ( - ) | 3日目 |
- ( - ) | 3日目 |
- ( - ) | 3日目 |
- ( - ) | 3日目 |
- ( - ) | 3日目 |
- ( - ) | 3日目 |
- ( - ) | 3日目 |
- ( - ) | 3日目 |
- ( - ) | 3日目 |
- ( - ) | 3日目 |
- ( - ) | 3日目 |
- ( - ) | 3日目 |
- ( - ) | 3日目 |
- ( - ) | 3日目 |
- ( - ) | 3日目 |
- ( - ) | 3日目 |
- ( - ) | 3日目 |
- ( - ) | 3日目 |
- ( - ) | 3日目 |
- ( - ) | 3日目 |
- ( - ) | 3日目 |
- ( - ) | 3日目 |
- ( - ) | 3日目 |
- ( - ) | 3日目 |
- ( - ) | 3日目 |
- ( - ) | 3日目 |
- ( - ) | 3日目 |
- ( - ) | 3日目 |
- ( - ) | 3日目 |
- ( - ) | 3日目 |
- ( - ) | 3日目 |
- ( - ) | 3日目 |
- ( - ) | 3日目 |
- ( - ) | 3日目 |
- ( - ) | 3日目 |
- ( - ) | 3日目 |
- ( - ) | 3日目 |
- ( - ) | 3日目 |
- ( - ) | 3日目 |
- ( - ) | 3日目 |
- ( - ) | 3日目 |
- ( - ) | 3日目 |
- ( - ) | 3日目 |
- ( - ) | 3日目 |
- ( - ) | 3日目 |
- ( - ) | 3日目 |
- ( - ) | 3日目 |
- ( - ) | 3日目 |
- ( - ) | 3日目 |
- ( - ) | 3日目 |
- ( - ) | 3日目 |
- ( - ) | 3日目 |
- ( - ) | 3日目 |
- ( - ) | 3日目 |
- ( - ) | 3日目 |
- ( - ) | 3日目 |
| ・脱脂洗浄(防錆1重梱包) | :型番SL-□□ |
| ・精密洗浄(脱気2重梱包) | :型番SH-□□ |
| ・電解研磨+精密洗浄(脱気2重梱包) | :型番SHD-□□ |
| 商品型番 | 洗浄方法 | 梱包形態 | 未洗浄品と比べた効果 | ご利用環境(目安) | 工程別 |
| SL-□□ | 脱脂洗浄 | 防錆梱包 | 油分除去 | 一般環境 | 通常組立工程 |
| バッテリー組立後工程 | |||||
| SH-□□ | 精密洗浄 | 脱気2重梱包 | 油分除去 粉塵除去 | クリーン環境(クラス10~1,000) | バッテリー組立工程 |
| 液晶関連組立後工程 | |||||
| 車載カメラ組立工程 | |||||
| SHD-□□ | 電解研磨+精密洗浄 | 脱気2重梱包 | 油分除去 粉塵除去 アウトガス低減 | 真空環境 クリーン環境(クラス10~1,000) | 半導体前工程 |
| 液晶成膜工程 | |||||
| 有機EL前工程 |
| 型式 | ¥基準単価 | ||||
| Type | d | SL-JBAN | SH-JBAN | SL-JBAC | SH-JBAC |
| SL-JBAMN | SH-JBAMN | SL-JBAMC | SH-JBAMC | ||
| (p6) SL-JBAN SH-JBAN SL-JBAC SH-JBAC (m6) SL-JBAMN SH-JBAMN SL-JBAMC SH-JBAMC | 2 | 2,150 | 2,450 | 3,220 | 3,520 |
| 3 | 2,030 | 2,330 | 3,000 | 3,300 | |
| 4 | 1,950 | 2,250 | 2,810 | 3,110 | |
| 5 | 1,840 | 2,140 | 2,600 | 2,900 | |
| 6 | 1,790 | 2,090 | 2,480 | 2,780 | |
| 8 | 1,790 | 2,090 | 2,480 | 2,780 | |
| 10 | 1,840 | 2,140 | 2,600 | 2,900 | |
| 12 | 1,990 | 2,290 | 2,850 | 3,150 | |
| 13 | 2,040 | 2,340 | 3,020 | 3,320 | |
| 15 | 2,150 | 2,450 | 3,210 | 3,510 | |
| 16 | 2,150 | 2,450 | 3,210 | 3,510 | |
| 20 | 2,250 | 2,550 | 3,430 | 3,730 | |
| 25 | 2,350 | 2,650 | 3,620 | 3,920 | |
| 型式 | ¥基準単価 | ||||
| Type | d | SL-JBAUN | SH-JBAUN | SL-JBAUC | SH-JBAUC |
| SL-JBAUNP | SH-JBAUNP | SL-JBAUCP | SH-JBAUCP | ||
| (p6) SL-JBAUNP SH-JBAUNP SL-JBAUCP SH-JBAUCP (m6) SL-JBAUN SH-JBAUN SL-JBAUC SH-JBAUC | 3 | 2,320 | 2,620 | 3,720 | 4,020 |
| 4 | 2,210 | 2,510 | 3,440 | 3,740 | |
| 5 | 2,060 | 2,360 | 3,170 | 3,470 | |
| 6 | 2,010 | 2,310 | 3,130 | 3,430 | |
| 8 | 2,010 | 2,310 | 3,130 | 3,430 | |
| 10 | 2,060 | 2,360 | 3,170 | 3,470 | |
| 12 | 2,190 | 2,490 | 3,310 | 3,610 | |
| 13 | 2,290 | 2,590 | 3,400 | 3,700 | |
| 15 | 2,390 | 2,690 | 3,510 | 3,810 | |
| 16 | 2,390 | 2,690 | 3,510 | 3,810 | |
| 20 | 2,510 | 2,810 | 3,620 | 3,920 | |
| 25 | 2,640 | 2,940 | 3,830 | 4,130 | |
| 数量区分 | 標準対応 | 個別対応 | |||||
| 小口 | 大口 | 大口 | |||||
| 数 量 | 1〜49 | 50〜74 | 75〜89 | 90〜100 | 101〜200 | 201〜300 | 301〜 |
| 値引率 | 基準単価 | 5% | 10% | 18% | 18% | 28% | お見積り |
| 出荷日 | 通常 | +7日目 | +8日目 | ||||
| 数量区分 | 標準対応 | 個別対応 | |||||
| 小口 | 大口 | 大口 | |||||
| 数 量 | 1〜49 | 50〜64 | 65〜79 | 80〜100 | 101~200 | 201~300 | 301~ |
| 値引率 | 基準単価 | 5% | 10% | 18% | 18% | 23% | お見積り |
| 出荷日 | 通常 | +8日目 | +9日目 | ||||
| 数量区分 | 標準対応 | 個別対応 | |||||
| 小口 | 大口 | 大口 | |||||
| 数 量 | 1〜49 | 50〜64 | 65〜79 | 80〜100 | 101~200 | 201~300 | 301~ |
| 値引率 | 基準単価 | 5% | 10% | 18% | 18% | 23% | お見積り |
| 出荷日 | 通常 | +11日目 | +14日目 | ||||

通常価格、通常出荷日が表示と異なる場合がございます
通常価格、通常出荷日が表示と異なる場合がございます

ミスミ
位置決めピン用ブシュ 固定寸 ストレートタイプ
4.7通常価格(税別):640円~

ミスミ
位置決めピン用ブシュ 指定寸 ストレートタイプ
4.5
ミスミ
治具ブッシュ 高耐食ステンレス(55HRC~/35HRC~/SUS316L) -ストレートタイプ-
4.9通常価格(税別):910円~

ミスミ
位置決めピン用ブシュ 固定寸 ツバ付タイプ
4.6通常価格(税別):980円~

ミスミ
位置決めピン用ブシュ 指定寸 ツバ付タイプ
4.9
ミスミ
位置決めピン用ブシュ 二面フランジタイプ
4.5通常価格(税別):1,250円~

ミスミ
位置決めピン用ブシュ 抜止めタイプ
5
ミスミ
位置決めピン用ブシュ 丸フランジタイプ
5通常価格(税別):1,140円~

ミスミ
位置決めピン用ブッシュ長円タイプ ツバ付(ノック回り止め)
4.3