メカニカル部品技術窓口
ミスミ品のみ対象

「脱脂洗浄」「精密洗浄」「電解研磨+精密洗浄」3種類の洗浄方法が選択可能、いずれも標準型番で1個からご...
詳細を確認
メッキ無し品は
です。| Type | D公差 | [ M ]材質 | [ H ]硬度 | [ S ]表面処理 | 洗浄方法 | ||||
| 片端めねじ | 両端めねじ | 洗浄方法 | 洗浄環境 | 梱包形態 | 梱包環境 | ||||
| SL-SSFAT | SL-SSFAW | g6 | SUS440Cまたは 13Cr系ステンレス | 高周波焼入 有効硬化層深さ>> こちら SUJ2相当 58HRC〜 SUS440Cまたは 13Cr系ステンレス 56HRC〜 | − | 脱脂洗浄 | 一般環境 | 防錆梱包 | 一般環境 |
| SH-SSFAT | SH-SSFAW | 精密洗浄 | クラス1000 | 脱気2重梱包 | クラス10 | ||||
| SL-RSFAT | SL-RSFAW | SUJ2相当 | 低温黒色クロムメッキ | 脱脂洗浄 | 一般環境 | 防錆梱包 | 一般環境 | ||
| SH-RSFAT | SH-RSFAW | 精密洗浄 | クラス1000 | 脱気2重梱包 | クラス10 | ||||
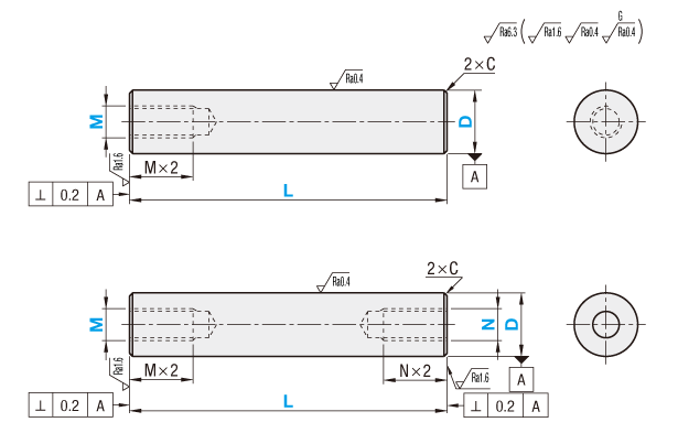
詳細図を記載しておりますので、ご確認ください。| 型式 | − | L | − | M | − | N |
| SL-SSFAT20 SH-SSFAW15 | − − | 80 100 | − − | M6 M6 | − | N10 |
| D公差 | |
| 6 | −0.004 −0.012 |
| 8 | −0.005 −0.014 |
| 10 | |
| 12 | −0.006 −0.017 |
| 13 | |
| 15 | |
| 16 | |
| 18 | |
| 20 | −0.007 −0.020 |
| 型式 | L 指定1mm単位 | M(並目)・N(並目) 選択 | C | ||||||||
| Type | D | ||||||||||
| 片端めねじ SL-SSFAT SH-SSFAT SL-RSFAT SH-RSFAT | 両端めねじ SL-SSFAW SH-SSFAW SL-RSFAW SH-RSFAW | 6 | 20〜150 | 3 | 0.5以下 | ||||||
| 8 | 20〜150 | 3 | 4 | 5 | |||||||
| 10 | 20〜150 | 3 | 4 | 5 | 6 | ||||||
| 12 | 20〜150 | 4 | 5 | 6 | 8 | ||||||
| 13 | 25〜150 | 4 | 5 | 6 | 8 | ||||||
| 15 | 25〜150 | 4 | 5 | 6 | 8 | 10 | |||||
| 16 | 30〜150 | 4 | 5 | 6 | 8 | 10 | |||||
| 18 | 30〜150 | 4 | 5 | 6 | 8 | 10 | 12 | ||||
| 20 | 30〜150 | 4 | 5 | 6 | 8 | 10 | 12 | 1.0以下 | |||
| 追加工コード | 追加工内容 | 固定寸法 | 適用条件 | 指定例 | ¥/1Code | ||||||||||||||||||||||||||||||
|---|---|---|---|---|---|---|---|---|---|---|---|---|---|---|---|---|---|---|---|---|---|---|---|---|---|---|---|---|---|---|---|---|---|---|---|
| LKC | L寸法・公差を | ・L<150→L±0.03 | [ ! ]L寸単位0.1mm指定可 | SSFAW16-120.5-M8-N10-LKC | 400 | ||||||||||||||||||||||||||||||
| MD ND | めねじ有効長を | - | [ ! ]D=10~30かつ、M(N)=6~20適用 [ ! ]片端めねじ:MD×3.5+4≦L [ ! ]両端めねじ:MD×3.5+4+ND×3.5+4≦L [ NG ]MSC・NSCとの併用不可 | SSFAW16-120-MD8-ND10 | MD:200 ND:200 | ||||||||||||||||||||||||||||||
| MSC NSC | めねじを細目ねじに変更 |
| [ ! ]D=12以上に適用 [ NG ]M(N)寸法はMSC(NSC)と同寸法になります。 [ NG ]MD・NDとの併用不可 | SSFAW16-120-MSC8-NSC10 | 300 | ||||||||||||||||||||||||||||||
・上記以外の追加工をご希望の場合は、「 カタログ規格外サービス」にてお見積りください。
[!]型式は洗浄前商品の型式で記載しております。


| D | 真円度 M | |
|---|---|---|
| を超え | 以下 | |
| 6 | 13 | 0.004 |
| 13 | 20 | 0.005 |
| D | L | 真直度 K | |
|---|---|---|---|
| 6~20 | L≦100 | 0.01以下 | |
| L>100 | (L/100)×0.01以下 | ||
| L | L寸法 公差 | |
|---|---|---|
| を超え | 以下 | |
| 19 | 30 | ±0.2 |
| 30 | 120 | ±0.3 |
| 120 | 150 | ±0.5 |
■直角度

■硬質クロムメッキ及び加工部のメッキ層について
///部:メッキ残部

・リニアシャフトと 回転軸用シャフトの仕様比較
■基本仕様
| 仕様 | シャフト | 回転軸 | ||||||||
|---|---|---|---|---|---|---|---|---|---|---|
| 材質 | SUJ2相当 SUS440Cまたは13Cr系ステンレス | S45C相当 SUS304 | S45C相当 SUS304 | SCM435 | ||||||
| 焼き入れ | 高周波焼き入れ | - | - | 硬度30~35HRC | ||||||
| 外径公差 | g6/h5 | f8 | g6/h9/h7 | g6 | ||||||
| 表面処理 | メッキ無 硬質クロムメッキ 低温黒色クロムメッキ 無電解ニッケルメッキ(全長表面処理タイプ) | 硬質クロムメッキ | メッキ無 四三酸化鉄皮膜 無電解ニッケルメッキ | 四三酸化鉄皮膜 無電解ニッケルメッキ | ||||||
※硬質クロムメッキは加工部にメッキ層が残りません。詳しくは こちらをご確認ください
■追加工
| 追加工名称 | シャフト | 回転軸 | |||||
|---|---|---|---|---|---|---|---|
| L寸公差変更 | L<200⇒L±0.03 200≦L<500⇒L±0.05 L≧500⇒L±0.1 | L<500⇒L±0.05 L≧500⇒L±0.1 L≧800は適用不可 | |||||
| スパナ溝追加工 | 2箇所まで指定可能 | 1箇所まで指定可能 | |||||
| 平面取り | 2箇所まで指定可能 | 3箇所まで指定可能 | |||||
| 2面取り追加工 | 2箇所まで指定可能 角度指定:固定 | 1箇所まで指定可能 角度指定:15度単位で指定可能 | |||||
| V溝追加工 | 2箇所まで指定可能 | - | |||||
| キー溝 | 2箇所まで指定可能 段部への加工:不可 | 4箇所まで指定可能 段部への加工:可 | |||||
| おねじ細目ねじ変更 | 2種類 | 1種類 | |||||
| めねじ細目ねじ変更 | 1種類 | - | |||||
| 逃げ溝追加 | M6~M30 | M3~M30 | |||||
| めねじ深さ変更 | 可能 | 可能 | |||||
| 止め輪溝 | 2箇所指定可能 (追加工ではなく止め輪付タイプとなります) | D部2箇所、段部それぞれ1箇所 併用可 | |||||
| スリットカム用溝 | - | 1箇所まで指定可能 | |||||
| 同軸度変更 | - | 可能 | |||||
| おねじ左ねじ変更 | - | 可能 | |||||
| すり割り溝追加 | - | 1箇所まで指定可能 | |||||
| C面取り幅変更 | - | 可能 | |||||
■よくある質問
//jp.misumi-ec.com/maker/misumi/mech/linear_shaft/tech_support/#anc06
洗浄工程| ※材質がステンレスの場合、アルカリ系温水洗浄となることがあります。 | |
| ・脱脂洗浄(型式:SL-□□) | ※表面処理が低温黒色クロムメッキの場合、IPA洗浄となります。 |
作業環境:一般環境 | ||||||
|---|---|---|---|---|---|---|
![]() 炭化水素系洗浄※ Ro水洗浄 中性洗剤洗浄 | ![]() | ![]() 高圧ジェット水洗(Ro水) 後に純水(10MΩ・cm)で 洗浄 | ![]() | ![]() エアブロー(オイルフリー) 使用 | ![]() | ![]() 防錆袋使用 |
| ・精密洗浄(型式:SH-□□) | ※表面処理が低温黒色クロムメッキの場合、IPA洗浄となります。 |
作業環境:クラス1000 | 作業環境:クラス10 | |||||||
|---|---|---|---|---|---|---|---|---|
![]() 炭化水素系洗浄※ Ro水洗浄 中性洗剤洗浄 | ![]() | ![]() 高圧ジェット水洗(Ro水) 後に純水(10MΩ・cm)で 洗浄 | ![]() | ![]() 温純水(13MΩ・cm)使用 | ![]() | ![]() 窒素ブロー使用 | ![]() | ![]() クリーンベンチ(クラス10) で実施 |
作業環境:クラス1000 | 作業環境:クラス10 | |||||||||
|---|---|---|---|---|---|---|---|---|---|---|
![]() 炭化水素系洗浄 Ro水洗浄 中性洗剤洗浄 | ![]() | ![]() 材質に応じた電解研磨槽 で電解研磨 | ![]() | ![]() 高圧ジェット水洗(Ro水) 後に純水(10MΩ・cm)で 洗浄 | ![]() | ![]() 温純水(13MΩ・cm)使用 | ![]() | ![]() 窒素ブロー使用 | ![]() | ![]() クリーンベンチ(クラス10) で実施 |
梱包例| 脱脂洗浄の場合 (TYPE型番:SL-□□) | 精密洗浄または電解研磨+精密洗浄の場合 | |
| (TYPE型番:SH-□□・SHD-□□) | ||
| オーステナイト系ステンレス・アルミ材質の場合 | 鉄・マルテンサイト系ステンレス材質の場合 | |
![]() | ![]() | ![]() |
| 一部商品・サイズによっては、 梱包形態が異なる場合がございます。 | [ ! ]1重目・2重目の梱包とも、脱気されております。 | [ ! ]防錆対策として乾燥剤を同封しております。 1梱包につき1つになります。 |
洗浄効果・利用推奨環境| 洗浄方法 | 商品型番 | 梱包形態 | 未洗浄品と比べた効果 | ご利用環境(目安) | 利用シーン・工程 |
|---|---|---|---|---|---|
| 脱脂洗浄 | SL-□□ | 防錆梱包 | 油分除去 | 一般環境 | 通常組立工程 |
| バッテリー組立後工程 | |||||
| 精密洗浄 | SH-□□ | 脱気2重梱包 | 油分除去 粉塵除去 | クリーン環境(クラス10~1,000) | バッテリー組立工程 |
| 液晶関連組立後工程 | |||||
| 車載カメラ組立工程 | |||||
| 電解研磨+精密洗浄 | SHD-□□ | 脱気2重梱包 | 油分除去 粉塵除去 アウトガス低減 | 真空環境 クリーン環境(クラス10~1,000) | 半導体前工程 |
| 液晶成膜工程 | |||||
| 有機EL前工程 |
| 型番 |
|---|
通常単価(税別)
(税込単価) | 通常出荷日 |
洗浄不要の場合の代替品
|
|---|
- ( - ) | 11日目 |
|
- ( - ) | 11日目 |
|
- ( - ) | 11日目 |
|
- ( - ) | 11日目 |
|
- ( - ) | 11日目 |
|
- ( - ) | 11日目 |
|
- ( - ) | 11日目 |
|
- ( - ) | 11日目 |
|
- ( - ) | 11日目 |
|
- ( - ) | 11日目 |
|
- ( - ) | 11日目 |
|
- ( - ) | 11日目 |
|
- ( - ) | 11日目 |
|
- ( - ) | 11日目 |
|
- ( - ) | 11日目 |
|
- ( - ) | 11日目 |
|
- ( - ) | 11日目 |
|
- ( - ) | 11日目 |
|
- ( - ) | 11日目 |
|
- ( - ) | 11日目 |
|
- ( - ) | 11日目 |
|
- ( - ) | 11日目 |
|
- ( - ) | 11日目 |
|
- ( - ) | 11日目 |
|
- ( - ) | 11日目 |
|
- ( - ) | 11日目 |
|
- ( - ) | 11日目 |
|
- ( - ) | 11日目 |
|
- ( - ) | 11日目 |
|
- ( - ) | 11日目 |
|
- ( - ) | 11日目 |
|
- ( - ) | 11日目 |
|
- ( - ) | 11日目 |
|
- ( - ) | 11日目 |
|
- ( - ) | 11日目 |
|
- ( - ) | 11日目 |
|
- ( - ) | 11日目 |
|
- ( - ) | 11日目 |
|
- ( - ) | 11日目 |
|
- ( - ) | 11日目 |
|
- ( - ) | 11日目 |
|
- ( - ) | 11日目 |
|
- ( - ) | 11日目 |
|
- ( - ) | 11日目 |
|
- ( - ) | 11日目 |
|
- ( - ) | 11日目 |
|
- ( - ) | 11日目 |
|
- ( - ) | 11日目 |
|
- ( - ) | 11日目 |
|
- ( - ) | 11日目 |
|
- ( - ) | 11日目 |
|
- ( - ) | 11日目 |
|
- ( - ) | 11日目 |
|
- ( - ) | 11日目 |
|
- ( - ) | 11日目 |
|
- ( - ) | 11日目 |
|
- ( - ) | 11日目 |
|
- ( - ) | 11日目 |
|
- ( - ) | 11日目 |
|
- ( - ) | 11日目 |
| ・脱脂洗浄(防錆1重梱包) | :型番SL-□□ |
| ・精密洗浄(脱気2重梱包) | :型番SH-□□ |
| ・電解研磨+精密洗浄(脱気2重梱包) | :型番SHD-□□ |
| 商品型番 | 洗浄方法 | 梱包形態 | 未洗浄品と比べた効果 | ご利用環境(目安) | 工程別 |
| SL-□□ | 脱脂洗浄 | 防錆梱包 | 油分除去 | 一般環境 | 通常組立工程 |
| バッテリー組立後工程 | |||||
| SH-□□ | 精密洗浄 | 脱気2重梱包 | 油分除去 粉塵除去 | クリーン環境(クラス10~1,000) | バッテリー組立工程 |
| 液晶関連組立後工程 | |||||
| 車載カメラ組立工程 | |||||
| SHD-□□ | 電解研磨+精密洗浄 | 脱気2重梱包 | 油分除去 粉塵除去 アウトガス低減 | 真空環境 クリーン環境(クラス10~1,000) | 半導体前工程 |
| 液晶成膜工程 | |||||
| 有機EL前工程 |
| 型式 | ¥基準単価 | ||||||
| Type | D | 最短L〜40 | L41〜60 | L61〜80 | L81〜100 | L101〜125 | L126〜150 |
| SL-SSFAT | 6 | 1,880 | 2,210 | 2,210 | 2,210 | 2,550 | 2,550 |
| 8・10 | 1,850 | 2,150 | 2,150 | 2,150 | 2,500 | 2,500 | |
| 12・13 | 1,930 | 2,300 | 2,300 | 2,300 | 2,670 | 2,670 | |
| 15・16 | 2,110 | 2,550 | 2,550 | 2,550 | 3,000 | 3,000 | |
| 18・20 | 2,300 | 2,840 | 2,840 | 2,840 | 3,400 | 3,400 | |
| SH-SSFAT | 6 | 2,480 | 2,810 | 2,810 | 2,810 | 3,150 | 3,150 |
| 8・10 | 2,450 | 2,750 | 2,750 | 2,750 | 3,100 | 3,100 | |
| 12・13 | 2,530 | 2,900 | 2,900 | 2,900 | 3,270 | 3,270 | |
| 15・16 | 2,710 | 3,150 | 3,150 | 3,150 | 3,600 | 3,600 | |
| 18・20 | 2,900 | 3,440 | 3,440 | 3,440 | 4,000 | 4,000 | |
| SL-RSFAT | 6 | 2,380 | 2,560 | 2,560 | 2,560 | 2,730 | 2,730 |
| 8 | 2,370 | 2,530 | 2,530 | 2,530 | 2,700 | 2,700 | |
| 10 | 2,380 | 2,540 | 2,540 | 2,540 | 2,840 | 2,840 | |
| 12 | 2,390 | 2,690 | 2,690 | 2,690 | 3,000 | 3,000 | |
| 13 | 2,400 | 2,710 | 2,710 | 2,710 | 3,010 | 3,010 | |
| 15 | 2,530 | 2,840 | 2,840 | 2,840 | 3,160 | 3,160 | |
| 16 | 2,530 | 2,840 | 2,840 | 2,840 | 3,270 | 3,270 | |
| 18 | 2,550 | 3,000 | 3,000 | 3,000 | 3,420 | 3,420 | |
| 20 | 2,550 | 3,120 | 3,120 | 3,120 | 3,670 | 3,670 | |
| SH-RSFAT | 6 | 2,980 | 3,160 | 3,160 | 3,160 | 3,330 | 3,330 |
| 8 | 2,970 | 3,130 | 3,130 | 3,130 | 3,300 | 3,300 | |
| 10 | 2,980 | 3,140 | 3,140 | 3,140 | 3,440 | 3,440 | |
| 12 | 2,990 | 3,290 | 3,290 | 3,290 | 3,600 | 3,600 | |
| 13 | 3,000 | 3,310 | 3,310 | 3,310 | 3,610 | 3,610 | |
| 15 | 3,130 | 3,440 | 3,440 | 3,440 | 3,760 | 3,760 | |
| 16 | 3,130 | 3,440 | 3,440 | 3,440 | 3,870 | 3,870 | |
| 18 | 3,150 | 3,600 | 3,600 | 3,600 | 4,020 | 4,020 | |
| 20 | 3,150 | 3,720 | 3,720 | 3,720 | 4,270 | 4,270 | |
| 型式 | ¥基準単価 | ||||||
| Type | D | 最短L〜40 | L41〜60 | L61〜80 | L81〜100 | L101〜125 | L126〜150 |
| SL-SSFAW | 6 | 2,040 | 2,460 | 2,460 | 2,460 | 2,860 | 2,860 |
| 8・10 | 2,000 | 2,400 | 2,400 | 2,400 | 2,810 | 2,810 | |
| 12・13 | 2,050 | 2,480 | 2,480 | 2,480 | 2,900 | 2,900 | |
| 15・16 | 2,250 | 2,790 | 2,790 | 2,790 | 3,320 | 3,320 | |
| 18・20 | 2,330 | 2,900 | 2,900 | 2,900 | 3,450 | 3,450 | |
| SH-SSFAW | 6 | 2,640 | 3,060 | 3,060 | 3,060 | 3,460 | 3,460 |
| 8・10 | 2,600 | 3,000 | 3,000 | 3,000 | 3,410 | 3,410 | |
| 12・13 | 2,650 | 3,080 | 3,080 | 3,080 | 3,500 | 3,500 | |
| 15・16 | 2,850 | 3,390 | 3,390 | 3,390 | 3,920 | 3,920 | |
| 18・20 | 2,930 | 3,500 | 3,500 | 3,500 | 4,050 | 4,050 | |
| SL-RSFAW | 6 | 2,520 | 2,730 | 2,730 | 2,730 | 2,980 | 2,980 |
| 8 | 2,490 | 2,710 | 2,710 | 2,710 | 2,920 | 2,920 | |
| 10 | 2,500 | 2,710 | 2,710 | 2,710 | 3,050 | 3,050 | |
| 12 | 2,510 | 2,850 | 2,850 | 2,850 | 3,210 | 3,210 | |
| 13 | 2,520 | 2,860 | 2,860 | 2,860 | 3,230 | 3,230 | |
| 15 | 2,670 | 3,020 | 3,020 | 3,020 | 3,410 | 3,410 | |
| 16 | 2,670 | 3,020 | 3,020 | 3,020 | 3,520 | 3,520 | |
| 18 | 2,670 | 3,160 | 3,160 | 3,160 | 3,640 | 3,640 | |
| 20 | 2,670 | 3,270 | 3,270 | 3,270 | 3,890 | 3,890 | |
| SH-RSFAW | 6 | 3,120 | 3,330 | 3,330 | 3,330 | 3,580 | 3,580 |
| 8 | 3,090 | 3,310 | 3,310 | 3,310 | 3,520 | 3,520 | |
| 10 | 3,100 | 3,310 | 3,310 | 3,310 | 3,650 | 3,650 | |
| 12 | 3,110 | 3,450 | 3,450 | 3,450 | 3,810 | 3,810 | |
| 13 | 3,120 | 3,460 | 3,460 | 3,460 | 3,830 | 3,830 | |
| 15 | 3,270 | 3,620 | 3,620 | 3,620 | 4,010 | 4,010 | |
| 16 | 3,270 | 3,620 | 3,620 | 3,620 | 4,120 | 4,120 | |
| 18 | 3,270 | 3,760 | 3,760 | 3,760 | 4,240 | 4,240 | |
| 20 | 3,270 | 3,870 | 3,870 | 3,870 | 4,490 | 4,490 | |
| 数量区分 | 標準対応 | 個別対応 | ||||
| 小口 | 大口 | 大口 | ||||
| 数 量 | 1〜4 | 5〜12 | 13〜19 | 20〜49 | 50〜100 | 101~ |
| 値引率 | 基準単価 | 5% | 10% | 15% | 23% | お見積り |
| 出荷日 | 通常 | +7日 | ||||
摺動試験後のシャフト状況

| 5 | 日目出荷 |
| 8 | 日目出荷 |
| 材質 | 対応軸径 | 対応全長 |
| SUJ2相当 | φ3~φ30 | 500まで |
| 材質 | 対応軸径 | 対応全長 |
| SUJ2相当 | φ6~φ20 | 150まで |
| 材質 | 対応軸径 | 対応全長 |
| SUJ2相当 | φ4~φ30 | 448まで |
| SUS440C 又は13Cr系ステンレス |

通常価格、通常出荷日が表示と異なる場合がございます
通常価格、通常出荷日が表示と異なる場合がございます

ミスミ
シャフト ストレートタイプ
4.7通常価格(税別):200円~

ミスミ
シャフト 両端めねじタイプ
4.7
ミスミ
シャフト 片端めねじタイプ
4.6
ミスミ
シャフト 両端めねじキリ穴付タイプ・スパナ溝付タイプ
4.4
ミスミ
シャフト 片端めねじキリ穴付・スパナ溝付タイプ
4.6
ミスミ
シャフト 片端おねじ・片端めねじ 逃げ溝スパナ溝付き/キリ穴付き
4.6
ミスミ
シャフト 片端おねじタイプ
4.6
ミスミ
シャフト パイプタイプ
4.2
ミスミ
シャフト 片端おねじ・片端めねじタイプ
4.5