メカニカル部品技術窓口
ミスミ品のみ対象

「脱脂洗浄」「精密洗浄」「電解研磨+精密洗浄」3種類の洗浄方法が選択可能、いずれも標準型番で1個からご...
詳細を確認
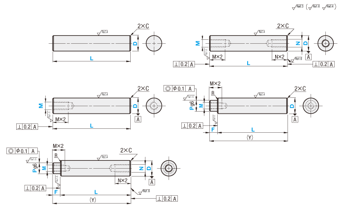
ストレートタイプ
両端めねじタイプ
片端めねじタイプ
片端段付めねじタイプ
片端段付両端めねじタイプ

片端おねじタイプ
両端おねじタイプ
片端おねじ・軸径同寸タイプ
両端おねじ・軸径同寸タイプ
片端テーパ・片端めねじタイプ
片端テーパ・片端おねじタイプ
[ ! ]L、F、T寸の寸法公差はJISB0405m級に準じる。ただし、おねじ面取り公差は除く。
[ ! ]摺動にて使用する場合は、無給油ブッシュをご使用ください。>>こちら
(無電解ニッケルメッキ品にリニアブシュ・リニアボールブッシュ等の
ボール転動品を使用すると、メッキが剥離する恐れがあります。)
| Type | D公差 | [ M ]材質 | [ H ]硬度 | [ S ]表面処理 | 洗浄方法 | |||||||
| ストレート | 片端めねじ | 両端めねじ | 片端段付めねじ | 片端段付両端めねじ | 洗浄方法 | 洗浄環境 | 梱包形態 | 梱包環境 | ||||
| SL-PSFCJ | SL-PSFCT | SL-PSFCW | SL-PSFCG | SL-PSFCA | g6 | SUJ2相当 | 高周波焼入 有効硬化層深さ>> こちら SUJ2相当 58HRC~ | 無電解ニッケルメッキ | 脱脂洗浄 | 一般環境 | 防錆梱包 | 一般環境 |
| SH-PSFCJ | SH-PSFCT | SH-PSFCW | SH-PSFCG | SH-PSFCA | 精密洗浄 | クラス1000 | 脱気2重梱包 | クラス10 | ||||
詳細図を記載しておりますので、ご確認ください。| Type | D公差 | [ M ]材質 | [ H ]硬度 | [ S ]表面処理 | 洗浄方法 | ||||||||
| 片端おねじ | 両端おねじ | 片端おねじ・ 軸径同寸 | 両端おねじ・ 軸径同寸 | 片端テーパ・ 片端めねじ | 片端テーパ・ 片端おねじ | 洗浄方法 | 洗浄環境 | 梱包形態 | 梱包環境 | ||||
| SL-PSFCN | SL-PSFCM | SL-PSFCQ | SL-PSFCL | SL-PSFTCA | SL-PSFTCB | g6 | SUJ2相当 | 高周波焼入 有効硬化層深さ>> こちら SUJ2相当 58HRC~ | 無電解ニッケルメッキ | 脱脂洗浄 | 一般環境 | 防錆梱包 | 一般環境 |
| SH-PSFCN | SH-PSFCM | SH-PSFCQ | SH-PSFCL | SH-PSFTCA | SH-PSFTCB | 精密洗浄 | クラス1000 | 脱気2重梱包 | クラス10 | ||||
詳細図を記載しておりますので、ご確認ください。| 型式 | − | L | − | F | − | P | − | M | − | N |
| SL-PSFCJ20 | − | 75 | ||||||||
| SH-PSFCT20 | − | 525 | − | M8 | ||||||
| SL-PSFCW20 | − | 525 | − | M8 | − | N8 | ||||
| SH-PSFCG20 | − | 400 | − | F25 | − | P16 | − | M10 | ||
| SL-PSFCA20 | − | 400 | − | F25 | − | P16 | − | M10 | − | N10 |
| 型式 | − | L | − | F | − | B | − | P | − | T | − | S | − | Q | − | J | − | M |
| SL-PSFCN20 | − | 950 | − | F50 | − | B30 | − | P10 | ||||||||||
| SH-PSFCM20 | − | 300 | − | F30 | − | B20 | − | P8 | − | T20 | − | S15 | − | Q10 | ||||
| SL-PSFCQ12 | − | 500 | − | B20 | ||||||||||||||
| SH-PSFCL12 | − | 500 | − | B20 | − | S20 | ||||||||||||
| SL-PSFTCA20 | − | 350 | − | J15 | − | M6 | ||||||||||||
| SH-PSFTCB20 | − | 350 | − | F40 | − | B30 | − | P10 | − | J10 |
| 型式 | 指定1mm単位 | 選択 | C | ||||||||||||||||||||||
| Type | D | L | M(並目) | N(並目) (両端めねじのみ) | |||||||||||||||||||||
| ストレートタイプ SL-PSFCJ SH-PSFCJ 片端めねじタイプ SL-PSFCT SH-PSFCT 両端めねじタイプ SL-PSFCW SH-PSFCW | 8 | 20〜 800 | 3 | 4 | 5 | 3 | 4 | 5 | 0.5 以下 | ||||||||||||||||
| 10 | 20〜 800 | 3 | 4 | 5 | 6 | 3 | 4 | 5 | 6 | ||||||||||||||||
| 12 | 20〜 800 | 4 | 5 | 6 | 8 | 4 | 5 | 6 | 8 | ||||||||||||||||
| 15 | 25〜800 | 4 | 5 | 6 | 8 | 10 | 4 | 5 | 6 | 8 | 10 | ||||||||||||||
| 20 | 30〜800 | 4 | 5 | 6 | 8 | 10 | 12 | 4 | 5 | 6 | 8 | 10 | 12 | 1.0 以下 | |||||||||||
| 25 | 35〜800 | 4 | 5 | 6 | 8 | 10 | 12 | 16 | 4 | 5 | 6 | 8 | 10 | 12 | 16 | ||||||||||
| 30 | 35〜800 | 6 | 8 | 10 | 12 | 16 | 20 | 6 | 8 | 10 | 12 | 16 | 20 | ||||||||||||
| 35 | 35〜800 | 8 | 10 | 12 | 16 | 20 | 24 | 8 | 10 | 12 | 16 | 20 | 24 | ||||||||||||
| 40 | 50〜800 | 10 | 12 | 16 | 20 | 24 | 30 | 10 | 12 | 16 | 20 | 24 | 30 | ||||||||||||
| 50 | 65〜800 | 12 | 16 | 20 | 24 | 30 | 12 | 16 | 20 | 24 | 30 | ||||||||||||||
| 型式 | 指定1mm単位 | 選択 | (Y) Max. | R | C | ||||||||||||||||||||||||
| Type | D | L | F | P | M(並目) | N(並目) (片端段付両端めねじのみ) | |||||||||||||||||||||||
| 片端段付めねじ SL-PSFCG SH-PSFCG 片端段付両端めねじ SL-PSFCA SH-PSFCA | 8 | 25〜798 | 2≦F≦P×4 | 6 | 3 | 3 | 4 | 5 | 800 | 0.4 以下 | 0.5 以下 | ||||||||||||||||||
| 10 | 25〜798 | 6〜 8 | 3 | 4 | 5 | 3 | 4 | 5 | 6 | 800 | |||||||||||||||||||
| 12 | 25〜798 | 6〜10 | 3 | 4 | 5 | 6 | 4 | 5 | 6 | 8 | 800 | ||||||||||||||||||
| 15 | 25〜798 | 6〜13 | 3 | 4 | 5 | 6 | 8 | 10 | 4 | 5 | 6 | 8 | 10 | 800 | |||||||||||||||
| 20 | 25〜798 | 8〜17 | 4 | 5 | 6 | 8 | 10 | 12 | 4 | 5 | 6 | 8 | 10 | 12 | 800 | 1.0 以下 | |||||||||||||
| 25 | 25〜798 | 8〜22 | 4 | 5 | 6 | 8 | 10 | 12 | 16 | 4 | 5 | 6 | 8 | 10 | 12 | 16 | 800 | ||||||||||||
| 30 | 25〜798 | 9〜27 | 5 | 6 | 8 | 10 | 12 | 16 | 20 | 24 | 6 | 8 | 10 | 12 | 16 | 20 | 800 | ||||||||||||
| 35 | 25〜798 | 9〜32 | 5 | 6 | 8 | 10 | 12 | 16 | 20 | 24 | 8 | 10 | 12 | 16 | 20 | 24 | 800 | 0.5 以下 | |||||||||||
| 40 | 25〜798 | 11〜37 | 6 | 8 | 10 | 12 | 16 | 20 | 24 | 30 | 10 | 12 | 16 | 20 | 24 | 30 | 800 | ||||||||||||
| 50 | 25〜798 | 11〜47 | 6 | 8 | 10 | 12 | 16 | 20 | 24 | 30 | 12 | 16 | 20 | 24 | 30 | 800 | |||||||||||||
| 型式 | 指定1mm単位 | P(並目)・Q(並目) 両端おねじのみ選択 | (Y) Max. | R | C | |||||||||||||
| Type | D | L | F・T(両端おねじのみ) | B・S(両端おねじのみ) | ||||||||||||||
| 片端おねじタイプ SL-PSFCN SH-PSFCN 両端おねじタイプ SL-PSFCM SH-PSFCM | 8 | 25〜798 | 2≦F≦P×5 | (P・Q≦6のとき) | 3 | 4 | 5 | 6 | 800 | 0.4 以下 | 0.5 以下 | |||||||
| 10 | 25〜798 | B(S)≦F-2 | 4 | 5 | 6 | 8 | 800 | |||||||||||
| 12 | 25〜800 | 5 | 6 | 8 | 10 | 800 | ||||||||||||
| 15 | 25〜800 | (P・Q=8・10のとき) | 5 | 6 | 8 | 10 | 12 | 800 | ||||||||||
| 20 | 25〜800 | B(S)≦F-3 | 6 | 8 | 10 | 12 | 16 | 800 | 1.0 以下 | |||||||||
| 25 | 25〜800 | 8 | 10 | 12 | 16 | 20 | 24 | 800 | ||||||||||
| 30 | 25〜800 | (P・Q≧12) | 8 | 10 | 12 | 16 | 20 | 24 | 800 | |||||||||
| 35 | 25〜800 | B(S)≦F-5 | 10 | 12 | 16 | 20 | 24 | 30 | 800 | 0.5 以下 | ||||||||
| 40 | 25〜800 | 12 | 16 | 20 | 24 | 30 | 800 | |||||||||||
| 50 | 25〜800 | [ ! ]B(S)≧Pitch×3 | 16 | 20 | 24 | 30 | 800 | |||||||||||
| 型式 | 指定1mm単位 | M (並目) | (Y) Max. | C | ||
| Type | D | L | B・S(両端おねじのみ) | |||
| 片端おねじ SL-PSFCQ SH-PSFCQ 両端おねじ SL-PSFCL SH-PSFCL | 8 | 25〜793 | 7〜40 | 8 | 800 | 0.5 以下 |
| 10 | 25〜792 | 8〜50 | 10 | 800 | ||
| 12 | 25〜791 | 9〜60 | 12 | 800 | ||
| 20 | 25〜787 | 13〜100 | 20 | 800 | 1.0 以下 | |
| 30 | 25〜782 | 18〜150 | 30 | 800 | ||
| 型式 | 指定1mm単位 | P(並目) おねじのみ選択 | M(並目) めねじのみ選択 | 指定1mm単位 J | (Y) Max. | R | C | |||||||||||||||||||
| Type | D | L | F(おねじのみ) | B(おねじのみ) | ||||||||||||||||||||||
| 片端テーパ・片端めねじ SL-PSFTCA SH-PSFTCA 片端テーパ・片端おねじ SL-PSFTCB SH-PSFTCB | 8 | 25〜500 | 2≦F≦P×5 | (P≦6のとき) B≦F-3 (P≧12のとき) B≦F−5 (ねじなしのとき) B=0 | 3 | 4 | 5 | 6 | 3 | 4 | 5 | 5〜10 | 510 | 0.4 以下 | 0.5 以下 | |||||||||||
| 10 | 25〜500 | 4 | 5 | 6 | 8 | 3 | 4 | 5 | 6 | 5〜14 | 510 | |||||||||||||||
| 12 | 25〜500 | 5 | 6 | 8 | 10 | 4 | 5 | 6 | 8 | 5〜18 | 510 | |||||||||||||||
| 15 | 25〜500 | 5 | 6 | 8 | 10 | 12 | 4 | 5 | 6 | 8 | 10〜24 | 510 | ||||||||||||||
| 20 | 25〜500 | 6 | 8 | 10 | 12 | 16 | 4 | 5 | 6 | 8 | 10 | 12 | 10〜32 | 510 | 1.0 以下 | |||||||||||
| 30 | 25〜500 | 8 | 10 | 12 | 16 | 20 | 24 | 4 | 5 | 6 | 8 | 10 | 12 | 16 | 10〜32 | 510 | ||||||||||
■おねじ部C面取り詳細
| ねじの 呼びM | ピッチ P | 面取りC (参考値) |
| 3 | 0.50 | 0.50 |
| 4 | 0.70 | 0.75 |
| 5 | 0.80 | 0.75 |
| 6 | 1.00 | 1.00 |
| 8 | 1.25 | 1.25 |
| 10 | 1.50 | 1.50 |
| 12 | 1.75 | 1.75 |
| 16 | 2.00 | 2.00 |
| 20 | 2.50 | 2.50 |
| 24 | 3.00 | 3.00 |
| 30 | 3.50 | 3.50 |

・追加工詳細は下記よりご確認ください。
※追加工部にも表面処理されます。
※複数の追加工を選択する場合、加工部の位置関係は2mm以上の間隔が必要です。
※追加工による硬度低下の可能性があります。硬度・表面処理については こちらをご参照ください。
■ストレートタイプ、片端めねじタイプ、両端めねじタイプ、片端段付めねじ、片端段付両端めねじ
| 追加工コード | 追加工内容 | 固定寸法 | 適用条件 | 指定例 | ¥/1Code | ||||||||||||||||||||||||||||||||||||||||||||||||
|---|---|---|---|---|---|---|---|---|---|---|---|---|---|---|---|---|---|---|---|---|---|---|---|---|---|---|---|---|---|---|---|---|---|---|---|---|---|---|---|---|---|---|---|---|---|---|---|---|---|---|---|---|---|
| LKC | L寸法・公差を 精密に変更
| ・L<200→L±0.03 ・200≦L<500→L±0.05 ・L≧500→L±0.1 | [ ! ]L寸単位0.1mm指定可 [ NG ]片端おねじ・軸径同寸タイプは適用不可 | PSFCW20-525.5-M8-N8-LKC | 500 | ||||||||||||||||||||||||||||||||||||||||||||||||
| SC | スパナ溝1箇所追加
|
| [ ! ]SC=指定1mm単位 [ ! ]SC+ℓ1≦L [ ! ]SC≧0 | PSFCW20-525-M8-N8-SC5 | 400 | ||||||||||||||||||||||||||||||||||||||||||||||||
| FC | 平面取り1箇所追加
|
| [ ! ]FC,E=指定1mm単位 [ ! ]FC≦D×3 [ ! ]1.5×D<FCの場合、FC≦L/2 [ ! ]E=0またはE≧2 | PSFCW20-525-M8-N8-FC10-E8 | 200 | ||||||||||||||||||||||||||||||||||||||||||||||||
| MSC NSC | めねじを細目ねじに変更
|
| [ ! ]D=12以上適用 [ NG ]MD・NDとの併用不可 | PSFCW20-525-MSC14-NSC14 | MSC:300 NSC:300 | ||||||||||||||||||||||||||||||||||||||||||||||||
■片端おねじタイプ、両端おねじタイプ、片端おねじ・軸径同寸タイプ、両端おねじ・軸径同寸タイプ、片端テーパ・片端めねじ、片端テーパ・片端おねじ
| 追加工コード | 追加工内容 | 固定寸法 | 適用条件 | 指定例 | ¥/1Code | ||||||||||||||||||||||||||||||||||||||||||||||||||||||||||||||||||||||||||||||||||||||||||||||||||||||||||||||||||||||||||||||||||||||||||||||||||||||||||||||||||||||||||||||||||||||||||||||||||||||||||||
|---|---|---|---|---|---|---|---|---|---|---|---|---|---|---|---|---|---|---|---|---|---|---|---|---|---|---|---|---|---|---|---|---|---|---|---|---|---|---|---|---|---|---|---|---|---|---|---|---|---|---|---|---|---|---|---|---|---|---|---|---|---|---|---|---|---|---|---|---|---|---|---|---|---|---|---|---|---|---|---|---|---|---|---|---|---|---|---|---|---|---|---|---|---|---|---|---|---|---|---|---|---|---|---|---|---|---|---|---|---|---|---|---|---|---|---|---|---|---|---|---|---|---|---|---|---|---|---|---|---|---|---|---|---|---|---|---|---|---|---|---|---|---|---|---|---|---|---|---|---|---|---|---|---|---|---|---|---|---|---|---|---|---|---|---|---|---|---|---|---|---|---|---|---|---|---|---|---|---|---|---|---|---|---|---|---|---|---|---|---|---|---|---|---|---|---|---|---|---|---|---|---|---|---|---|---|---|---|---|---|
| LKC | L寸法・公差を 精密に変更
| ・L<200→L±0.03 ・200≦L<500→L±0.05 ・L≧500→L±0.1 | [ ! ]L寸単位0.1mm指定可 [ NG ]片端おねじタイプにてD-P≦2の場合は適用不可 [ NG ]軸径同寸タイプは適用不可 | PSFCN30-250.5-F40-B30-P10-LKC | 500 | ||||||||||||||||||||||||||||||||||||||||||||||||||||||||||||||||||||||||||||||||||||||||||||||||||||||||||||||||||||||||||||||||||||||||||||||||||||||||||||||||||||||||||||||||||||||||||||||||||||||||||||
| SC | スパナ溝1箇所追加
|
| [ ! ]SC=指定1mm単位 [ ! ]SC+ℓ1≦L [ ! ]SC≧0 | PSFCN30-250-F40-B30-P10-SC5 | 400 | ||||||||||||||||||||||||||||||||||||||||||||||||||||||||||||||||||||||||||||||||||||||||||||||||||||||||||||||||||||||||||||||||||||||||||||||||||||||||||||||||||||||||||||||||||||||||||||||||||||||||||||
| FC | 平面取り1箇所追加
|
| [ ! ]FC,E=指定1mm単位 [ ! ]FC≦D×3、 [ ! ]1.5×D<FCの場合、FC≦L/2 [ ! ]E=0またはE≧2 [ NG ]テーパタイプは適用不可 | PSFCN30-250-F40-B30-P10-FC10-E8 | 200 | ||||||||||||||||||||||||||||||||||||||||||||||||||||||||||||||||||||||||||||||||||||||||||||||||||||||||||||||||||||||||||||||||||||||||||||||||||||||||||||||||||||||||||||||||||||||||||||||||||||||||||||
| MSC | めねじを細目ねじに変更
|
| [ ! ]片端めねじ・片端段付めねじタイプに適用 [ ! ]片端めねじタイプはD寸法、片端段付めねじタイプはP寸法を基準に指定してください。 | PSFCT20-350-MSC12 | 300 | ||||||||||||||||||||||||||||||||||||||||||||||||||||||||||||||||||||||||||||||||||||||||||||||||||||||||||||||||||||||||||||||||||||||||||||||||||||||||||||||||||||||||||||||||||||||||||||||||||||||||||||
| PC QC | 逃げ溝追加
|
| [ ! ]逃げ溝幅=F(T)-B(S) [ ! ]片端・両端(PSFCN、PSFCM)おねじタイプのみ適用 [ NG ]M3~M5は適用不可 | SFAM30-300-F40-B30-P20-T50-S40-Q16-PC-QC | 無料 | ||||||||||||||||||||||||||||||||||||||||||||||||||||||||||||||||||||||||||||||||||||||||||||||||||||||||||||||||||||||||||||||||||||||||||||||||||||||||||||||||||||||||||||||||||||||||||||||||||||||||||||
| PMC PMS QMC QMS | おねじを細目ねじに変更
|
| [ ! ]片端おねじタイプのみ適用 【ベアリングナット 細目追加工】 左端を「PMC」、右端を「QMC」と指定 【シリンダ 細目追加工】 左端を「PMS」、右端を「QMS」と指定 | PSFCN20-300-F30-B20-PMC15 | 300 | ||||||||||||||||||||||||||||||||||||||||||||||||||||||||||||||||||||||||||||||||||||||||||||||||||||||||||||||||||||||||||||||||||||||||||||||||||||||||||||||||||||||||||||||||||||||||||||||||||||||||||||

■真直度測定方法

| D | 真円度 M | |
|---|---|---|
| を超え | 以下 | |
| 7 | 13 | 0.004 |
| 13 | 20 | 0.005 |
| 20 | 40 | 0.006 |
| 40 | 50 | 0.007 |
| D | L | 真直度 K | |
|---|---|---|---|
| 8~50 | L≦100 | 0.01以下 | |
| L>100 | (L/100)×0.01以下 | ||
| L | L寸法 公差 | |
|---|---|---|
| を超え | 以下 | |
| 24 | 30 | ±0.2 |
| 30 | 120 | ±0.3 |
| 120 | 400 | ±0.5 |
| 400 | 1000 | ±0.8 |
■同軸度・直角度



■加工部の硬度低下について
・母材焼入れ後に加工をいたしますが、加工のための焼きなましにより硬度低下の可能性があります。
※低下後硬度:10~40HRC程度
■硬度低下範囲
・加工部から10mm程度
(例)

■焼なましによる硬度低下加工部
・おねじ ・段付 ・テーパ ・スパナ溝 ・キー溝 ・平面取り
■めねじの硬度低下条件
めねじは材質や選定条件により硬度低下の条件が異なります。
■焼き入れの有効硬化層深さ
有効硬化層深さは外形寸法や材質の違いにより異なります。
| 外径 D | 有効硬化層深さ | |
|---|---|---|
| SUJ2相当 | ||
| 8・10 | 0.5以上 | |
| 12 | 0.7以上 | |
| 15・20 | ||
| 25~50 | 1.0以上 | |
■硬質クロムメッキ及び加工部のメッキ層について
例)メッキ残り部:段付き おねじシャフト 平面取り追加
///部:メッキ残部

・リニアシャフトと 回転軸用シャフトの仕様比較
■基本仕様
| 仕様 | シャフト | 回転軸 | ||||||||
|---|---|---|---|---|---|---|---|---|---|---|
| 材質 | SUJ2相当 SUS440Cまたは13Cr系ステンレス | S45C相当 SUS304 | S45C相当 SUS304 | SCM435 | ||||||
| 焼き入れ | 高周波焼き入れ | - | - | 硬度30~35HRC | ||||||
| 外径公差 | g6/h5 | f8 | g6/h9/h7 | g6 | ||||||
| 表面処理 | メッキ無 硬質クロムメッキ 低温黒色クロムメッキ 無電解ニッケルメッキ(全長表面処理タイプ) | 硬質クロムメッキ | メッキ無 四三酸化鉄皮膜 無電解ニッケルメッキ | 四三酸化鉄皮膜 無電解ニッケルメッキ | ||||||
※硬質クロムメッキは加工部にメッキ層が残りません。詳しくは こちらをご確認ください
■追加工
| 追加工名称 | シャフト | 回転軸 | |||||
|---|---|---|---|---|---|---|---|
| L寸公差変更 | L<200⇒L±0.03 200≦L<500⇒L±0.05 L≧500⇒L±0.1 | L<500⇒L±0.05 L≧500⇒L±0.1 L≧800は適用不可 | |||||
| スパナ溝追加工 | 2箇所まで指定可能 | 1箇所まで指定可能 | |||||
| 平面取り | 2箇所まで指定可能 | 3箇所まで指定可能 | |||||
| 2面取り追加工 | 2箇所まで指定可能 角度指定:固定 | 1箇所まで指定可能 角度指定:15度単位で指定可能 | |||||
| V溝追加工 | 2箇所まで指定可能 | - | |||||
| キー溝 | 2箇所まで指定可能 段部への加工:不可 | 4箇所まで指定可能 段部への加工:可 | |||||
| おねじ細目ねじ変更 | 2種類 | 1種類 | |||||
| めねじ細目ねじ変更 | 1種類 | - | |||||
| 逃げ溝追加 | M6~M30 | M3~M30 | |||||
| めねじ深さ変更 | 可能 | 可能 | |||||
| 止め輪溝 | 2箇所指定可能 (追加工ではなく止め輪付タイプとなります) | D部2箇所、段部それぞれ1箇所 併用可 | |||||
| スリットカム用溝 | - | 1箇所まで指定可能 | |||||
| 同軸度変更 | - | 可能 | |||||
| おねじ左ねじ変更 | - | 可能 | |||||
| すり割り溝追加 | - | 1箇所まで指定可能 | |||||
| C面取り幅変更 | - | 可能 | |||||
■よくある質問
//jp.misumi-ec.com/maker/misumi/mech/linear_shaft/tech_support/#anc06
洗浄工程| ※材質がステンレスの場合、アルカリ系温水洗浄となることがあります。 | |
| ・脱脂洗浄(型式:SL-□□) | ※表面処理が低温黒色クロムメッキの場合、IPA洗浄となります。 |
作業環境:一般環境 | ||||||
|---|---|---|---|---|---|---|
![]() 炭化水素系洗浄※ Ro水洗浄 中性洗剤洗浄 | ![]() | ![]() 高圧ジェット水洗(Ro水) 後に純水(10MΩ・cm)で 洗浄 | ![]() | ![]() エアブロー(オイルフリー) 使用 | ![]() | ![]() 防錆袋使用 |
| ・精密洗浄(型式:SH-□□) | ※表面処理が低温黒色クロムメッキの場合、IPA洗浄となります。 |
作業環境:クラス1000 | 作業環境:クラス10 | |||||||
|---|---|---|---|---|---|---|---|---|
![]() 炭化水素系洗浄※ Ro水洗浄 中性洗剤洗浄 | ![]() | ![]() 高圧ジェット水洗(Ro水) 後に純水(10MΩ・cm)で 洗浄 | ![]() | ![]() 温純水(13MΩ・cm)使用 | ![]() | ![]() 窒素ブロー使用 | ![]() | ![]() クリーンベンチ(クラス10) で実施 |
作業環境:クラス1000 | 作業環境:クラス10 | |||||||||
|---|---|---|---|---|---|---|---|---|---|---|
![]() 炭化水素系洗浄 Ro水洗浄 中性洗剤洗浄 | ![]() | ![]() 材質に応じた電解研磨槽 で電解研磨 | ![]() | ![]() 高圧ジェット水洗(Ro水) 後に純水(10MΩ・cm)で 洗浄 | ![]() | ![]() 温純水(13MΩ・cm)使用 | ![]() | ![]() 窒素ブロー使用 | ![]() | ![]() クリーンベンチ(クラス10) で実施 |
梱包例| 脱脂洗浄の場合 (TYPE型番:SL-□□) | 精密洗浄または電解研磨+精密洗浄の場合 | |
| (TYPE型番:SH-□□・SHD-□□) | ||
| オーステナイト系ステンレス・アルミ材質の場合 | 鉄・マルテンサイト系ステンレス材質の場合 | |
![]() | ![]() | ![]() |
| 一部商品・サイズによっては、 梱包形態が異なる場合がございます。 | [ ! ]1重目・2重目の梱包とも、脱気されております。 | [ ! ]防錆対策として乾燥剤を同封しております。 1梱包につき1つになります。 |
洗浄効果・利用推奨環境| 洗浄方法 | 商品型番 | 梱包形態 | 未洗浄品と比べた効果 | ご利用環境(目安) | 利用シーン・工程 |
|---|---|---|---|---|---|
| 脱脂洗浄 | SL-□□ | 防錆梱包 | 油分除去 | 一般環境 | 通常組立工程 |
| バッテリー組立後工程 | |||||
| 精密洗浄 | SH-□□ | 脱気2重梱包 | 油分除去 粉塵除去 | クリーン環境(クラス10~1,000) | バッテリー組立工程 |
| 液晶関連組立後工程 | |||||
| 車載カメラ組立工程 | |||||
| 電解研磨+精密洗浄 | SHD-□□ | 脱気2重梱包 | 油分除去 粉塵除去 アウトガス低減 | 真空環境 クリーン環境(クラス10~1,000) | 半導体前工程 |
| 液晶成膜工程 | |||||
| 有機EL前工程 |
| 型番 |
|---|
通常単価(税別)
(税込単価) | 通常出荷日 |
洗浄不要の場合の代替品
|
|---|
- ( - ) | 8日目 |
|
- ( - ) | 8日目 |
|
- ( - ) | 8日目 |
|
- ( - ) | 8日目 |
|
- ( - ) | 8日目 |
|
- ( - ) | 8日目 |
|
- ( - ) | 8日目 |
|
- ( - ) | 8日目 |
|
- ( - ) | 8日目 |
|
- ( - ) | 8日目 |
|
- ( - ) | 8日目 |
|
- ( - ) | 8日目 |
|
- ( - ) | 8日目 |
|
- ( - ) | 8日目 |
|
- ( - ) | 8日目 |
|
- ( - ) | 8日目 |
|
- ( - ) | 8日目 |
|
- ( - ) | 8日目 |
|
- ( - ) | 8日目 |
|
- ( - ) | 8日目 |
|
- ( - ) | 8日目 |
|
- ( - ) | 8日目 |
|
- ( - ) | 8日目 |
|
- ( - ) | 8日目 |
|
- ( - ) | 8日目 |
|
- ( - ) | 8日目 |
|
- ( - ) | 8日目 |
|
- ( - ) | 8日目 |
|
- ( - ) | 8日目 |
|
- ( - ) | 8日目 |
|
- ( - ) | 8日目 |
|
- ( - ) | 8日目 |
|
- ( - ) | 8日目 |
|
- ( - ) | 8日目 |
|
- ( - ) | 8日目 |
|
- ( - ) | 8日目 |
|
- ( - ) | 8日目 |
|
- ( - ) | 8日目 |
|
- ( - ) | 8日目 |
|
- ( - ) | 8日目 |
|
- ( - ) | 8日目 |
|
- ( - ) | 8日目 |
|
- ( - ) | 8日目 |
|
- ( - ) | 8日目 |
|
- ( - ) | 8日目 |
|
- ( - ) | 8日目 |
|
- ( - ) | 8日目 |
|
- ( - ) | 8日目 |
|
- ( - ) | 8日目 |
|
- ( - ) | 8日目 |
|
- ( - ) | 8日目 |
|
- ( - ) | 8日目 |
|
- ( - ) | 8日目 |
|
- ( - ) | 8日目 |
|
- ( - ) | 8日目 |
|
- ( - ) | 8日目 |
|
- ( - ) | 8日目 |
|
- ( - ) | 8日目 |
|
- ( - ) | 8日目 |
|
- ( - ) | 8日目 |
| ・脱脂洗浄(防錆1重梱包) | :型番SL-□□ |
| ・精密洗浄(脱気2重梱包) | :型番SH-□□ |
| ・電解研磨+精密洗浄(脱気2重梱包) | :型番SHD-□□ |
| 商品型番 | 洗浄方法 | 梱包形態 | 未洗浄品と比べた効果 | ご利用環境(目安) | 工程別 |
| SL-□□ | 脱脂洗浄 | 防錆梱包 | 油分除去 | 一般環境 | 通常組立工程 |
| バッテリー組立後工程 | |||||
| SH-□□ | 精密洗浄 | 脱気2重梱包 | 油分除去 粉塵除去 | クリーン環境(クラス10~1,000) | バッテリー組立工程 |
| 液晶関連組立後工程 | |||||
| 車載カメラ組立工程 | |||||
| SHD-□□ | 電解研磨+精密洗浄 | 脱気2重梱包 | 油分除去 粉塵除去 アウトガス低減 | 真空環境 クリーン環境(クラス10~1,000) | 半導体前工程 |
| 液晶成膜工程 | |||||
| 有機EL前工程 |
| D | ¥基準単価 | |||||||||||||||||
| SL-PSFCJ | SH-PSFCJ | |||||||||||||||||
| 最短L | L51 | L101 | L151 | L201 | L301 | L401 | L501 | L601 | 最短L | L51 | L101 | L151 | L201 | L301 | L401 | L501 | L601 | |
| 〜 | 〜 | 〜 | 〜 | 〜 | 〜 | 〜 | 〜 | 〜 | 〜 | 〜 | 〜 | 〜 | 〜 | 〜 | 〜 | 〜 | 〜 | |
| 50 | 100 | 150 | 200 | 300 | 400 | 500 | 600 | 800 | 50 | 100 | 150 | 200 | 300 | 400 | 500 | 600 | 800 | |
| 8 | 1,590 | 1,750 | 1,920 | 2,080 | 2,820 | 4,350 | 4,590 | 4,860 | 5,220 | 2,190 | 2,350 | 2,520 | 2,680 | 3,620 | 5,350 | 5,590 | 5,860 | 6,220 |
| 10 | 1,650 | 1,830 | 2,000 | 2,160 | 2,910 | 4,460 | 4,710 | 4,940 | 5,350 | 2,250 | 2,430 | 2,600 | 2,760 | 3,710 | 5,460 | 5,710 | 5,940 | 6,350 |
| 12 | 1,720 | 1,900 | 2,100 | 2,280 | 3,040 | 4,630 | 4,860 | 5,120 | 5,550 | 2,320 | 2,500 | 2,700 | 2,880 | 3,840 | 5,630 | 5,860 | 6,120 | 6,550 |
| 15 | 1,830 | 2,000 | 2,190 | 2,380 | 3,160 | 4,720 | 5,010 | 5,290 | 5,710 | 2,430 | 2,600 | 2,790 | 2,980 | 3,960 | 5,720 | 6,010 | 6,290 | 6,710 |
| 20 | 1,940 | 2,220 | 2,470 | 2,690 | 3,560 | 5,260 | 5,610 | 6,030 | 6,950 | 2,540 | 2,820 | 3,070 | 3,290 | 4,360 | 6,260 | 6,610 | 7,030 | 7,950 |
| 25 | 2,220 | 2,530 | 2,850 | 3,160 | 4,190 | 6,020 | 6,670 | 7,670 | 8,670 | 2,820 | 3,130 | 3,450 | 3,760 | 4,990 | 7,020 | 7,670 | 8,670 | 9,670 |
| 30 | 2,430 | 2,780 | 3,130 | 3,450 | 4,610 | 6,540 | 7,310 | 8,110 | 9,660 | 3,030 | 3,380 | 3,730 | 4,050 | 5,410 | 7,540 | 8,310 | 9,110 | 10,660 |
| 35 | 2,640 | 3,060 | 3,490 | 3,860 | 5,170 | 6,450 | 7,900 | 9,180 | 10,890 | 3,240 | 3,660 | 4,090 | 4,460 | 5,970 | 7,450 | 8,900 | 10,180 | 11,890 |
| 40 | 2,840 | 3,340 | 3,850 | 4,300 | 5,820 | 6,490 | 8,640 | 10,490 | 12,560 | 3,440 | 3,940 | 4,450 | 4,900 | 6,620 | 7,490 | 9,640 | 11,490 | 13,560 |
| 50 | - | 3,920 | 4,620 | 5,190 | 7,180 | 9,630 | 11,760 | 13,390 | 16,480 | - | 4,520 | 5,220 | 5,790 | 7,980 | 10,630 | 12,760 | 14,390 | 17,480 |
| D | ¥基準単価 | |||||||||||||||||
| SL-PSFCW | SH-PSFCW | |||||||||||||||||
| 最短L | L51 | L101 | L151 | L201 | L301 | L401 | L501 | L601 | 最短L | L51 | L101 | L151 | L201 | L301 | L401 | L501 | L601 | |
| 〜 | 〜 | 〜 | 〜 | 〜 | 〜 | 〜 | 〜 | 〜 | 〜 | 〜 | 〜 | 〜 | 〜 | 〜 | 〜 | 〜 | 〜 | |
| 50 | 100 | 150 | 200 | 300 | 400 | 500 | 600 | 800 | 50 | 100 | 150 | 200 | 300 | 400 | 500 | 600 | 800 | |
| 8 | 1,730 | 1,930 | 2,070 | 2,260 | 3,020 | 4,690 | 4,910 | 5,160 | 5,750 | 2,330 | 2,530 | 2,670 | 2,860 | 3,820 | 5,690 | 5,910 | 6,160 | 6,750 |
| 10 | 1,850 | 1,990 | 2,170 | 2,340 | 3,070 | 4,740 | 5,000 | 5,270 | 5,880 | 2,450 | 2,590 | 2,770 | 2,940 | 3,870 | 5,740 | 6,000 | 6,270 | 6,880 |
| 12 | 1,930 | 2,080 | 2,300 | 2,460 | 3,240 | 4,870 | 5,180 | 5,470 | 6,150 | 2,530 | 2,680 | 2,900 | 3,060 | 4,040 | 5,870 | 6,180 | 6,470 | 7,150 |
| 15 | 1,990 | 2,190 | 2,350 | 2,560 | 3,350 | 5,050 | 5,320 | 5,610 | 6,310 | 2,590 | 2,790 | 2,950 | 3,160 | 4,150 | 6,050 | 6,320 | 6,610 | 7,310 |
| 20 | 2,180 | 2,490 | 2,710 | 2,980 | 3,840 | 5,670 | 6,100 | 6,530 | 7,840 | 2,780 | 3,090 | 3,310 | 3,580 | 4,640 | 6,670 | 7,100 | 7,530 | 8,840 |
| 25 | 2,530 | 2,840 | 3,160 | 3,430 | 4,460 | 6,500 | 7,250 | 7,630 | 9,830 | 3,130 | 3,440 | 3,760 | 4,030 | 5,260 | 7,500 | 8,250 | 8,630 | 10,830 |
| 30 | 2,700 | 3,060 | 3,420 | 3,790 | 4,900 | 7,070 | 7,940 | 8,780 | 11,030 | 3,300 | 3,660 | 4,020 | 4,390 | 5,700 | 8,070 | 8,940 | 9,780 | 12,030 |
| 35 | 2,930 | 3,380 | 3,800 | 4,130 | 5,440 | 8,700 | 9,270 | 9,950 | 12,380 | 3,530 | 3,980 | 4,400 | 4,730 | 6,240 | 9,700 | 10,270 | 10,950 | 13,380 |
| 40 | 3,150 | 3,660 | 4,160 | 4,550 | 6,090 | 10,490 | 10,790 | 11,320 | 14,290 | 3,750 | 4,260 | 4,760 | 5,150 | 6,890 | 11,490 | 11,790 | 12,320 | 15,290 |
| 50 | - | 4,210 | 4,890 | 5,490 | 7,420 | 10,440 | 12,750 | 14,490 | 18,430 | - | 4,810 | 5,490 | 6,090 | 8,220 | 11,440 | 13,750 | 15,490 | 19,430 |
| D | ¥基準単価 | |||||||||||||||||
| SL-PSFCT | SH-PSFCT | |||||||||||||||||
| 最短L | L51 | L101 | L151 | L201 | L301 | L401 | L501 | L601 | 最短L | L51 | L101 | L151 | L201 | L301 | L401 | L501 | L601 | |
| 〜 | 〜 | 〜 | 〜 | 〜 | 〜 | 〜 | 〜 | 〜 | 〜 | 〜 | 〜 | 〜 | 〜 | 〜 | 〜 | 〜 | 〜 | |
| 50 | 100 | 150 | 200 | 300 | 400 | 500 | 600 | 800 | 50 | 100 | 150 | 200 | 300 | 400 | 500 | 600 | 800 | |
| 8 | 1,660 | 1,840 | 2,000 | 2,170 | 2,910 | 4,520 | 4,750 | 5,010 | 5,490 | 2,260 | 2,440 | 2,600 | 2,770 | 3,710 | 5,520 | 5,750 | 6,010 | 6,490 |
| 10 | 1,750 | 1,900 | 2,080 | 2,250 | 3,000 | 4,590 | 4,850 | 5,100 | 5,610 | 2,350 | 2,500 | 2,680 | 2,850 | 3,800 | 5,590 | 5,850 | 6,100 | 6,610 |
| 12 | 1,830 | 2,000 | 2,190 | 2,360 | 3,140 | 4,750 | 5,020 | 5,290 | 5,860 | 2,430 | 2,600 | 2,790 | 2,960 | 3,940 | 5,750 | 6,020 | 6,290 | 6,860 |
| 15 | 1,900 | 2,100 | 2,280 | 2,480 | 3,250 | 4,880 | 5,170 | 5,450 | 6,020 | 2,500 | 2,700 | 2,880 | 3,080 | 4,050 | 5,880 | 6,170 | 6,450 | 7,020 |
| 20 | 2,060 | 2,350 | 2,580 | 2,830 | 3,700 | 5,460 | 5,860 | 6,280 | 7,390 | 2,660 | 2,950 | 3,180 | 3,430 | 4,500 | 6,460 | 6,860 | 7,280 | 8,390 |
| 25 | 2,380 | 2,680 | 3,000 | 3,300 | 4,330 | 6,260 | 6,960 | 7,650 | 9,260 | 2,980 | 3,280 | 3,600 | 3,900 | 5,130 | 7,260 | 7,960 | 8,650 | 10,260 |
| 30 | 2,570 | 2,920 | 3,270 | 3,620 | 4,750 | 6,810 | 7,630 | 8,440 | 10,340 | 3,170 | 3,520 | 3,870 | 4,220 | 5,550 | 7,810 | 8,630 | 9,440 | 11,340 |
| 35 | 2,780 | 3,210 | 3,650 | 3,990 | 5,310 | 7,570 | 8,580 | 9,570 | 11,630 | 3,380 | 3,810 | 4,250 | 4,590 | 6,110 | 8,570 | 9,580 | 10,570 | 12,630 |
| 40 | 2,990 | 3,490 | 4,000 | 4,420 | 5,950 | 8,490 | 9,710 | 10,900 | 13,440 | 3,590 | 4,090 | 4,600 | 5,020 | 6,750 | 9,490 | 10,710 | 11,900 | 14,440 |
| 50 | - | 4,070 | 4,760 | 5,340 | 7,300 | 10,040 | 12,250 | 13,950 | 17,460 | - | 4,670 | 5,360 | 5,940 | 8,100 | 11,040 | 13,250 | 14,950 | 18,460 |
| D | ¥基準単価 | |||||||||||||||||
| SL-PSFCA | SH-PSFCA | |||||||||||||||||
| 最短L | L51 | L101 | L151 | L201 | L301 | L401 | L501 | L601 | 最短L | L51 | L101 | L151 | L201 | L301 | L401 | L501 | L601 | |
| 〜 | 〜 | 〜 | 〜 | 〜 | 〜 | 〜 | 〜 | 〜 | 〜 | 〜 | 〜 | 〜 | 〜 | 〜 | 〜 | 〜 | 〜 | |
| 50 | 100 | 150 | 200 | 300 | 400 | 500 | 600 | 798 | 50 | 100 | 150 | 200 | 300 | 400 | 500 | 600 | 798 | |
| 8 | 1,900 | 2,100 | 2,260 | 2,460 | 3,210 | 4,880 | 5,160 | 5,390 | 6,040 | 2,500 | 2,700 | 2,860 | 3,060 | 4,010 | 5,880 | 6,160 | 6,390 | 7,040 |
| 10 | 2,010 | 2,170 | 2,360 | 2,530 | 3,280 | 4,980 | 5,240 | 5,520 | 6,150 | 2,610 | 2,770 | 2,960 | 3,130 | 4,080 | 5,980 | 6,240 | 6,520 | 7,150 |
| 12 | 2,080 | 2,260 | 2,480 | 2,660 | 3,440 | 5,120 | 5,430 | 5,740 | 6,440 | 2,680 | 2,860 | 3,080 | 3,260 | 4,240 | 6,120 | 6,430 | 6,740 | 7,440 |
| 15 | 2,150 | 2,370 | 2,550 | 2,760 | 3,560 | 5,280 | 5,580 | 5,890 | 6,610 | 2,750 | 2,970 | 3,150 | 3,360 | 4,360 | 6,280 | 6,580 | 6,890 | 7,610 |
| 20 | 2,360 | 2,680 | 2,920 | 3,190 | 4,080 | 5,930 | 6,390 | 6,830 | 8,200 | 2,960 | 3,280 | 3,520 | 3,790 | 4,880 | 6,930 | 7,390 | 7,830 | 9,200 |
| 25 | 2,730 | 3,070 | 3,410 | 3,700 | 4,740 | 6,840 | 7,610 | 7,990 | 10,310 | 3,330 | 3,670 | 4,010 | 4,300 | 5,540 | 7,840 | 8,610 | 8,990 | 11,310 |
| 30 | 2,930 | 3,310 | 3,670 | 4,060 | 5,190 | 7,410 | 8,350 | 9,190 | 11,560 | 3,530 | 3,910 | 4,270 | 4,660 | 5,990 | 8,410 | 9,350 | 10,190 | 12,560 |
| 35 | 3,160 | 3,630 | 4,070 | 4,410 | 5,790 | 9,090 | 9,690 | 10,420 | 12,970 | 3,760 | 4,230 | 4,670 | 5,010 | 6,590 | 10,090 | 10,690 | 11,420 | 13,970 |
| 40 | 3,390 | 3,930 | 4,440 | 4,860 | 6,470 | 10,910 | 11,280 | 11,880 | 14,970 | 3,990 | 4,530 | 5,040 | 5,460 | 7,270 | 11,910 | 12,280 | 12,880 | 15,970 |
| 50 | - | 4,480 | 5,200 | 5,840 | 7,840 | 10,920 | 13,340 | 15,170 | 19,310 | - | 5,080 | 5,800 | 6,440 | 8,640 | 11,920 | 14,340 | 16,170 | 20,310 |
| D | ¥基準単価 | |||||||||||||||||
| SL-PSFCG | SH-PSFCG | |||||||||||||||||
| 最短L | L51 | L101 | L151 | L201 | L301 | L401 | L501 | L601 | 最短L | L51 | L101 | L151 | L201 | L301 | L401 | L501 | L601 | |
| 〜 | 〜 | 〜 | 〜 | 〜 | 〜 | 〜 | 〜 | 〜 | 〜 | 〜 | 〜 | 〜 | 〜 | 〜 | 〜 | 〜 | 〜 | |
| 50 | 100 | 150 | 200 | 300 | 400 | 500 | 600 | 798 | 50 | 100 | 150 | 200 | 300 | 400 | 500 | 600 | 798 | |
| 8 | 1,830 | 2,010 | 2,180 | 2,360 | 3,100 | 4,720 | 5,000 | 5,240 | 5,760 | 2,430 | 2,610 | 2,780 | 2,960 | 3,900 | 5,720 | 6,000 | 6,240 | 6,760 |
| 10 | 1,900 | 2,100 | 2,280 | 2,450 | 3,210 | 4,830 | 5,090 | 5,360 | 5,890 | 2,500 | 2,700 | 2,880 | 3,050 | 4,010 | 5,830 | 6,090 | 6,360 | 6,890 |
| 12 | 1,990 | 2,170 | 2,370 | 2,560 | 3,340 | 5,000 | 5,270 | 5,570 | 6,140 | 2,590 | 2,770 | 2,970 | 3,160 | 4,140 | 6,000 | 6,270 | 6,570 | 7,140 |
| 15 | 2,070 | 2,280 | 2,480 | 2,680 | 3,460 | 5,120 | 5,420 | 5,730 | 6,310 | 2,670 | 2,880 | 3,080 | 3,280 | 4,260 | 6,120 | 6,420 | 6,730 | 7,310 |
| 20 | 2,240 | 2,540 | 2,790 | 3,040 | 3,940 | 5,730 | 6,140 | 6,580 | 7,750 | 2,840 | 3,140 | 3,390 | 3,640 | 4,740 | 6,730 | 7,140 | 7,580 | 8,750 |
| 25 | 2,580 | 2,920 | 3,250 | 3,570 | 4,610 | 6,600 | 7,310 | 8,030 | 9,720 | 3,180 | 3,520 | 3,850 | 4,170 | 5,410 | 7,600 | 8,310 | 9,030 | 10,720 |
| 30 | 2,800 | 3,180 | 3,520 | 3,880 | 5,050 | 7,150 | 8,030 | 8,870 | 10,870 | 3,400 | 3,780 | 4,120 | 4,480 | 5,850 | 8,150 | 9,030 | 9,870 | 11,870 |
| 35 | 3,010 | 3,470 | 3,920 | 4,280 | 5,650 | 7,950 | 9,010 | 10,050 | 12,230 | 3,610 | 4,070 | 4,520 | 4,880 | 6,450 | 8,950 | 10,010 | 11,050 | 13,230 |
| 40 | 3,220 | 3,760 | 4,290 | 4,730 | 6,340 | 8,920 | 10,190 | 11,470 | 14,100 | 3,820 | 4,360 | 4,890 | 5,330 | 7,140 | 9,920 | 11,190 | 12,470 | 15,100 |
| 50 | - | 4,350 | 5,080 | 5,690 | 7,720 | 10,530 | 12,850 | 14,630 | 18,340 | - | 4,950 | 5,680 | 6,290 | 8,520 | 11,530 | 13,850 | 15,630 | 19,340 |
| D | ¥基準単価 | |||||||||||||||||
| SL-PSFCN | SH-PSFCN | |||||||||||||||||
| 最短L | L51 | L101 | L151 | L201 | L301 | L401 | L501 | L601 | 最短L | L51 | L101 | L151 | L201 | L301 | L401 | L501 | L601 | |
| 〜 | 〜 | 〜 | 〜 | 〜 | 〜 | 〜 | 〜 | 〜 | 〜 | 〜 | 〜 | 〜 | 〜 | 〜 | 〜 | 〜 | 〜 | |
| 50 | 100 | 150 | 200 | 300 | 400 | 500 | 600 | 798 | 50 | 100 | 150 | 200 | 300 | 400 | 500 | 600 | 798 | |
| 8 | 1,800 | 1,970 | 2,140 | 2,310 | 3,040 | 4,640 | 4,900 | 5,140 | 5,630 | 2,400 | 2,570 | 2,740 | 2,910 | 3,840 | 5,640 | 5,900 | 6,140 | 6,630 |
| 10 | 1,870 | 2,050 | 2,220 | 2,380 | 3,140 | 4,740 | 5,000 | 5,240 | 5,750 | 2,470 | 2,650 | 2,820 | 2,980 | 3,940 | 5,740 | 6,000 | 6,240 | 6,750 |
| 12 | 1,950 | 2,130 | 2,320 | 2,500 | 3,260 | 4,900 | 5,170 | 5,440 | 5,990 | 2,550 | 2,730 | 2,920 | 3,100 | 4,060 | 5,900 | 6,170 | 6,440 | 6,990 |
| 15 | 2,030 | 2,220 | 2,410 | 2,600 | 3,380 | 5,020 | 5,310 | 5,600 | 6,150 | 2,630 | 2,820 | 3,010 | 3,200 | 4,180 | 6,020 | 6,310 | 6,600 | 7,150 |
| 20 | 2,190 | 2,480 | 2,720 | 2,950 | 3,840 | 5,600 | 5,990 | 6,410 | 7,530 | 2,790 | 3,080 | 3,320 | 3,550 | 4,640 | 6,600 | 6,990 | 7,410 | 8,530 |
| 25 | 2,510 | 2,840 | 3,150 | 3,450 | 4,470 | 6,420 | 7,100 | 7,790 | 9,410 | 3,110 | 3,440 | 3,750 | 4,050 | 5,270 | 7,420 | 8,100 | 8,790 | 10,410 |
| 30 | 2,720 | 3,080 | 3,410 | 3,760 | 4,890 | 6,960 | 7,790 | 8,590 | 10,490 | 3,320 | 3,680 | 4,010 | 4,360 | 5,690 | 7,960 | 8,790 | 9,590 | 11,490 |
| 35 | 2,930 | 3,360 | 3,790 | 4,130 | 5,460 | 7,710 | 8,720 | 9,710 | 11,790 | 3,530 | 3,960 | 4,390 | 4,730 | 6,260 | 8,710 | 9,720 | 10,710 | 12,790 |
| 40 | 3,130 | 3,650 | 4,140 | 4,560 | 6,110 | 8,640 | 9,850 | 11,060 | 13,570 | 3,730 | 4,250 | 4,740 | 5,160 | 6,910 | 9,640 | 10,850 | 12,060 | 14,570 |
| 50 | 3,520 | 4,190 | 4,890 | 5,470 | 7,430 | 10,170 | 12,380 | 14,070 | 17,610 | 4,120 | 4,790 | 5,490 | 6,070 | 8,230 | 11,170 | 13,380 | 15,070 | 18,610 |
| D | ¥基準単価 | |||||||||||||||||
| SL-PSFCM | SH-PSFCM | |||||||||||||||||
| 最短L | L51 | L101 | L151 | L201 | L301 | L401 | L501 | L601 | 最短L | L51 | L101 | L151 | L201 | L301 | L401 | L501 | L601 | |
| 〜 | 〜 | 〜 | 〜 | 〜 | 〜 | 〜 | 〜 | 〜 | 〜 | 〜 | 〜 | 〜 | 〜 | 〜 | 〜 | 〜 | 〜 | |
| 50 | 100 | 150 | 200 | 300 | 400 | 500 | 600 | 796 | 50 | 100 | 150 | 200 | 300 | 400 | 500 | 600 | 796 | |
| 8 | 2,010 | 2,190 | 2,360 | 2,530 | 3,260 | 4,930 | 5,200 | 5,400 | 6,050 | 2,610 | 2,790 | 2,960 | 3,130 | 4,060 | 5,930 | 6,200 | 6,400 | 7,050 |
| 10 | 2,100 | 2,280 | 2,450 | 2,600 | 3,360 | 5,030 | 5,280 | 5,540 | 6,160 | 2,700 | 2,880 | 3,050 | 3,200 | 4,160 | 6,030 | 6,280 | 6,540 | 7,160 |
| 12 | 2,170 | 2,350 | 2,540 | 2,720 | 3,490 | 5,170 | 5,460 | 5,760 | 6,440 | 2,770 | 2,950 | 3,140 | 3,320 | 4,290 | 6,170 | 6,460 | 6,760 | 7,440 |
| 15 | 2,230 | 2,450 | 2,640 | 2,830 | 3,600 | 5,320 | 5,610 | 5,900 | 6,600 | 2,830 | 3,050 | 3,240 | 3,430 | 4,400 | 6,320 | 6,610 | 6,900 | 7,600 |
| 20 | 2,460 | 2,730 | 2,980 | 3,220 | 4,100 | 5,930 | 6,390 | 6,800 | 8,120 | 3,060 | 3,330 | 3,580 | 3,820 | 4,900 | 6,930 | 7,390 | 7,800 | 9,120 |
| 25 | 2,810 | 3,130 | 3,450 | 3,740 | 4,750 | 6,830 | 7,520 | 7,900 | 10,140 | 3,410 | 3,730 | 4,050 | 4,340 | 5,550 | 7,830 | 8,520 | 8,900 | 11,140 |
| 30 | 3,010 | 3,380 | 3,690 | 4,080 | 5,170 | 7,380 | 8,250 | 9,070 | 11,320 | 3,610 | 3,980 | 4,290 | 4,680 | 5,970 | 8,380 | 9,250 | 10,070 | 12,320 |
| 35 | 3,220 | 3,670 | 4,070 | 4,400 | 5,770 | 8,990 | 9,560 | 10,250 | 12,680 | 3,820 | 4,270 | 4,670 | 5,000 | 6,570 | 9,990 | 10,560 | 11,250 | 13,680 |
| 40 | 3,420 | 3,950 | 4,430 | 4,820 | 6,400 | 10,780 | 11,060 | 11,630 | 14,580 | 4,020 | 4,550 | 5,030 | 5,420 | 7,200 | 11,780 | 12,060 | 12,630 | 15,580 |
| 50 | - | 4,470 | 5,160 | 5,760 | 7,690 | 10,710 | 13,020 | 14,760 | 18,720 | - | 5,070 | 5,760 | 6,360 | 8,490 | 11,710 | 14,020 | 15,760 | 19,720 |
| D | ¥基準単価 | |||||||||||||||||
| SL-PSFCQ | SH-PSFCQ | |||||||||||||||||
| 最短L | L51 | L101 | L151 | L201 | L301 | L401 | L501 | L601 | 最短L | L51 | L101 | L151 | L201 | L301 | L401 | L501 | L601 | |
| 〜 | 〜 | 〜 | 〜 | 〜 | 〜 | 〜 | 〜 | 〜 | 〜 | 〜 | 〜 | 〜 | 〜 | 〜 | 〜 | 〜 | 〜 | |
| 50 | 100 | 150 | 200 | 300 | 400 | 500 | 600 | 793 | 50 | 100 | 150 | 200 | 300 | 400 | 500 | 600 | 793 | |
| 8 | 1,800 | 1,970 | 2,140 | 2,310 | 3,040 | 4,640 | 4,900 | 5,140 | 5,630 | 2,400 | 2,570 | 2,740 | 2,910 | 3,840 | 5,640 | 5,900 | 6,140 | 6,630 |
| 10 | 1,870 | 2,050 | 2,220 | 2,380 | 3,140 | 4,740 | 5,000 | 5,240 | 5,750 | 2,470 | 2,650 | 2,820 | 2,980 | 3,940 | 5,740 | 6,000 | 6,240 | 6,750 |
| 12 | 1,950 | 2,130 | 2,320 | 2,500 | 3,260 | 4,900 | 5,170 | 5,440 | 5,990 | 2,550 | 2,730 | 2,920 | 3,100 | 4,060 | 5,900 | 6,170 | 6,440 | 6,990 |
| 20 | 2,190 | 2,480 | 2,720 | 2,950 | 3,840 | 5,600 | 5,990 | 6,410 | 7,530 | 2,790 | 3,080 | 3,320 | 3,550 | 4,640 | 6,600 | 6,990 | 7,410 | 8,530 |
| 30 | 2,720 | 3,080 | 3,410 | 3,760 | 4,890 | 6,960 | 7,790 | 8,590 | 10,490 | 3,320 | 3,680 | 4,010 | 4,360 | 5,690 | 7,960 | 8,790 | 9,590 | 11,490 |
| D | ¥基準単価 | |||||||||||||||||
| SL-PSFCL | SH-PSFCL | |||||||||||||||||
| 最短L | L51 | L101 | L151 | L201 | L301 | L401 | L501 | L601 | 最短L | L51 | L101 | L151 | L201 | L301 | L401 | L501 | L601 | |
| 〜 | 〜 | 〜 | 〜 | 〜 | 〜 | 〜 | 〜 | 〜 | 〜 | 〜 | 〜 | 〜 | 〜 | 〜 | 〜 | 〜 | 〜 | |
| 50 | 100 | 150 | 200 | 300 | 400 | 500 | 600 | 786 | 50 | 100 | 150 | 200 | 300 | 400 | 500 | 600 | 786 | |
| 8 | 2,010 | 2,190 | 2,360 | 2,530 | 3,260 | 4,930 | 5,200 | 5,400 | 6,050 | 2,610 | 2,790 | 2,960 | 3,130 | 4,060 | 5,930 | 6,200 | 6,400 | 7,050 |
| 10 | 2,100 | 2,280 | 2,450 | 2,600 | 3,360 | 5,030 | 5,280 | 5,540 | 6,160 | 2,700 | 2,880 | 3,050 | 3,200 | 4,160 | 6,030 | 6,280 | 6,540 | 7,160 |
| 12 | 2,170 | 2,350 | 2,540 | 2,720 | 3,490 | 5,170 | 5,460 | 5,760 | 6,440 | 2,770 | 2,950 | 3,140 | 3,320 | 4,290 | 6,170 | 6,460 | 6,760 | 7,440 |
| 20 | 2,460 | 2,730 | 2,980 | 3,220 | 4,100 | 5,930 | 6,390 | 6,800 | 8,120 | 3,060 | 3,330 | 3,580 | 3,820 | 4,900 | 6,930 | 7,390 | 7,800 | 9,120 |
| 30 | 3,010 | 3,380 | 3,690 | 4,080 | 5,170 | 7,380 | 8,250 | 9,070 | 11,320 | 3,610 | 3,980 | 4,290 | 4,680 | 5,970 | 8,380 | 9,250 | 10,070 | 12,320 |
| D | ¥基準単価 | |||||||||||||
| SL-PSFTCA | SH-PSFTCA | |||||||||||||
| 最短L | L51 | L101 | L151 | L201 | L301 | L401 | 最短L | L51 | L101 | L151 | L201 | L301 | L401 | |
| 〜 | 〜 | 〜 | 〜 | 〜 | 〜 | 〜 | 〜 | 〜 | 〜 | 〜 | 〜 | 〜 | 〜 | |
| 50 | 100 | 150 | 200 | 300 | 400 | 500 | 50 | 100 | 150 | 200 | 300 | 400 | 500 | |
| 8 | 2,110 | 2,290 | 2,450 | 2,610 | 3,360 | 4,970 | 5,200 | 2,710 | 2,890 | 3,050 | 3,210 | 4,160 | 5,970 | 6,200 |
| 10 | 2,310 | 2,470 | 2,640 | 2,810 | 3,550 | 5,160 | 5,410 | 2,910 | 3,070 | 3,240 | 3,410 | 4,350 | 6,160 | 6,410 |
| 12 | 2,500 | 2,670 | 2,860 | 3,030 | 3,800 | 5,420 | 5,690 | 3,100 | 3,270 | 3,460 | 3,630 | 4,600 | 6,420 | 6,690 |
| 15 | 2,690 | 2,880 | 3,050 | 3,250 | 4,030 | 5,670 | 5,940 | 3,290 | 3,480 | 3,650 | 3,850 | 4,830 | 6,670 | 6,940 |
| 20 | 2,840 | 3,130 | 3,370 | 3,610 | 4,470 | 6,250 | 6,630 | 3,440 | 3,730 | 3,970 | 4,210 | 5,270 | 7,250 | 7,630 |
| 30 | 3,420 | 3,790 | 4,130 | 4,470 | 5,610 | 7,660 | 8,480 | 4,020 | 4,390 | 4,730 | 5,070 | 6,410 | 8,660 | 9,480 |
| D | ¥基準単価 | |||||||||||||
| SL-PSFTCB | SH-PSFTCB | |||||||||||||
| 最短L | L51 | L101 | L151 | L201 | L301 | L401 | 最短L | L51 | L101 | L151 | L201 | L301 | L401 | |
| 〜 | 〜 | 〜 | 〜 | 〜 | 〜 | 〜 | 〜 | 〜 | 〜 | 〜 | 〜 | 〜 | 〜 | |
| 50 | 100 | 150 | 200 | 300 | 400 | 500 | 50 | 100 | 150 | 200 | 300 | 400 | 500 | |
| 8 | 2,240 | 2,410 | 2,580 | 2,750 | 3,490 | 5,080 | 5,350 | 2,840 | 3,010 | 3,180 | 3,350 | 4,290 | 6,080 | 6,350 |
| 10 | 2,430 | 2,600 | 2,770 | 2,940 | 3,700 | 5,290 | 5,550 | 3,030 | 3,200 | 3,370 | 3,540 | 4,500 | 6,290 | 6,550 |
| 12 | 2,610 | 2,790 | 2,990 | 3,170 | 3,930 | 5,570 | 5,840 | 3,210 | 3,390 | 3,590 | 3,770 | 4,730 | 6,570 | 6,840 |
| 15 | 2,810 | 3,000 | 3,200 | 3,390 | 4,150 | 5,800 | 6,090 | 3,410 | 3,600 | 3,800 | 3,990 | 4,950 | 6,800 | 7,090 |
| 20 | 2,980 | 3,250 | 3,490 | 3,730 | 4,610 | 6,380 | 6,780 | 3,580 | 3,850 | 4,090 | 4,330 | 5,410 | 7,380 | 7,780 |
| 30 | 3,580 | 3,940 | 4,270 | 4,620 | 5,750 | 7,820 | 8,640 | 4,180 | 4,540 | 4,870 | 5,220 | 6,550 | 8,820 | 9,640 |
| 数量区分 | 標準対応 | 個別対応 | |||
| 小口 | 大口 | ||||
| 数 量 | 1〜9 | 10〜12 | 13・14 | 15〜20 | 21~ |
| 値引率 | 基準単価 | 5% | 10% | 15% | お見積り |
通常価格、通常出荷日が表示と異なる場合がございます
通常価格、通常出荷日が表示と異なる場合がございます

ミスミ
シャフト ストレートタイプ
4.7通常価格(税別):200円~

ミスミ
シャフト 両端めねじタイプ
4.7
ミスミ
シャフト 片端めねじタイプ
4.6
ミスミ
シャフト 両端めねじキリ穴付タイプ・スパナ溝付タイプ
4.4
ミスミ
シャフト 片端めねじキリ穴付・スパナ溝付タイプ
4.6
ミスミ
シャフト 片端おねじ・片端めねじ 逃げ溝スパナ溝付き/キリ穴付き
4.6
ミスミ
シャフト 両端おねじタイプ
4.4
ミスミ
シャフト 片端おねじ逃げ溝 キリ穴付きタイプ・スパナ溝付きタイプ
4.5
ミスミ
シャフト 両端段付めねじ/両端段付
4.5