メカニカル部品技術窓口
ミスミ品のみ対象

「脱脂洗浄」「精密洗浄」「電解研磨+精密洗浄」3種類の洗浄方法が選択可能、いずれも標準型番で1個からご...
詳細を確認スパナ溝無し
スパナ溝付き

メッキ無し品は
です。| Type | D公差 | [ M ]材質 | [ H ]硬度 | [ S ]表面処理 | 洗浄方法 | ||||
| スパナ溝無し | スパナ溝付き | 洗浄方法 | 洗浄環境 | 梱包形態 | 梱包環境 | ||||
| SL-VSFBN | SL-VSFBS | g6 | SUS440Cまたは 13Cr系ステンレス | 高周波焼入 有効硬化層深さ>>こちら SUJ2相当 58HRC〜 SUS440Cまたは 13Cr系ステンレス 56HRC〜 | − | 脱脂洗浄 | 一般環境 | 防錆梱包 | 一般環境 |
| SH-VSFBN | SH-VSFBS | 精密洗浄 | クラス1000 | 脱気2重梱包 | クラス10 | ||||
| SL-VPSFBN | SL-VPSFBS | 硬質クロムメッキ メッキ硬度HV750〜 メッキ厚5μ以上 | 脱脂洗浄 | 一般環境 | 防錆梱包 | 一般環境 | |||
| SH-VPSFBN | SH-VPSFBS | 精密洗浄 | クラス1000 | 脱気2重梱包 | クラス10 | ||||
| SL-VRBN | SL-VRBS | SUJ2相当 | 低温黒色クロムメッキ | 脱脂洗浄 | 一般環境 | 防錆梱包 | 一般環境 | ||
| SH-VRBN | SH-VRBS | 精密洗浄 | クラス1000 | 脱気2重梱包 | クラス10 | ||||
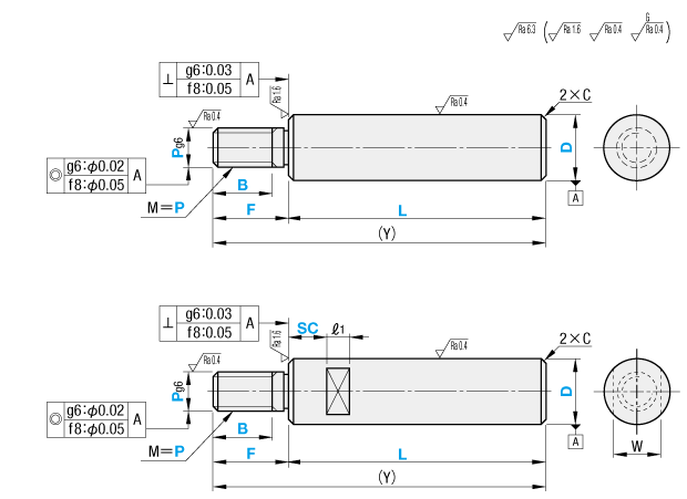
詳細図を記載しておりますので、ご確認ください。| 型式 | − | L | − | F | − | B | − | P | − | SC |
| SL-VSFBS12 | − | 200 | − | F20 | − | B15 | − | P8 | − | SC5 |
| D公差 | |
| D | g6 |
| 5 | −0.004 −0.012 |
| 6 | |
| 8 | −0.005 −0.014 |
| 10 | |
| 12 | −0.006 −0.017 |
| 13 | |
| 15 | |
| 16 | |
| 18 | |
| 20 | −0.007 −0.020 |
| 25 | |
| 30 | |
| 型式 | 指定1mm単位 | P(並目) 選択 | スパナ溝寸法 | (Y) Max. | C | |||||||||||||||
| Type | D | L | F | B | SC | W | ℓ1 | |||||||||||||
| スパナ溝無し (D5~D30) SL-VSFBN SH-VSFBN SL-VPSFBN SH-VPSFBN SL-VRBN SH-VRBN | スパナ溝付き (D6~D30) SL-VSFBS SH-VSFBS SL-VPSFBS SH-VPSFBS SL-VRBS SH-VRBS | 5 | 25〜296 | 2≦F≦P×5 | (P≦6のとき) B≦F−2 (P=8・10のとき) B≦F−3 (P≧12のとき) B≦F−5 [ ! ]B≧Pitch×3 | 3 | − | - | - | 300 | 0.2以下 | |||||||||
| 6 | 25〜296 | 3 | 4 | SC=指定1mm単位 [ ! ]SC+ℓ1≦L [ ! ]SC≧0 | 5 | 8 | 300 | 0.5以下 | ||||||||||||
| 8 | 25〜296 | 3 | 4 | 5 | 6 | 7 | 300 | |||||||||||||
| 10 | 25〜345 | 4 | 5 | 6 | 8 | 8 | 350 | |||||||||||||
| 12 | 25〜345 | 5 | 6 | 8 | 10 | 10 | 10 | 350 | ||||||||||||
| 13 | 25〜345 | 5 | 6 | 8 | 10 | 11 | 350 | |||||||||||||
| 15 | 25〜345 | 5 | 6 | 8 | 10 | 12 | 13 | 350 | ||||||||||||
| 16 | 25〜345 | 5 | 6 | 8 | 10 | 12 | 14 | 350 | ||||||||||||
| 18 | 25〜345 | 5 | 6 | 8 | 10 | 12 | 16 | [ ! ]スパナ溝詳細>>こちら | 16 | 350 | ||||||||||
| 20 | 25〜445 | 6 | 8 | 10 | 12 | 16 | 17 | 450 | 1.0以下 | |||||||||||
| 25 | 25〜445 | 8 | 10 | 12 | 16 | 20 | 22 | 450 | ||||||||||||
| 30 | 25〜445 | 8 | 10 | 12 | 16 | 20 | 24 | 27 | 15 | 450 | ||||||||||
| 並目ねじ逃げ寸法 | |
| M | Pitch |
| 3 | 0.5 |
| 4 | 0.7 |
| 5 | 0.8 |
| 6 | 1.0 |
| 8 | 1.25 |
| 10 | 1.5 |
| 12 | 1.75 |
| 16 | 2.0 |
| 20 | 2.5 |
| 24 | 3.0 |
■おねじ部C面取り詳細
| ねじの 呼びM | ピッチ P | 面取りC (参考値) |
| 3 | 0.50 | 0.50 |
| 4 | 0.70 | 0.75 |
| 5 | 0.80 | 0.75 |
| 6 | 1.00 | 1.00 |
| 8 | 1.25 | 1.25 |
| 10 | 1.50 | 1.50 |
| 12 | 1.75 | 1.75 |
| 16 | 2.00 | 2.00 |
| 20 | 2.50 | 2.50 |
| 24 | 3.00 | 3.00 |
| 30 | 3.50 | 3.50 |

・追加工詳細は下記よりご確認ください。
※複数の追加工を選択する場合、加工部の位置関係は2mm以上の間隔が必要です。
※追加工による硬度低下の可能性があります。硬度・表面処理については こちらをご参照ください。
| 追加工 コード | 画像 | 固定寸法 | 適用条件 | 指定例 | ¥/1Code | ||||||||||||||||||||||||||||||||||||||||||||||||||||||||||||||||||||||||||||||||||||||||||||||||||||||||||||||||||||||||||||||||||||||||||||||||||||||||||||||||||||||||||||||||||||||||||||||||||||||||||||||||||||||||||||||||||||||||||||||
|---|---|---|---|---|---|---|---|---|---|---|---|---|---|---|---|---|---|---|---|---|---|---|---|---|---|---|---|---|---|---|---|---|---|---|---|---|---|---|---|---|---|---|---|---|---|---|---|---|---|---|---|---|---|---|---|---|---|---|---|---|---|---|---|---|---|---|---|---|---|---|---|---|---|---|---|---|---|---|---|---|---|---|---|---|---|---|---|---|---|---|---|---|---|---|---|---|---|---|---|---|---|---|---|---|---|---|---|---|---|---|---|---|---|---|---|---|---|---|---|---|---|---|---|---|---|---|---|---|---|---|---|---|---|---|---|---|---|---|---|---|---|---|---|---|---|---|---|---|---|---|---|---|---|---|---|---|---|---|---|---|---|---|---|---|---|---|---|---|---|---|---|---|---|---|---|---|---|---|---|---|---|---|---|---|---|---|---|---|---|---|---|---|---|---|---|---|---|---|---|---|---|---|---|---|---|---|---|---|---|---|---|---|---|---|---|---|---|---|---|---|---|---|---|---|---|---|---|---|---|---|---|---|---|---|---|---|---|---|---|---|---|---|---|
| LKC | L寸法・公差を | ・L≦200→L±0.03 | [ ! ]L寸200まで適用 [ ! ]L寸単位0.1mm指定可 | VFBS30-150.5-F40-B30-P10-SC10-LKC | 400 | ||||||||||||||||||||||||||||||||||||||||||||||||||||||||||||||||||||||||||||||||||||||||||||||||||||||||||||||||||||||||||||||||||||||||||||||||||||||||||||||||||||||||||||||||||||||||||||||||||||||||||||||||||||||||||||||||||||||||||||||
| FC | 平面取り1箇所追加 |
| [ ! ]FC,E=指定1mm単位 [ ! ]FC≦5×D [ ! ]E=0またはE≧2 [ NG ]WFCとの併用不可 | VFBS30-250-F40-B30-P10-SC10-FC10-E8 | 200 | ||||||||||||||||||||||||||||||||||||||||||||||||||||||||||||||||||||||||||||||||||||||||||||||||||||||||||||||||||||||||||||||||||||||||||||||||||||||||||||||||||||||||||||||||||||||||||||||||||||||||||||||||||||||||||||||||||||||||||||||
| WFC | 平面取り2箇所追加 |
| [ ! ]WFC,A,E=指定1mm単位 [ ! ]WFC≦5×D [ ! ]A(E)=0またはA(E)≧2 [ NG ]追加工の角度にずれが生じる為、 同一平面上にはなりません。 [ NG ]FCとの併用不可 | VFBS30-250-F40-B30-P10-SC10-WFC8-A8-E4 | 400 | ||||||||||||||||||||||||||||||||||||||||||||||||||||||||||||||||||||||||||||||||||||||||||||||||||||||||||||||||||||||||||||||||||||||||||||||||||||||||||||||||||||||||||||||||||||||||||||||||||||||||||||||||||||||||||||||||||||||||||||||
| PMC PMS | おねじを細目ねじに変更
|
| 【ベアリングナット 細目追加工】 「PMC」と指定 【シリンダ 細目追加工】 「PMS」と指定 | VFBS30-250-F40-B30-PMC15-SC10 | 300 | ||||||||||||||||||||||||||||||||||||||||||||||||||||||||||||||||||||||||||||||||||||||||||||||||||||||||||||||||||||||||||||||||||||||||||||||||||||||||||||||||||||||||||||||||||||||||||||||||||||||||||||||||||||||||||||||||||||||||||||||
| SX | SCのスパナ溝の他に |
| [ ! ]スパナ溝付きのみ適用 [ ! ]D=6以上適用 [ ! ]SX=指定1mm単位 [ ! ]SC+SX+ℓ1X2<L [ ! ]SX≧0 [ NG ]追加工の角度にずれが生じる為、 同一平面上にはなりません。 | VFBS30-250-F40-B30-P10-SC10-SX15 | 400 | ||||||||||||||||||||||||||||||||||||||||||||||||||||||||||||||||||||||||||||||||||||||||||||||||||||||||||||||||||||||||||||||||||||||||||||||||||||||||||||||||||||||||||||||||||||||||||||||||||||||||||||||||||||||||||||||||||||||||||||||
・上記以外の追加工をご希望の場合は、「 カタログ規格外サービス」にてお見積りください。
[ ! ]型式は洗浄前商品の型式で記載しております。


| ■真直度M | ■直角度K | ■L寸法公差 | |||||||||||||||||||||||||||||||||||||||||||||||||||||||||||||||||||||||||||||||||||||||
外径g6のシャフト(焼き入れ)
| 外径f8のシャフト(焼きなし)
| 外径g6のシャフト(焼き入れ)
| 外径f8のシャフト(焼きなし)
| 外径g6のシャフト(焼き入れ)
| 外径f8のシャフト(焼きなし)
| ||||||||||||||||||||||||||||||||||||||||||||||||||||||||||||||||||||||||||||||||||||

■加工部の硬度低下について
・母材焼入れ後に加工をいたしますが、加工のための焼きなましにより硬度低下の可能性があります。
※低下後硬度:10~40HRC程度
■硬度低下範囲
・加工部から10mm程度

■焼なましによる硬度低下加工部
・おねじ ・スパナ溝 ・平面取り
■焼き入れの有効硬化層深さ
有効硬化層深さは外形寸法や材質の違いにより異なります。
| 外径 D | 有効硬化層深さ | |||
|---|---|---|---|---|
| SUJ2相当 | SUS440C/ 13Cr系ステンレス | |||
| 5 | 0.5以上 | 0.5以上 | ||
| 6~10 | ||||
| 12・13 | 0.7以上 | |||
| 15~20 | 0.7以上 | |||
| 25・30 | 1.0以上 | |||
■硬質クロムメッキ及び加工部のメッキ層について
例)メッキ残り部:段付き おねじシャフト 平面取り追加
///部:メッキ残部

・リニアシャフトと 回転軸用シャフトの仕様比較
■基本仕様
| 仕様 | シャフト | 回転軸 | ||||||||
|---|---|---|---|---|---|---|---|---|---|---|
| 材質 | SUJ2相当 SUS440Cまたは13Cr系ステンレス | S45C相当 SUS304 | S45C相当 SUS304 | SCM435 | ||||||
| 焼き入れ | 高周波焼き入れ | - | - | 硬度30~35HRC | ||||||
| 外径公差 | g6/h5 | f8 | g6/h9/h7 | g6 | ||||||
| 表面処理 | メッキ無 硬質クロムメッキ 低温黒色クロムメッキ 無電解ニッケルメッキ(全長表面処理タイプ) | 硬質クロムメッキ | メッキ無 四三酸化鉄皮膜 無電解ニッケルメッキ | 四三酸化鉄皮膜 無電解ニッケルメッキ | ||||||
※硬質クロムメッキは加工部にメッキ層が残りません。詳しくは こちらをご確認ください
■追加工
| 追加工名称 | シャフト | 回転軸 | |||||
|---|---|---|---|---|---|---|---|
| L寸公差変更 | L<200⇒L±0.03 200≦L<500⇒L±0.05 L≧500⇒L±0.1 | L<500⇒L±0.05 L≧500⇒L±0.1 L≧800は適用不可 | |||||
| スパナ溝追加工 | 2箇所まで指定可能 | 1箇所まで指定可能 | |||||
| 平面取り | 2箇所まで指定可能 | 3箇所まで指定可能 | |||||
| 2面取り追加工 | 2箇所まで指定可能 角度指定:固定 | 1箇所まで指定可能 角度指定:15度単位で指定可能 | |||||
| V溝追加工 | 2箇所まで指定可能 | - | |||||
| キー溝 | 2箇所まで指定可能 段部への加工:不可 | 4箇所まで指定可能 段部への加工:可 | |||||
| おねじ細目ねじ変更 | 2種類 | 1種類 | |||||
| めねじ細目ねじ変更 | 1種類 | - | |||||
| 逃げ溝追加 | M6~M30 | M3~M30 | |||||
| めねじ深さ変更 | 可能 | 可能 | |||||
| 止め輪溝 | 2箇所指定可能 (追加工ではなく止め輪付タイプとなります) | D部2箇所、段部それぞれ1箇所 併用可 | |||||
| スリットカム用溝 | - | 1箇所まで指定可能 | |||||
| 同軸度変更 | - | 可能 | |||||
| おねじ左ねじ変更 | - | 可能 | |||||
| すり割り溝追加 | - | 1箇所まで指定可能 | |||||
| C面取り幅変更 | - | 可能 | |||||
■よくある質問
//jp.misumi-ec.com/maker/misumi/mech/linear_shaft/tech_support/#anc06
洗浄工程| ※材質がステンレスの場合、アルカリ系温水洗浄となることがあります。 | |
| ・脱脂洗浄(型式:SL-□□) | ※表面処理が低温黒色クロムメッキの場合、IPA洗浄となります。 |
作業環境:一般環境 | ||||||
|---|---|---|---|---|---|---|
![]() 炭化水素系洗浄※ Ro水洗浄 中性洗剤洗浄 | ![]() | ![]() 高圧ジェット水洗(Ro水) 後に純水(10MΩ・cm)で 洗浄 | ![]() | ![]() エアブロー(オイルフリー) 使用 | ![]() | ![]() 防錆袋使用 |
| ・精密洗浄(型式:SH-□□) | ※表面処理が低温黒色クロムメッキの場合、IPA洗浄となります。 |
作業環境:クラス1000 | 作業環境:クラス10 | |||||||
|---|---|---|---|---|---|---|---|---|
![]() 炭化水素系洗浄※ Ro水洗浄 中性洗剤洗浄 | ![]() | ![]() 高圧ジェット水洗(Ro水) 後に純水(10MΩ・cm)で 洗浄 | ![]() | ![]() 温純水(13MΩ・cm)使用 | ![]() | ![]() 窒素ブロー使用 | ![]() | ![]() クリーンベンチ(クラス10) で実施 |
作業環境:クラス1000 | 作業環境:クラス10 | |||||||||
|---|---|---|---|---|---|---|---|---|---|---|
![]() 炭化水素系洗浄 Ro水洗浄 中性洗剤洗浄 | ![]() | ![]() 材質に応じた電解研磨槽 で電解研磨 | ![]() | ![]() 高圧ジェット水洗(Ro水) 後に純水(10MΩ・cm)で 洗浄 | ![]() | ![]() 温純水(13MΩ・cm)使用 | ![]() | ![]() 窒素ブロー使用 | ![]() | ![]() クリーンベンチ(クラス10) で実施 |
梱包例| 脱脂洗浄の場合 (TYPE型番:SL-□□) | 精密洗浄または電解研磨+精密洗浄の場合 | |
| (TYPE型番:SH-□□・SHD-□□) | ||
| オーステナイト系ステンレス・アルミ材質の場合 | 鉄・マルテンサイト系ステンレス材質の場合 | |
![]() | ![]() | ![]() |
| 一部商品・サイズによっては、 梱包形態が異なる場合がございます。 | [ ! ]1重目・2重目の梱包とも、脱気されております。 | [ ! ]防錆対策として乾燥剤を同封しております。 1梱包につき1つになります。 |
洗浄効果・利用推奨環境| 洗浄方法 | 商品型番 | 梱包形態 | 未洗浄品と比べた効果 | ご利用環境(目安) | 利用シーン・工程 |
|---|---|---|---|---|---|
| 脱脂洗浄 | SL-□□ | 防錆梱包 | 油分除去 | 一般環境 | 通常組立工程 |
| バッテリー組立後工程 | |||||
| 精密洗浄 | SH-□□ | 脱気2重梱包 | 油分除去 粉塵除去 | クリーン環境(クラス10~1,000) | バッテリー組立工程 |
| 液晶関連組立後工程 | |||||
| 車載カメラ組立工程 | |||||
| 電解研磨+精密洗浄 | SHD-□□ | 脱気2重梱包 | 油分除去 粉塵除去 アウトガス低減 | 真空環境 クリーン環境(クラス10~1,000) | 半導体前工程 |
| 液晶成膜工程 | |||||
| 有機EL前工程 |
| 型番 |
|---|
通常単価(税別)
(税込単価) | 通常出荷日 |
洗浄不要の場合の代替品
|
|---|
- ( - ) | 8日目 |
|
- ( - ) | 8日目 |
|
- ( - ) | 8日目 |
|
- ( - ) | 8日目 |
|
- ( - ) | 8日目 |
|
- ( - ) | 8日目 |
|
- ( - ) | 8日目 |
|
- ( - ) | 8日目 |
|
- ( - ) | 8日目 |
|
- ( - ) | 8日目 |
|
- ( - ) | 8日目 |
|
- ( - ) | 8日目 |
|
- ( - ) | 8日目 |
|
- ( - ) | 8日目 |
|
- ( - ) | 8日目 |
|
- ( - ) | 8日目 |
|
- ( - ) | 8日目 |
|
- ( - ) | 8日目 |
|
- ( - ) | 8日目 |
|
- ( - ) | 8日目 |
|
- ( - ) | 8日目 |
|
- ( - ) | 8日目 |
|
- ( - ) | 8日目 |
|
- ( - ) | 8日目 |
|
- ( - ) | 8日目 |
|
- ( - ) | 8日目 |
|
- ( - ) | 8日目 |
|
- ( - ) | 8日目 |
|
- ( - ) | 8日目 |
|
- ( - ) | 8日目 |
|
- ( - ) | 8日目 |
|
- ( - ) | 8日目 |
|
- ( - ) | 8日目 |
|
- ( - ) | 8日目 |
|
- ( - ) | 8日目 |
|
- ( - ) | 8日目 |
|
- ( - ) | 8日目 |
|
- ( - ) | 8日目 |
|
- ( - ) | 8日目 |
|
- ( - ) | 8日目 |
|
- ( - ) | 8日目 |
|
- ( - ) | 8日目 |
|
- ( - ) | 8日目 |
|
- ( - ) | 8日目 |
|
- ( - ) | 8日目 |
|
- ( - ) | 8日目 |
|
- ( - ) | 8日目 |
|
- ( - ) | 8日目 |
|
- ( - ) | 8日目 |
|
- ( - ) | 8日目 |
|
- ( - ) | 8日目 |
|
- ( - ) | 8日目 |
|
- ( - ) | 8日目 |
|
- ( - ) | 8日目 |
|
- ( - ) | 8日目 |
|
- ( - ) | 8日目 |
|
- ( - ) | 8日目 |
|
- ( - ) | 8日目 |
|
- ( - ) | 8日目 |
|
- ( - ) | 8日目 |
| ・脱脂洗浄(防錆1重梱包) | :型番SL-□□ |
| ・精密洗浄(脱気2重梱包) | :型番SH-□□ |
| ・電解研磨+精密洗浄(脱気2重梱包) | :型番SHD-□□ |
| 商品型番 | 洗浄方法 | 梱包形態 | 未洗浄品と比べた効果 | ご利用環境(目安) | 工程別 |
| SL-□□ | 脱脂洗浄 | 防錆梱包 | 油分除去 | 一般環境 | 通常組立工程 |
| バッテリー組立後工程 | |||||
| SH-□□ | 精密洗浄 | 脱気2重梱包 | 油分除去 粉塵除去 | クリーン環境(クラス10~1,000) | バッテリー組立工程 |
| 液晶関連組立後工程 | |||||
| 車載カメラ組立工程 | |||||
| SHD-□□ | 電解研磨+精密洗浄 | 脱気2重梱包 | 油分除去 粉塵除去 アウトガス低減 | 真空環境 クリーン環境(クラス10~1,000) | 半導体前工程 |
| 液晶成膜工程 | |||||
| 有機EL前工程 |
| 型式 | ¥基準単価 | |||||
| Type | D | 最短L | L51 | L101 | L201 | L301 |
| 〜 | 〜 | 〜 | 〜 | 〜 | ||
| 50 | 100 | 200 | 300 | 445 | ||
| SL-VSFBN | 5 | 3,700 | 4,440 | 5,870 | 7,980 | - |
| 6 | 3,560 | 4,110 | 5,210 | 6,960 | - | |
| 8 | 3,770 | 4,370 | 5,600 | 7,470 | - | |
| 10 | 4,120 | 4,780 | 6,100 | 8,160 | 10,340 | |
| 12 | 4,830 | 5,670 | 7,420 | 9,800 | 12,220 | |
| 13 | 5,040 | 5,900 | 7,680 | 10,120 | 12,560 | |
| 15 | 5,480 | 6,410 | 7,730 | 10,160 | 13,540 | |
| 16 | 5,570 | 6,460 | 7,800 | 10,210 | 13,870 | |
| 18 | 5,660 | 6,500 | 7,890 | 10,290 | 14,040 | |
| 20 | 5,830 | 6,590 | 8,110 | 10,440 | 14,190 | |
| 25 | 7,040 | 7,970 | 9,800 | 12,560 | 16,890 | |
| 30 | 7,910 | 8,950 | 10,990 | 14,000 | 18,700 | |
| SH-VSFBN | 5 | 4,300 | 5,040 | 6,470 | 8,780 | - |
| 6 | 4,160 | 4,710 | 5,810 | 7,760 | - | |
| 8 | 4,370 | 4,970 | 6,200 | 8,270 | - | |
| 10 | 4,720 | 5,380 | 6,700 | 8,960 | 11,340 | |
| 12 | 5,430 | 6,270 | 8,020 | 10,600 | 13,220 | |
| 13 | 5,640 | 6,500 | 8,280 | 10,920 | 13,560 | |
| 15 | 6,080 | 7,010 | 8,330 | 10,960 | 14,540 | |
| 16 | 6,170 | 7,060 | 8,400 | 11,010 | 14,870 | |
| 18 | 6,260 | 7,100 | 8,490 | 11,090 | 15,040 | |
| 20 | 6,430 | 7,190 | 8,710 | 11,240 | 15,190 | |
| 25 | 7,640 | 8,570 | 10,400 | 13,360 | 17,890 | |
| 30 | 8,510 | 9,550 | 11,590 | 14,800 | 19,700 | |
| SL-VPSFBN | 5 | 4,700 | 5,720 | 7,730 | 10,500 | - |
| 6 | 4,510 | 5,280 | 6,810 | 9,060 | - | |
| 8 | 4,980 | 5,880 | 7,670 | 10,200 | - | |
| 10 | 5,290 | 6,220 | 8,060 | 10,750 | 13,280 | |
| 12 | 6,340 | 7,510 | 9,980 | 13,150 | 16,040 | |
| 13 | 6,580 | 7,790 | 10,280 | 13,490 | 16,380 | |
| 15 | 7,190 | 8,510 | 10,350 | 13,550 | 17,760 | |
| 16 | 7,310 | 8,560 | 10,430 | 13,620 | 18,220 | |
| 18 | 7,440 | 8,620 | 10,580 | 13,730 | 18,450 | |
| 20 | 7,670 | 8,750 | 10,860 | 13,940 | 18,660 | |
| 25 | 9,430 | 10,760 | 13,370 | 17,050 | 22,640 | |
| 30 | 10,700 | 12,160 | 15,050 | 19,090 | 25,190 | |
| SH-VPSFBN | 5 | 5,300 | 6,320 | 8,330 | 11,300 | - |
| 6 | 5,110 | 5,880 | 7,410 | 9,860 | - | |
| 8 | 5,580 | 6,480 | 8,270 | 11,000 | - | |
| 10 | 5,890 | 6,820 | 8,660 | 11,550 | 14,280 | |
| 12 | 6,940 | 8,110 | 10,580 | 13,950 | 17,040 | |
| 13 | 7,180 | 8,390 | 10,880 | 14,290 | 17,380 | |
| 15 | 7,790 | 9,110 | 10,950 | 14,350 | 18,760 | |
| 16 | 7,910 | 9,160 | 11,030 | 14,420 | 19,220 | |
| 18 | 8,040 | 9,220 | 11,180 | 14,530 | 19,450 | |
| 20 | 8,270 | 9,350 | 11,460 | 14,740 | 19,660 | |
| 25 | 10,030 | 11,360 | 13,970 | 17,850 | 23,640 | |
| 30 | 11,300 | 12,760 | 15,650 | 19,890 | 26,190 | |
| SL-VRBN | 5 | 3,590 | 4,020 | 4,880 | 6,370 | - |
| 6 | 3,590 | 3,940 | 4,660 | 5,980 | - | |
| 8 | 3,840 | 4,230 | 4,960 | 6,420 | - | |
| 10 | 4,000 | 4,370 | 5,130 | 6,640 | 8,710 | |
| 12 | 4,470 | 4,940 | 6,160 | 7,920 | 10,100 | |
| 13 | 4,620 | 5,110 | 6,360 | 8,160 | 10,360 | |
| 15 | 4,910 | 5,400 | 6,990 | 9,170 | 11,600 | |
| 16 | 5,020 | 5,510 | 7,110 | 9,270 | 11,710 | |
| 18 | 5,240 | 5,750 | 7,400 | 9,620 | 12,100 | |
| 20 | 5,810 | 6,310 | 7,860 | 10,160 | 13,500 | |
| 25 | 7,170 | 7,940 | 9,960 | 13,030 | 17,390 | |
| 30 | 8,330 | 9,620 | 12,040 | 16,090 | 21,180 | |
| SH-VRBN | 5 | 4,190 | 4,620 | 5,480 | 7,170 | - |
| 6 | 4,190 | 4,540 | 5,260 | 6,780 | - | |
| 8 | 4,440 | 4,830 | 5,560 | 7,220 | - | |
| 10 | 4,600 | 4,970 | 5,730 | 7,440 | 9,710 | |
| 12 | 5,070 | 5,540 | 6,760 | 8,720 | 11,100 | |
| 13 | 5,220 | 5,710 | 6,960 | 8,960 | 11,360 | |
| 15 | 5,510 | 6,000 | 7,590 | 9,970 | 12,600 | |
| 16 | 5,620 | 6,110 | 7,710 | 10,070 | 12,710 | |
| 18 | 5,840 | 6,350 | 8,000 | 10,420 | 13,100 | |
| 20 | 6,410 | 6,910 | 8,460 | 10,960 | 14,500 | |
| 25 | 7,770 | 8,540 | 10,560 | 13,830 | 18,390 | |
| 30 | 8,930 | 10,220 | 12,640 | 16,890 | 22,180 | |
| 型式 | ¥基準単価 | |||||
| Type | D | 最短L | L51 | L101 | L201 | L301 |
| 〜 | 〜 | 〜 | 〜 | 〜 | ||
| 50 | 100 | 200 | 300 | 445 | ||
| SL-VSFBS | 6 | 4,020 | 4,580 | 5,690 | 7,450 | - |
| 8 | 4,320 | 4,960 | 6,230 | 8,160 | - | |
| 10 | 4,530 | 5,190 | 6,500 | 8,540 | 10,720 | |
| 12 | 5,310 | 6,160 | 7,910 | 10,330 | 12,760 | |
| 13 | 5,490 | 6,300 | 8,130 | 10,480 | 13,000 | |
| 15 | 5,520 | 6,310 | 8,160 | 10,550 | 13,990 | |
| 16 | 5,960 | 6,840 | 8,170 | 10,570 | 14,200 | |
| 18 | 6,100 | 6,950 | 8,340 | 10,740 | 14,480 | |
| 20 | 6,230 | 6,980 | 8,490 | 10,800 | 14,530 | |
| 25 | 7,510 | 8,460 | 10,290 | 13,040 | 17,390 | |
| 30 | 8,400 | 9,430 | 11,480 | 14,490 | 19,170 | |
| SH-VSFBS | 6 | 4,620 | 5,180 | 6,290 | 8,250 | - |
| 8 | 4,920 | 5,560 | 6,830 | 8,960 | - | |
| 10 | 5,130 | 5,790 | 7,100 | 9,340 | 11,720 | |
| 12 | 5,910 | 6,760 | 8,510 | 11,130 | 13,760 | |
| 13 | 6,090 | 6,900 | 8,730 | 11,280 | 14,000 | |
| 15 | 6,120 | 6,910 | 8,760 | 11,350 | 14,990 | |
| 16 | 6,560 | 7,440 | 8,770 | 11,370 | 15,200 | |
| 18 | 6,700 | 7,550 | 8,940 | 11,540 | 15,480 | |
| 20 | 6,830 | 7,580 | 9,090 | 11,600 | 15,530 | |
| 25 | 8,110 | 9,060 | 10,890 | 13,840 | 18,390 | |
| 30 | 9,000 | 10,030 | 12,080 | 15,290 | 20,170 | |
| SL-VPSFBS | 6 | 5,130 | 5,890 | 7,440 | 9,680 | - |
| 8 | 5,570 | 6,460 | 8,230 | 10,740 | - | |
| 10 | 5,910 | 6,830 | 8,690 | 11,360 | 13,900 | |
| 12 | 6,910 | 8,070 | 10,520 | 13,670 | 16,530 | |
| 13 | 7,200 | 8,400 | 10,900 | 14,120 | 17,010 | |
| 15 | 7,820 | 9,130 | 10,980 | 14,170 | 18,390 | |
| 16 | 7,940 | 9,190 | 11,050 | 14,230 | 18,840 | |
| 18 | 8,060 | 9,250 | 11,200 | 14,350 | 19,070 | |
| 20 | 8,230 | 9,290 | 11,390 | 14,440 | 19,130 | |
| 25 | 10,110 | 11,440 | 14,050 | 17,730 | 23,320 | |
| 30 | 11,280 | 12,730 | 15,600 | 19,610 | 25,640 | |
| SH-VPSFBS | 6 | 5,730 | 6,490 | 8,040 | 10,480 | - |
| 8 | 6,170 | 7,060 | 8,830 | 11,540 | - | |
| 10 | 6,510 | 7,430 | 9,290 | 12,160 | 14,900 | |
| 12 | 7,510 | 8,670 | 11,120 | 14,470 | 17,530 | |
| 13 | 7,800 | 9,000 | 11,500 | 14,920 | 18,010 | |
| 15 | 8,420 | 9,730 | 11,580 | 14,970 | 19,390 | |
| 16 | 8,540 | 9,790 | 11,650 | 15,030 | 19,840 | |
| 18 | 8,660 | 9,850 | 11,800 | 15,150 | 20,070 | |
| 20 | 8,830 | 9,890 | 11,990 | 15,240 | 20,130 | |
| 25 | 10,710 | 12,040 | 14,650 | 18,530 | 24,320 | |
| 30 | 11,880 | 13,330 | 16,200 | 20,410 | 26,640 | |
| SL-VRBS | 6 | 4,040 | 4,380 | 5,110 | 6,420 | - |
| 8 | 4,290 | 4,670 | 5,400 | 6,870 | - | |
| 10 | 4,420 | 4,790 | 5,530 | 7,050 | 9,090 | |
| 12 | 4,910 | 5,380 | 6,600 | 8,360 | 10,540 | |
| 13 | 5,060 | 5,550 | 6,800 | 8,610 | 10,810 | |
| 15 | 5,360 | 5,850 | 7,440 | 9,610 | 12,050 | |
| 16 | 5,430 | 5,910 | 7,490 | 9,640 | 12,070 | |
| 18 | 5,690 | 6,200 | 7,840 | 10,070 | 12,540 | |
| 20 | 6,290 | 6,800 | 8,370 | 10,680 | 14,050 | |
| 25 | 7,650 | 8,440 | 10,450 | 13,520 | 17,880 | |
| 30 | 8,820 | 10,100 | 12,530 | 16,580 | 21,670 | |
| SH-VRBS | 6 | 4,640 | 4,980 | 5,710 | 7,220 | - |
| 8 | 4,890 | 5,270 | 6,000 | 7,670 | - | |
| 10 | 5,020 | 5,390 | 6,130 | 7,850 | 10,090 | |
| 12 | 5,510 | 5,980 | 7,200 | 9,160 | 11,540 | |
| 13 | 5,660 | 6,150 | 7,400 | 9,410 | 11,810 | |
| 15 | 5,960 | 6,450 | 8,040 | 10,410 | 13,050 | |
| 16 | 6,030 | 6,510 | 8,090 | 10,440 | 13,070 | |
| 18 | 6,290 | 6,800 | 8,440 | 10,870 | 13,540 | |
| 20 | 6,890 | 7,400 | 8,970 | 11,480 | 15,050 | |
| 25 | 8,250 | 9,040 | 11,050 | 14,320 | 18,880 | |
| 30 | 9,420 | 10,700 | 13,130 | 17,380 | 22,670 | |
| 数量区分 | 標準対応 | 個別対応 | ||||
| 小口 | 大口 | 大口 | ||||
| 数 量 | 1〜4 | 5〜12 | 13〜19 | 20〜50 | 51〜100 | 101~ |
| 値引率 | 基準単価 | 5% | 10% | 15% | 23% | お見積り |
| 出荷日 | 通常 | +4日 | ||||
| 数量区分 | 標準対応 | 個別対応 | |||
| 小口 | 大口 | ||||
| 数 量 | 1〜4 | 5〜12 | 13〜19 | 20〜50 | 51~ |
| 値引率 | 基準単価 | 5% | 10% | 15% | お見積り |
| 出荷日 | 通常 | ||||
通常価格、通常出荷日が表示と異なる場合がございます
通常価格、通常出荷日が表示と異なる場合がございます

ミスミ
シャフト ストレートタイプ
4.7通常価格(税別):200円~

ミスミ
シャフト 両端めねじタイプ
4.7
ミスミ
シャフト 片端めねじタイプ
4.6
ミスミ
シャフト 両端めねじキリ穴付タイプ・スパナ溝付タイプ
4.4
ミスミ
シャフト 片端めねじキリ穴付・スパナ溝付タイプ
4.6
ミスミ
シャフト 片端おねじ・片端めねじ 逃げ溝スパナ溝付き/キリ穴付き
4.6
ミスミ
シャフト 両端おねじタイプ
4.4
ミスミ
シャフト 片端おねじタイプ
4.6
ミスミ
シャフト 片端おねじ逃げ溝 キリ穴付きタイプ・スパナ溝付きタイプ
4.5