メカニカル部品技術窓口

「脱脂洗浄」「精密洗浄」「電解研磨+精密洗浄」3種類の洗浄方法が選択可能、いずれも標準型番で1個からご...
詳細を確認
メッキ無し品は
です。| 寸法区分 | 公差 (㎜) | |
| を超え | 以下 | |
| 0.5 | 3 | ±0.1 |
| 3 | 6 | ±0.1 |
| 6 | 30 | ±0.2 |
| 30 | 120 | ±0.3 |
| 120 | 400 | ±0.5 |
| 400 | 1000 | ±0.8 |
| 1000 | 2000 | ±1.2 |
| Type | [ M ]材質 | [ H ]硬度 | 洗浄方法 | |||
| 洗浄方法 | 洗浄環境 | 梱包形態 | 梱包環境 | |||
| SL-SSPJ | SUS440Cまたは 13Cr系ステンレス | 高周波焼入 有効硬化層深さ >>こちら SUJ2相当 58HRC〜 SUS440Cまたは 13Cr系ステンレス 56HRC〜 | 脱脂洗浄 | 一般環境 | 防錆梱包 | 一般環境 |
| SH-SSPJ | 精密洗浄 | クラス1000 | 脱気2重梱包 | クラス10 | ||
詳細図を記載しておりますので、ご確認ください。■硬質クロムメッキ及び加工部のメッキ層について
※パイプシャフトの内部はメッキ処理されません。よって、錆の発生があります。
///部:メッキ残部

| 型式 | − | L |
| SL-SSPJ20 | − | 350 |
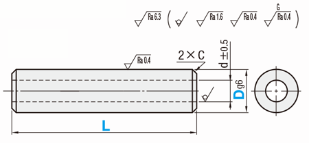
| 型式 | L 指定1mm単位 | D公差 | d | C | |
| Type | D | ||||
| SL-SSPJ SH-SSPJ | 8 | 20〜300 | -0.005 -0.014 | 3 | 0.5以下 |
| 10 | 20〜400 | -0.005 -0.014 | 4 | 0.5以下 | |
| 12 | 20〜500 | -0.006 -0.017 | 5 | 0.5以下 | |
| 13 | 25〜500 | -0.006 -0.017 | 5 | 0.5以下 | |
| 16 | 30〜600 | -0.006 -0.017 | 6 | 0.5以下 | |
| 20 | 30〜800 | -0.007 -0.020 | 8 | 1.0以下 | |
| 25 | 35〜800 | -0.007 -0.020 | 10 | 1.0以下 | |
| 30 | 35〜800 | -0.007 -0.020 | 12 | 1.0以下 | |
| 追加工 コード | 追加工内容 | 固定寸法 | 適用条件 | 指定例 | ¥/1Code | |||||||||||||||||||||||||||||||
|---|---|---|---|---|---|---|---|---|---|---|---|---|---|---|---|---|---|---|---|---|---|---|---|---|---|---|---|---|---|---|---|---|---|---|---|---|
| DKC | 外径公差を |
| [ NG ]ステンレスタイプ・低温黒色クロムメッキは適応不可 | SPJ30-250-DKC | 400 | |||||||||||||||||||||||||||||||
| LKC | L寸法・公差を | ・L<200→L±0.03 ・200≦L<500→L±0.05 ・L≧500→L±0.1 | [ ! ]L寸単位0.1mm指定可 | SPJ30-250.5-LKC | 400 | |||||||||||||||||||||||||||||||
| VC WVC | 片端・両端に |
| [ ! ]K=指定1mm単位 [ ! ]3<K≦V×2 | 片端:SPJ30-250-VC-K5 両端:SPJ30-250-WVC-K10 | VC:200 WVC:400 | |||||||||||||||||||||||||||||||
| WSC | スパナ溝2箇所追加 |
| [ ! ]WSC, X =指定1mm単位 [ ! ]D≦25の場合、 WSC+X+ℓ1×2<L, WSC≧M×2, X≧M×2 [ ! ]D≧30の場合、 WSC+X+ℓ1×2<L, WSC≧0, X≧0 [ NG ]追加工の角度にずれが生じる為、 同一平面上にはなりません。 | SPJ30-250-WSC12-X8 | 800 | |||||||||||||||||||||||||||||||
| RH LH | 片面横穴追加工 |
| [ ! ]RH,LH=指定1mm単位? [ ! ]d1+1<RH,LH≦D×3 [ ! ]パイプ偏肉により内径d部にズレが生じる場合があります。 [ ! ]加工後内径側にバリが残る可能性があります。 [ ! ]他追加工との位置関係は任意です。 [ NG ]追加工の角度にずれが生じる為、 同一平面上にはなりません。 [ NG ]他追加工と干渉する場合適用不可 | SPJ30-250-RH10-LH10 | 片端:400 両端:800 |
[ ! ]型式は洗浄前商品の型式で記載しております。
・上記以外の追加工をご希望の場合は、「 カタログ規格外サービス」にてお見積りください。


| D | 真円度 M | |
|---|---|---|
| を超え | 以下 | |
| 5 | 13 | 0.004 |
| 13 | 20 | 0.005 |
| 20 | 40 | 0.006 |
| 40 | 50 | 0.007 |
| D | L | 真直度 K | |
|---|---|---|---|
| 6~50 | L≦100 | 0.01以下 | |
| L>100 | (L/100)×0.01以下 | ||
| L | L寸法 公差 | |
|---|---|---|
| を超え | 以下 | |
| 19 | 30 | ±0.2 |
| 30 | 120 | ±0.3 |
| 120 | 400 | ±0.5 |
| 400 | 1000 | ±0.8 |
| 1000 | 1500 | ±1.2 |
■パイプシャフト偏肉・パイプ内径について
パイプシャフトは材質によって偏肉量(A-B)、パイプ内径(d)が異なります。
| 外径 (D) | SUJ2相当 | SUS440Cまたは 13Cr系ステンレス | ||
| 偏肉量 | 内径 | 偏肉量 | 内径 | |
| 6 | 0.3以下 | 2 | − | − |
| 8 | 0.4以下 | 3 | 1.5以下 | 3 |
| 10 | 4 | 4.0以下 | 4 | |
| 12 | 6 | 5 | ||
| 13 | 7 | 5 | ||
| 16 | 10 | 6 | ||
| 20 | 14 | 8 | ||
| 25 | 0.6以下 | 16 | 10 | |
| 30 | 1.0以下 | 17 | 12 | |
| 35 | 19 | − | − | |
| 40 | 1.5以下 | 20 | − | − |
| 50 | 26 | − | − | |

※パイプシャフトの内部はメッキ処理されません。よって、錆の発生があります。
■加工部の硬度低下について
・母材焼入れ後に加工をいたしますが、加工のための焼きなましにより硬度低下の可能性があります。
※低下後硬度:10~40HRC程度
■硬度低下範囲
・加工部から10mm程度

■焼なましによる硬度低下加工部
・スパナ溝
■キリ穴付きタイプの硬度低下範囲
キリ穴付きタイプは材質により焼きなまし硬度低下の範囲が異なります。
⇒SUJ2相当:加工部含め、端より20mm程度
⇒SUS440C又は13Cr系ステンレス:加工部含め、端より30mm程度

※キリ穴加工付近は焼鈍しによる変形のため、外径が公差より外れる場合がございます。
■焼き入れの有効硬化層深さ
有効硬化層深さは外形寸法や材質の違いにより異なります。
| 外径 D | 有効硬化層深さ | |||
|---|---|---|---|---|
| SUJ2相当 | SUS440C/ 13Cr系ステンレス | |||
| 6~10 | 0.5以上 | 0.5以上 | ||
| 12・13 | 0.7以上 | |||
| 16・20 | 0.7以上 | |||
| 25~50 | 1.0以上 | |||
■硬質クロムメッキ及び加工部のメッキ層について
※パイプシャフトの内部はメッキ処理されません。よって、錆の発生があります。
///部:メッキ残部

■キリ穴メッキ剥離について
・キリ穴部はバリ取り処理による、加工付近にメッキ層の剥離がある場合がございます。
///部:メッキ剥離部

・リニアシャフトと 回転軸用シャフトの仕様比較
■基本仕様
| 仕様 | シャフト | 回転軸 | ||||||||
|---|---|---|---|---|---|---|---|---|---|---|
| 材質 | SUJ2相当 SUS440Cまたは13Cr系ステンレス | S45C相当 SUS304 | S45C相当 SUS304 | SCM435 | ||||||
| 焼き入れ | 高周波焼き入れ | - | - | 硬度30~35HRC | ||||||
| 外径公差 | g6/h5 | f8 | g6/h9/h7 | g6 | ||||||
| 表面処理 | メッキ無 硬質クロムメッキ 低温黒色クロムメッキ 無電解ニッケルメッキ(全長表面処理タイプ) | 硬質クロムメッキ | メッキ無 四三酸化鉄皮膜 無電解ニッケルメッキ | 四三酸化鉄皮膜 無電解ニッケルメッキ | ||||||
※硬質クロムメッキは加工部にメッキ層が残りません。詳しくは こちらをご確認ください
■追加工
| 追加工名称 | シャフト | 回転軸 | |||||
|---|---|---|---|---|---|---|---|
| L寸公差変更 | L<200⇒L±0.03 200≦L<500⇒L±0.05 L≧500⇒L±0.1 | L<500⇒L±0.05 L≧500⇒L±0.1 L≧800は適用不可 | |||||
| スパナ溝追加工 | 2箇所まで指定可能 | 1箇所まで指定可能 | |||||
| 平面取り | 2箇所まで指定可能 | 3箇所まで指定可能 | |||||
| 2面取り追加工 | 2箇所まで指定可能 角度指定:固定 | 1箇所まで指定可能 角度指定:15度単位で指定可能 | |||||
| V溝追加工 | 2箇所まで指定可能 | - | |||||
| キー溝 | 2箇所まで指定可能 段部への加工:不可 | 4箇所まで指定可能 段部への加工:可 | |||||
| おねじ細目ねじ変更 | 2種類 | 1種類 | |||||
| めねじ細目ねじ変更 | 1種類 | - | |||||
| 逃げ溝追加 | M6~M30 | M3~M30 | |||||
| めねじ深さ変更 | 可能 | 可能 | |||||
| 止め輪溝 | 2箇所指定可能 (追加工ではなく止め輪付タイプとなります) | D部2箇所、段部それぞれ1箇所 併用可 | |||||
| スリットカム用溝 | - | 1箇所まで指定可能 | |||||
| 同軸度変更 | - | 可能 | |||||
| おねじ左ねじ変更 | - | 可能 | |||||
| すり割り溝追加 | - | 1箇所まで指定可能 | |||||
| C面取り幅変更 | - | 可能 | |||||
■よくある質問
//jp.misumi-ec.com/maker/misumi/mech/linear_shaft/tech_support/#anc06
洗浄工程| ※材質がステンレスの場合、アルカリ系温水洗浄となることがあります。 | |
| ・脱脂洗浄(型式:SL-□□) | ※表面処理が低温黒色クロムメッキの場合、IPA洗浄となります。 |
作業環境:一般環境 | ||||||
|---|---|---|---|---|---|---|
![]() 炭化水素系洗浄※ Ro水洗浄 中性洗剤洗浄 | ![]() | ![]() 高圧ジェット水洗(Ro水) 後に純水(10MΩ・cm)で 洗浄 | ![]() | ![]() エアブロー(オイルフリー) 使用 | ![]() | ![]() 防錆袋使用 |
| ・精密洗浄(型式:SH-□□) | ※表面処理が低温黒色クロムメッキの場合、IPA洗浄となります。 |
作業環境:クラス1000 | 作業環境:クラス10 | |||||||
|---|---|---|---|---|---|---|---|---|
![]() 炭化水素系洗浄※ Ro水洗浄 中性洗剤洗浄 | ![]() | ![]() 高圧ジェット水洗(Ro水) 後に純水(10MΩ・cm)で 洗浄 | ![]() | ![]() 温純水(13MΩ・cm)使用 | ![]() | ![]() 窒素ブロー使用 | ![]() | ![]() クリーンベンチ(クラス10) で実施 |
作業環境:クラス1000 | 作業環境:クラス10 | |||||||||
|---|---|---|---|---|---|---|---|---|---|---|
![]() 炭化水素系洗浄 Ro水洗浄 中性洗剤洗浄 | ![]() | ![]() 材質に応じた電解研磨槽 で電解研磨 | ![]() | ![]() 高圧ジェット水洗(Ro水) 後に純水(10MΩ・cm)で 洗浄 | ![]() | ![]() 温純水(13MΩ・cm)使用 | ![]() | ![]() 窒素ブロー使用 | ![]() | ![]() クリーンベンチ(クラス10) で実施 |
梱包例| 脱脂洗浄の場合 (TYPE型番:SL-□□) | 精密洗浄または電解研磨+精密洗浄の場合 | |
| (TYPE型番:SH-□□・SHD-□□) | ||
| オーステナイト系ステンレス・アルミ材質の場合 | 鉄・マルテンサイト系ステンレス材質の場合 | |
![]() | ![]() | ![]() |
| 一部商品・サイズによっては、 梱包形態が異なる場合がございます。 | [ ! ]1重目・2重目の梱包とも、脱気されております。 | [ ! ]防錆対策として乾燥剤を同封しております。 1梱包につき1つになります。 |
洗浄効果・利用推奨環境| 洗浄方法 | 商品型番 | 梱包形態 | 未洗浄品と比べた効果 | ご利用環境(目安) | 利用シーン・工程 |
|---|---|---|---|---|---|
| 脱脂洗浄 | SL-□□ | 防錆梱包 | 油分除去 | 一般環境 | 通常組立工程 |
| バッテリー組立後工程 | |||||
| 精密洗浄 | SH-□□ | 脱気2重梱包 | 油分除去 粉塵除去 | クリーン環境(クラス10~1,000) | バッテリー組立工程 |
| 液晶関連組立後工程 | |||||
| 車載カメラ組立工程 | |||||
| 電解研磨+精密洗浄 | SHD-□□ | 脱気2重梱包 | 油分除去 粉塵除去 アウトガス低減 | 真空環境 クリーン環境(クラス10~1,000) | 半導体前工程 |
| 液晶成膜工程 | |||||
| 有機EL前工程 |
| 型番 |
|---|
通常単価(税別)
(税込単価) | 通常出荷日 |
洗浄不要の場合の代替品
|
|---|
- ( - ) | 6日目 |
|
- ( - ) | 6日目 |
|
- ( - ) | 6日目 |
|
- ( - ) | 6日目 |
|
- ( - ) | 6日目 |
|
- ( - ) | 6日目 |
|
- ( - ) | 6日目 |
|
- ( - ) | 6日目 |
|
- ( - ) | 6日目 |
|
- ( - ) | 6日目 |
|
- ( - ) | 6日目 |
|
- ( - ) | 6日目 |
|
- ( - ) | 6日目 |
|
- ( - ) | 6日目 |
|
- ( - ) | 6日目 |
|
- ( - ) | 6日目 |
| ・脱脂洗浄(防錆1重梱包) | :型番SL-□□ |
| ・精密洗浄(脱気2重梱包) | :型番SH-□□ |
| ・電解研磨+精密洗浄(脱気2重梱包) | :型番SHD-□□ |
| 商品型番 | 洗浄方法 | 梱包形態 | 未洗浄品と比べた効果 | ご利用環境(目安) | 工程別 |
| SL-□□ | 脱脂洗浄 | 防錆梱包 | 油分除去 | 一般環境 | 通常組立工程 |
| バッテリー組立後工程 | |||||
| SH-□□ | 精密洗浄 | 脱気2重梱包 | 油分除去 粉塵除去 | クリーン環境(クラス10~1,000) | バッテリー組立工程 |
| 液晶関連組立後工程 | |||||
| 車載カメラ組立工程 | |||||
| SHD-□□ | 電解研磨+精密洗浄 | 脱気2重梱包 | 油分除去 粉塵除去 アウトガス低減 | 真空環境 クリーン環境(クラス10~1,000) | 半導体前工程 |
| 液晶成膜工程 | |||||
| 有機EL前工程 |
| 型式 | ¥基準単価 | |||||||||
| Type | D | 最短L〜50 | L51〜100 | L101〜150 | L151〜200 | L201〜300 | L301〜400 | L401〜500 | L501〜600 | L601〜800 |
| SL-SSPJ | 8 | 3,790 | 5,970 | 7,860 | 10,080 | 14,130 | - | - | - | - |
| 10 | 3,280 | 5,060 | 6,570 | 8,360 | 11,720 | 15,520 | - | - | - | |
| 12 | 2,780 | 4,130 | 5,280 | 6,640 | 9,320 | 12,520 | 14,900 | - | - | |
| 13 | 2,880 | 4,290 | 5,500 | 6,930 | 9,720 | 13,020 | 15,520 | - | - | |
| 16 | 2,960 | 4,450 | 5,710 | 7,220 | 10,120 | 13,520 | 16,160 | 18,790 | - | |
| 20 | 3,210 | 4,900 | 6,360 | 8,070 | 11,320 | 15,030 | 18,040 | 21,040 | 27,050 | |
| 25 | 3,490 | 5,450 | 7,100 | 9,080 | 12,730 | 16,770 | 20,230 | 23,680 | 30,570 | |
| 30 | 3,590 | 5,610 | 7,340 | 9,390 | 13,170 | 17,340 | 20,920 | 24,500 | 31,670 | |
| SH-SSPJ | 8 | 4,390 | 6,570 | 8,460 | 10,680 | 14,930 | - | - | - | - |
| 10 | 3,880 | 5,660 | 7,170 | 8,960 | 12,520 | 16,520 | - | - | - | |
| 12 | 3,380 | 4,730 | 5,880 | 7,240 | 10,120 | 13,520 | 15,900 | - | - | |
| 13 | 3,480 | 4,890 | 6,100 | 7,530 | 10,520 | 14,020 | 16,520 | - | - | |
| 16 | 3,560 | 5,050 | 6,310 | 7,820 | 10,920 | 14,520 | 17,160 | 19,790 | - | |
| 20 | 3,810 | 5,500 | 6,960 | 8,670 | 12,120 | 16,030 | 19,040 | 22,040 | 28,050 | |
| 25 | 4,090 | 6,050 | 7,700 | 9,680 | 13,530 | 17,770 | 21,230 | 24,680 | 31,570 | |
| 30 | 4,190 | 6,210 | 7,940 | 9,990 | 13,970 | 18,340 | 21,920 | 25,500 | 32,670 | |
| 数量区分 | 標準対応 | 個別対応 | |||
| 小口 | 大口 | ||||
| 数 量 | 1〜4 | 5〜12 | 13〜19 | 20〜50 | 51 |
| 値引率 | 基準単価 | 5% | 10% | 15% | お見積り |

通常価格、通常出荷日が表示と異なる場合がございます
通常価格、通常出荷日が表示と異なる場合がございます

ミスミ
シャフト ストレートタイプ
4.7通常価格(税別):200円~

ミスミ
シャフト 両端めねじタイプ
4.7
ミスミ
シャフト 片端めねじタイプ
4.6
ミスミ
シャフト 両端めねじキリ穴付タイプ・スパナ溝付タイプ
4.4
ミスミ
シャフト 片端めねじキリ穴付・スパナ溝付タイプ
4.6
ミスミ
シャフト 片端おねじ・片端めねじ 逃げ溝スパナ溝付き/キリ穴付き
4.6
ミスミ
シャフト 片端おねじ逃げ溝 キリ穴付きタイプ・スパナ溝付きタイプ
4.5
ミスミ
シャフト パイプタイプ
4.2
ミスミ
シャフト 片端おねじ・片端めねじタイプ
4.5