メカニカル部品技術窓口
ミスミ品のみ対象

「脱脂洗浄」「精密洗浄」「電解研磨+精密洗浄」3種類の洗浄方法が選択可能、いずれも標準型番で1個からご...
詳細を確認両端めねじパイプタイプ
両端めねじパイプスパナ溝付きタイプ

メッキ無し品は
です。| Type | [ M ]材質 | [ H ]硬度 | [ S ]表面処理 | 洗浄方法 | ||||
| 両端めねじ | 両端めねじ スパナ溝付 | |||||||
| 洗浄方法 | 洗浄環境 | 梱包形態 | 梱包環境 | |||||
| SL-SSPJW | SL-SSPWR | SUS440Cまたは 13Cr系ステンレス | 高周波焼入 有効硬化層深さ >>こちら SUJ2相当 58HRC〜 SUS440Cまたは 13Cr系ステンレス 56HRC〜 | − | 脱脂洗浄 | 一般環境 | 防錆梱包 | 一般環境 |
| SH-SSPJW | SH-SSPWR | 精密洗浄 | クラス1000 | 脱気2重梱包 | クラス10 | |||
| SL-RSPJW | SL-RSPWR | SUJ2相当 | 低温黒色クロムメッキ | 脱脂洗浄 | 一般環境 | 防錆梱包 | 一般環境 | |
| SH-RSPJW | SH-RSPWR | 精密洗浄 | クラス1000 | 脱気2重梱包 | クラス10 | |||
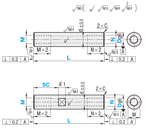
詳細図を記載しておりますので、ご確認ください。| 型式 | − | L | − | M | − | N | − | SC |
| SL-SSPJW20 SH-SSPWR30 | − − | 500 680 | − − | M16 M20 | − − | N16 N20 | − | SC10 |
| 型式 | L 指定1mm単位 | M(並目)・N(並目) 選択 | D公差 | d | C | ||||
| Type | D | ||||||||
| SL-SSPJW SH-SSPJW | 8 | 20~300 | 5 | -0.005 -0.014 | 3 | 0.5以下 | |||
| 10 | 20~400 | 6 | -0.005 -0.014 | 4 | 0.5以下 | ||||
| 12 | 32~500 | 8 | T1(RC1/8) | -0.006 -0.017 | 5 | 0.5以下 | |||
| 13 | 40~500 | 10 | T1(RC1/8) | -0.006 -0.017 | 5 | 0.5以下 | |||
| 16 | 48~600 | 12 | T2(RC1/4) | -0.006 -0.017 | 6 | 0.5以下 | |||
| 20 | 64~800 | 16 | T3(RC3/8) | -0.007 -0.020 | 8 | 1.0以下 | |||
| 25 | 80~800 | 20 | -0.007 -0.020 | 10 | 1.0以下 | ||||
| 30 | 80~800 | 20 | -0.007 -0.020 | 12 | 1.0以下 | ||||
| 型式 | L 指定1mm単位 | M(並目)・N(並目) 選択 | D公差 | d | C | |||||
| Type | D | |||||||||
| SL-RSPJW SH-RSPJW | 6 | 20~500 | 3 | -0.004 -0.012 | 2 | 0.5以下 | ||||
| 8 | 20~500 | 4 | 5 | -0.005 -0.014 | 3 | 0.5以下 | ||||
| 10 | 20~500 | 5 | 6 | -0.005 -0.014 | 4 | 0.5以下 | ||||
| 12 | 32~500 | 8 | T1(RC1/8) | -0.006 -0.017 | 6 | 0.5以下 | ||||
| 13 | 40~500 | 10 | T1(RC1/8) | -0.006 -0.017 | 7 | 0.5以下 | ||||
| 16 | 48~500 | 12 | T2(RC1/4) | -0.006 -0.017 | 10 | 0.5以下 | ||||
| 20 | 64~500 | 16 | T3(RC3/8) | -0.007 -0.020 | 14 | 1.0以下 | ||||
| 25 | 80~500 | 20 | -0.007 -0.020 | 16 | 1.0以下 | |||||
| 30 | 80~500 | 20 | -0.007 -0.020 | 17 | 1.0以下 | |||||
| 型式 | L 指定1mm単位 | M(並目)・N(並目) 選択 | スパナ溝寸法 | D公差 | d | C | ||||||
| Type | D | SC | W | ℓ1 | ||||||||
| SL-SSPWR SH-SSPWR | 8 | 20~300 | 5 | 7 | 8 | -0.005 -0.014 | 3 | 0.5以下 | ||||
| 10 | 20~400 | 6 | 8 | 8 | -0.005 -0.014 | 4 | 0.5以下 | |||||
| SC=指定1mm単位 | ||||||||||||
| 12 | 32~500 | 8 | T1(RC1/8) | [ ! ]D≦25の場合 | 10 | 10 | -0.006 -0.017 | 5 | 0.5以下 | |||
| SC+ℓ1≦L-N×2 | ||||||||||||
| 13 | 40~500 | 10 | T1(RC1/8) | SC≧M×2 | 11 | 10 | -0.006 -0.017 | 5 | 0.5以下 | |||
| [ ! ]D≧30の場合 | ||||||||||||
| 16 | 48~600 | 12 | T2(RC1/4) | SC+ℓ1≦L | 14 | 10 | -0.006 -0.017 | 6 | 0.5以下 | |||
| SC≧0 | ||||||||||||
| 20 | 64~800 | 16 | T3(RC3/8) | 17 | 10 | -0.007 -0.020 | 8 | 1.0以下 | ||||
| 25 | 80~800 | 20 | [ ! ]スパナ溝詳細 | 22 | 10 | -0.007 -0.020 | 10 | 1.0以下 | ||||
| こちら | ||||||||||||
| 30 | 80~800 | 20 | 27 | 15 | -0.007 -0.020 | 12 | 1.0以下 | |||||
| 型式 | L 指定1mm単位 | M(並目)・N(並目) 選択 | スパナ溝寸法 | D公差 | d | C | |||||||
| Type | D | SC | W | ℓ1 | |||||||||
| SL-RSPWR SH-RSPWR | 6 | 20~500 | 3 | 5 | 8 | -0.004 -0.012 | 2 | 0.5以下 | |||||
| 8 | 20~500 | 4 | 5 | 7 | 8 | -0.005 -0.014 | 3 | 0.5以下 | |||||
| 10 | 20~500 | 5 | 6 | SC=指定1mm単位 | 8 | 8 | -0.005 -0.014 | 4 | 0.5以下 | ||||
| [ ! ]D≦25の場合 | |||||||||||||
| 12 | 32~500 | 8 | T1(RC1/8) | SC+ℓ1≦L-N×2 | 10 | 10 | -0.006 -0.017 | 6 | 0.5以下 | ||||
| SC≧M×2 | |||||||||||||
| 13 | 40~500 | 10 | T1(RC1/8) | [ ! ]D≧30の場合 | 11 | 10 | -0.006 -0.017 | 7 | 0.5以下 | ||||
| SC+ℓ1≦L | |||||||||||||
| 16 | 48~500 | 12 | T2(RC1/4) | SC≧0 | 14 | 10 | -0.006 -0.017 | 10 | 0.5以下 | ||||
| 20 | 64~500 | 16 | T3(RC3/8) | 17 | 10 | -0.007 -0.020 | 14 | 1.0以下 | |||||
| 25 | 80~500 | 20 | [ ! ]スパナ溝詳細 | 22 | 10 | -0.007 -0.020 | 16 | 1.0以下 | |||||
| こちら | |||||||||||||
| 30 | 80~500 | 20 | 27 | 15 | -0.007 -0.020 | 17 | 1.0以下 | ||||||
| 追加工 コード | 追加工内容 | 固定寸法 | 適用条件 | 指定例 | ¥/1Code | |||||||||||||||||||||||||||||||
|---|---|---|---|---|---|---|---|---|---|---|---|---|---|---|---|---|---|---|---|---|---|---|---|---|---|---|---|---|---|---|---|---|---|---|---|---|
| DKC | 外径公差を |
| [ NG ] ステンレスタイプ・低温黒色クロムメッキは適応不可 | SPJW30-500-M20-N20-DKC | 400 | |||||||||||||||||||||||||||||||
| LKC | L寸法・公差を | ・L<200→L±0.03 ・200≦L<500→L±0.05 ・L≧500→L±0.1 | [ ! ] L寸単位0.1mm指定可 | SPJW30-500.5-M20-N20-LKC | 400 | |||||||||||||||||||||||||||||||
| WSC | スパナ溝2箇所追加 |
| [ ! ] WSC, X =指定1mm単位 [ ! ] D≦25の場合、 WSC+X+ℓ1×2<L, WSC≧M×2, X≧M×2 [ ! ] D≧30の場合、 WSC+X+ℓ1×2<L, WSC≧0, X≧0 [ NG ]追加工の角度にずれが生じる為、 同一平面上にはなりません。 | SPJW30-500-M20-N20-WSC12-X8 | 800 |
[ ! ]型式は洗浄前商品の型式で記載しております。
・上記以外の追加工をご希望の場合は、「 カタログ規格外サービス」にてお見積りください。


| D | 真円度 M | |
|---|---|---|
| を超え | 以下 | |
| 5 | 13 | 0.004 |
| 13 | 20 | 0.005 |
| 20 | 40 | 0.006 |
| 40 | 50 | 0.007 |
| D | L | 真直度 K | |
|---|---|---|---|
| 6~50 | L≦100 | 0.01以下 | |
| L>100 | (L/100)×0.01以下 | ||
| L | L寸法 公差 | |
|---|---|---|
| を超え | 以下 | |
| 19 | 30 | ±0.2 |
| 30 | 120 | ±0.3 |
| 120 | 400 | ±0.5 |
| 400 | 1000 | ±0.8 |
| 1000 | 1500 | ±1.2 |
■パイプシャフト偏肉・パイプ内径について
パイプシャフトは材質によって偏肉量(A-B)、パイプ内径(d)が異なります。
| 外径 (D) | SUJ2相当 | SUS440Cまたは 13Cr系ステンレス | ||
| 偏肉量 | 内径 | 偏肉量 | 内径 | |
| 6 | 0.3以下 | 2 | − | − |
| 8 | 0.4以下 | 3 | 1.5以下 | 3 |
| 10 | 4 | 4.0以下 | 4 | |
| 12 | 6 | 5 | ||
| 13 | 7 | 5 | ||
| 16 | 10 | 6 | ||
| 20 | 14 | 8 | ||
| 25 | 0.6以下 | 16 | 10 | |
| 30 | 1.0以下 | 17 | 12 | |
| 35 | 19 | − | − | |
| 40 | 1.5以下 | 20 | − | − |
| 50 | 26 | − | − | |

※パイプシャフトの内部はメッキ処理されません。よって、錆の発生があります。
■加工部の硬度低下について
・母材焼入れ後に加工をいたしますが、加工のための焼きなましにより硬度低下の可能性があります。
※低下後硬度:10~40HRC程度
■硬度低下範囲
・加工部から10mm程度

■焼なましによる硬度低下加工部
・スパナ溝
■めねじの硬度低下条件
めねじは材質や選定条件により硬度低下の条件が異なります。
■焼き入れの有効硬化層深さ
有効硬化層深さは外形寸法や材質の違いにより異なります。
| 外径 D | 有効硬化層深さ | |||
|---|---|---|---|---|
| SUJ2相当 | SUS440C/ 13Cr系ステンレス | |||
| 6~10 | 0.5以上 | 0.5以上 | ||
| 12・13 | 0.7以上 | |||
| 16・20 | 0.7以上 | |||
| 25~50 | 1.0以上 | |||
■硬質クロムメッキ及び加工部のメッキ層について
※パイプシャフトの内部はメッキ処理されません。よって、錆の発生があります。
///部:メッキ残部

・リニアシャフトと 回転軸用シャフトの仕様比較
■基本仕様
| 仕様 | シャフト | 回転軸 | ||||||||
|---|---|---|---|---|---|---|---|---|---|---|
| 材質 | SUJ2相当 SUS440Cまたは13Cr系ステンレス | S45C相当 SUS304 | S45C相当 SUS304 | SCM435 | ||||||
| 焼き入れ | 高周波焼き入れ | - | - | 硬度30~35HRC | ||||||
| 外径公差 | g6/h5 | f8 | g6/h9/h7 | g6 | ||||||
| 表面処理 | メッキ無 硬質クロムメッキ 低温黒色クロムメッキ 無電解ニッケルメッキ(全長表面処理タイプ) | 硬質クロムメッキ | メッキ無 四三酸化鉄皮膜 無電解ニッケルメッキ | 四三酸化鉄皮膜 無電解ニッケルメッキ | ||||||
※硬質クロムメッキは加工部にメッキ層が残りません。詳しくは こちらをご確認ください
■追加工
| 追加工名称 | シャフト | 回転軸 | |||||
|---|---|---|---|---|---|---|---|
| L寸公差変更 | L<200⇒L±0.03 200≦L<500⇒L±0.05 L≧500⇒L±0.1 | L<500⇒L±0.05 L≧500⇒L±0.1 L≧800は適用不可 | |||||
| スパナ溝追加工 | 2箇所まで指定可能 | 1箇所まで指定可能 | |||||
| 平面取り | 2箇所まで指定可能 | 3箇所まで指定可能 | |||||
| 2面取り追加工 | 2箇所まで指定可能 角度指定:固定 | 1箇所まで指定可能 角度指定:15度単位で指定可能 | |||||
| V溝追加工 | 2箇所まで指定可能 | - | |||||
| キー溝 | 2箇所まで指定可能 段部への加工:不可 | 4箇所まで指定可能 段部への加工:可 | |||||
| おねじ細目ねじ変更 | 2種類 | 1種類 | |||||
| めねじ細目ねじ変更 | 1種類 | - | |||||
| 逃げ溝追加 | M6~M30 | M3~M30 | |||||
| めねじ深さ変更 | 可能 | 可能 | |||||
| 止め輪溝 | 2箇所指定可能 (追加工ではなく止め輪付タイプとなります) | D部2箇所、段部それぞれ1箇所 併用可 | |||||
| スリットカム用溝 | - | 1箇所まで指定可能 | |||||
| 同軸度変更 | - | 可能 | |||||
| おねじ左ねじ変更 | - | 可能 | |||||
| すり割り溝追加 | - | 1箇所まで指定可能 | |||||
| C面取り幅変更 | - | 可能 | |||||
■よくある質問
//jp.misumi-ec.com/maker/misumi/mech/linear_shaft/tech_support/#anc06
洗浄工程| ※材質がステンレスの場合、アルカリ系温水洗浄となることがあります。 | |
| ・脱脂洗浄(型式:SL-□□) | ※表面処理が低温黒色クロムメッキの場合、IPA洗浄となります。 |
作業環境:一般環境 | ||||||
|---|---|---|---|---|---|---|
![]() 炭化水素系洗浄※ Ro水洗浄 中性洗剤洗浄 | ![]() | ![]() 高圧ジェット水洗(Ro水) 後に純水(10MΩ・cm)で 洗浄 | ![]() | ![]() エアブロー(オイルフリー) 使用 | ![]() | ![]() 防錆袋使用 |
| ・精密洗浄(型式:SH-□□) | ※表面処理が低温黒色クロムメッキの場合、IPA洗浄となります。 |
作業環境:クラス1000 | 作業環境:クラス10 | |||||||
|---|---|---|---|---|---|---|---|---|
![]() 炭化水素系洗浄※ Ro水洗浄 中性洗剤洗浄 | ![]() | ![]() 高圧ジェット水洗(Ro水) 後に純水(10MΩ・cm)で 洗浄 | ![]() | ![]() 温純水(13MΩ・cm)使用 | ![]() | ![]() 窒素ブロー使用 | ![]() | ![]() クリーンベンチ(クラス10) で実施 |
作業環境:クラス1000 | 作業環境:クラス10 | |||||||||
|---|---|---|---|---|---|---|---|---|---|---|
![]() 炭化水素系洗浄 Ro水洗浄 中性洗剤洗浄 | ![]() | ![]() 材質に応じた電解研磨槽 で電解研磨 | ![]() | ![]() 高圧ジェット水洗(Ro水) 後に純水(10MΩ・cm)で 洗浄 | ![]() | ![]() 温純水(13MΩ・cm)使用 | ![]() | ![]() 窒素ブロー使用 | ![]() | ![]() クリーンベンチ(クラス10) で実施 |
梱包例| 脱脂洗浄の場合 (TYPE型番:SL-□□) | 精密洗浄または電解研磨+精密洗浄の場合 | |
| (TYPE型番:SH-□□・SHD-□□) | ||
| オーステナイト系ステンレス・アルミ材質の場合 | 鉄・マルテンサイト系ステンレス材質の場合 | |
![]() | ![]() | ![]() |
| 一部商品・サイズによっては、 梱包形態が異なる場合がございます。 | [ ! ]1重目・2重目の梱包とも、脱気されております。 | [ ! ]防錆対策として乾燥剤を同封しております。 1梱包につき1つになります。 |
洗浄効果・利用推奨環境| 洗浄方法 | 商品型番 | 梱包形態 | 未洗浄品と比べた効果 | ご利用環境(目安) | 利用シーン・工程 |
|---|---|---|---|---|---|
| 脱脂洗浄 | SL-□□ | 防錆梱包 | 油分除去 | 一般環境 | 通常組立工程 |
| バッテリー組立後工程 | |||||
| 精密洗浄 | SH-□□ | 脱気2重梱包 | 油分除去 粉塵除去 | クリーン環境(クラス10~1,000) | バッテリー組立工程 |
| 液晶関連組立後工程 | |||||
| 車載カメラ組立工程 | |||||
| 電解研磨+精密洗浄 | SHD-□□ | 脱気2重梱包 | 油分除去 粉塵除去 アウトガス低減 | 真空環境 クリーン環境(クラス10~1,000) | 半導体前工程 |
| 液晶成膜工程 | |||||
| 有機EL前工程 |
| 型番 |
|---|
通常単価(税別)
(税込単価) | 通常出荷日 |
洗浄不要の場合の代替品
|
|---|
- ( - ) | 11日目 |
|
- ( - ) | 11日目 |
|
- ( - ) | 11日目 |
|
- ( - ) | 11日目 |
|
- ( - ) | 11日目 |
|
- ( - ) | 11日目 |
|
- ( - ) | 11日目 |
|
- ( - ) | 11日目 |
|
- ( - ) | 11日目 |
|
- ( - ) | 11日目 |
|
- ( - ) | 11日目 |
|
- ( - ) | 11日目 |
|
- ( - ) | 11日目 |
|
- ( - ) | 11日目 |
|
- ( - ) | 11日目 |
|
- ( - ) | 11日目 |
|
- ( - ) | 11日目 |
|
- ( - ) | 11日目 |
|
- ( - ) | 11日目 |
|
- ( - ) | 11日目 |
|
- ( - ) | 11日目 |
|
- ( - ) | 11日目 |
|
- ( - ) | 11日目 |
|
- ( - ) | 11日目 |
|
- ( - ) | 11日目 |
|
- ( - ) | 11日目 |
|
- ( - ) | 11日目 |
|
- ( - ) | 11日目 |
|
- ( - ) | 11日目 |
|
- ( - ) | 11日目 |
|
- ( - ) | 11日目 |
|
- ( - ) | 11日目 |
|
- ( - ) | 11日目 |
|
- ( - ) | 11日目 |
|
- ( - ) | 11日目 |
|
- ( - ) | 11日目 |
|
- ( - ) | 11日目 |
|
- ( - ) | 11日目 |
|
- ( - ) | 11日目 |
|
- ( - ) | 11日目 |
|
- ( - ) | 11日目 |
|
- ( - ) | 11日目 |
|
- ( - ) | 6日目 |
|
- ( - ) | 6日目 |
|
- ( - ) | 6日目 |
|
- ( - ) | 6日目 |
|
- ( - ) | 6日目 |
|
- ( - ) | 6日目 |
|
- ( - ) | 6日目 |
|
- ( - ) | 6日目 |
|
- ( - ) | 6日目 |
|
- ( - ) | 6日目 |
|
- ( - ) | 6日目 |
|
- ( - ) | 6日目 |
|
- ( - ) | 6日目 |
|
- ( - ) | 6日目 |
|
- ( - ) | 6日目 |
|
- ( - ) | 6日目 |
|
- ( - ) | 6日目 |
|
- ( - ) | 6日目 |
| ・脱脂洗浄(防錆1重梱包) | :型番SL-□□ |
| ・精密洗浄(脱気2重梱包) | :型番SH-□□ |
| ・電解研磨+精密洗浄(脱気2重梱包) | :型番SHD-□□ |
| 商品型番 | 洗浄方法 | 梱包形態 | 未洗浄品と比べた効果 | ご利用環境(目安) | 工程別 |
| SL-□□ | 脱脂洗浄 | 防錆梱包 | 油分除去 | 一般環境 | 通常組立工程 |
| バッテリー組立後工程 | |||||
| SH-□□ | 精密洗浄 | 脱気2重梱包 | 油分除去 粉塵除去 | クリーン環境(クラス10~1,000) | バッテリー組立工程 |
| 液晶関連組立後工程 | |||||
| 車載カメラ組立工程 | |||||
| SHD-□□ | 電解研磨+精密洗浄 | 脱気2重梱包 | 油分除去 粉塵除去 アウトガス低減 | 真空環境 クリーン環境(クラス10~1,000) | 半導体前工程 |
| 液晶成膜工程 | |||||
| 有機EL前工程 |
| 型式 | ¥基準単価 | |||||||||
| Type | D | 最短L~50 | L51~100 | L101~150 | L151~200 | L201~300 | L301~400 | L401~500 | L501~600 | L601~800 |
| SL-SSPJW | 8 | 4,790 | 6,000 | 10,940 | 14,530 | 23,210 | - | - | - | - |
| 10 | 4,290 | 5,060 | 9,220 | 11,950 | 19,210 | 24,940 | - | - | - | |
| 12 | 3,790 | 4,150 | 7,500 | 9,380 | 15,200 | 19,680 | 27,540 | - | - | |
| 13 | 3,880 | 4,310 | 7,790 | 9,810 | 15,870 | 20,560 | 28,810 | - | - | |
| 16 | 4,290 | 4,470 | 8,360 | 10,250 | 16,800 | 21,440 | 30,310 | 37,220 | - | |
| 20 | 4,540 | 4,940 | 9,220 | 11,530 | 18,800 | 24,080 | 34,060 | 42,110 | 58,100 | |
| 25 | 4,970 | 5,470 | 10,340 | 13,050 | 21,250 | 27,160 | 38,560 | 47,810 | 66,120 | |
| 30 | 5,060 | 5,680 | 10,650 | 13,540 | 21,990 | 28,130 | 39,930 | 49,620 | 68,590 | |
| SH-SSPJW | 8 | 5,390 | 6,600 | 11,540 | 15,130 | 24,010 | - | - | - | - |
| 10 | 4,890 | 5,660 | 9,820 | 12,550 | 20,010 | 25,940 | - | - | - | |
| 12 | 4,390 | 4,750 | 8,100 | 9,980 | 16,000 | 20,680 | 28,540 | - | - | |
| 13 | 4,480 | 4,910 | 8,390 | 10,410 | 16,670 | 21,560 | 29,810 | - | - | |
| 16 | 4,890 | 5,070 | 8,960 | 10,850 | 17,600 | 22,440 | 31,310 | 38,220 | - | |
| 20 | 5,140 | 5,540 | 9,820 | 12,130 | 19,600 | 25,080 | 35,060 | 43,110 | 59,100 | |
| 25 | 5,570 | 6,070 | 10,940 | 13,650 | 22,050 | 28,160 | 39,560 | 48,810 | 67,120 | |
| 30 | 5,660 | 6,280 | 11,250 | 14,140 | 22,790 | 29,130 | 40,930 | 50,620 | 69,590 | |
| 型式 | ¥基準単価 | |||||||||
| Type | D | 最短L~50 | L51~100 | L101~150 | L151~200 | L201~300 | L301~400 | L401~500 | L501~600 | L601~800 |
| SL-SSPWR | 8 | 5,230 | 6,440 | 11,380 | 14,970 | 23,660 | - | - | - | - |
| 10 | 4,730 | 5,510 | 9,660 | 12,400 | 19,650 | 25,380 | - | - | - | |
| 12 | 4,240 | 4,600 | 7,950 | 9,820 | 15,640 | 20,120 | 27,990 | - | - | |
| 13 | 4,320 | 4,760 | 8,230 | 10,260 | 16,310 | 21,000 | 29,250 | - | - | |
| 16 | 4,730 | 4,910 | 8,810 | 10,690 | 17,240 | 21,880 | 30,760 | 37,670 | - | |
| 20 | 4,990 | 5,380 | 9,660 | 11,970 | 19,250 | 24,520 | 34,510 | 42,550 | 58,550 | |
| 25 | 5,430 | 5,920 | 10,800 | 13,510 | 21,710 | 27,620 | 39,010 | 48,270 | 66,570 | |
| 30 | 5,510 | 6,130 | 11,110 | 13,990 | 22,440 | 28,580 | 40,380 | 50,070 | 69,050 | |
| SH-SSPWR | 8 | 5,830 | 7,040 | 11,980 | 15,570 | 24,460 | - | - | - | - |
| 10 | 5,330 | 6,110 | 10,260 | 13,000 | 20,450 | 26,380 | - | - | - | |
| 12 | 4,840 | 5,200 | 8,550 | 10,420 | 16,440 | 21,120 | 28,990 | - | - | |
| 13 | 4,920 | 5,360 | 8,830 | 10,860 | 17,110 | 22,000 | 30,250 | - | - | |
| 16 | 5,330 | 5,510 | 9,410 | 11,290 | 18,040 | 22,880 | 31,760 | 38,670 | - | |
| 20 | 5,590 | 5,980 | 10,260 | 12,570 | 20,050 | 25,520 | 35,510 | 43,550 | 59,550 | |
| 25 | 6,030 | 6,520 | 11,400 | 14,110 | 22,510 | 28,620 | 40,010 | 49,270 | 67,570 | |
| 30 | 6,110 | 6,730 | 11,710 | 14,590 | 23,240 | 29,580 | 41,380 | 51,070 | 70,050 | |
| 型式 | ¥基準単価 | |||||||
| Type | D | 最短L~50 | L51~100 | L101~150 | L151~200 | L201~300 | L301~400 | L401~500 |
| SL-RSPJW | 6 | 2,960 | 3,100 | 3,250 | 3,410 | 4,240 | 6,060 | 6,400 |
| 8 | 3,010 | 3,170 | 3,320 | 3,630 | 4,520 | 6,350 | 6,910 | |
| 10 | 2,950 | 3,090 | 3,380 | 3,510 | 4,650 | 6,420 | 6,900 | |
| 12 | 3,060 | 3,400 | 3,750 | 4,090 | 5,180 | 7,260 | 8,000 | |
| 13 | 3,010 | 3,310 | 3,620 | 3,940 | 5,130 | 7,130 | 7,800 | |
| 16 | 3,180 | 3,490 | 3,960 | 4,300 | 5,820 | 7,960 | 8,820 | |
| 20 | 3,190 | 3,810 | 4,450 | 4,940 | 6,610 | 9,090 | 9,560 | |
| 25 | 3,550 | 4,700 | 5,620 | 6,540 | 8,210 | 11,210 | 12,790 | |
| 30 | 4,010 | 5,410 | 6,730 | 7,320 | 10,120 | 12,970 | 15,090 | |
| SH-RSPJW | 6 | 3,560 | 3,700 | 3,850 | 4,010 | 5,040 | 7,060 | 7,400 |
| 8 | 3,610 | 3,770 | 3,920 | 4,230 | 5,320 | 7,350 | 7,910 | |
| 10 | 3,550 | 3,690 | 3,980 | 4,110 | 5,450 | 7,420 | 7,900 | |
| 12 | 3,660 | 4,000 | 4,350 | 4,690 | 5,980 | 8,260 | 9,000 | |
| 13 | 3,610 | 3,910 | 4,220 | 4,540 | 5,930 | 8,130 | 8,800 | |
| 16 | 3,780 | 4,090 | 4,560 | 4,900 | 6,620 | 8,960 | 9,820 | |
| 20 | 3,790 | 4,410 | 5,050 | 5,540 | 7,410 | 10,090 | 10,560 | |
| 25 | 4,150 | 5,300 | 6,220 | 7,140 | 9,010 | 12,210 | 13,790 | |
| 30 | 4,610 | 6,010 | 7,330 | 7,920 | 10,920 | 13,970 | 16,090 | |
| 型式 | ¥基準単価 | |||||||
| Type | D | 最短L~50 | L51~100 | L101~150 | L151~200 | L201~300 | L301~400 | L401~500 |
| SL-RSPWR | 6 | 3,410 | 3,550 | 3,700 | 3,850 | 4,680 | 6,500 | 6,840 |
| 8 | 3,450 | 3,610 | 3,770 | 4,080 | 4,970 | 6,800 | 7,350 | |
| 10 | 3,400 | 3,540 | 3,820 | 3,950 | 5,100 | 6,860 | 7,340 | |
| 12 | 3,510 | 3,840 | 4,190 | 4,530 | 5,630 | 7,700 | 8,440 | |
| 13 | 3,450 | 3,760 | 4,070 | 4,380 | 5,570 | 7,570 | 8,240 | |
| 16 | 3,620 | 3,940 | 4,410 | 4,750 | 6,260 | 8,400 | 9,270 | |
| 20 | 3,630 | 4,260 | 4,890 | 5,380 | 7,060 | 9,530 | 10,000 | |
| 25 | 4,000 | 5,160 | 6,080 | 6,990 | 8,660 | 11,670 | 13,240 | |
| 30 | 4,470 | 5,860 | 7,190 | 7,770 | 10,570 | 13,430 | 15,540 | |
| SH-RSPWR | 6 | 4,010 | 4,150 | 4,300 | 4,450 | 5,480 | 7,500 | 7,840 |
| 8 | 4,050 | 4,210 | 4,370 | 4,680 | 5,770 | 7,800 | 8,350 | |
| 10 | 4,000 | 4,140 | 4,420 | 4,550 | 5,900 | 7,860 | 8,340 | |
| 12 | 4,110 | 4,440 | 4,790 | 5,130 | 6,430 | 8,700 | 9,440 | |
| 13 | 4,050 | 4,360 | 4,670 | 4,980 | 6,370 | 8,570 | 9,240 | |
| 16 | 4,220 | 4,540 | 5,010 | 5,350 | 7,060 | 9,400 | 10,270 | |
| 20 | 4,230 | 4,860 | 5,490 | 5,980 | 7,860 | 10,530 | 11,000 | |
| 25 | 4,600 | 5,760 | 6,680 | 7,590 | 9,460 | 12,670 | 14,240 | |
| 30 | 5,070 | 6,460 | 7,790 | 8,370 | 11,370 | 14,430 | 16,540 | |
| 数量区分 | 標準対応 | 個別対応 | |||
| 小口 | 大口 | ||||
| 数 量 | 1〜4 | 5〜12 | 13〜19 | 20〜50 | 51〜 |
| 値引率 | 基準単価 | 5% | 10% | 15% | お見積り |
