メカニカル部品技術窓口

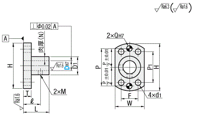
■二面フランジ●D12~50| Type | [ M ] 材質 | [ S ] 表面処理 | 洗浄方法 | |||
| 二面フランジ | 洗浄方法 | 洗浄環境 | 梱包形態 | 梱包環境 | ||
| SL-STHCNK | 一般構造用鋼 | 無電解ニッケルメッキ | 脱脂洗浄 | 一般環境 | 防錆梱包 | 一般環境 |
| SH-STHCNK | 精密洗浄 | クラス1000 | 脱気2重梱包 | クラス10 | ||
詳細図を記載しておりますので、ご確認ください。| 型式 | |
| SL-STHCNK12 |
| 型式 | ホールド部 肉厚(N) | L | D1 | H | T | ℓ | M (並目) | P | W | P1 | F | d1 | Q | ¥基準単価 | |||
| Type | DH7 | 二面フランジ | |||||||||||||||
| SL-STHCNK | SH-STHCNK | ||||||||||||||||
| 二面フランジ SL-STHCNK SH-STHCNK | 8 | +0.015 0 | 3.5 | 18 | 15 | 32 | 5 | 14 | M3 | 25 | 15 | 25 | ー | 3.5 | 4 | 2,890 | 3,490 |
| 10 | 5 | 20 | 20 | 38 | 15 | 30 | 20 | 30 | 4.5 | 3,040 | 3,640 | ||||||
| 12 | +0.018 0 | 24 | 22 | 40 | 6 | M4 | 32 | 25 | 28 | 16 | 3,250 | 3,850 | |||||
| 15 | 6 | 32 | 28 | 50 | 19 | 40 | 32 | 33 | 22 | 5.5 | 5 | 3,660 | 4,260 | ||||
| 16 | 3,660 | 4,260 | |||||||||||||||
| 20 | +0.021 0 | 7.5 | 35 | 63 | 8 | 20 | M5 | 50 | 40 | 42 | 25 | 6.6 | 3,750 | 4,350 | |||
| 25 | 38 | 40 | 68 | 23 | 55 | 45 | 45 | 30 | 6 | 3,990 | 4,590 | ||||||
| 30 | 45 | 73 | 10 | 24 | M6 | 60 | 50 | 48 | 35 | 4,300 | 4,900 | ||||||
| 35 | +0.025 0 | 12.5 | 45 | 60 | 94 | 27 | 77 | 66 | 58 | 50 | 9 | 5,630 | 6,230 | ||||
| 40 | 15 | 50 | 70 | 104 | 12 | 30 | M8 | 87 | 76 | 67 | 55 | 7,860 | 8,460 | ||||
| 50 | 17.5 | 55 | 85 | 119 | 33 | M10 | 102 | 91 | 82 | 60 | 13,390 | 13,990 | |||||
| 型式 | − | (MB) |
| SL-STHCNK20 | − | MB |
| Alterations | 六角穴付止めねじ付属 | |||||||||||
| Code | MB | |||||||||||
| Spec. | 六角穴付止めねじを付属します。 外筒(D1)よりねじが飛び出す可能性があります。 [ ! ]四三酸化鉄皮膜品の付属ボルトはSCM435品(四三酸化鉄皮膜) [ ! ]上記以外はSUS品 [ ! ]付属止めねじは2本となります。
| |||||||||||
| ¥/1Code | 無料 | |||||||||||
洗浄工程| ※材質がステンレスの場合、アルカリ系温水洗浄となることがあります。 | |
| ・脱脂洗浄(型式:SL-□□) | ※表面処理が低温黒色クロムメッキの場合、IPA洗浄となります。 |
作業環境:一般環境 | ||||||
|---|---|---|---|---|---|---|
![]() 炭化水素系洗浄※ Ro水洗浄 中性洗剤洗浄 | ![]() | ![]() 高圧ジェット水洗(Ro水) 後に純水(10MΩ・cm)で 洗浄 | ![]() | ![]() エアブロー(オイルフリー) 使用 | ![]() | ![]() 防錆袋使用 |
| ・精密洗浄(型式:SH-□□) | ※表面処理が低温黒色クロムメッキの場合、IPA洗浄となります。 |
作業環境:クラス1000 | 作業環境:クラス10 | |||||||
|---|---|---|---|---|---|---|---|---|
![]() 炭化水素系洗浄※ Ro水洗浄 中性洗剤洗浄 | ![]() | ![]() 高圧ジェット水洗(Ro水) 後に純水(10MΩ・cm)で 洗浄 | ![]() | ![]() 温純水(13MΩ・cm)使用 | ![]() | ![]() 窒素ブロー使用 | ![]() | ![]() クリーンベンチ(クラス10) で実施 |
作業環境:クラス1000 | 作業環境:クラス10 | |||||||||
|---|---|---|---|---|---|---|---|---|---|---|
![]() 炭化水素系洗浄 Ro水洗浄 中性洗剤洗浄 | ![]() | ![]() 材質に応じた電解研磨槽 で電解研磨 | ![]() | ![]() 高圧ジェット水洗(Ro水) 後に純水(10MΩ・cm)で 洗浄 | ![]() | ![]() 温純水(13MΩ・cm)使用 | ![]() | ![]() 窒素ブロー使用 | ![]() | ![]() クリーンベンチ(クラス10) で実施 |
梱包例| 脱脂洗浄の場合 (TYPE型番:SL-□□) | 精密洗浄または電解研磨+精密洗浄の場合 | |
| (TYPE型番:SH-□□・SHD-□□) | ||
| オーステナイト系ステンレス・アルミ材質の場合 | 鉄・マルテンサイト系ステンレス材質の場合 | |
![]() | ![]() | ![]() |
| 一部商品・サイズによっては、 梱包形態が異なる場合がございます。 | [ ! ]1重目・2重目の梱包とも、脱気されております。 | [ ! ]防錆対策として乾燥剤を同封しております。 1梱包につき1つになります。 |
洗浄効果・利用推奨環境洗浄方法 | 商品型番 | 梱包形態 | 未洗浄品と比べた効果 | ご利用環境(目安) | 利用シーン・工程 |
|---|---|---|---|---|---|
| 脱脂洗浄 | SL-□□ | 防錆梱包 | 油分除去 | 一般環境 | 通常組立工程 |
| バッテリー組立後工程 | |||||
| 精密洗浄 | SH-□□ | 脱気2重梱包 | 油分除去 粉塵除去 | クリーン環境(クラス10~1,000) | バッテリー組立工程 |
| 液晶関連組立後工程 | |||||
| 車載カメラ組立工程 | |||||
| 電解研磨+精密洗浄 | SHD-□□ | 脱気2重梱包 | 油分除去 粉塵除去 アウトガス低減 | 真空環境 クリーン環境(クラス10~1,000) | 半導体前工程 |
| 液晶成膜工程 | |||||
| 有機EL前工程 |
| 型番 |
|---|
通常単価(税別)
(税込単価) | 通常出荷日 |
洗浄不要の場合の代替品
|
|---|
- ( - ) | 12日目 |
|
- ( - ) | 12日目 |
|
- ( - ) | 6日目 |
|
- ( - ) | 6日目 |
|
- ( - ) | 12日目 |
|
- ( - ) | 6日目 |
|
- ( - ) | 6日目 |
|
- ( - ) | 6日目 |
|
- ( - ) | 6日目 |
|
- ( - ) | 6日目 |
|
- ( - ) | 6日目 |
|
- ( - ) | 6日目 |
|
- ( - ) | 6日目 |
|
- ( - ) | 8日目 |
|
- ( - ) | 8日目 |
|
- ( - ) | 8日目 |
|
- ( - ) | 12日目 |
|
- ( - ) | 12日目 |
|
- ( - ) | 6日目 |
|
- ( - ) | 6日目 |
|
- ( - ) | 12日目 |
|
- ( - ) | 6日目 |
|
- ( - ) | 6日目 |
|
- ( - ) | 6日目 |
|
- ( - ) | 6日目 |
|
- ( - ) | 6日目 |
|
- ( - ) | 6日目 |
|
- ( - ) | 6日目 |
|
- ( - ) | 6日目 |
|
- ( - ) | 8日目 |
|
- ( - ) | 8日目 |
|
- ( - ) | 8日目 |
| ・脱脂洗浄(防錆1重梱包) | :型番SL-□□ |
| ・精密洗浄(脱気2重梱包) | :型番SH-□□ |
| ・電解研磨+精密洗浄(脱気2重梱包) | :型番SHD-□□ |
| 商品型番 | 洗浄方法 | 梱包形態 | 未洗浄品と比べた効果 | ご利用環境(目安) | 工程別 |
| SL-□□ | 脱脂洗浄 | 防錆梱包 | 油分除去 | 一般環境 | 通常組立工程 |
| バッテリー組立後工程 | |||||
| SH-□□ | 精密洗浄 | 脱気2重梱包 | 油分除去 粉塵除去 | クリーン環境(クラス10~1,000) | バッテリー組立工程 |
| 液晶関連組立後工程 | |||||
| 車載カメラ組立工程 | |||||
| SHD-□□ | 電解研磨+精密洗浄 | 脱気2重梱包 | 油分除去 粉塵除去 アウトガス低減 | 真空環境 クリーン環境(クラス10~1,000) | 半導体前工程 |
| 液晶成膜工程 | |||||
| 有機EL前工程 |
通常価格、通常出荷日が表示と異なる場合がございます

ミスミ
シャフトホルダ -フランジ型(鋳造品) スリット・スタンダードタイプ-
4.5通常価格(税別):900円~

ミスミ
シャフトホルダ -ブラケット型スタンダードタイプ- -取付穴キリ穴/取付穴タップ穴-
4.6通常価格(税別):860円~

ミスミ
シャフトホルダ -T型(鋳造品) スリット・スタンダードタイプ-
4.3通常価格(税別):760円~

ミスミ
シャフトホルダ -フランジ型(鋳造品) スリット・ガイドロングタイプ-
4.8通常価格(税別):1,630円~

ミスミ
シャフトホルダ -ブラケット型スリットタイプ- -スタンダードタイプ-
4.5通常価格(税別):1,650円~

ミスミ
シャフトホルダ -ブラケット型スリットタイプ- -ガイドロングタイプ-
4.4通常価格(税別):2,220円~

ミスミ
【エコノミーシリーズ】 RoHS対応 シャフトホルダ T型スリット・薄型
5通常価格(税別):600円~

ミスミ
シャフトホルダ -T型(鋳造品) スリット・肉厚タイプ-
4.5通常価格(税別):1,850円~

ミスミ
【エコノミーシリーズ】 RoHS対応 シャフトホルダ フランジ型スリット・肉厚
5通常価格(税別):720円~