メカニカル部品技術窓口

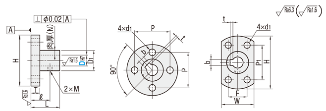
■丸フランジ
■二面フランジ

| Type | [ M ] 材質 | [ S ] 表面処理 | [ A ]付属品 | 洗浄方法 | ||||
| 丸フランジ | 二面フランジ | 洗浄方法 | 洗浄環境 | 梱包形態 | 梱包環境 | |||
| SL-STHRNG | SL-STHCNG | S45C相当 | 無電解ニッケルメッキ | 六角穴付ボルト 1本(SUS) | 脱脂洗浄 | 一般環境 | 防錆梱包 | 一般環境 |
| SH-STHRNG | SH-STHCNG | 精密洗浄 | クラス1000 | 脱気2重梱包 | クラス10 | |||
詳細図を記載しておりますので、ご確認ください。| 型式 |
| SL-STHRNG25 |
| 型式 | ホールド部 肉厚 (N) | L | D1 | H | T | ℓ | M (並目) | P | W | P1 | F | d1 | b | t | |||||
| Type | DH7 | ||||||||||||||||||
| 許容差 | 許容差 | ||||||||||||||||||
| 丸フランジ SL-STHRNG SH-STHRNG | 二面フランジ SL-STHCNG SH-STHCNG | 8 | +0.015 0 | 3.5 | 16 | 15 | 32 | 5 | 10 | M3 | 25 | 15 | 25 | − | 3.5 | 3 | ±0.013 | 1.8 | |
| 10 | 5 | 20 | 20 | 38 | 12 | 30 | 20 | 30 | 4.5 | 3 | 1.8 | + 0.1 | |||||||
| 12 | +0.018 0 | 24 | 22 | 40 | 6 | 15 | M4 | 32 | 25 | 28 | 16 | 4 | ±0.015 | 1.8 | 0 | ||||
| 15 | 5.5 | 30 | 26 | 48 | 18 | 38 | 29 | 32 | 18 | 5.5 | 5 | 2.3 | |||||||
| 16 | 6 | 32 | 28 | 50 | 19 | 40 | 32 | 33 | 22 | 5 | 2.3 | ||||||||
| 20 | +0.021 0 | 7.5 | 32 | 35 | 63 | 8 | 20 | M5 | 50 | 40 | 42 | 25 | 6.6 | 6 | 2.8 | ||||
| 25 | 38 | 40 | 68 | 23 | 55 | 45 | 45 | 30 | 8 | ±0.018 | 3.3 | ||||||||
| 30 | 45 | 73 | 10 | 24 | M6 | 60 | 50 | 48 | 35 | + 0.2 | |||||||||
| 35 | +0.025 0 | 10 | 50 | 55 | 89 | 30 | 72 | 61 | 58 | 42 | 9 | 10 | 5 | 0 | |||||
| 40 | 15 | 70 | 104 | 12 | M8 | 87 | 76 | 68 | 54 | 12 | 5 | ||||||||
| 50 | 80 | 114 | 97 | 86 | 73 | 64 | 14 | ±0.020 | 5.5 | ||||||||||
| 型式 | − | (MB) |
| SL-STHRNG12 | − | MB |
| Alterations | 六角穴付止めねじ付属 | ||||||||||
| Code | MB | ||||||||||
| Spec. | 六角穴付止めねじを付属します。 外筒(D1)よりねじが飛び出す可能性があります。 [ ! ]四三酸化鉄皮膜・黒アルマイト品の付属ボルトはSCM435品(四三酸化鉄皮膜) [ ! ]上記以外はSUS品 [ ! ]ガイドロングタイプは付属止めねじは4本、それ以外は2本となります。
| ||||||||||
| ¥/1Code | スタンダードタイプ・インロータイプ・ノック穴付タイプ・ガイドロングタイプ:無料 |
洗浄工程| ※材質がステンレスの場合、アルカリ系温水洗浄となることがあります。 | |
| ・脱脂洗浄(型式:SL-□□) | ※表面処理が低温黒色クロムメッキの場合、IPA洗浄となります。 |
作業環境:一般環境 | ||||||
|---|---|---|---|---|---|---|
![]() 炭化水素系洗浄※ Ro水洗浄 中性洗剤洗浄 | ![]() | ![]() 高圧ジェット水洗(Ro水) 後に純水(10MΩ・cm)で 洗浄 | ![]() | ![]() エアブロー(オイルフリー) 使用 | ![]() | ![]() 防錆袋使用 |
| ・精密洗浄(型式:SH-□□) | ※表面処理が低温黒色クロムメッキの場合、IPA洗浄となります。 |
作業環境:クラス1000 | 作業環境:クラス10 | |||||||
|---|---|---|---|---|---|---|---|---|
![]() 炭化水素系洗浄※ Ro水洗浄 中性洗剤洗浄 | ![]() | ![]() 高圧ジェット水洗(Ro水) 後に純水(10MΩ・cm)で 洗浄 | ![]() | ![]() 温純水(13MΩ・cm)使用 | ![]() | ![]() 窒素ブロー使用 | ![]() | ![]() クリーンベンチ(クラス10) で実施 |
作業環境:クラス1000 | 作業環境:クラス10 | |||||||||
|---|---|---|---|---|---|---|---|---|---|---|
![]() 炭化水素系洗浄 Ro水洗浄 中性洗剤洗浄 | ![]() | ![]() 材質に応じた電解研磨槽 で電解研磨 | ![]() | ![]() 高圧ジェット水洗(Ro水) 後に純水(10MΩ・cm)で 洗浄 | ![]() | ![]() 温純水(13MΩ・cm)使用 | ![]() | ![]() 窒素ブロー使用 | ![]() | ![]() クリーンベンチ(クラス10) で実施 |
梱包例| 脱脂洗浄の場合 (TYPE型番:SL-□□) | 精密洗浄または電解研磨+精密洗浄の場合 | |
| (TYPE型番:SH-□□・SHD-□□) | ||
| オーステナイト系ステンレス・アルミ材質の場合 | 鉄・マルテンサイト系ステンレス材質の場合 | |
![]() | ![]() | ![]() |
| 一部商品・サイズによっては、 梱包形態が異なる場合がございます。 | [ ! ]1重目・2重目の梱包とも、脱気されております。 | [ ! ]防錆対策として乾燥剤を同封しております。 1梱包につき1つになります。 |
洗浄効果・利用推奨環境洗浄方法 | 商品型番 | 梱包形態 | 未洗浄品と比べた効果 | ご利用環境(目安) | 利用シーン・工程 |
|---|---|---|---|---|---|
| 脱脂洗浄 | SL-□□ | 防錆梱包 | 油分除去 | 一般環境 | 通常組立工程 |
| バッテリー組立後工程 | |||||
| 精密洗浄 | SH-□□ | 脱気2重梱包 | 油分除去 粉塵除去 | クリーン環境(クラス10~1,000) | バッテリー組立工程 |
| 液晶関連組立後工程 | |||||
| 車載カメラ組立工程 | |||||
| 電解研磨+精密洗浄 | SHD-□□ | 脱気2重梱包 | 油分除去 粉塵除去 アウトガス低減 | 真空環境 クリーン環境(クラス10~1,000) | 半導体前工程 |
| 液晶成膜工程 | |||||
| 有機EL前工程 |
| 型番 |
|---|
通常単価(税別)
(税込単価) | 通常出荷日 |
洗浄不要の場合の代替品
|
|---|
- ( - ) | 6日目 |
|
- ( - ) | 6日目 |
|
- ( - ) | 6日目 |
|
- ( - ) | 6日目 |
|
- ( - ) | 6日目 |
|
- ( - ) | 6日目 |
|
- ( - ) | 6日目 |
|
- ( - ) | 6日目 |
|
- ( - ) | 6日目 |
|
- ( - ) | 6日目 |
|
- ( - ) | 6日目 |
|
- ( - ) | 6日目 |
|
- ( - ) | 6日目 |
|
- ( - ) | 6日目 |
|
- ( - ) | 6日目 |
|
- ( - ) | 6日目 |
|
- ( - ) | 6日目 |
|
- ( - ) | 6日目 |
|
- ( - ) | 6日目 |
|
- ( - ) | 6日目 |
|
- ( - ) | 6日目 |
|
- ( - ) | 6日目 |
|
- ( - ) | 6日目 |
|
- ( - ) | 6日目 |
|
- ( - ) | 6日目 |
|
- ( - ) | 6日目 |
|
- ( - ) | 6日目 |
|
- ( - ) | 6日目 |
|
- ( - ) | 6日目 |
|
- ( - ) | 6日目 |
|
- ( - ) | 6日目 |
|
- ( - ) | 6日目 |
|
- ( - ) | 6日目 |
|
- ( - ) | 6日目 |
|
- ( - ) | 6日目 |
|
- ( - ) | 6日目 |
|
- ( - ) | 6日目 |
|
- ( - ) | 6日目 |
|
- ( - ) | 6日目 |
|
- ( - ) | 6日目 |
|
- ( - ) | 6日目 |
|
- ( - ) | 6日目 |
|
- ( - ) | 6日目 |
|
- ( - ) | 6日目 |
|
- ( - ) | 6日目 |
|
- ( - ) | 6日目 |
|
- ( - ) | 6日目 |
|
- ( - ) | 6日目 |
|
- ( - ) | 6日目 |
|
- ( - ) | 6日目 |
|
- ( - ) | 6日目 |
|
- ( - ) | 6日目 |
|
- ( - ) | 6日目 |
|
- ( - ) | 6日目 |
|
- ( - ) | 6日目 |
|
- ( - ) | 6日目 |
|
- ( - ) | 6日目 |
|
- ( - ) | 6日目 |
|
- ( - ) | 6日目 |
|
- ( - ) | 6日目 |
| ・脱脂洗浄(防錆1重梱包) | :型番SL-□□ |
| ・精密洗浄(脱気2重梱包) | :型番SH-□□ |
| ・電解研磨+精密洗浄(脱気2重梱包) | :型番SHD-□□ |
| 商品型番 | 洗浄方法 | 梱包形態 | 未洗浄品と比べた効果 | ご利用環境(目安) | 工程別 |
| SL-□□ | 脱脂洗浄 | 防錆梱包 | 油分除去 | 一般環境 | 通常組立工程 |
| バッテリー組立後工程 | |||||
| SH-□□ | 精密洗浄 | 脱気2重梱包 | 油分除去 粉塵除去 | クリーン環境(クラス10~1,000) | バッテリー組立工程 |
| 液晶関連組立後工程 | |||||
| 車載カメラ組立工程 | |||||
| SHD-□□ | 電解研磨+精密洗浄 | 脱気2重梱包 | 油分除去 粉塵除去 アウトガス低減 | 真空環境 クリーン環境(クラス10~1,000) | 半導体前工程 |
| 液晶成膜工程 | |||||
| 有機EL前工程 |
| D | ¥基準単価 | |||
| 丸フランジ | 二面フランジ | |||
| SL-STHRNG | SH-STHRNG | SL-STHCNG | SH-STHCNG | |
| 8 | 3,560 | 4,160 | 3,810 | 4,410 |
| 10 | 3,860 | 4,460 | 4,040 | 4,640 |
| 12 | 4,090 | 4,690 | 4,270 | 4,870 |
| 15 | 4,440 | 5,040 | 4,850 | 5,450 |
| 16 | 4,440 | 5,040 | 4,850 | 5,450 |
| 20 | 4,760 | 5,360 | 5,120 | 5,720 |
| 25 | 4,980 | 5,580 | 5,380 | 5,980 |
| 30 | 5,450 | 6,050 | 5,950 | 6,550 |
| 35 | 6,460 | 7,060 | 6,820 | 7,420 |
| 40 | 7,140 | 7,740 | 7,560 | 8,160 |
| 50 | 7,760 | 8,360 | 8,260 | 8,860 |
| 数量区分 | 標準対応 | 個別対応 | |||
| 小口 | 大口 | ||||
| 数 量 | 1〜19 | 20〜22 | 23・24 | 25〜30 | 31~ |
| 値引率 | 基準単価 | 5% | 10% | 18% | お見積り |
| 出荷日 | 通常 | ||||
通常価格、通常出荷日が表示と異なる場合がございます
通常価格、通常出荷日が表示と異なる場合がございます

ミスミ
シャフトホルダ -フランジ型(鋳造品) スリット・スタンダードタイプ-
4.5通常価格(税別):900円~

ミスミ
シャフトホルダ -ブラケット型スタンダードタイプ- -取付穴キリ穴/取付穴タップ穴-
4.6通常価格(税別):860円~

ミスミ
シャフトホルダ -T型(鋳造品) スリット・スタンダードタイプ-
4.3通常価格(税別):760円~

ミスミ
シャフトホルダ -フランジ型(鋳造品) スリット・ガイドロングタイプ-
4.8通常価格(税別):1,630円~

ミスミ
シャフトホルダ -ブラケット型スリットタイプ- -スタンダードタイプ-
4.5通常価格(税別):1,650円~

ミスミ
シャフトホルダ -ブラケット型スリットタイプ- -ガイドロングタイプ-
4.4通常価格(税別):2,220円~

ミスミ
シャフトホルダ -ブラケット型ホールド部肉厚タイプ- -スタンダードタイプ-
4.5通常価格(税別):1,270円~

ミスミ
シャフトホルダ ブラケット型 コンパクト スタンダード/ガイドロングタイプ
4.6通常価格(税別):1,430円~

ミスミ
シャフトホルダ -T型(機械加工品) スリット・肉厚タイプ-
4.1通常価格(税別):2,610円~