メカニカル部品技術窓口


| Type | [ M ]材質 | [ S ]表面処理 | 洗浄方法 | |||
| 洗浄方法 | 洗浄環境 | 梱包形態 | 梱包環境 | |||
| SL-DNBA | アルミ合金 | アルマイト(白) | 脱脂洗浄 | 一般環境 | 防錆梱包 | 一般環境 |
| SH-DNBA | 精密洗浄 | クラス1000 | 脱気2重梱包 | クラス10 | ||
| SL-DNBM | S45C相当 | 無電解ニッケルメッキ | 脱脂洗浄 | 一般環境 | 防錆梱包 | 一般環境 |
| SH-DNBM | 精密洗浄 | クラス1000 | 脱気2重梱包 | クラス10 | ||
詳細図を記載しておりますので、ご確認ください。| 型式 | − | H |
| SL-DNBA315 | − | 50 |
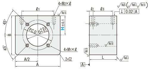
| 型式 | H | A | B | P.C.D. | M1×ℓ | D | ℓ1 | L | ℓ2 | ℓ3 | M2×ℓ | 適用ナット | ¥基準単価 | |||||||||||||||||||
| Type | No. | MTS□R,MTSFL | SL-DNBA | SH-DNBA | SL-DNBM | SH-DNBM | ||||||||||||||||||||||||||
| SL-DNBA SH-DNBA SL-DNBM SH-DNBM | 264 | 20 | 25 | 30 | 40 | 40 | H+20 | 26 | M4×7 | 20 | 30 | 24 | 6 | 12 | M4×8 | 10 | 2,650 | 3,150 | 2,690 | 3,190 | ||||||||||||
| 315 | 23 | 25 | 30 | 40 | 50 | H+23 | 31 | M5×7 | 22 | 35 | 30 | 8 | 14 | M5×10 | 12・14 | 2,930 | 3,430 | 2,980 | 3,480 | |||||||||||||
| 386 | 27 | 30 | 35 | 50 | 60 | H+27 | 38 | M6×10 | 28 | 45 | 34 | 18 | M6×12 | 16 | 3,210 | 3,710 | 3,270 | 3,770 | ||||||||||||||
| 426 | 29 | 30 | 35 | 40 | 50 | 65 | H+29 | 42 | 32 | 50 | 39 | 23 | 18・20 | 3,480 | 3,980 | 3,540 | 4,040 | |||||||||||||||
| 476 | 32 | 35 | 40 | 50 | 70 | H+32 | 47 | 36 | 50 | 46 | 30 | 22・25 | 3,800 | 4,300 | 3,830 | 4,330 | ||||||||||||||||
| 588 | 40 | 45 | 50 | 60 | 80 | H+40 | 58 | M8×12 | 44 | 60 | 48 | 32 | M8×16 | 28・32 | 4,440 | 4,940 | 4,530 | 5,030 | ||||||||||||||
| 668 | 43 | 45 | 50 | 60 | 86 | H+43 | 66 | 52 | 65 | 52 | 36 | 36 | 5,130 | 5,630 | 5,240 | 5,740 | ||||||||||||||||
| 7610 | 50 | 55 | 60 | 70 | 100 | H+50 | 76 | M10×14 | 58 | 75 | 60 | 10 | 40 | M10×20 | 40 | 5,820 | 6,320 | 5,950 | 6,450 | |||||||||||||
| 8510 | 58 | 60 | 70 | 116 | H+58 | 85 | 68 | 85 | 70 | 50 | 50 | 6,100 | 6,600 | 6,400 | 6,900 | |||||||||||||||||
| 型式 | − | H | − | (HC) |
| SL-DNBA264 | − | 25 | − | HC22.5 |
| Alteration | Code | Spec. | ¥/1Code | |||||||||||||||||||||
![]() | HC | H寸法変更 指定0.1mm単位 指定方法 HC22.5 |
| 800 | ||||||||||||||||||||
洗浄工程| ※材質がステンレスの場合、アルカリ系温水洗浄となることがあります。 | |
| ・脱脂洗浄(型式:SL-□□) | ※表面処理が低温黒色クロムメッキの場合、IPA洗浄となります。 |
作業環境:一般環境 | ||||||
|---|---|---|---|---|---|---|
![]() 炭化水素系洗浄※ Ro水洗浄 中性洗剤洗浄 | ![]() | ![]() 高圧ジェット水洗(Ro水) 後に純水(10MΩ・cm)で 洗浄 | ![]() | ![]() エアブロー(オイルフリー) 使用 | ![]() | ![]() 防錆袋使用 |
| ・精密洗浄(型式:SH-□□) | ※表面処理が低温黒色クロムメッキの場合、IPA洗浄となります。 |
作業環境:クラス1000 | 作業環境:クラス10 | |||||||
|---|---|---|---|---|---|---|---|---|
![]() 炭化水素系洗浄※ Ro水洗浄 中性洗剤洗浄 | ![]() | ![]() 高圧ジェット水洗(Ro水) 後に純水(10MΩ・cm)で 洗浄 | ![]() | ![]() 温純水(13MΩ・cm)使用 | ![]() | ![]() 窒素ブロー使用 | ![]() | ![]() クリーンベンチ(クラス10) で実施 |
作業環境:クラス1000 | 作業環境:クラス10 | |||||||||
|---|---|---|---|---|---|---|---|---|---|---|
![]() 炭化水素系洗浄 Ro水洗浄 中性洗剤洗浄 | ![]() | ![]() 材質に応じた電解研磨槽 で電解研磨 | ![]() | ![]() 高圧ジェット水洗(Ro水) 後に純水(10MΩ・cm)で 洗浄 | ![]() | ![]() 温純水(13MΩ・cm)使用 | ![]() | ![]() 窒素ブロー使用 | ![]() | ![]() クリーンベンチ(クラス10) で実施 |
梱包例| 脱脂洗浄の場合 (TYPE型番:SL-□□) | 精密洗浄または電解研磨+精密洗浄の場合 | |
| (TYPE型番:SH-□□・SHD-□□) | ||
| オーステナイト系ステンレス・アルミ材質の場合 | 鉄・マルテンサイト系ステンレス材質の場合 | |
![]() | ![]() | ![]() |
| 一部商品・サイズによっては、 梱包形態が異なる場合がございます。 | [ ! ]1重目・2重目の梱包とも、脱気されております。 | [ ! ]防錆対策として乾燥剤を同封しております。 1梱包につき1つになります。 |
洗浄効果・利用推奨環境洗浄方法 | 商品型番 | 梱包形態 | 未洗浄品と比べた効果 | ご利用環境(目安) | 利用シーン・工程 |
|---|---|---|---|---|---|
| 脱脂洗浄 | SL-□□ | 防錆梱包 | 油分除去 | 一般環境 | 通常組立工程 |
| バッテリー組立後工程 | |||||
| 精密洗浄 | SH-□□ | 脱気2重梱包 | 油分除去 粉塵除去 | クリーン環境(クラス10~1,000) | バッテリー組立工程 |
| 液晶関連組立後工程 | |||||
| 車載カメラ組立工程 | |||||
| 電解研磨+精密洗浄 | SHD-□□ | 脱気2重梱包 | 油分除去 粉塵除去 アウトガス低減 | 真空環境 クリーン環境(クラス10~1,000) | 半導体前工程 |
| 液晶成膜工程 | |||||
| 有機EL前工程 |
| 型番 |
|---|
通常単価(税別)
(税込単価) | 通常出荷日 |
洗浄不要の場合の代替品
|
|---|
- ( - ) | 6日目 |
- |
- ( - ) | 6日目 |
- |
- ( - ) | 6日目 |
- |
- ( - ) | 6日目 |
- |
- ( - ) | 6日目 |
- |
- ( - ) | 6日目 |
- |
- ( - ) | 6日目 |
- |
- ( - ) | 6日目 |
- |
- ( - ) | 6日目 |
- |
- ( - ) | 6日目 |
|
- ( - ) | 6日目 |
|
- ( - ) | 6日目 |
|
- ( - ) | 6日目 |
|
- ( - ) | 6日目 |
|
- ( - ) | 6日目 |
|
- ( - ) | 6日目 |
|
- ( - ) | 6日目 |
|
- ( - ) | 6日目 |
|
- ( - ) | 6日目 |
- |
- ( - ) | 6日目 |
- |
- ( - ) | 6日目 |
- |
- ( - ) | 6日目 |
- |
- ( - ) | 6日目 |
- |
- ( - ) | 6日目 |
- |
- ( - ) | 6日目 |
- |
- ( - ) | 6日目 |
- |
- ( - ) | 6日目 |
- |
- ( - ) | 6日目 |
|
- ( - ) | 6日目 |
|
- ( - ) | 6日目 |
|
- ( - ) | 6日目 |
|
- ( - ) | 6日目 |
|
- ( - ) | 6日目 |
|
- ( - ) | 6日目 |
|
- ( - ) | 6日目 |
|
- ( - ) | 6日目 |
| ・脱脂洗浄(防錆1重梱包) | :型番SL-□□ |
| ・精密洗浄(脱気2重梱包) | :型番SH-□□ |
| ・電解研磨+精密洗浄(脱気2重梱包) | :型番SHD-□□ |
| 商品型番 | 洗浄方法 | 梱包形態 | 未洗浄品と比べた効果 | ご利用環境(目安) | 工程別 |
| SL-□□ | 脱脂洗浄 | 防錆梱包 | 油分除去 | 一般環境 | 通常組立工程 |
| バッテリー組立後工程 | |||||
| SH-□□ | 精密洗浄 | 脱気2重梱包 | 油分除去 粉塵除去 | クリーン環境(クラス10~1,000) | バッテリー組立工程 |
| 液晶関連組立後工程 | |||||
| 車載カメラ組立工程 | |||||
| SHD-□□ | 電解研磨+精密洗浄 | 脱気2重梱包 | 油分除去 粉塵除去 アウトガス低減 | 真空環境 クリーン環境(クラス10~1,000) | 半導体前工程 |
| 液晶成膜工程 | |||||
| 有機EL前工程 |

通常価格、通常出荷日が表示と異なる場合がございます
通常価格、通常出荷日が表示と異なる場合がございます

ミスミ
30度台形ねじ用ナット フランジ付 / コンパクト・フランジ付 タイプ
4.6通常価格(税別):1,140円~

ミスミ
30度台形ねじ用ナット ワイドブロックナット
4.5通常価格(税別):4,110円~

ミスミ
30度台形ねじ用ナット ストレートタイプ
4.5通常価格(税別):920円~

ミスミ
30度台形ねじ用ナット 無給油フランジ付タイプ
4.3通常価格(税別):3,190円~

ミスミ
30度台形ねじ用ナット トールブロックナット
4.6通常価格(税別):4,260円~

ミスミ
30度台形ねじ用ナット 樹脂ナット 高強度樹脂タイプ
5通常価格(税別):1,210円~

ミスミ
30度台形ねじ用ナット 丸フランジ・長穴タイプ・右ねじ
5通常価格(税別):3,690円~

ミスミ
30度台形ねじ用ナット フランジ付 / 細ピッチ タイプ
4通常価格(税別):1,620円~

ミスミ
30度台形ねじ用ナット 樹脂ナット
4通常価格(税別):1,500円~