メカニカル部品技術窓口
ミスミ品のみ対象

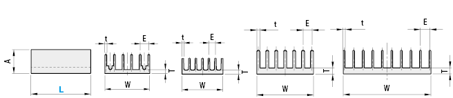
No.0.5:フィン数6 No.0.7:フィン数7 No.1:フィン数7 No.2:フィン数10| Type | [ M ]材質 | [ S ] 表面処理 | 洗浄方法 | |||
| 洗浄方法 | 洗浄環境 | 梱包形態 | 梱包環境 | |||
| SL-HEAT | A6063S−T5 | − | 脱脂洗浄 | 一般環境 | 防錆梱包 | 一般環境 |
| SH-HEAT | 精密洗浄 | クラス1000 | 脱気2重梱包 | クラス10 | ||
| SL-HEATW | アルマイト処理(白) | 脱脂洗浄 | 一般環境 | 防錆梱包 | 一般環境 | |
| SH-HEATW | 精密洗浄 | クラス1000 | 脱気2重梱包 | クラス10 | ||
| SL-HEATB | アルマイト処理(黒) | 脱脂洗浄 | 一般環境 | 防錆梱包 | 一般環境 | |
| SH-HEATB | 精密洗浄 | クラス1000 | 脱気2重梱包 | クラス10 | ||
詳細図を記載しておりますので、ご確認ください。| 型式 | − | L |
| SL-HEAT 1 | − | 200 |
| 型式 | L | W | A | E | T | t | フィン数 | |
| Type | No. | 指定1mm単位 | ||||||
| SL-HEAT SH-HEAT SL-HEATW SH-HEATW SL-HEATB SH-HEATB | 0.5 | 50〜500 | 23.5 | 10 | 4.5 | 2 | 1 | 6 |
| 0.7 | 31.5 | 12 | 5 | 3 | 1.2 | 7 | ||
| 1 | 47.5 | 20 | 7.5 | 5 | 2.5 | 7 | ||
| 2 | 73.5 | 25 | 8 | 1.5 | 10 | |||
| 型式 | - | L | - | (TP) |
| SL-HEAT 1 | - | 200 | - | TP |
| Alteration | Code | Spec. | ¥/1Code |
| (穴数) | |||
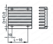
取付タップ穴追加![]() | TP | フィン間にタップ穴(M3(並目))を追加工します。 | 1,000 |
洗浄工程作業環境:一般環境 | ||||||
|---|---|---|---|---|---|---|
![]() 炭化水素系洗浄 Ro水洗浄 | ![]() | ![]() 高圧ジェット水洗(Ro水)後 純水で洗浄 | ![]() | ![]() オイルフリー コンプレッサー 使用 | ![]() | ![]() 防錆袋1重梱包 |
作業環境:クラス1000 | 作業環境:クラス10 | |||||||
|---|---|---|---|---|---|---|---|---|
![]() 炭化水素系洗浄 Ro水洗浄 | ![]() | ![]() 高圧ジェット水洗(Ro水)後 純水(10MΩ・cm)で洗浄 | ![]() | ![]() 純水(13MΩ・cm)使用 | ![]() | ![]() 窒素ブロー使用 | ![]() | ![]() クラス10クリーン環境内の クリーンベンチで実施 |
作業環境:クラス1000 | 作業環境:クラス10 | |||||||||
|---|---|---|---|---|---|---|---|---|---|---|
![]() 炭化水素系洗浄 Ro水洗浄 | ![]() | ![]() 材質に応じた電解研磨層で 電解研磨 | ![]() | ![]() 高圧ジェット水洗(Ro水)後 純水(10MΩ・cm)で洗浄 | ![]() | ![]() 温純水(13MΩ・cm)使用 | ![]() | ![]() 窒素ブロー使用 | ![]() | ![]() クラス10クリーン環境内の クリーンベンチで実施 |
梱包例| 脱脂洗浄の場合 (TYPE型番:SL-□□) ![]() 一部商品・サイズによっては、 梱包形態が異なる場合がございます。 | 精密洗浄または電解研磨+精密洗浄の場合 (TYPE型番:SH-□□・SHD-□□) ![]() [ ! ]1重目・2重目の梱包とも、脱気されております。 |
洗浄効果・利用推奨環境洗浄方法 | 商品型番 | 梱包形態 | 未洗浄品と比べた効果 | ご利用環境(目安) | 利用シーン・工程 |
|---|---|---|---|---|---|
| 脱脂洗浄 | SL-□□ | 防錆梱包 | 油分除去 | 一般環境 | 通常組立工程 |
| バッテリー組立後工程 | |||||
| 精密洗浄 | SH-□□ | 脱気2重梱包 | 油分除去 粉塵除去 | クリーン環境(クラス10~1,000) | バッテリー組立工程 |
| 液晶関連組立後工程 | |||||
| 車載カメラ組立工程 | |||||
| 電解研磨+精密洗浄 | SHD-□□ | 脱気2重梱包 | 油分除去 粉塵除去 アウトガス低減 | 真空環境 クリーン環境(クラス10~1,000) | 半導体前工程 |
| 液晶成膜工程 | |||||
| 有機EL前工程 |
| 型番 |
|---|
通常単価(税別)
(税込単価) | 通常出荷日 |
洗浄不要の場合の代替品
|
|---|
- ( - ) | 6日目 |
|
- ( - ) | 6日目 |
|
- ( - ) | 6日目 |
|
- ( - ) | 6日目 |
|
- ( - ) | 8日目 |
|
- ( - ) | 8日目 |
|
- ( - ) | 8日目 |
|
- ( - ) | 8日目 |
|
- ( - ) | 8日目 |
|
- ( - ) | 8日目 |
|
- ( - ) | 8日目 |
|
- ( - ) | 8日目 |
|
- ( - ) | 6日目 |
|
- ( - ) | 6日目 |
|
- ( - ) | 6日目 |
|
- ( - ) | 6日目 |
|
- ( - ) | 8日目 |
|
- ( - ) | 8日目 |
|
- ( - ) | 8日目 |
|
- ( - ) | 8日目 |
|
- ( - ) | 8日目 |
|
- ( - ) | 8日目 |
|
- ( - ) | 8日目 |
|
- ( - ) | 8日目 |
| ・脱脂洗浄(防錆1重梱包) | :型番SL-□□ |
| ・精密洗浄(脱気2重梱包) | :型番SH-□□ |
| ・電解研磨+精密洗浄(脱気2重梱包) | :型番SHD-□□ |
| 商品型番 | 洗浄方法 | 梱包形態 | 未洗浄品と比べた効果 | ご利用環境(目安) | 工程別 |
| SL-□□ | 脱脂洗浄 | 防錆梱包 | 油分除去 | 一般環境 | 通常組立工程 |
| バッテリー組立後工程 | |||||
| SH-□□ | 精密洗浄 | 脱気2重梱包 | 油分除去 粉塵除去 | クリーン環境(クラス10~1,000) | バッテリー組立工程 |
| 液晶関連組立後工程 | |||||
| 車載カメラ組立工程 | |||||
| SHD-□□ | 電解研磨+精密洗浄 | 脱気2重梱包 | 油分除去 粉塵除去 アウトガス低減 | 真空環境 クリーン環境(クラス10~1,000) | 半導体前工程 |
| 液晶成膜工程 | |||||
| 有機EL前工程 |
| ¥基準単価 | ||||||||||
| SL-HEAT | SH-HEAT | |||||||||
| No. L | 50〜100 | 101〜200 | 201〜300 | 301〜400 | 401〜500 | 50〜100 | 101〜200 | 201〜300 | 301〜400 | 401〜500 |
| 0.5 | 3,210 | 3,660 | 3,950 | 4,160 | 4,470 | 3,310 | 3,760 | 4,050 | 4,260 | 4,570 |
| 0.7 | 3,260 | 3,740 | 4,090 | 4,270 | 4,640 | 3,360 | 3,840 | 4,190 | 4,370 | 4,740 |
| 1 | 3,340 | 3,830 | 4,300 | 4,330 | 4,740 | 3,440 | 3,930 | 4,400 | 4,430 | 4,840 |
| 2 | 3,450 | 4,070 | 4,650 | 4,750 | 5,240 | 3,550 | 4,170 | 4,750 | 4,850 | 5,340 |
| ¥基準単価 | ||||||||||
| SL-HEATW | SH-HEATW | |||||||||
| No. L | 50〜100 | 101〜200 | 201〜300 | 301〜400 | 401〜500 | 50〜100 | 101〜200 | 201〜300 | 301〜400 | 401〜500 |
| 0.5 | 3,360 | 4,070 | 4,940 | 5,340 | 6,930 | 3,460 | 4,170 | 5,040 | 5,440 | 7,030 |
| 0.7 | 3,450 | 4,200 | 5,150 | 5,580 | 7,210 | 3,550 | 4,300 | 5,250 | 5,680 | 7,310 |
| 1 | 3,530 | 4,300 | 5,240 | 5,690 | 7,440 | 3,630 | 4,400 | 5,340 | 5,790 | 7,540 |
| 2 | 3,640 | 4,540 | 5,590 | 6,110 | 7,940 | 3,740 | 4,640 | 5,690 | 6,210 | 8,040 |
| ¥基準単価 | ||||||||||
| SL-HEATB | SH-HEATB | |||||||||
| No. L | 50〜100 | 101〜200 | 201〜300 | 301〜400 | 401〜500 | 50〜100 | 101〜200 | 201〜300 | 301〜400 | 401〜500 |
| 0.5 | 3,360 | 4,070 | 4,940 | 5,340 | 6,930 | 3,460 | 4,170 | 5,040 | 5,440 | 7,030 |
| 0.7 | 3,450 | 4,200 | 5,150 | 5,580 | 7,210 | 3,550 | 4,300 | 5,250 | 5,680 | 7,310 |
| 1 | 3,530 | 4,300 | 5,240 | 5,690 | 7,440 | 3,630 | 4,400 | 5,340 | 5,790 | 7,540 |
| 2 | 3,640 | 4,540 | 5,590 | 6,110 | 7,940 | 3,740 | 4,640 | 5,690 | 6,210 | 8,040 |
| 数量区分 | 標準対応 | 個別対応 | |||
| 小口 | 大口 | ||||
| 数 量 | 1〜19 | 20〜24 | 25〜29 | 30〜50 | 51~ |
| 値引率 | 基準単価 | 5% | 10% | 18% | お見積り |
| 7 | 日目出荷 |
| 9 | 日目出荷 |
通常価格、通常出荷日が表示と異なる場合がございます
通常価格、通常出荷日が表示と異なる場合がございます

ミスミ
ヒートシンク
3.9
ミスミ
カートリッジヒータ 固定タイプ
3.9通常価格(税別):2,260円~

ミスミ
温度センサ スタンダードタイプ
4.6通常価格(税別):3,320円~

ミスミ
温度センサ取付部品
4.6通常価格(税別):920円~

ミスミ
カートリッジヒータ-L寸・W数・フランジ選択-
4.2
ミスミ
温度センサ シリコン被覆タイプ(K熱電対/測温抵抗体)
4.6通常価格(税別):2,440円~

ミスミ
カートリッジヒータ-L寸・W数・フランジ選択・リード線保護カバー付-
4.3
ミスミ
K熱電対用コネクタ
4.3通常価格(税別):1,610円~

ミスミ
カートリッジヒータL型タイプ -L寸・W数・フランジ選択-
4.5