メカニカル部品技術窓口
ミスミ品のみ対象

■全長公差バラつき保証タイプ
| 精度 | Type | [ M ]材質 | [ S ]表面処理 | 洗浄方法 | |||||
| L寸固定 | L寸指定 | L寸・ねじ径指定 | 洗浄方法 | 洗浄環境 | 梱包形態 | 梱包環境 | |||
| 標準タイプ | SL-SLSBRK | SL-SLSBFA | SL-SLSBF | SUS304 | - | 脱脂洗浄 | 一般環境 | 防錆梱包 | 一般環境 |
| SH-SLSBRK | SH-SLSBFA | SH-SLSBF | 精密洗浄 | クラス1000 | 脱気2重梱包 | クラス10 | |||
| SHD-SLSBRK | SHD-SLSBFA | SHD-SLSBF | 電解研磨+精密洗浄 | ||||||
| - | SL-ALSFB | SL-ALSBF | A2011相当 | 白アルマイト | 脱脂洗浄 | 一般環境 | 防錆梱包 | 一般環境 | |
| SH-ALSFB | SH-ALSBF | 精密洗浄 | クラス1000 | 脱気2重梱包 | クラス10 | ||||
| - | SL-ABLSFB | SL-ABLSBF | 黒アルマイト | 脱脂洗浄 | 一般環境 | 防錆梱包 | 一般環境 | ||
| SH-ABLSFB | SH-ABLSBF | 精密洗浄 | クラス1000 | 脱気2重梱包 | クラス10 | ||||
| SL-PLSBRK | SL-PLSFB | SL-PLSBF | SS400相当 | 無電解ニッケルメッキ | 脱脂洗浄 | 一般環境 | 防錆梱包 | 一般環境 | |
| SH-PLSBRK | SH-PLSFB | SH-PLSBF | 精密洗浄 | クラス1000 | 脱気2重梱包 | クラス10 | |||
| − | SL-BLSFB | SL-BLSBF | 三価クロメート(黒色) | 脱脂洗浄 | 一般環境 | 防錆梱包 | 一般環境 | ||
| SH-BLSFB | SH-BLSBF | 精密洗浄 | クラス1000 | 脱気2重梱包 | クラス10 | ||||
| 全長公差バラつき保証タイプ | − | − | SL-VSLSBF | SUS304 | − | 脱脂洗浄 | 一般環境 | 防錆梱包 | 一般環境 |
| SH-VSLSBF | 精密洗浄 | クラス1000 | 脱気2重梱包 | クラス10 | |||||
| SHD-VSLSBF | 電解研磨+精密洗浄 | ||||||||
| − | − | SL-VUSLSBF | 対面幅B寸≦8 SUS316 対面幅B寸≧10 SUS316L | − | 脱脂洗浄 | 一般環境 | 防錆梱包 | 一般環境 | |
| SH-VUSLSBF | 精密洗浄 | クラス1000 | 脱気2重梱包 | クラス10 | |||||
| SHD-VUSLSBF | 電解研磨+精密洗浄 | ||||||||
| − | − | SL-VPLSBF | SS400相当 | 無電解ニッケルメッキ | 脱脂洗浄 | 一般環境 | 防錆梱包 | 一般環境 | |
| SH-VPLSBF | 精密洗浄 | クラス1000 | 脱気2重梱包 | クラス10 | |||||
| 精度 | L寸 | L寸公差 | L寸バラつき |
| 全長公差バラつき保証タイプ | 8≦L≦130 | ±0.05 | ±0.02 |
| 標準タイプ L寸指定 / L寸・ねじ径指定 | 8 ≦ L ≦ 300 | ±0.1 | - |
| 300 < L ≦ 600 | ±0.3 | ||
| 600 < L ≦ 1000 | ±0.4 |
| B | B寸公差 |
| 3を超え 6以下 | 0 -0.12 |
| 6を超え 10以下 | 0 -0.15 |
| 10を超え 18以下 | 0 -0.18 |
| 18を超え 30以下 | 0 -0.21 |
| 30を超え 32以下 | 0 -0.25 |
| B | B寸公差 |
| 10以下 | ±0.10 |
| 10を超え 18以下 | ±0.18 |
| 18を超え 32以下 | +0.12 -0.21 |
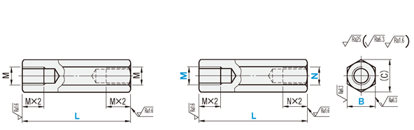
| 型式 | − | L | − | M | − | N |
| (L寸固定) SL-SLSBRK13 | − | 100 | ||||
| (L寸指定) SH-SLSBFA6 | − | 48 | ||||
| (L寸・ねじ径指定) SHD-SLSBF10 | − | 200 | − | M4 | − | N6 |
| 型式 | L 選択 | M (並目) | (C) | |||||||||||||||||||
| Type | B | |||||||||||||||||||||
| SUS304 SL-SLSBRK SH-SLSBRK SHD-SLSBRK SS400相当 SL-PLSBRK SH-PLSBRK | 6 | 15 | 20 | 25 | 30 | 35 | 40 | 45 | 50 | 3 | 6.9 | |||||||||||
| 7 | 20 | 25 | 30 | 35 | 40 | 45 | 50 | 60 | 70 | 80 | 90 | 100 | 110 | 120 | 130 | 140 | 150 | 4 | 8.1 | |||
| 8 | 20 | 25 | 30 | 35 | 40 | 45 | 50 | 60 | 70 | 80 | 90 | 100 | 110 | 120 | 130 | 140 | 150 | 200 | 5 | 9.2 | ||
| 10 | 25 | 30 | 35 | 40 | 45 | 50 | 60 | 70 | 80 | 90 | 100 | 110 | 120 | 130 | 140 | 150 | 200 | 6 | 11.5 | |||
| 12 | 25 | 30 | 35 | 40 | 45 | 50 | 60 | 70 | 80 | 90 | 100 | 110 | 120 | 130 | 140 | 150 | 200 | 6 | 13.9 | |||
| 13 | 35 | 40 | 45 | 50 | 60 | 70 | 80 | 90 | 100 | 110 | 120 | 130 | 140 | 150 | 200 | 8 | 15 | |||||
| 14 | 35 | 40 | 45 | 50 | 60 | 70 | 80 | 90 | 100 | 110 | 120 | 130 | 140 | 150 | 200 | 8 | 16.2 | |||||
| 17 | 40 | 45 | 50 | 60 | 70 | 80 | 90 | 100 | 110 | 120 | 130 | 140 | 150 | 200 | 10 | 19.6 | ||||||
| 19 | 50 | 60 | 70 | 80 | 90 | 100 | 110 | 120 | 130 | 140 | 150 | 200 | 12 | 21.9 | ||||||||
| 型式 | L 指定0.5mm単位 | M (並目) | (C) | |
| Type | B | |||
| SUS304 SL-SLSBFA SH-SLSBFA SHD-SLSBFA A2011相当 白アルマイト(6≦B≦32) SL-ALSFB SH-ALSFB A2011相当 黒アルマイト(6≦B≦19,L≦500) SL-ABLSFB SH-ABLSFB SS400相当 SL-PLSFB SH-PLSFB SL-BLSFB SH-BLSFB | 5 | 8.0〜100.0 | 2.6 | 5.8 |
| 6 | 8.0〜100.0 | 3 | 6.9 | |
| 7 | 10.0〜200.0 | 4 | 8.1 | |
| 8 | 15.0〜250.0 | 5 | 9.2 | |
| 10 | 25.0〜350.0 | 6 | 11.5 | |
| 12 | 25.0〜500.0 | 6 | 13.9 | |
| 13 | 30.0〜500.0 | 8 | 15 | |
| 14 | 25.0〜 600.0(500) | 8 | 16.2 | |
| 17 | 40.0〜 600.0(500) | 10 | 19.6 | |
| 19 | 50.0〜 600.0(500) | 12 | 21.9 | |
| 24 | 50.0〜700.0 | 16 | 27.7 | |
| 27 | 60.0〜800.0 | 20 | 31.2 | |
| 30 | 60.0〜1000.0 | 20 | 34.6 | |
| 32 | 75.0〜1000.0 | 24 | 36.9 | |
| 型式 | L 指定0.5mm単位 | M(並目)・N(並目)選択 | (C) | ||||||||||||
| Type | B | ||||||||||||||
| SUS304 SL-SLSBF SH-SLSBF SHD-SLSBF A2011相当 白アルマイト(6≦B≦32) SL-ALSBF SH-ALSBF A2011相当 黒アルマイト(6≦B≦19,L≦500) SL-ABLSBF SH-ABLSBF SS400相当 SL-PLSBF SH-PLSBF SL-BLSBF SH-BLSBF | 5 | 8.0〜100.0 | 2 | 2.6 | 5.8 | ||||||||||
| 6 | 15.0〜100.0 | 3 | 4 | 6.9 | |||||||||||
| 7 | 15.0〜200.0 | 3 | 4 | 5 | 8.1 | ||||||||||
| 8 | 20.0〜250.0 | 3 | 4 | 5 | 6 | 9.2 | |||||||||
| 10 | 25.0〜350.0 | 3 | 4 | 5 | 6 | 8 | 11.5 | ||||||||
| 12 | 25.0〜500.0 | 3 | 4 | 5 | 6 | 8 | 13.9 | ||||||||
| 13 | 30.0〜500.0 | 3 | 4 | 5 | 6 | 8 | 10 | 15 | |||||||
| 14 | 30.0〜 600.0(500) | 3 | 4 | 5 | 6 | 8 | 10 | 16.2 | |||||||
| 17 | 40.0〜 600.0(500) | 4 | 5 | 6 | 8 | 10 | 12 | 19.6 | |||||||
| 19 | 50.0〜 600.0(500) | 4 | 5 | 6 | 8 | 10 | 12 | 16 | 21.9 | ||||||
| 24 | 60.0〜700.0 | 5 | 6 | 8 | 10 | 12 | 16 | 20 | 27.7 | ||||||
| 27 | 60.0〜800.0 | 5 | 6 | 8 | 10 | 12 | 16 | 20 | 31.2 | ||||||
| 30 | 75.0〜1000.0 | 5 | 6 | 8 | 10 | 12 | 16 | 20 | 24 | 34.6 | |||||
| 32 | 75.0〜1000.0 | 5 | 6 | 8 | 10 | 12 | 16 | 20 | 24 | 36.9 | |||||
| 型式 | L | M(並目)・N(並目)選択 | (C) | ||||||||||
| Type | B | 指定0.1mm単位 | |||||||||||
| SUS304 SL-VSLSBF SH-VSLSBF SHD-VSLSBF | SUS316/SUS316L SL-VUSLSBF SH-VUSLSBF SHD-VUSLSBF | SS400相当 SL-VPLSBF SH-VPLSBF | *5 | 8.0〜 100.0 | 2 | 2.5 | 5.8 | ||||||
| 6 | 15.0〜 100.0 | 3 | 4 | 6.9 | |||||||||
| 7 | 15.0〜 130.0 | 3 | 4 | 5 | 8.1 | ||||||||
| 8 | 20.0〜 130.0 | 3 | 4 | 5 | 6 | 9.2 | |||||||
| 10 | 25.0〜 130.0 | 3 | 4 | 5 | 6 | 8 | 11.5 | ||||||
| 12 | 25.0〜 130.0 | 3 | 4 | 5 | 6 | 8 | 13.9 | ||||||
| 13 | 30.0〜 130.0 | 3 | 4 | 5 | 6 | 8 | 10 | 15 | |||||
| 14 | 30.0〜 130.0 | 3 | 4 | 5 | 6 | 8 | 10 | 16.2 | |||||
| 17 | 35.0〜 130.0 | 4 | 5 | 6 | 8 | 10 | 19.6 | ||||||
| 19 | 45.0〜 130.0 | 4 | 5 | 6 | 8 | 10 | 21.9 | ||||||
| L寸 | L寸公差 |
| 8 ≦ L ≦ 300 | ±0.1 |
| 300 < L ≦ 600 | ±0.3 |
| 600 < L ≦ 800 | ±0.4 |
| 型式 | − | L | − | M | − | N | − | (LKC) |
| SL-SLSBFA6 | − | 42 | LKC | |||||
| SH-SLSBF10 | − | 199.8 | − | MD4 | − | N6 | − | LKC |
| Alterations | L寸公差変更 | 全長(L寸)精度変更 | めねじ部有効長変更 | ||||||||
![]() | ![]() | ![]() | |||||||||
| Code | LKC | LVC | MD ND | ||||||||
| Spec. | L寸法公差は以下のようになります。 指定方法 LKC LKC使用時、L寸単位0.1mm指定可
[ NG ]全長公差バラつき保証タイプは標準で | 複数注文時、各L寸法のバラつきを ±0.02mm以内に致します。 指定方法 LVC [ ! ]1明細行のご注文数量に上限があります。 [ NG ]L≧200、L寸固定、黒アルマイトは適用不可 [ NG ]全長公差バラつき保証タイプは標準でL寸バラつき±0.02㎜以内のため | めねじ部の有効長をM(N)×3に 変更します。 指定方法 MD6/ND6 (MをMD・NをNDに変更) [ ! ]MD×3+ND×3≦L [ ! ]L寸・ねじ径指定のみ適用 [ NG ]B=5は適用不可 [ NG ]L寸固定は適用不可 | ||||||||
| ¥/1Code | 400 | 50 | 200 |
| 追加工LVC 1明細行あたり上限数量表 | ||
| 材質/ 表面処理 | 一般構造用鋼 / なし 一般構造用鋼 / 四三酸化鉄被膜 一般構造用鋼 / 無電解ニッケルメッキ SUS304 / なし | 一般構造用鋼 / 三価クロメート(黒色) A2011相当 / 白アルマイト A2017-T4 / 白アルマイト |
| 寸法 | 六角:対面幅B6~19 円形:外径D6~20 | 六角:対面幅B5、B24~B32 円形:外径D5、D25~D50 |
| 追加工 LVC 上限数量 | 100本/明細行 | 20本/明細行 |
洗浄工程| ※材質がステンレスの場合、アルカリ系温水洗浄となることがあります。 | |
| ・脱脂洗浄(型式:SL-□□) | ※表面処理が低温黒色クロムメッキの場合、IPA洗浄となります。 |
作業環境:一般環境 | ||||||
|---|---|---|---|---|---|---|
![]() 炭化水素系洗浄※ Ro水洗浄 中性洗剤洗浄 | ![]() | ![]() 高圧ジェット水洗(Ro水) 後に純水(10MΩ・cm)で 洗浄 | ![]() | ![]() エアブロー(オイルフリー) 使用 | ![]() | ![]() 防錆袋使用 |
| ・精密洗浄(型式:SH-□□) | ※表面処理が低温黒色クロムメッキの場合、IPA洗浄となります。 |
作業環境:クラス1000 | 作業環境:クラス10 | |||||||
|---|---|---|---|---|---|---|---|---|
![]() 炭化水素系洗浄※ Ro水洗浄 中性洗剤洗浄 | ![]() | ![]() 高圧ジェット水洗(Ro水) 後に純水(10MΩ・cm)で 洗浄 | ![]() | ![]() 温純水(13MΩ・cm)使用 | ![]() | ![]() 窒素ブロー使用 | ![]() | ![]() クリーンベンチ(クラス10) で実施 |
作業環境:クラス1000 | 作業環境:クラス10 | |||||||||
|---|---|---|---|---|---|---|---|---|---|---|
![]() 炭化水素系洗浄 Ro水洗浄 中性洗剤洗浄 | ![]() | ![]() 材質に応じた電解研磨槽 で電解研磨 | ![]() | ![]() 高圧ジェット水洗(Ro水) 後に純水(10MΩ・cm)で 洗浄 | ![]() | ![]() 温純水(13MΩ・cm)使用 | ![]() | ![]() 窒素ブロー使用 | ![]() | ![]() クリーンベンチ(クラス10) で実施 |
梱包例| 脱脂洗浄の場合 (TYPE型番:SL-□□) | 精密洗浄または電解研磨+精密洗浄の場合 | |
| (TYPE型番:SH-□□・SHD-□□) | ||
| オーステナイト系ステンレス・アルミ材質の場合 | 鉄・マルテンサイト系ステンレス材質の場合 | |
![]() | ![]() | ![]() |
| 一部商品・サイズによっては、 梱包形態が異なる場合がございます。 | [ ! ]1重目・2重目の梱包とも、脱気されております。 | [ ! ]防錆対策として乾燥剤を同封しております。 1梱包につき1つになります。 |
洗浄効果・利用推奨環境洗浄方法 | 商品型番 | 梱包形態 | 未洗浄品と比べた効果 | ご利用環境(目安) | 利用シーン・工程 |
|---|---|---|---|---|---|
| 脱脂洗浄 | SL-□□ | 防錆梱包 | 油分除去 | 一般環境 | 通常組立工程 |
| バッテリー組立後工程 | |||||
| 精密洗浄 | SH-□□ | 脱気2重梱包 | 油分除去 粉塵除去 | クリーン環境(クラス10~1,000) | バッテリー組立工程 |
| 液晶関連組立後工程 | |||||
| 車載カメラ組立工程 | |||||
| 電解研磨+精密洗浄 | SHD-□□ | 脱気2重梱包 | 油分除去 粉塵除去 アウトガス低減 | 真空環境 クリーン環境(クラス10~1,000) | 半導体前工程 |
| 液晶成膜工程 | |||||
| 有機EL前工程 |
| 型番 |
|---|
通常単価(税別)
(税込単価) | 通常出荷日 |
|---|
- ( - ) | 8日目 |
- ( - ) | 8日目 |
- ( - ) | 8日目 |
- ( - ) | 8日目 |
- ( - ) | 8日目 |
- ( - ) | 8日目 |
- ( - ) | 8日目 |
- ( - ) | 8日目 |
- ( - ) | 8日目 |
- ( - ) | 8日目 |
- ( - ) | 8日目 |
- ( - ) | 8日目 |
- ( - ) | 8日目 |
- ( - ) | 8日目 |
- ( - ) | 8日目 |
- ( - ) | 8日目 |
- ( - ) | 8日目 |
- ( - ) | 8日目 |
- ( - ) | 8日目 |
- ( - ) | 8日目 |
- ( - ) | 8日目 |
- ( - ) | 8日目 |
- ( - ) | 8日目 |
- ( - ) | 8日目 |
- ( - ) | 8日目 |
- ( - ) | 8日目 |
- ( - ) | 8日目 |
- ( - ) | 8日目 |
- ( - ) | 8日目 |
- ( - ) | 8日目 |
- ( - ) | 8日目 |
- ( - ) | 8日目 |
- ( - ) | 8日目 |
- ( - ) | 8日目 |
- ( - ) | 8日目 |
- ( - ) | 8日目 |
- ( - ) | 8日目 |
- ( - ) | 8日目 |
- ( - ) | 8日目 |
- ( - ) | 8日目 |
- ( - ) | 8日目 |
- ( - ) | 8日目 |
- ( - ) | 8日目 |
- ( - ) | 8日目 |
- ( - ) | 8日目 |
- ( - ) | 8日目 |
- ( - ) | 8日目 |
- ( - ) | 8日目 |
- ( - ) | 8日目 |
- ( - ) | 8日目 |
- ( - ) | 8日目 |
- ( - ) | 8日目 |
- ( - ) | 8日目 |
- ( - ) | 8日目 |
- ( - ) | 8日目 |
- ( - ) | 8日目 |
- ( - ) | 8日目 |
- ( - ) | 8日目 |
- ( - ) | 8日目 |
- ( - ) | 8日目 |
| ・脱脂洗浄(防錆1重梱包) | :型番SL-□□ |
| ・精密洗浄(脱気2重梱包) | :型番SH-□□ |
| ・電解研磨+精密洗浄(脱気2重梱包) | :型番SHD-□□ |
| 商品型番 | 洗浄方法 | 梱包形態 | 未洗浄品と比べた効果 | ご利用環境(目安) | 工程別 |
| SL-□□ | 脱脂洗浄 | 防錆梱包 | 油分除去 | 一般環境 | 通常組立工程 |
| バッテリー組立後工程 | |||||
| SH-□□ | 精密洗浄 | 脱気2重梱包 | 油分除去 粉塵除去 | クリーン環境(クラス10~1,000) | バッテリー組立工程 |
| 液晶関連組立後工程 | |||||
| 車載カメラ組立工程 | |||||
| SHD-□□ | 電解研磨+精密洗浄 | 脱気2重梱包 | 油分除去 粉塵除去 アウトガス低減 | 真空環境 クリーン環境(クラス10~1,000) | 半導体前工程 |
| 液晶成膜工程 | |||||
| 有機EL前工程 |
| 型式 | ¥基準単価 | ||||
| Type | B | 最短L | L60 | L110 | L200 |
| 〜50 | 〜100 | 〜150 | |||
| 6 | 1,200 | - | - | - | |
| 7 | 1,210 | 1,230 | 1,260 | - | |
| 8 | 1,240 | 1,280 | 1,320 | 1,370 | |
| 10 | 1,280 | 1,340 | 1,410 | 1,470 | |
| SL-SLSBRK | 12 | 1,310 | 1,400 | 1,490 | 1,580 |
| 13 | 1,360 | 1,460 | 1,560 | 1,670 | |
| 14 | 1,390 | 1,500 | 1,620 | 1,740 | |
| 17 | 1,500 | 1,660 | 1,830 | 1,990 | |
| 19 | 1,560 | 1,780 | 1,990 | 2,130 | |
| 6 | 1,350 | - | - | - | |
| 7 | 1,360 | 1,380 | 1,410 | - | |
| 8 | 1,390 | 1,430 | 1,470 | 1,520 | |
| 10 | 1,430 | 1,490 | 1,560 | 1,620 | |
| SH-SLSBRK | 12 | 1,460 | 1,550 | 1,640 | 1,730 |
| 13 | 1,510 | 1,610 | 1,710 | 1,820 | |
| 14 | 1,540 | 1,650 | 1,770 | 1,890 | |
| 17 | 1,650 | 1,810 | 1,980 | 2,140 | |
| 19 | 1,710 | 1,930 | 2,140 | 2,280 | |
| 6 | 1,039 | - | - | - | |
| 7 | 1,047 | 1,062 | 1,085 | - | |
| 8 | 1,070 | 1,101 | 1,131 | 1,170 | |
| 10 | 1,101 | 1,147 | 1,201 | 1,247 | |
| SHD-SLSBRK | 12 | 1,124 | 1,193 | 1,262 | 1,332 |
| 13 | 1,162 | 1,239 | 1,316 | 1,401 | |
| 14 | 1,185 | 1,270 | 1,362 | 1,455 | |
| 17 | 1,270 | 1,393 | 1,524 | 1,647 | |
| 19 | 1,316 | 1,486 | 1,647 | 1,755 | |
| SL-PLSBRK | 6 | 1,460 | - | - | - |
| 7 | 1,470 | 1,490 | 1,520 | - | |
| 8 | 1,510 | 1,540 | 1,580 | 1,600 | |
| 10 | 1,540 | 1,590 | 1,610 | 1,650 | |
| 12 | 1,590 | 1,610 | 1,660 | 1,730 | |
| 13 | 1,610 | 1,650 | 1,720 | 1,780 | |
| 14 | 1,640 | 1,690 | 1,760 | 1,840 | |
| 17 | 1,670 | 1,780 | 1,890 | 2,000 | |
| 19 | - | 1,730 | 1,990 | 2,120 | |
| SH-PLSBRK | 6 | 1,960 | - | - | - |
| 7 | 1,970 | 1,990 | 2,020 | - | |
| 8 | 2,010 | 2,040 | 2,080 | 2,100 | |
| 10 | 2,040 | 2,090 | 2,110 | 2,150 | |
| 12 | 2,090 | 2,110 | 2,160 | 2,230 | |
| 13 | 2,110 | 2,150 | 2,220 | 2,280 | |
| 14 | 2,140 | 2,190 | 2,260 | 2,340 | |
| 17 | 2,170 | 2,280 | 2,390 | 2,500 | |
| 19 | - | 2,230 | 2,490 | 2,620 | |
| 型式 | ¥基準単価 | |||||||||
| Type | B | 最短L ~50 | L50.5 ~100 | L100.5 ~150 | L150.5 ~200 | L200.5 ~300 | L300.5 ~400 | L400.5 ~600 | L600.5 ~800 | L800.5 ~1000 |
| SL-SLSBFA | 5 | 1,370 | 1,380 | - | - | - | - | - | - | - |
| 6 | 1,380 | 1,390 | - | - | - | - | - | - | - | |
| 7 | 1,390 | 1,400 | 1,410 | 1,420 | - | - | - | - | - | |
| 8 | 1,460 | 1,470 | 1,490 | 1,500 | 1,590 | 1,610 | - | - | - | |
| 10 | 1,540 | 1,550 | 1,560 | 1,570 | 1,680 | 1,710 | - | - | - | |
| 12 | 1,590 | 1,600 | 1,610 | 1,620 | 1,740 | 1,760 | 1,890 | - | - | |
| 13 | 1,630 | 1,640 | 1,650 | 1,660 | 1,830 | 1,870 | 2,070 | - | - | |
| 14 | 1,660 | 1,670 | 1,680 | 1,700 | 2,010 | 2,080 | 2,450 | - | - | |
| 17 | 1,830 | 1,850 | 1,870 | 1,890 | 2,500 | 2,600 | 2,990 | - | - | |
| 19 | 1,970 | 1,990 | 2,010 | 2,030 | 2,800 | 2,900 | 3,560 | - | - | |
| 24 | 2,450 | 2,480 | 2,510 | 2,550 | 3,560 | 3,690 | 4,870 | 6,770 | - | |
| 27 | - | 2,830 | 2,870 | 2,910 | 4,200 | 4,380 | 5,910 | 7,520 | - | |
| 30 | - | 3,220 | 3,320 | 3,430 | 4,750 | 4,920 | 6,620 | 8,440 | - | |
| 32 | - | 3,480 | 3,590 | 3,690 | 5,320 | 5,550 | 7,610 | 10,030 | - | |
| SH-SLSBFA | 5 | 1,370 | 1,380 | - | - | - | - | - | - | - |
| 6 | 1,380 | 1,390 | - | - | - | - | - | - | - | |
| 7 | 1,390 | 1,400 | 1,410 | 1,420 | - | - | - | - | - | |
| 8 | 1,460 | 1,470 | 1,490 | 1,500 | 1,590 | 1,610 | - | - | - | |
| 10 | 1,540 | 1,550 | 1,560 | 1,570 | 1,680 | 1,710 | - | - | - | |
| 12 | 1,590 | 1,600 | 1,610 | 1,620 | 1,740 | 1,760 | 1,890 | - | - | |
| 13 | 1,630 | 1,640 | 1,650 | 1,660 | 1,830 | 1,870 | 2,070 | - | - | |
| 14 | 1,660 | 1,670 | 1,680 | 1,700 | 2,010 | 2,080 | 2,450 | - | - | |
| 17 | 1,830 | 1,850 | 1,870 | 1,890 | 2,500 | 2,600 | 2,990 | - | - | |
| 19 | 1,970 | 1,990 | 2,010 | 2,030 | 2,800 | 2,900 | 3,560 | - | - | |
| 24 | 2,450 | 2,480 | 2,510 | 2,550 | 3,560 | 3,690 | 4,870 | 6,770 | - | |
| 27 | - | 2,830 | 2,870 | 2,910 | 4,200 | 4,380 | 5,910 | 7,520 | - | |
| 30 | - | 3,220 | 3,320 | 3,430 | 4,750 | 4,920 | 6,620 | 8,440 | - | |
| 32 | - | 3,480 | 3,590 | 3,690 | 5,320 | 5,550 | 7,610 | 10,030 | - | |
| SHD-SLSBFA | 5 | 1,170 | 1,380 | - | - | - | - | - | - | - |
| 6 | 1,178 | 1,390 | - | - | - | - | - | - | - | |
| 7 | 1,185 | 1,400 | 1,201 | 1,208 | - | - | - | - | - | |
| 8 | 1,239 | 1,470 | 1,262 | 1,270 | 1,339 | 1,355 | - | - | - | |
| 10 | 1,301 | 1,550 | 1,316 | 1,324 | 1,409 | 1,432 | - | - | - | |
| 12 | 1,339 | 1,600 | 1,355 | 1,362 | 1,455 | 1,470 | 1,570 | - | - | |
| 13 | 1,370 | 1,640 | 1,386 | 1,393 | 1,524 | 1,555 | 1,709 | - | - | |
| 14 | 1,393 | 1,670 | 1,409 | 1,424 | 1,663 | 1,717 | 2,002 | - | - | |
| 17 | 1,524 | 1,850 | 1,555 | 1,570 | 2,040 | 2,117 | 2,417 | - | - | |
| 19 | 1,632 | 1,990 | 1,663 | 1,678 | 2,271 | 2,348 | 2,856 | - | - | |
| 24 | 2,002 | 2,480 | 2,048 | 2,079 | 2,856 | 2,956 | 3,865 | 5,328 | - | |
| 27 | 2,294 | 2,830 | 2,325 | 2,356 | 3,349 | 3,488 | 4,666 | 5,905 | - | |
| 30 | 2,594 | 3,220 | 2,671 | 2,756 | 3,773 | 3,903 | 5,212 | 6,614 | - | |
| 32 | 2,795 | 3,480 | 2,879 | 2,956 | 4,211 | 4,389 | 5,975 | 7,838 | - | |
| 型式 | ¥基準単価 | |||||||||
| Type | B | 最短L ~50 | L50.5 ~100 | L100.5 ~150 | L150.5 ~200 | L200.5 ~300 | L300.5 ~400 | L400.5 ~600 | L600.5 ~800 | L800.5 ~1000 |
| 白アルマイト (×1.0) SL-ALSFB 黒アルマイト (×1.1) SL-ABLSFB | 6* | 1,170 | 1,180 | - | - | - | - | - | - | - |
| 7* | 1,210 | 1,220 | - | - | - | - | - | - | - | |
| 8* | 1,260 | 1,270 | 1,280 | 1,290 | 1,320 | 1,320 | - | - | - | |
| 10* | 1,300 | 1,310 | 1,320 | 1,330 | 1,570 | 1,590 | - | - | - | |
| 12* | 1,380 | 1,390 | 1,400 | 1,410 | 1,760 | 1,780 | 2,140 | - | - | |
| 13* | 1,410 | 1,420 | 1,430 | 1,450 | 1,810 | 1,830 | 2,380 | - | - | |
| 14* | 1,500 | 1,510 | 1,520 | 1,530 | 1,950 | 1,990 | 2,410 | - | - | |
| 17* | 1,670 | 1,680 | 1,690 | 1,700 | 2,240 | 2,320 | 2,860 | - | - | |
| 19* | 1,790 | 1,810 | 1,830 | 1,850 | 2,520 | 2,610 | 3,260 | - | - | |
| 24 | 2,130 | 2,150 | 2,170 | 2,190 | 3,110 | 3,220 | 4,110 | 5,110 | - | |
| 27 | - | 2,350 | 2,380 | 2,410 | 3,460 | 3,590 | 4,640 | 5,830 | - | |
| 30 | - | 2,790 | 2,830 | 2,870 | 4,300 | 4,480 | 5,890 | 7,490 | - | |
| 32 | - | 3,510 | 3,620 | 3,720 | 5,790 | 5,960 | 8,120 | 10,520 | - | |
| 白アルマイト (×1.0) SH-ALSFB 黒アルマイト (×1.1) SH-ABLSFB | 6* | 1,420 | 1,430 | - | - | - | - | - | - | - |
| 7* | 1,460 | 1,470 | - | - | - | - | - | - | - | |
| 8* | 1,510 | 1,520 | 1,530 | 1,540 | 1,570 | 1,570 | - | - | - | |
| 10* | 1,550 | 1,560 | 1,570 | 1,580 | 1,820 | 1,840 | - | - | - | |
| 12* | 1,630 | 1,640 | 1,650 | 1,660 | 2,010 | 2,030 | 2,390 | - | - | |
| 13* | 1,660 | 1,670 | 1,680 | 1,700 | 2,060 | 2,080 | 2,630 | - | - | |
| 14* | 1,750 | 1,760 | 1,770 | 1,780 | 2,200 | 2,240 | 2,660 | - | - | |
| 17* | 1,920 | 1,930 | 1,940 | 1,950 | 2,490 | 2,570 | 3,110 | - | - | |
| 19* | 2,040 | 2,060 | 2,080 | 2,100 | 2,770 | 2,860 | 3,510 | - | - | |
| 24 | 2,380 | 2,400 | 2,420 | 2,440 | 3,360 | 3,470 | 4,360 | 5,360 | - | |
| 27 | - | 2,600 | 2,630 | 2,660 | 3,710 | 3,840 | 4,890 | 6,080 | - | |
| 30 | - | 3,040 | 3,080 | 3,120 | 4,550 | 4,730 | 6,140 | 7,740 | - | |
| 32 | - | 3,760 | 3,870 | 3,970 | 6,040 | 6,210 | 8,370 | 10,770 | - | |
| 型式 | ¥基準単価 | |||||||||
| Type | B | 最短L ~50 | L50.5 ~100 | L100.5 ~150 | L150.5 ~200 | L200.5 ~300 | L300.5 ~400 | L400.5 ~600 | L600.5 ~800 | L800.5 ~1000 |
| SL-PLSFB | 5 | 1,600 | 1,610 | 1,620 | 1,630 | - | - | - | - | - |
| 6 | 1,600 | 1,610 | 1,620 | 1,630 | - | - | - | - | - | |
| 7 | 1,610 | 1,620 | 1,630 | 1,640 | - | - | - | - | - | |
| 8 | 1,690 | 1,700 | 1,710 | 1,720 | 1,770 | 2,300 | - | - | - | |
| 10 | 1,740 | 1,750 | 1,760 | 1,770 | 1,860 | 2,380 | - | - | - | |
| 12 | 1,800 | 1,810 | 1,830 | 1,840 | 1,910 | 2,430 | 2,530 | - | - | |
| 13 | 1,840 | 1,850 | 1,860 | 1,870 | 1,940 | 2,490 | 2,570 | - | - | |
| 14 | 1,870 | 1,880 | 1,890 | 1,900 | 2,130 | 2,700 | 3,020 | - | - | |
| 17 | 1,930 | 1,960 | 1,980 | 2,000 | 2,500 | 3,090 | 3,510 | - | - | |
| 19 | - | 2,050 | 2,100 | 2,120 | 2,730 | 3,340 | 3,870 | - | - | |
| 24 | - | 2,430 | 2,510 | 2,540 | 3,270 | 3,910 | 4,700 | 6,010 | - | |
| 27 | - | 2,670 | 2,720 | 2,770 | 3,760 | 4,450 | 5,430 | 6,620 | - | |
| 30 | - | 3,070 | 3,190 | 3,290 | 4,300 | 4,970 | 6,120 | 7,520 | - | |
| 32 | - | 3,260 | 3,370 | 3,490 | 4,780 | 5,530 | 6,890 | 8,540 | - | |
| SH-PLSFB | 5 | 2,100 | 2,110 | 2,120 | 2,130 | - | - | - | - | - |
| 6 | 2,100 | 2,110 | 2,120 | 2,130 | - | - | - | - | - | |
| 7 | 2,110 | 2,120 | 2,130 | 2,140 | - | - | - | - | - | |
| 8 | 2,190 | 2,200 | 2,210 | 2,220 | 2,570 | 3,800 | - | - | - | |
| 10 | 2,240 | 2,250 | 2,260 | 2,270 | 2,660 | 3,880 | - | - | - | |
| 12 | 2,300 | 2,310 | 2,330 | 2,340 | 2,710 | 3,930 | 4,030 | - | - | |
| 13 | 2,340 | 2,350 | 2,360 | 2,370 | 2,740 | 3,990 | 4,070 | - | - | |
| 14 | 2,370 | 2,380 | 2,390 | 2,400 | 2,930 | 4,200 | 4,520 | - | - | |
| 17 | 2,430 | 2,460 | 2,480 | 2,500 | 3,300 | 4,590 | 5,010 | - | - | |
| 19 | - | 2,550 | 2,600 | 2,620 | 3,530 | 4,840 | 5,370 | - | - | |
| 24 | - | 2,930 | 3,010 | 3,040 | 4,070 | 5,410 | 6,200 | 7,510 | - | |
| 27 | - | 3,170 | 3,220 | 3,270 | 4,560 | 5,950 | 6,930 | 8,120 | - | |
| 30 | - | 3,570 | 3,690 | 3,790 | 5,100 | 6,470 | 7,620 | 9,020 | - | |
| 32 | - | 3,760 | 3,870 | 3,990 | 5,580 | 7,030 | 8,390 | 10,040 | - | |
| SL-BLSFB | 5 | 1,610 | 1,620 | 1,630 | 1,640 | - | - | - | - | - |
| 6 | 1,610 | 1,620 | 1,630 | 1,640 | - | - | - | - | - | |
| 7 | 1,620 | 1,630 | 1,640 | 1,650 | - | - | - | - | - | |
| 8 | 1,690 | 1,700 | 1,710 | 1,720 | 1,770 | 2,300 | - | - | - | |
| 10 | 1,740 | 1,750 | 1,760 | 1,770 | 1,860 | 2,380 | - | - | - | |
| 12 | 1,800 | 1,810 | 1,830 | 1,840 | 1,910 | 2,430 | 2,530 | - | - | |
| 13 | 1,840 | 1,850 | 1,860 | 1,870 | 1,940 | 2,490 | 2,570 | - | - | |
| 14 | 1,870 | 1,880 | 1,890 | 1,900 | 2,130 | 2,700 | 3,020 | - | - | |
| 17 | 1,930 | 1,960 | 1,980 | 2,000 | 2,500 | 3,090 | 3,510 | - | - | |
| 19 | - | 2,050 | 2,100 | 2,120 | 2,730 | 3,340 | 3,870 | - | - | |
| 24 | - | 2,430 | 2,510 | 2,540 | 3,270 | 3,910 | 4,700 | 6,010 | - | |
| 27 | - | 2,670 | 2,720 | 2,770 | 3,760 | 4,450 | 5,430 | 6,620 | - | |
| 30 | - | 3,070 | 3,190 | 3,290 | 4,300 | 4,970 | 6,120 | 7,520 | - | |
| 32 | - | 3,260 | 3,370 | 3,490 | 4,780 | 5,530 | 6,890 | 8,540 | - | |
| SH-BLSFB | 5 | 2,110 | 2,120 | 2,130 | 2,140 | - | - | - | - | - |
| 6 | 2,110 | 2,120 | 2,130 | 2,140 | - | - | - | - | - | |
| 7 | 2,120 | 2,130 | 2,140 | 2,150 | - | - | - | - | - | |
| 8 | 2,190 | 2,200 | 2,210 | 2,220 | 2,570 | 3,800 | - | - | - | |
| 10 | 2,240 | 2,250 | 2,260 | 2,270 | 2,660 | 3,880 | - | - | - | |
| 12 | 2,300 | 2,310 | 2,330 | 2,340 | 2,710 | 3,930 | 4,030 | - | - | |
| 13 | 2,340 | 2,350 | 2,360 | 2,370 | 2,740 | 3,990 | 4,070 | - | - | |
| 14 | 2,370 | 2,380 | 2,390 | 2,400 | 2,930 | 4,200 | 4,520 | - | - | |
| 17 | 2,430 | 2,460 | 2,480 | 2,500 | 3,300 | 4,590 | 5,010 | - | - | |
| 19 | - | 2,550 | 2,600 | 2,620 | 3,530 | 4,840 | 5,370 | - | - | |
| 24 | - | 2,930 | 3,010 | 3,040 | 4,070 | 5,410 | 6,200 | 7,510 | - | |
| 27 | - | 3,170 | 3,220 | 3,270 | 4,560 | 5,950 | 6,930 | 8,120 | - | |
| 30 | - | 3,570 | 3,690 | 3,790 | 5,100 | 6,470 | 7,620 | 9,020 | - | |
| 32 | - | 3,760 | 3,870 | 3,990 | 5,580 | 7,030 | 8,390 | 10,040 | - | |
| 型式 | ¥基準単価 | |||||||||
| Type | B | 最短L ~50 | L50.5 ~100 | L100.5 ~150 | L150.5 ~200 | L200.5 ~300 | L300.5 ~400 | L400.5 ~600 | L600.5 ~800 | L800.5 ~1000 |
| SL-SLSBF | 5 | 1,500 | 1,510 | - | - | - | - | - | - | - |
| 6 | 1,510 | 1,520 | - | - | - | - | - | - | - | |
| 7 | 1,520 | 1,530 | 1,540 | 1,550 | - | - | - | - | - | |
| 8 | 1,590 | 1,600 | 1,610 | 1,620 | 1,780 | 1,800 | - | - | - | |
| 10 | 1,660 | 1,670 | 1,680 | 1,700 | 1,880 | 1,910 | - | - | - | |
| 12 | 1,720 | 1,730 | 1,740 | 1,750 | 1,950 | 1,970 | 2,220 | - | - | |
| 13 | 1,780 | 1,790 | 1,800 | 1,810 | 2,010 | 2,050 | 2,280 | - | - | |
| 14 | 1,880 | 1,890 | 1,910 | 1,920 | 2,380 | 2,450 | 2,890 | - | - | |
| 17 | 2,040 | 2,060 | 2,080 | 2,100 | 2,770 | 2,860 | 3,550 | - | - | |
| 19 | 2,170 | 2,190 | 2,210 | 2,230 | 3,100 | 3,210 | 3,980 | - | - | |
| 24 | 2,750 | 2,750 | 2,780 | 2,810 | 3,940 | 4,070 | 5,420 | 7,590 | - | |
| 27 | 3,130 | 3,130 | 3,180 | 3,220 | 4,660 | 4,830 | 6,600 | 7,650 | - | |
| 30 | - | 3,540 | 3,650 | 3,750 | 5,340 | 5,510 | 7,620 | 9,950 | - | |
| 32 | - | 3,860 | 3,960 | 4,070 | 5,870 | 6,110 | 8,450 | 11,130 | - | |
| SH-SLSBF | 5 | 1,650 | 1,660 | - | - | - | - | - | - | - |
| 6 | 1,660 | 1,670 | - | - | - | - | - | - | - | |
| 7 | 1,670 | 1,680 | 1,690 | 1,700 | - | - | - | - | - | |
| 8 | 1,740 | 1,750 | 1,760 | 1,770 | 1,930 | 1,950 | - | - | - | |
| 10 | 1,810 | 1,820 | 1,830 | 1,850 | 2,030 | 2,060 | - | - | - | |
| 12 | 1,870 | 1,880 | 1,890 | 1,900 | 2,100 | 2,120 | 2,370 | - | - | |
| 13 | 1,930 | 1,940 | 1,950 | 1,960 | 2,160 | 2,200 | 2,430 | - | - | |
| 14 | 2,030 | 2,040 | 2,060 | 2,070 | 2,530 | 2,600 | 3,040 | - | - | |
| 17 | 2,190 | 2,210 | 2,230 | 2,250 | 2,920 | 3,010 | 3,700 | - | - | |
| 19 | 2,320 | 2,340 | 2,360 | 2,380 | 3,250 | 3,360 | 4,130 | - | - | |
| 24 | 2,900 | 2,900 | 2,930 | 2,960 | 4,090 | 4,220 | 5,570 | 7,740 | - | |
| 27 | - | 3,280 | 3,330 | 3,370 | 4,810 | 4,980 | 6,750 | 7,800 | - | |
| 30 | - | 3,690 | 3,800 | 3,900 | 5,490 | 5,660 | 7,770 | 10,100 | - | |
| 32 | - | 4,010 | 4,110 | 4,220 | 6,020 | 6,260 | 8,600 | 11,280 | - | |
| SHD-SLSBF | 5 | 1,270 | 1,278 | - | - | - | - | - | - | - |
| 6 | 1,278 | 1,285 | - | - | - | - | - | - | - | |
| 7 | 1,285 | 1,293 | 1,301 | 1,309 | - | - | - | - | - | |
| 8 | 1,339 | 1,347 | 1,355 | 1,362 | 1,486 | 1,501 | - | - | - | |
| 10 | 1,393 | 1,401 | 1,409 | 1,424 | 1,563 | 1,586 | - | - | - | |
| 12 | 1,439 | 1,447 | 1,455 | 1,463 | 1,617 | 1,632 | 1,824 | - | - | |
| 13 | 1,486 | 1,493 | 1,501 | 1,509 | 1,663 | 1,694 | 1,871 | - | - | |
| 14 | 1,563 | 1,570 | 1,586 | 1,593 | 1,948 | 2,002 | 2,340 | - | - | |
| 17 | 1,686 | 1,701 | 1,717 | 1,732 | 2,248 | 2,317 | 2,849 | - | - | |
| 19 | 1,786 | 1,801 | 1,817 | 1,832 | 2,502 | 2,587 | 3,180 | - | - | |
| 24 | 2,233 | 2,233 | 2,256 | 2,279 | 3,149 | 3,249 | 4,288 | 5,959 | - | |
| 27 | - | 2,525 | 2,564 | 2,594 | 3,703 | 3,834 | 5,197 | 6,006 | - | |
| 30 | - | 2,841 | 2,926 | 3,003 | 4,227 | 4,358 | 5,982 | 7,777 | - | |
| 32 | - | 3,087 | 3,164 | 3,249 | 4,635 | 4,820 | 6,622 | 8,685 | - | |
| 型式 | ¥基準単価 | |||||||||
| Type | B | 最短L ~50 | L50.5 ~100 | L100.5 ~150 | L150.5 ~200 | L200.5 ~300 | L300.5 ~400 | L400.5 ~600 | L600.5 ~800 | L800.5 ~1000 |
| 白アルマイト (×1.0) SL-ALSBF 黒アルマイト (×1.1) SL-ABLSBF | 6* | 1,320 | 1,330 | - | - | - | - | - | - | - |
| 7* | 1,360 | 1,370 | - | - | - | - | - | - | - | |
| 8* | 1,390 | 1,400 | 1,410 | 1,420 | 1,480 | 1,480 | - | - | - | |
| 10* | 1,450 | 1,460 | 1,470 | 1,480 | 1,780 | 1,800 | - | - | - | |
| 12* | 1,530 | 1,540 | 1,550 | 1,560 | 1,870 | 1,890 | 2,140 | - | - | |
| 13* | 1,590 | 1,600 | 1,610 | 1,620 | 2,050 | 2,080 | 2,710 | - | - | |
| 14* | 1,720 | 1,730 | 1,740 | 1,750 | 2,360 | 2,400 | 2,970 | - | - | |
| 17* | 1,900 | 1,910 | 1,920 | 1,930 | 2,580 | 2,650 | 3,360 | - | - | |
| 19* | 2,040 | 2,060 | 2,090 | 2,110 | 2,900 | 3,000 | 3,790 | - | - | |
| 24 | - | 2,480 | 2,510 | 2,530 | 3,640 | 3,740 | 4,810 | 6,020 | - | |
| 27 | - | 2,650 | 2,680 | 2,720 | 4,030 | 4,150 | 5,440 | 6,880 | - | |
| 30 | - | 3,100 | 3,150 | 3,190 | 5,090 | 5,270 | 7,240 | 9,360 | - | |
| 32 | - | 3,990 | 4,090 | 4,200 | 6,640 | 6,810 | 9,320 | 12,040 | - | |
| 白アルマイト (×1.0) SH-ALSBF 黒アルマイト (×1.1) SH-ABLSBF | 6* | 1,570 | 1,580 | - | - | - | - | - | - | - |
| 7* | 1,610 | 1,620 | - | - | - | - | - | - | - | |
| 8* | 1,640 | 1,650 | 1,660 | 1,670 | 1,730 | 1,730 | - | - | - | |
| 10* | 1,700 | 1,710 | 1,720 | 1,730 | 2,030 | 2,050 | - | - | - | |
| 12* | 1,780 | 1,790 | 1,800 | 1,810 | 2,120 | 2,140 | 2,390 | - | - | |
| 13* | 1,840 | 1,850 | 1,860 | 1,870 | 2,300 | 2,330 | 2,960 | - | - | |
| 14* | 1,970 | 1,980 | 1,990 | 2,000 | 2,610 | 2,650 | 3,220 | - | - | |
| 17* | 2,150 | 2,160 | 2,170 | 2,180 | 2,830 | 2,900 | 3,610 | - | - | |
| 19* | 2,290 | 2,310 | 2,340 | 2,360 | 3,150 | 3,250 | 4,040 | - | - | |
| 24 | - | 2,730 | 2,760 | 2,780 | 3,890 | 3,990 | 5,060 | 6,270 | - | |
| 27 | - | 2,900 | 2,930 | 2,970 | 4,280 | 4,400 | 5,690 | 7,130 | - | |
| 30 | - | 3,350 | 3,400 | 3,440 | 5,340 | 5,520 | 7,490 | 9,610 | - | |
| 32 | - | 4,240 | 4,340 | 4,450 | 6,890 | 7,060 | 9,570 | 12,290 | - | |
| 型式 | ¥基準単価 | |||||||||
| Type | B | 最短L ~50 | L50.5 ~100 | L100.5 ~150 | L150.5 ~200 | L200.5 ~300 | L300.5 ~400 | L400.5 ~600 | L600.5 ~800 | L800.5 ~1000 |
| SL-PLSBF | 5 | 1,710 | 1,720 | 1,730 | 1,740 | - | - | - | - | - |
| 6 | 1,710 | 1,720 | 1,730 | 1,740 | - | - | - | - | - | |
| 7 | 1,720 | 1,730 | 1,740 | 1,750 | - | - | - | - | - | |
| 8 | 1,810 | 1,830 | 1,840 | 1,850 | 1,900 | 2,420 | - | - | - | |
| 10 | 1,880 | 1,890 | 1,900 | 1,910 | 2,000 | 2,530 | - | - | - | |
| 12 | 1,930 | 1,940 | 1,960 | 1,970 | 1,980 | 2,500 | 2,600 | - | - | |
| 13 | 1,980 | 1,990 | 2,000 | 2,010 | 2,110 | 2,650 | 2,740 | - | - | |
| 14 | 2,050 | 2,060 | 2,070 | 2,080 | 2,380 | 2,950 | 3,330 | - | - | |
| 17 | 2,110 | 2,130 | 2,150 | 2,170 | 2,710 | 3,310 | 3,810 | - | - | |
| 19 | - | 2,240 | 2,290 | 2,310 | 2,960 | 3,570 | 4,170 | - | - | |
| 24 | - | 2,680 | 2,720 | 2,750 | 3,530 | 4,170 | 5,040 | 6,420 | - | |
| 27 | - | 2,850 | 2,890 | 2,950 | 4,040 | 4,730 | 5,800 | 7,100 | - | |
| 30 | - | 3,240 | 3,350 | 3,470 | 4,640 | 5,330 | 6,660 | 8,210 | - | |
| 32 | - | 3,510 | 3,630 | 3,740 | 5,160 | 5,910 | 7,400 | 9,160 | - | |
| SH-PLSBF | 5 | 2,210 | 2,220 | 2,230 | 2,240 | - | - | - | - | - |
| 6 | 2,210 | 2,220 | 2,230 | 2,240 | - | - | - | - | - | |
| 7 | 2,220 | 2,230 | 2,240 | 2,250 | - | - | - | - | - | |
| 8 | 2,310 | 2,330 | 2,340 | 2,350 | 2,700 | 3,920 | - | - | - | |
| 10 | 2,380 | 2,390 | 2,400 | 2,410 | 2,800 | 4,030 | - | - | - | |
| 12 | 2,430 | 2,440 | 2,460 | 2,470 | 2,780 | 4,000 | 4,100 | - | - | |
| 13 | 2,480 | 2,490 | 2,500 | 2,510 | 2,910 | 4,150 | 4,240 | - | - | |
| 14 | 2,550 | 2,560 | 2,570 | 2,580 | 3,180 | 4,450 | 4,830 | - | - | |
| 17 | 2,610 | 2,630 | 2,650 | 2,670 | 3,510 | 4,810 | 5,310 | - | - | |
| 19 | - | 2,740 | 2,790 | 2,810 | 3,760 | 5,070 | 5,670 | - | - | |
| 24 | - | 3,180 | 3,220 | 3,250 | 4,330 | 5,670 | 6,540 | 7,920 | - | |
| 27 | - | 3,350 | 3,390 | 3,450 | 4,840 | 6,230 | 7,300 | 8,600 | - | |
| 30 | - | 3,740 | 3,850 | 3,970 | 5,440 | 6,830 | 8,160 | 9,710 | - | |
| 32 | - | 4,010 | 4,130 | 4,240 | 5,960 | 7,410 | 8,900 | 10,660 | - | |
| SL-BLSBF | 5 | 1,720 | 1,730 | 1,740 | 1,750 | - | - | - | - | - |
| 6 | 1,720 | 1,730 | 1,740 | 1,750 | - | - | - | - | - | |
| 7 | 1,730 | 1,740 | 1,750 | 1,760 | - | - | - | - | - | |
| 8 | 1,810 | 1,830 | 1,840 | 1,850 | 1,900 | 2,420 | - | - | - | |
| 10 | 1,880 | 1,890 | 1,900 | 1,910 | 2,000 | 2,530 | - | - | - | |
| 12 | 1,930 | 1,940 | 1,960 | 1,970 | 1,980 | 2,500 | 2,600 | - | - | |
| 13 | 1,980 | 1,990 | 2,000 | 2,010 | 2,110 | 2,650 | 2,740 | - | - | |
| 14 | 2,050 | 2,060 | 2,070 | 2,080 | 2,380 | 2,950 | 3,330 | - | - | |
| 17 | 2,110 | 2,130 | 2,150 | 2,170 | 2,710 | 3,310 | 3,810 | - | - | |
| 19 | - | 2,240 | 2,290 | 2,310 | 2,960 | 3,570 | 4,170 | - | - | |
| 24 | - | 2,680 | 2,720 | 2,750 | 3,530 | 4,170 | 5,040 | 6,420 | - | |
| 27 | - | 2,850 | 2,890 | 2,950 | 4,040 | 4,730 | 5,800 | 7,100 | - | |
| 30 | - | 3,240 | 3,350 | 3,470 | 4,640 | 5,330 | 6,660 | 8,210 | - | |
| 32 | - | 3,510 | 3,630 | 3,740 | 5,160 | 5,910 | 7,400 | 9,160 | - | |
| SH-BLSBF | 5 | 2,220 | 2,230 | 2,240 | 2,250 | - | - | - | - | - |
| 6 | 2,220 | 2,230 | 2,240 | 2,250 | - | - | - | - | - | |
| 7 | 2,230 | 2,240 | 2,250 | 2,260 | - | - | - | - | - | |
| 8 | 2,310 | 2,330 | 2,340 | 2,350 | 2,700 | 3,920 | - | - | - | |
| 10 | 2,380 | 2,390 | 2,400 | 2,410 | 2,800 | 4,030 | - | - | - | |
| 12 | 2,430 | 2,440 | 2,460 | 2,470 | 2,780 | 4,000 | 4,100 | - | - | |
| 13 | 2,480 | 2,490 | 2,500 | 2,510 | 2,910 | 4,150 | 4,240 | - | - | |
| 14 | 2,550 | 2,560 | 2,570 | 2,580 | 3,180 | 4,450 | 4,830 | - | - | |
| 17 | 2,610 | 2,630 | 2,650 | 2,670 | 3,510 | 4,810 | 5,310 | - | - | |
| 19 | - | 2,740 | 2,790 | 2,810 | 3,760 | 5,070 | 5,670 | - | - | |
| 24 | - | 3,180 | 3,220 | 3,250 | 4,330 | 5,670 | 6,540 | 7,920 | - | |
| 27 | - | 3,350 | 3,390 | 3,450 | 4,840 | 6,230 | 7,300 | 8,600 | - | |
| 30 | - | 3,740 | 3,850 | 3,970 | 5,440 | 6,830 | 8,160 | 9,710 | - | |
| 32 | - | 4,010 | 4,130 | 4,240 | 5,960 | 7,410 | 8,900 | 10,660 | - | |
| Type | B | ¥基準単価 | ||
| 最短L 〜50 | L50.1 ~100 | L100.1 ~130 | ||
| SL-VSLSBF | 5 | 1,790 | 1,800 | - |
| 6 | 1,800 | 1,810 | - | |
| 7 | 1,810 | 1,820 | 1,830 | |
| 8 | 1,890 | 1,900 | 1,910 | |
| 10 | 1,960 | 1,970 | 1,980 | |
| 12 | 2,020 | 2,030 | 2,040 | |
| 13 | 2,090 | 2,100 | 2,110 | |
| 14 | 2,190 | 2,200 | 2,220 | |
| 17 | 2,360 | 2,380 | 2,400 | |
| 19 | 2,500 | 2,500 | 2,540 | |
| SH-VSLSBF | 5 | 2,290 | 2,300 | - |
| 6 | 2,300 | 2,310 | - | |
| 7 | 2,310 | 2,320 | 2,330 | |
| 8 | 2,390 | 2,400 | 2,410 | |
| 10 | 2,460 | 2,470 | 2,480 | |
| 12 | 2,520 | 2,530 | 2,540 | |
| 13 | 2,590 | 2,600 | 2,610 | |
| 14 | 2,690 | 2,700 | 2,720 | |
| 17 | 2,860 | 2,880 | 2,900 | |
| 19 | 3,000 | 3,000 | 3,040 | |
| SHD-VSLSBF | 5 | 2,590 | 2,600 | - |
| 6 | 2,600 | 2,610 | - | |
| 7 | 2,610 | 2,620 | 2,630 | |
| 8 | 2,690 | 2,700 | 2,710 | |
| 10 | 2,760 | 2,770 | 2,780 | |
| 12 | 2,820 | 2,830 | 2,840 | |
| 13 | 2,890 | 2,900 | 2,910 | |
| 14 | 2,990 | 3,000 | 3,020 | |
| 17 | 3,160 | 3,180 | 3,200 | |
| 19 | 3,300 | 3,300 | 3,340 | |
| Type | B | ¥基準単価 | ||
| 最短L 〜50 | L50.1 ~100 | L100.1 ~130 | ||
| SL-VUSLSBF | 6 | 1,880 | 2,120 | - |
| 7 | 1,900 | 2,170 | 2,170 | |
| 8 | 1,980 | 2,170 | 2,220 | |
| 10 | 2,060 | 2,200 | 2,220 | |
| 12 | 2,130 | 2,200 | 2,310 | |
| 13 | 2,270 | 2,270 | 2,740 | |
| 14 | 2,310 | 2,320 | 2,730 | |
| 17 | 2,500 | 2,600 | 2,880 | |
| 19 | 2,880 | 2,880 | 3,170 | |
| SH-VUSLSBF | 6 | 2,380 | 2,620 | - |
| 7 | 2,400 | 2,670 | 2,670 | |
| 8 | 2,480 | 2,670 | 2,720 | |
| 10 | 2,560 | 2,700 | 2,720 | |
| 12 | 2,630 | 2,700 | 2,810 | |
| 13 | 2,770 | 2,770 | 3,240 | |
| 14 | 2,810 | 2,820 | 3,230 | |
| 17 | 3,000 | 3,100 | 3,380 | |
| 19 | 3,380 | 3,380 | 3,670 | |
| SHD-VUSLSBF | 6 | 2,680 | 2,920 | - |
| 7 | 2,700 | 2,970 | 2,970 | |
| 8 | 2,780 | 2,970 | 3,020 | |
| 10 | 2,860 | 3,000 | 3,020 | |
| 12 | 2,930 | 3,000 | 3,110 | |
| 13 | 3,070 | 3,070 | 3,540 | |
| 14 | 3,110 | 3,120 | 3,530 | |
| 17 | 3,300 | 3,400 | 3,680 | |
| 19 | 3,680 | 3,680 | 3,970 | |
| Type | B | ¥基準単価 | ||
| 最短L 〜50 | L50.1 ~100 | L100.1 ~130 | ||
| SL-VPLSBF | 5 | 1,690 | 1,700 | - |
| 6 | 1,690 | 1,700 | - | |
| 7 | 1,700 | 1,710 | 1,720 | |
| 8 | 1,790 | 1,800 | 1,810 | |
| 10 | 1,860 | 1,870 | 1,880 | |
| 12 | 1,910 | 1,920 | 1,930 | |
| 13 | 1,950 | 1,960 | 1,970 | |
| 14 | 2,020 | 2,030 | 2,040 | |
| 17 | 2,080 | 2,100 | 2,120 | |
| 19 | 2,200 | 2,200 | 2,250 | |
| SH-VPLSBF | 5 | 2,190 | 2,200 | - |
| 6 | 2,190 | 2,200 | - | |
| 7 | 2,200 | 2,210 | 2,220 | |
| 8 | 2,290 | 2,300 | 2,310 | |
| 10 | 2,360 | 2,370 | 2,380 | |
| 12 | 2,410 | 2,420 | 2,430 | |
| 13 | 2,450 | 2,460 | 2,470 | |
| 14 | 2,520 | 2,530 | 2,540 | |
| 17 | 2,580 | 2,600 | 2,620 | |
| 19 | 2,700 | 2,700 | 2,750 | |
| 数量区分 | 標準対応 | ||||||||
| 小口 | 大口 | ||||||||
| 数 量 | 1~4 | 5~9 | 10~14 | 15~19 | 20~49 | 50~100 | 101~300 | 301~500 | 501~600 |
| 値引率 | 基準単価 | 23% | 25% | 30% | 35% | 38% | 38% | 50% | 60% |
| 出荷日 | 通常 | +1日 | +3日 | ||||||
| 数量区分 | 標準対応 | 個別対応 | |||||
| 小口 | 大口 | 大口 | |||||
| 数 量 | 1~4 | 5~9 | 10~14 | 15~19 | 20~49 | 50~100 | 101~ |
| 値引率 | 基準単価 | 23% | 25% | 30% | 35% | 43% | お見積り |
| 出荷日 | 通常 | +5日 | |||||
| 5 | 日目出荷 |
| 6 | 日目出荷 |
| 8 | 日目出荷 |

通常価格、通常出荷日が表示と異なる場合がございます
通常価格、通常出荷日が表示と異なる場合がございます