メカニカル部品技術窓口
ミスミ品のみ対象

[ ! ]

| 穴種 | タップ穴 | ボルト通し穴 | ザグリ表 | ザグリ裏 | |||||||||||||||||||||||||||||||||||||||
| Code | M・MA | N・NA | Z・ZF | ZB | |||||||||||||||||||||||||||||||||||||||
| 形状図 | ![]() | ![]() | ![]() | ![]() | |||||||||||||||||||||||||||||||||||||||
| 加工 仕様 | タップ有効長 最大M・MA×2 [ ! ]T≧M・MA×3のとき、 タップ下穴が貫通しない 場合があります。 |
| |||||||||||||||||||||||||||||||||||||||||

| 型式 | [ M ]材質 | [ S ]表面処理 | 洗浄方法 | ||||
| Type | 材質記号 | 洗浄方法 | 洗浄環境 | 梱包形態 | 梱包環境 | ||
| SL-HFMSA | SU | SUS304 | - | 脱脂洗浄 | 一般環境 | 防錆梱包 | 一般環境 |
| SH-HFMSA | 精密洗浄 | クラス1000 | 脱気2重梱包 | クラス10 | |||
| SHD-HFMSA | 電解研磨+精密洗浄 | ||||||
| SL-HFMSA | AM | A5052 | - | 脱脂洗浄 | 一般環境 | 防錆梱包 | 一般環境 |
| SH-HFMSA | 精密洗浄 | クラス1000 | 脱気2重梱包 | クラス10 | |||
| SHD-HFMSA | 電解研磨+精密洗浄 | ||||||
| SL-HFMSA | AMW | アルマイト処理(白) | 脱脂洗浄 | 一般環境 | 防錆梱包 | 一般環境 | |
| SH-HFMSA | 精密洗浄 | クラス1000 | 脱気2重梱包 | クラス10 | |||
| SL-HFMSA | AMB | アルマイト処理(黒) | 脱脂洗浄 | 一般環境 | 防錆梱包 | 一般環境 | |
| SH-HFMSA | 精密洗浄 | クラス1000 | 脱気2重梱包 | クラス10 | |||
| SL-HFMSA | SCM | S50C | 無電解ニッケルメッキ | 脱脂洗浄 | 一般環境 | 防錆梱包 | 一般環境 |
| SH-HFMSA | 精密洗浄 | クラス1000 | 脱気2重梱包 | クラス10 | |||
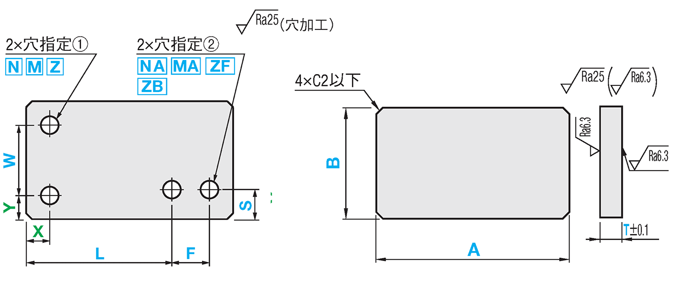
| 型式 | − | A | − | B | − | T | − | X | − | Y | − | W | − | 穴指定① Code・ 呼び径 | − | L | − | F | − | S | − | 穴指定② Code・ 呼び径 | ||
| Type | − | 材質記号 | ||||||||||||||||||||||
| SHD-HFMSA | − | SU | − | A100 | − | B80 | − | T10 | − | X15 | − | Y10 | − | W60 | − | Z6 | − | L50 | − | F10 | − | S10 | − | MA6 |
| 型式 | 指定0.1mm単位 | X | Y | W | 穴指定① | L | F | S | 穴指定② | |||||
| Type | 材質記号 | A | B | T | Code | 呼び径 | Code | 呼び径 | ||||||
| SL-HFMSA SH-HFMSA SHD-HFMSA | SU | 25.0 ~ 200.0 | 10.0 ~ 200.0 | 3.0 ~ 25.0 | 指定 0.1mm 単位 | 0 (穴なし) 3 4 5 6 8 10 12 14 16 | 指定 0.1mm 単位 | 0 (穴なし) 3 4 5 6 8 10 12 14 16 | ||||||
| N[ ! ] | NA[ ! ] | |||||||||||||
| M | MA | |||||||||||||
| Z[ ! ] | ZF[ ! ] | |||||||||||||
| ZB[ ! ] | ||||||||||||||
| [ ! ] | ||||||||||||||
| 加工寸法は | [ ! ] | |||||||||||||
| 穴種選択表 | 加工寸法は | |||||||||||||
| 参照 | 穴種選択表 | |||||||||||||
| AM AMW AMB SCM | 25.0 ~ 200.0 | 10.0 ~ 200.0 | 3.0 ~ 30.0 | 参照 | ||||||||||
| 型式 | − | A | − | B | − | T | − | X | − | Y | − | W | − | 穴指定① Code・ 呼び径 | − | L | − | F | − | S | − | 穴指定② Code・ 呼び径 | − | (CC) | ||
| Type | − | 材質記号 | ||||||||||||||||||||||||
| SL-HFMSA | − | SU | − | A100 | − | B80 | − | T10 | − | X15 | − | Y10 | − | W60 | − | Z6 | − | L50 | − | F10 | − | S10 | − | MA6 | − | CC10 |
| Alterations | コーナーカット変更 | 板厚(T寸)公差変更 | |||||||||||
![]() | ![]() | ||||||||||||
| Code | CC | TKC・THC | |||||||||||
| Spec. | コーナーカットを変更します。 CC=指定1mm単位 [ ! ]1≦CC≦50
(例)~-CC10 | 板厚(T寸)の公差を変更します。 TKC:公差±0.05 THC:公差±0.02 [ ! ]材質記号SCMのみ適用 [ NG ]TKC・THCは同時指定不可
(例)~-TKC、~-THC | |||||||||||
| ¥/1Code |
|
|
洗浄工程| ※材質がステンレスの場合、アルカリ系温水洗浄となることがあります。 | |
| ・脱脂洗浄(型式:SL-□□) | ※表面処理が低温黒色クロムメッキの場合、IPA洗浄となります。 |
作業環境:一般環境 | ||||||
|---|---|---|---|---|---|---|
![]() 炭化水素系洗浄※ Ro水洗浄 中性洗剤洗浄 | ![]() | ![]() 高圧ジェット水洗(Ro水) 後に純水(10MΩ・cm)で 洗浄 | ![]() | ![]() エアブロー(オイルフリー) 使用 | ![]() | ![]() 防錆袋使用 |
| ・精密洗浄(型式:SH-□□) | ※表面処理が低温黒色クロムメッキの場合、IPA洗浄となります。 |
作業環境:クラス1000 | 作業環境:クラス10 | |||||||
|---|---|---|---|---|---|---|---|---|
![]() 炭化水素系洗浄※ Ro水洗浄 中性洗剤洗浄 | ![]() | ![]() 高圧ジェット水洗(Ro水) 後に純水(10MΩ・cm)で 洗浄 | ![]() | ![]() 温純水(13MΩ・cm)使用 | ![]() | ![]() 窒素ブロー使用 | ![]() | ![]() クリーンベンチ(クラス10) で実施 |
作業環境:クラス1000 | 作業環境:クラス10 | |||||||||
|---|---|---|---|---|---|---|---|---|---|---|
![]() 炭化水素系洗浄 Ro水洗浄 中性洗剤洗浄 | ![]() | ![]() 材質に応じた電解研磨槽 で電解研磨 | ![]() | ![]() 高圧ジェット水洗(Ro水) 後に純水(10MΩ・cm)で 洗浄 | ![]() | ![]() 温純水(13MΩ・cm)使用 | ![]() | ![]() 窒素ブロー使用 | ![]() | ![]() クリーンベンチ(クラス10) で実施 |
梱包例| 脱脂洗浄の場合 (TYPE型番:SL-□□) | 精密洗浄または電解研磨+精密洗浄の場合 | |
| (TYPE型番:SH-□□・SHD-□□) | ||
| オーステナイト系ステンレス・アルミ材質の場合 | 鉄・マルテンサイト系ステンレス材質の場合 | |
![]() | ![]() | ![]() |
| 一部商品・サイズによっては、 梱包形態が異なる場合がございます。 | [ ! ]1重目・2重目の梱包とも、脱気されております。 | [ ! ]防錆対策として乾燥剤を同封しております。 1梱包につき1つになります。 |
洗浄効果・利用推奨環境洗浄方法 | 商品型番 | 梱包形態 | 未洗浄品と比べた効果 | ご利用環境(目安) | 利用シーン・工程 |
|---|---|---|---|---|---|
| 脱脂洗浄 | SL-□□ | 防錆梱包 | 油分除去 | 一般環境 | 通常組立工程 |
| バッテリー組立後工程 | |||||
| 精密洗浄 | SH-□□ | 脱気2重梱包 | 油分除去 粉塵除去 | クリーン環境(クラス10~1,000) | バッテリー組立工程 |
| 液晶関連組立後工程 | |||||
| 車載カメラ組立工程 | |||||
| 電解研磨+精密洗浄 | SHD-□□ | 脱気2重梱包 | 油分除去 粉塵除去 アウトガス低減 | 真空環境 クリーン環境(クラス10~1,000) | 半導体前工程 |
| 液晶成膜工程 | |||||
| 有機EL前工程 |
| 型番 |
|---|
| ・脱脂洗浄(防錆1重梱包) | :型番SL-□□ |
| ・精密洗浄(脱気2重梱包) | :型番SH-□□ |
| ・電解研磨+精密洗浄(脱気2重梱包) | :型番SHD-□□ |
| 商品型番 | 洗浄方法 | 梱包形態 | 未洗浄品と比べた効果 | ご利用環境(目安) | 工程別 |
| SL-□□ | 脱脂洗浄 | 防錆梱包 | 油分除去 | 一般環境 | 通常組立工程 |
| バッテリー組立後工程 | |||||
| SH-□□ | 精密洗浄 | 脱気2重梱包 | 油分除去 粉塵除去 | クリーン環境(クラス10~1,000) | バッテリー組立工程 |
| 液晶関連組立後工程 | |||||
| 車載カメラ組立工程 | |||||
| SHD-□□ | 電解研磨+精密洗浄 | 脱気2重梱包 | 油分除去 粉塵除去 アウトガス低減 | 真空環境 クリーン環境(クラス10~1,000) | 半導体前工程 |
| 液晶成膜工程 | |||||
| 有機EL前工程 |
| A | B | ¥本体価格+穴加工料金 | |||||||||||
| SL-HFMSA | SH-HFMSA | SHD-HFMSA | |||||||||||
| T3.0~7.0 | T7.1~10.0 | T10.1~15.0 | T15.1~25.0 | T3.0~7.0 | T7.1~10.0 | T10.1~15.0 | T15.1~25.0 | T3.0~7.0 | T7.1~10.0 | T10.1~15.0 | T15.1~25.0 | ||
| 25.0~50.0 | 10.0~50.0 | 4,930 | 5,260 | 5,650 | 5,780 | 5,930 | 6,260 | 6,650 | 6,780 | 6,530 | 6,860 | 7,250 | 7,380 |
| 50.1~100.0 | 5,330 | 5,980 | 6,410 | 6,940 | 6,330 | 6,980 | 7,410 | 7,940 | 6,930 | 7,580 | 8,010 | 8,540 | |
| 100.1~150.0 | 5,720 | 6,260 | 7,300 | 8,020 | 6,720 | 7,260 | 8,300 | 9,020 | 7,320 | 7,860 | 8,900 | 9,620 | |
| 150.1~200.0 | 6,140 | 6,760 | 7,860 | 8,960 | 7,140 | 7,760 | 8,860 | 9,960 | 7,740 | 8,360 | 9,460 | 10,560 | |
| 50.1~100.0 | 10.0~50.0 | 5,330 | 5,660 | 6,670 | 7,270 | 6,330 | 6,660 | 7,670 | 8,270 | 6,930 | 7,260 | 8,270 | 8,870 |
| 50.1~100.0 | 6,120 | 6,760 | 7,860 | 8,960 | 7,120 | 7,760 | 8,860 | 9,960 | 7,720 | 8,360 | 9,460 | 10,560 | |
| 100.1~150.0 | 6,880 | 7,860 | 9,530 | 11,170 | 7,880 | 8,860 | 10,530 | 12,170 | 8,480 | 9,460 | 11,130 | 12,770 | |
| 150.1~200.0 | 7,700 | 8,960 | 10,480 | 12,340 | 8,700 | 9,960 | 11,480 | 13,340 | 9,300 | 10,560 | 12,080 | 13,940 | |
| 100.1~150.0 | 10.0~50.0 | 5,720 | 6,220 | 7,510 | 8,280 | 6,720 | 7,220 | 8,510 | 9,280 | 7,320 | 7,820 | 9,110 | 9,880 |
| 50.1~100.0 | 6,880 | 7,860 | 9,530 | 11,170 | 7,880 | 8,860 | 10,530 | 12,170 | 8,480 | 9,460 | 11,130 | 12,770 | |
| 100.1~150.0 | 8,030 | 9,530 | 12,000 | 14,480 | 9,030 | 10,530 | 13,000 | 15,480 | 9,630 | 11,130 | 13,600 | 16,080 | |
| 150.1~200.0 | 9,270 | 11,180 | 14,500 | 17,770 | 10,270 | 12,180 | 15,500 | 18,770 | 10,870 | 12,780 | 16,100 | 19,370 | |
| 150.1~200.0 | 10.0~50.0 | 6,140 | 6,760 | 8,430 | 9,520 | 7,140 | 7,760 | 9,430 | 10,520 | 7,740 | 8,360 | 10,030 | 11,120 |
| 50.1~100.0 | 7,700 | 8,960 | 10,480 | 12,340 | 8,700 | 9,960 | 11,480 | 13,340 | 9,300 | 10,560 | 12,080 | 13,940 | |
| 100.1~150.0 | 9,270 | 11,180 | 14,500 | 17,770 | 10,270 | 12,180 | 15,500 | 18,770 | 10,870 | 12,780 | 16,100 | 19,370 | |
| 150.1~200.0 | 10,480 | 12,230 | 15,150 | 18,550 | 11,480 | 13,230 | 16,150 | 19,550 | 12,080 | 13,830 | 16,750 | 20,150 | |
| A | B | ¥本体価格+穴加工料金 | ||||||||||||||
| SL-HFMSA | SH-HFMSA | SHD-HFMSA | ||||||||||||||
| T3.0~7.0 | T7.1~10.0 | T10.1~15.0 | T15.1~25.0 | T25.1~30.0 | T3.0~7.0 | T7.1~10.0 | T10.1~15.0 | T15.1~25.0 | T25.1~30.0 | T3.0~7.0 | T7.1~10.0 | T10.1~15.0 | T15.1~25.0 | T25.1~30.0 | ||
| 25.0~50.0 | 10.0~50.0 | 3,880 | 4,070 | 4,160 | 4,240 | 4,300 | 4,880 | 5,070 | 5,160 | 5,240 | 5,300 | 5,480 | 5,670 | 5,760 | 5,840 | 5,900 |
| 50.1~100.0 | 4,070 | 4,100 | 4,430 | 4,610 | 4,850 | 5,070 | 5,100 | 5,430 | 5,610 | 5,850 | 5,670 | 5,700 | 6,030 | 6,210 | 6,450 | |
| 100.1~150.0 | 4,260 | 4,430 | 4,700 | 4,980 | 5,390 | 5,260 | 5,430 | 5,700 | 5,980 | 6,390 | 5,860 | 6,030 | 6,300 | 6,580 | 6,990 | |
| 150.1~200.0 | 4,420 | 4,620 | 4,980 | 5,340 | 5,930 | 5,420 | 5,620 | 5,980 | 6,340 | 6,930 | 6,020 | 6,220 | 6,580 | 6,940 | 7,530 | |
| 50.1~100.0 | 10.0~50.0 | 3,940 | 4,100 | 4,430 | 4,610 | 4,850 | 4,940 | 5,100 | 5,430 | 5,610 | 5,850 | 5,540 | 5,700 | 6,030 | 6,210 | 6,450 |
| 50.1~100.0 | 4,390 | 4,570 | 4,980 | 5,340 | 5,930 | 5,390 | 5,570 | 5,980 | 6,340 | 6,930 | 5,990 | 6,170 | 6,580 | 6,940 | 7,530 | |
| 100.1~150.0 | 4,480 | 4,980 | 5,530 | 6,080 | 7,020 | 5,480 | 5,980 | 6,530 | 7,080 | 8,020 | 6,080 | 6,580 | 7,130 | 7,680 | 8,620 | |
| 150.1~200.0 | 4,940 | 5,340 | 6,090 | 6,830 | 8,080 | 5,940 | 6,340 | 7,090 | 7,830 | 9,080 | 6,540 | 6,940 | 7,690 | 8,430 | 9,680 | |
| 100.1~150.0 | 10.0~50.0 | 4,260 | 4,430 | 4,700 | 4,980 | 5,390 | 5,260 | 5,430 | 5,700 | 5,980 | 6,390 | 5,860 | 6,030 | 6,300 | 6,580 | 6,990 |
| 50.1~100.0 | 4,420 | 4,980 | 5,530 | 6,080 | 7,020 | 5,420 | 5,980 | 6,530 | 7,080 | 8,020 | 6,020 | 6,580 | 7,130 | 7,680 | 8,620 | |
| 100.1~150.0 | 5,030 | 5,530 | 6,370 | 7,180 | 8,640 | 6,030 | 6,530 | 7,370 | 8,180 | 9,640 | 6,630 | 7,130 | 7,970 | 8,780 | 10,240 | |
| 150.1~200.0 | 5,470 | 6,090 | 7,180 | 8,290 | 10,260 | 6,470 | 7,090 | 8,180 | 9,290 | 11,260 | 7,070 | 7,690 | 8,780 | 9,890 | 11,860 | |
| 150.1~200.0 | 10.0~50.0 | 4,420 | 4,620 | 4,980 | 5,340 | 5,930 | 5,420 | 5,620 | 5,980 | 6,340 | 6,930 | 6,020 | 6,220 | 6,580 | 6,940 | 7,530 |
| 50.1~100.0 | 4,820 | 5,340 | 6,090 | 6,830 | 8,080 | 5,820 | 6,340 | 7,090 | 7,830 | 9,080 | 6,420 | 6,940 | 7,690 | 8,430 | 9,680 | |
| 100.1~150.0 | 5,470 | 6,090 | 7,180 | 8,290 | 10,260 | 6,470 | 7,090 | 8,180 | 9,290 | 11,260 | 7,070 | 7,690 | 8,780 | 9,890 | 11,860 | |
| 150.1~200.0 | 5,990 | 6,830 | 8,300 | 9,770 | 12,410 | 6,990 | 7,830 | 9,300 | 10,770 | 13,410 | 7,590 | 8,430 | 9,900 | 11,370 | 14,010 | |
| A | B | ¥本体価格+穴加工料金 | |||||||||
| SL-HFMSA | SH-HFMSA | ||||||||||
| T5.0~7.0 | T7.1~10.0 | T10.1~15.0 | T15.1~25.0 | T25.1~30.0 | T5.0~7.0 | T7.1~10.0 | T10.1~15.0 | T15.1~25.0 | T25.1~30.0 | ||
| 25.0~50.0 | 10.0~50.0 | 4,050 | 4,320 | 4,430 | 4,540 | 4,660 | 5,050 | 5,320 | 5,430 | 5,540 | 5,660 |
| 50.1~100.0 | 4,240 | 4,360 | 4,690 | 4,920 | 5,200 | 5,240 | 5,360 | 5,690 | 5,920 | 6,200 | |
| 100.1~150.0 | 4,480 | 4,690 | 5,100 | 5,420 | 5,900 | 5,480 | 5,690 | 6,100 | 6,420 | 6,900 | |
| 150.1~200.0 | 4,680 | 4,900 | 5,510 | 5,940 | 6,620 | 5,680 | 5,900 | 6,510 | 6,940 | 7,620 | |
| 50.1~100.0 | 10.0~50.0 | 4,130 | 4,400 | 4,870 | 5,140 | 5,490 | 5,130 | 5,400 | 5,870 | 6,140 | 6,490 |
| 50.1~100.0 | 4,580 | 4,850 | 5,420 | 5,870 | 6,570 | 5,580 | 5,850 | 6,420 | 6,870 | 7,570 | |
| 100.1~150.0 | 4,770 | 5,420 | 6,190 | 6,870 | 7,950 | 5,770 | 6,420 | 7,190 | 7,870 | 8,950 | |
| 150.1~200.0 | 5,300 | 5,920 | 6,970 | 7,870 | 9,320 | 6,300 | 6,920 | 7,970 | 8,870 | 10,320 | |
| 100.1~150.0 | 10.0~50.0 | 4,540 | 4,870 | 5,360 | 5,760 | 6,310 | 5,540 | 5,870 | 6,360 | 6,760 | 7,310 |
| 50.1~100.0 | 4,700 | 5,420 | 6,190 | 6,870 | 7,950 | 5,700 | 6,420 | 7,190 | 7,870 | 8,950 | |
| 100.1~150.0 | 5,430 | 6,190 | 7,340 | 8,360 | 10,020 | 6,430 | 7,190 | 8,340 | 9,360 | 11,020 | |
| 150.1~200.0 | 6,010 | 6,970 | 8,490 | 9,830 | 12,090 | 7,010 | 7,970 | 9,490 | 10,830 | 13,090 | |
| 150.1~200.0 | 10.0~50.0 | 4,770 | 5,190 | 5,860 | 6,390 | 7,160 | 5,770 | 6,190 | 6,860 | 7,390 | 8,160 |
| 50.1~100.0 | 5,170 | 5,920 | 6,970 | 7,870 | 9,320 | 6,170 | 6,920 | 7,970 | 8,870 | 10,320 | |
| 100.1~150.0 | 6,010 | 6,970 | 8,490 | 9,830 | 12,090 | 7,010 | 7,970 | 9,490 | 10,830 | 13,090 | |
| 150.1~200.0 | 6,670 | 8,000 | 10,030 | 11,840 | 14,870 | 7,670 | 9,000 | 11,030 | 12,840 | 15,870 | |
| A | B | ¥本体価格+穴加工料金 | |||||||||
| SL-HFMSA | SH-HFMSA | ||||||||||
| T5.0~7.0 | T7.1~10.0 | T10.1~15.0 | T15.1~25.0 | T25.1~30.0 | T5.0~7.0 | T7.1~10.0 | T10.1~15.0 | T15.1~25.0 | T25.1~30.0 | ||
| 25.0~50.0 | 10.0~50.0 | 4,050 | 4,320 | 4,430 | 4,540 | 4,660 | 5,050 | 5,320 | 5,430 | 5,540 | 5,660 |
| 50.1~100.0 | 4,240 | 4,360 | 4,690 | 4,920 | 5,200 | 5,240 | 5,360 | 5,690 | 5,920 | 6,200 | |
| 100.1~150.0 | 4,480 | 4,690 | 5,100 | 5,420 | 5,900 | 5,480 | 5,690 | 6,100 | 6,420 | 6,900 | |
| 150.1~200.0 | 4,680 | 4,900 | 5,510 | 5,940 | 6,620 | 5,680 | 5,900 | 6,510 | 6,940 | 7,620 | |
| 50.1~100.0 | 10.0~50.0 | 4,130 | 4,400 | 4,870 | 5,140 | 5,490 | 5,130 | 5,400 | 5,870 | 6,140 | 6,490 |
| 50.1~100.0 | 4,580 | 4,850 | 5,420 | 5,870 | 6,570 | 5,580 | 5,850 | 6,420 | 6,870 | 7,570 | |
| 100.1~150.0 | 4,770 | 5,420 | 6,190 | 6,870 | 7,950 | 5,770 | 6,420 | 7,190 | 7,870 | 8,950 | |
| 150.1~200.0 | 5,300 | 5,920 | 6,970 | 7,870 | 9,320 | 6,300 | 6,920 | 7,970 | 8,870 | 10,320 | |
| 100.1~150.0 | 10.0~50.0 | 4,540 | 4,870 | 5,360 | 5,760 | 6,310 | 5,540 | 5,870 | 6,360 | 6,760 | 7,310 |
| 50.1~100.0 | 4,700 | 5,420 | 6,190 | 6,870 | 7,950 | 5,700 | 6,420 | 7,190 | 7,870 | 8,950 | |
| 100.1~150.0 | 5,430 | 6,190 | 7,340 | 8,360 | 10,020 | 6,430 | 7,190 | 8,340 | 9,360 | 11,020 | |
| 150.1~200.0 | 6,010 | 6,970 | 8,490 | 9,830 | 12,090 | 7,010 | 7,970 | 9,490 | 10,830 | 13,090 | |
| 150.1~200.0 | 10.0~50.0 | 4,770 | 5,190 | 5,860 | 6,390 | 7,160 | 5,770 | 6,190 | 6,860 | 7,390 | 8,160 |
| 50.1~100.0 | 5,170 | 5,920 | 6,970 | 7,870 | 9,320 | 6,170 | 6,920 | 7,970 | 8,870 | 10,320 | |
| 100.1~150.0 | 6,010 | 6,970 | 8,490 | 9,830 | 12,090 | 7,010 | 7,970 | 9,490 | 10,830 | 13,090 | |
| 150.1~200.0 | 6,670 | 8,000 | 10,030 | 11,840 | 14,870 | 7,670 | 9,000 | 11,030 | 12,840 | 15,870 | |
| A | B | ¥本体価格+穴加工料金 | |||||||||
| SL-HFMSA | SH-HFMSA | ||||||||||
| T3.0~7.0 | T7.1~10.0 | T10.1~15.0 | T15.1~25.0 | T25.1~30.0 | T3.0~7.0 | T7.1~10.0 | T10.1~15.0 | T15.1~25.0 | T25.1~30.0 | ||
| 25.0~50.0 | 10.0~50.0 | 4,220 | 4,440 | 4,570 | 4,750 | 4,860 | 5,220 | 5,440 | 5,570 | 5,750 | 5,860 |
| 50.1~100.0 | 4,390 | 4,540 | 4,670 | 4,860 | 5,210 | 5,390 | 5,540 | 5,670 | 5,860 | 6,210 | |
| 100.1~150.0 | 4,520 | 4,680 | 5,010 | 5,200 | 5,710 | 5,520 | 5,680 | 6,010 | 6,200 | 6,710 | |
| 150.1~200.0 | 4,830 | 5,030 | 5,510 | 5,840 | 6,290 | 5,830 | 6,030 | 6,510 | 6,840 | 7,290 | |
| 50.1~100.0 | 10.0~50.0 | 4,240 | 4,660 | 5,070 | 5,310 | 5,520 | 5,240 | 5,660 | 6,070 | 6,310 | 6,520 |
| 50.1~100.0 | 4,610 | 4,870 | 5,360 | 5,590 | 6,220 | 5,610 | 5,870 | 6,360 | 6,590 | 7,220 | |
| 100.1~150.0 | 5,170 | 5,510 | 6,100 | 6,420 | 7,270 | 6,170 | 6,510 | 7,100 | 7,420 | 8,270 | |
| 150.1~200.0 | 5,310 | 5,840 | 6,660 | 7,310 | 8,320 | 6,310 | 6,840 | 7,660 | 8,310 | 9,320 | |
| 100.1~150.0 | 10.0~50.0 | 4,800 | 5,070 | 5,530 | 5,850 | 6,240 | 5,800 | 6,070 | 6,530 | 6,850 | 7,240 |
| 50.1~100.0 | 5,250 | 5,520 | 6,000 | 6,290 | 7,270 | 6,250 | 6,520 | 7,000 | 7,290 | 8,270 | |
| 100.1~150.0 | 5,730 | 6,170 | 6,950 | 7,680 | 8,830 | 6,730 | 7,170 | 7,950 | 8,680 | 9,830 | |
| 150.1~200.0 | 5,910 | 6,660 | 7,850 | 8,850 | 10,410 | 6,910 | 7,660 | 8,850 | 9,850 | 11,410 | |
| 150.1~200.0 | 10.0~50.0 | 5,010 | 5,380 | 5,900 | 6,400 | 7,080 | 6,010 | 6,380 | 6,900 | 7,400 | 8,080 |
| 50.1~100.0 | 5,430 | 5,840 | 6,660 | 7,310 | 8,320 | 6,430 | 6,840 | 7,660 | 8,310 | 9,320 | |
| 100.1~150.0 | 6,530 | 7,010 | 7,850 | 8,850 | 10,410 | 7,530 | 8,010 | 8,850 | 9,850 | 11,410 | |
| 150.1~200.0 | 6,850 | 7,460 | 9,090 | 10,410 | 12,480 | 7,850 | 8,460 | 10,090 | 11,410 | 13,480 | |
| 数量区分 | 標準対応 | 個別対応 | |||||
| 小口 | 大口 | 大口 | |||||
| 数 量 | 1 | 2~3 | 4~7 | 8~10 | 11~30 | 31~50 | 51~ |
| 値引率 | 基準価格 | 5% | 10% | 15% | 20% | 20% | お見積り |
| 出荷日 | 通常 | +2日 | +7日 | ||||
| 7 | 日目出荷 |
| 9 | 日目出荷 |
| 11 | 日目出荷 |
通常価格、通常出荷日が表示と異なる場合がございます
通常価格、通常出荷日が表示と異なる場合がございます

ミスミ
板金 取付板・ブラケット -フリー寸法タイプ- JTDAS・JTDAR
4.4
ミスミ
板金 取付板・ブラケット-センター振り分けタイプ- JSDAS
4.6
ミスミ
板金 取付板・ブラケット -フリー寸法タイプ- JTAAS・JTAAR
4.6
ミスミ
フラットバー 取付板・ブラケット -センター振り分けタイプ- HRCZA
4.7
ミスミ
板金 取付板・ブラケット-センター振り分けタイプ- JSAAS
4.4
ミスミ
板金 取付板・ブラケット -フリー寸法タイプ- JTNAS・JTNAR
4.6
ミスミ
板金 取付板・ブラケット -フリー寸法タイプ- JTDZS・JTDZR
4.4
ミスミ
6面フライス 取付板・ブラケット-外径寸法フリー指定- HFMQA
4.9
ミスミ
板金 取付板・ブラケット -フリー寸法タイプ- JTBAS・JTBAR
4.6