メカニカル部品技術窓口
ミスミ品のみ対象

| 型式 | [ M ]材質 | [ S ]表面処理 | 洗浄方法 | ||||
| Type | 材質記号 | 洗浄方法 | 洗浄環境 | 梱包形態 | 梱包環境 | ||
| SL-BLUZS | SUD | SUS304(2B) | - | 脱脂洗浄 | 一般環境 | 防錆梱包 | 一般環境 |
| SH-BLUZS | 精密洗浄 | クラス1000 | 脱気2重梱包 | クラス10 | |||
| SHD-BLUZS | 電解研磨+精密洗浄 | ||||||
| SL-BLUZS | AM | A5052 | - | 脱脂洗浄 | 一般環境 | 防錆梱包 | 一般環境 |
| SH-BLUZS | 精密洗浄 | クラス1000 | 脱気2重梱包 | クラス10 | |||
| SHD-BLUZS | 電解研磨+精密洗浄 | ||||||
| SL-BLUZS | AMW | アルマイト処理(白) | 脱脂洗浄 | 一般環境 | 防錆梱包 | 一般環境 | |
| SH-BLUZS | 精密洗浄 | クラス1000 | 脱気2重梱包 | クラス10 | |||
| SL-BLUZS | AMB | アルマイト処理(黒) | 脱脂洗浄 | 一般環境 | 防錆梱包 | 一般環境 | |
| SH-BLUZS | 精密洗浄 | クラス1000 | 脱気2重梱包 | クラス10 | |||
| SL-BLUZS | SPU | T0.8~3.2 : SPCC T4.5~6.0 : SPHC | 三価クロメート(白) | 脱脂洗浄 | 一般環境 | 防錆梱包 | 一般環境 |
| SH-BLUZS | 精密洗浄 | クラス1000 | 脱気2重梱包 | クラス10 | |||
| SL-BLUZS | SPK | 三価クロメート(黒) | 脱脂洗浄 | 一般環境 | 防錆梱包 | 一般環境 | |
| SH-BLUZS | 精密洗浄 | クラス1000 | 脱気2重梱包 | クラス10 | |||
| 型式 | − | A | − | B | − | T | − | H | − | V | ||
| Type | − | 材質記号 | ||||||||||
| SL-BLUZS | − | SUD | − | A80 | − | B40 | − | T3.0 | − | H40 | − | V50 |
| 型式 | 指定1mm単位 | 選択 | 指定1mm単位 | |||
| Type | 材質記号 | A | B | T | H | V |
| SL-BLUZS SH-BLUZS SHD-BLUZS | SUD AM AMW AMB | 1.5 ・ 2.0 ・ 3.0 ・ 40 | ||||
| 30 | 20 | 10 | min | |||
| ~ | ~ | ~ | 15 | |||
| 200 | 200 | 100 | ~ | |||
| [ ! ]V≧H | ||||||
| SPU SPK | 0.8 ・ 1.0 ・ 1.2 ・ 1.6 | |||||
| 2.3 ・ 3.2 ・ 4.5 ・ 6.0 | ||||||
| 型式 | − | A | − | B | − | T | − | H | − | V | − | (CC) | ||
| Type | − | 材質記号 | ||||||||||||
| SL-BLUZS | − | SUD | − | A100 | − | B50 | − | T3.0 | − | H20 | − | V70 | − | CC10 |
| Alteration | コーナーカット変更(4コーナー) | |
![]() | ||
| Code | CC | |
| Spec. | CC=指定1mm単位 [ ! ]1≦CC≦20 指定方法 CCを型式末尾に追加 (例)~-CC10 | |
| ¥/1Code | 400 | |
[ ! ]1.許容差は下図を参照
| <加工寸法の普通許容差> | ||||||
| 商品 | 基準寸法の区分 (A・H寸法) | 6以下 | 6を超え 30以下 | 30を超え 120以下 | 120を超え 400以下 | |
| 板金(曲げ加工品) | 許容差(a・h) | ±0.3 | ±0.5 | ±0.8 | ±1.2 | |
| ※JIS B 0408の金属プレス加工品普通許容差の公差等級:B級を採用。 | ||||||

[ ! ]4.下図のh,gの各部には加工限界があります。
| T | h | g | ||
| SPCC SPHC | A5052 | SUS304 | ||
| 0.8 | ー | ー | 5 | 5 |
| 1.0 | ー | ー | 5.5 | 5.5 |
| 1.2 | ー | ー | 5.5 | 5.5 |
| 1.6 | 1.5 | 1.5 | 6 | 6 |
| 2.3 | 2.0 | 2.0 | 7 | 7 |
| 3.2 | 3.0 | 3.0 | 9 | 9 |
| 4.5 | ー | 4.0 | 11 | 11 |
| 6.0 | ー | ー | 16 | 18 |

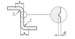
[ ! ]5.プレスブレーキのブレーキ押さえによるキズが付きます。r・e・d寸法は目安となります。
| T | 曲げ後R | ブレーキキズ | |||
| 位置 | 深さ | ||||
| SPCC SPHC | A5052 | SUS304 | (r) | (e) | (d) |
| 0.8 | ー | ー | 0.8 | 5 | 0.1 |
| 1.0 | ー | ー | 1 | 5 | 0.1 |
| 1.2 | ー | ー | 1.2 | 5 | 0.1 |
| 1.6 | 1.5 | 1.5 | 1.5 | 6 | 0.1 |
| 2.3 | 2.0 | 2.0 | 2.0 | 7.5 | 0.1 |
| 3.2 | 3.0 | 3.0 | 3.0 | 10.5 | 0.2 |
| 4.5 | ー | 4.0 | 4.0 | 13.5 | 0.3 |
| 6.0 | ー | ー | 6.0 | 17 | 0.5 |

[ ! ]6.曲げによる食い込み、及び膨らみが付きます。

| なし | 四三酸化鉄皮膜 | 三価クロメート(白) | 三価クロメート(黒) | |
| SP | SPB | SPU | SPK | |
| SPCC T0.8~3.2 | ![]() | ![]() | ![]() | ![]() |
| SPHC T4.5~6.0 | ![]() | ![]() | ![]() | ![]() |
| SS400(黒皮) T9.0 | ![]() | ![]() | ![]() | ![]() |
| なし | アルマイト処理(白) | アルマイト処理(黒) | |
| AM | AMW | AMB | |
| A5052 | ![]() | ![]() | ![]() |
| なし | |
| SUD | |
| SUS304(2B) T0.8~6.0 | ![]() |
| SUS304(No.1) T9.0 | ![]() |
洗浄工程| ※材質がステンレスの場合、アルカリ系温水洗浄となることがあります。 | |
| ・脱脂洗浄(型式:SL-□□) | ※表面処理が低温黒色クロムメッキの場合、IPA洗浄となります。 |
作業環境:一般環境 | ||||||
|---|---|---|---|---|---|---|
![]() 炭化水素系洗浄※ Ro水洗浄 中性洗剤洗浄 | ![]() | ![]() 高圧ジェット水洗(Ro水) 後に純水(10MΩ・cm)で 洗浄 | ![]() | ![]() エアブロー(オイルフリー) 使用 | ![]() | ![]() 防錆袋使用 |
| ・精密洗浄(型式:SH-□□) | ※表面処理が低温黒色クロムメッキの場合、IPA洗浄となります。 |
作業環境:クラス1000 | 作業環境:クラス10 | |||||||
|---|---|---|---|---|---|---|---|---|
![]() 炭化水素系洗浄※ Ro水洗浄 中性洗剤洗浄 | ![]() | ![]() 高圧ジェット水洗(Ro水) 後に純水(10MΩ・cm)で 洗浄 | ![]() | ![]() 温純水(13MΩ・cm)使用 | ![]() | ![]() 窒素ブロー使用 | ![]() | ![]() クリーンベンチ(クラス10) で実施 |
作業環境:クラス1000 | 作業環境:クラス10 | |||||||||
|---|---|---|---|---|---|---|---|---|---|---|
![]() 炭化水素系洗浄 Ro水洗浄 中性洗剤洗浄 | ![]() | ![]() 材質に応じた電解研磨槽 で電解研磨 | ![]() | ![]() 高圧ジェット水洗(Ro水) 後に純水(10MΩ・cm)で 洗浄 | ![]() | ![]() 温純水(13MΩ・cm)使用 | ![]() | ![]() 窒素ブロー使用 | ![]() | ![]() クリーンベンチ(クラス10) で実施 |
梱包例| 脱脂洗浄の場合 (TYPE型番:SL-□□) | 精密洗浄または電解研磨+精密洗浄の場合 | |
| (TYPE型番:SH-□□・SHD-□□) | ||
| オーステナイト系ステンレス・アルミ材質の場合 | 鉄・マルテンサイト系ステンレス材質の場合 | |
![]() | ![]() | ![]() |
| 一部商品・サイズによっては、 梱包形態が異なる場合がございます。 | [ ! ]1重目・2重目の梱包とも、脱気されております。 | [ ! ]防錆対策として乾燥剤を同封しております。 1梱包につき1つになります。 |
洗浄効果・利用推奨環境洗浄方法 | 商品型番 | 梱包形態 | 未洗浄品と比べた効果 | ご利用環境(目安) | 利用シーン・工程 |
|---|---|---|---|---|---|
| 脱脂洗浄 | SL-□□ | 防錆梱包 | 油分除去 | 一般環境 | 通常組立工程 |
| バッテリー組立後工程 | |||||
| 精密洗浄 | SH-□□ | 脱気2重梱包 | 油分除去 粉塵除去 | クリーン環境(クラス10~1,000) | バッテリー組立工程 |
| 液晶関連組立後工程 | |||||
| 車載カメラ組立工程 | |||||
| 電解研磨+精密洗浄 | SHD-□□ | 脱気2重梱包 | 油分除去 粉塵除去 アウトガス低減 | 真空環境 クリーン環境(クラス10~1,000) | 半導体前工程 |
| 液晶成膜工程 | |||||
| 有機EL前工程 |
| 型番 |
|---|
通常単価(税別)
(税込単価) | 通常出荷日 |
|---|
- ( - ) | 6日目 |
- ( - ) | 8日目 |
- ( - ) | 8日目 |
- ( - ) | 8日目 |
- ( - ) | 8日目 |
- ( - ) | 6日目 |
- ( - ) | 6日目 |
- ( - ) | 6日目 |
- ( - ) | 6日目 |
- ( - ) | 8日目 |
- ( - ) | 8日目 |
- ( - ) | 8日目 |
- ( - ) | 8日目 |
- ( - ) | 6日目 |
| ・脱脂洗浄(防錆1重梱包) | :型番SL-□□ |
| ・精密洗浄(脱気2重梱包) | :型番SH-□□ |
| ・電解研磨+精密洗浄(脱気2重梱包) | :型番SHD-□□ |
| 商品型番 | 洗浄方法 | 梱包形態 | 未洗浄品と比べた効果 | ご利用環境(目安) | 工程別 |
| SL-□□ | 脱脂洗浄 | 防錆梱包 | 油分除去 | 一般環境 | 通常組立工程 |
| バッテリー組立後工程 | |||||
| SH-□□ | 精密洗浄 | 脱気2重梱包 | 油分除去 粉塵除去 | クリーン環境(クラス10~1,000) | バッテリー組立工程 |
| 液晶関連組立後工程 | |||||
| 車載カメラ組立工程 | |||||
| SHD-□□ | 電解研磨+精密洗浄 | 脱気2重梱包 | 油分除去 粉塵除去 アウトガス低減 | 真空環境 クリーン環境(クラス10~1,000) | 半導体前工程 |
| 液晶成膜工程 | |||||
| 有機EL前工程 |
凸曲げ板金ブラケットです。汎用的な穴パターンをご用意しております。寸法フリーにて指定可能です。
| A | B | T | ¥基準単価 | ||
| SL-BLUZS | SH-BLUZS | SHD-BLUZS | |||
| 30~120 | 20~100 | 1.5 | 2,720 | 3,220 | 3,520 |
| 2.0 | 2,720 | 3,220 | 3,520 | ||
| 3.0 | 2,720 | 3,220 | 3,520 | ||
| 4.0 | 3,000 | 3,500 | 3,800 | ||
| 101~140 | 1.5 | 3,040 | 3,540 | 3,840 | |
| 2.0 | 3,040 | 3,540 | 3,840 | ||
| 3.0 | 3,040 | 3,540 | 3,840 | ||
| 4.0 | 3,450 | 3,950 | 4,250 | ||
| 141~200 | 1.5 | 3,350 | 3,850 | 4,150 | |
| 2.0 | 3,350 | 3,850 | 4,150 | ||
| 3.0 | 3,350 | 3,850 | 4,150 | ||
| 4.0 | 3,880 | 4,380 | 4,680 | ||
| 121~200 | 20~100 | 1.5 | 3,350 | 3,850 | 4,150 |
| 2.0 | 3,350 | 3,850 | 4,150 | ||
| 3.0 | 3,350 | 3,850 | 4,150 | ||
| 4.0 | 3,880 | 4,380 | 4,680 | ||
| 101~140 | 1.5 | 3,400 | 3,900 | 4,200 | |
| 2.0 | 3,690 | 4,190 | 4,490 | ||
| 3.0 | 3,690 | 4,190 | 4,490 | ||
| 4.0 | 4,170 | 4,670 | 4,970 | ||
| 141~200 | 1.5 | 3,540 | 4,040 | 4,340 | |
| 2.0 | 4,020 | 4,520 | 4,820 | ||
| 3.0 | 4,020 | 4,520 | 4,820 | ||
| 4.0 | 4,480 | 4,980 | 5,280 | ||
| A | B | T | ¥基準単価 | ||||||
| AM (表面処理なし) | AMW (アルマイト処理(白)) | AMB (アルマイト処理(黒)) | |||||||
| SL-BLUZS | SH-BLUZS | SHD-BLUZS | SL-BLUZS | SH-BLUZS | SL-BLUZS | SH-BLUZS | |||
| 30~120 | 20~100 | 1.5 | 2,670 | 3,170 | 3,470 | 3,630 | 4,130 | 3,800 | 4,300 |
| 2.0 | 2,670 | 3,170 | 3,470 | 3,630 | 4,130 | 3,800 | 4,300 | ||
| 3.0 | 2,670 | 3,170 | 3,470 | 3,630 | 4,130 | 3,800 | 4,300 | ||
| 101~140 | 1.5 | 2,980 | 3,480 | 3,780 | 4,410 | 4,910 | 4,730 | 5,230 | |
| 2.0 | 2,980 | 3,480 | 3,780 | 4,410 | 4,910 | 4,730 | 5,230 | ||
| 3.0 | 2,980 | 3,480 | 3,780 | 4,410 | 4,910 | 4,730 | 5,230 | ||
| 141~200 | 1.5 | 3,280 | 3,780 | 4,080 | 5,200 | 5,700 | 5,470 | 5,970 | |
| 2.0 | 3,280 | 3,780 | 4,080 | 5,200 | 5,700 | 5,470 | 5,970 | ||
| 3.0 | 3,280 | 3,780 | 4,080 | 5,200 | 5,700 | 5,470 | 5,970 | ||
| 121~200 | 20~100 | 1.5 | 3,280 | 3,780 | 4,080 | 4,400 | 4,900 | 4,550 | 5,050 |
| 2.0 | 3,280 | 3,780 | 4,080 | 4,400 | 4,900 | 4,550 | 5,050 | ||
| 3.0 | 3,280 | 3,780 | 4,080 | 4,400 | 4,900 | 4,550 | 5,050 | ||
| 101~140 | 1.5 | 3,610 | 4,110 | 4,410 | 5,430 | 5,930 | 5,880 | 6,380 | |
| 2.0 | 3,610 | 4,110 | 4,410 | 5,590 | 6,090 | 5,880 | 6,380 | ||
| 3.0 | 3,610 | 4,110 | 4,410 | 5,590 | 6,090 | 5,880 | 6,380 | ||
| 141~200 | 1.5 | 3,930 | 4,430 | 4,730 | 6,370 | 6,870 | 6,650 | 7,150 | |
| 2.0 | 3,930 | 4,430 | 4,730 | 6,370 | 6,870 | 6,650 | 7,150 | ||
| 3.0 | 3,930 | 4,430 | 4,730 | 6,370 | 6,870 | 6,650 | 7,150 | ||
| A | B | T | 本体価格 ¥基準単価 | |||
| SPU(三価クロメート(白)) | SPK(三価クロメート(黒)) | |||||
| SL-BLUZS | SH-BLUZS | SL-BLUZS | SH-BLUZS | |||
| 30~120 | 20~100 | 0.8~1.6 | 2,430 | 2,930 | 2,420 | 2,920 |
| 2.3 | 2,440 | 2,940 | 2,430 | 2,930 | ||
| 3.2 | 2,440 | 2,940 | 2,430 | 2,930 | ||
| 4.5 | 2,570 | 3,070 | 2,560 | 3,060 | ||
| 6.0 | 2,570 | 3,070 | 2,560 | 3,060 | ||
| 101~140 | 0.8~1.6 | 2,560 | 3,060 | 2,550 | 3,050 | |
| 2.3 | 2,590 | 3,090 | 2,580 | 3,080 | ||
| 3.2 | 2,610 | 3,110 | 2,600 | 3,100 | ||
| 4.5 | 2,770 | 3,270 | 2,760 | 3,260 | ||
| 6.0 | 2,770 | 3,270 | 2,760 | 3,260 | ||
| 141~200 | 0.8~1.6 | 2,720 | 3,220 | 2,710 | 3,210 | |
| 2.3 | 2,770 | 3,270 | 2,760 | 3,260 | ||
| 3.2 | 2,790 | 3,290 | 2,780 | 3,280 | ||
| 4.5 | 2,940 | 3,440 | 2,920 | 3,420 | ||
| 6.0 | 2,940 | 3,440 | 2,920 | 3,420 | ||
| 121~200 | 20~100 | 0.8~1.6 | 2,700 | 3,200 | 2,690 | 3,190 |
| 2.3 | 2,720 | 3,220 | 2,710 | 3,210 | ||
| 3.2 | 2,760 | 3,260 | 2,750 | 3,250 | ||
| 4.5 | 2,910 | 3,410 | 2,890 | 3,390 | ||
| 6.0 | 2,940 | 3,440 | 2,920 | 3,420 | ||
| 101~140 | 0.8~1.6 | 2,840 | 3,340 | 2,830 | 3,330 | |
| 2.3 | 2,890 | 3,390 | 2,880 | 3,380 | ||
| 3.2 | 2,940 | 3,440 | 2,920 | 3,420 | ||
| 4.5 | 3,140 | 3,640 | 3,120 | 3,620 | ||
| 6.0 | 3,150 | 3,650 | 3,130 | 3,630 | ||
| 141~200 | 0.8~1.6 | 2,970 | 3,470 | 2,960 | 3,460 | |
| 2.3 | 3,050 | 3,550 | 3,020 | 3,520 | ||
| 3.2 | 3,090 | 3,590 | 3,070 | 3,570 | ||
| 4.5 | 3,320 | 3,820 | 3,300 | 3,800 | ||
| 6.0 | 3,320 | 3,820 | 3,300 | 3,800 | ||
| 数量区分 | 標準対応 | 個別対応 | ||||
| 小口 | 大口 | 大口 | ||||
| 数 量 | 1〜3 | 4〜7 | 8〜19 | 20〜39 | 40〜100 | 101~ |
| 値引率 | 基準価格 | 35% | 40% | 50% | 50% | お見積り |
| 出荷日 | 通常 | +2日 | +5日 | |||

通常価格、通常出荷日が表示と異なる場合がございます
通常価格、通常出荷日が表示と異なる場合がございます

ミスミ
板金 取付板・ブラケット-凸曲げタイプ- BLUZS
4.7
ミスミ
板金 取付板・ブラケット-凸曲げタイプ- BLUJS
4.7
ミスミ
板金 取付板・ブラケット-凸曲げタイプ- BLUFS
4.5
ミスミ
板金 取付板・ブラケット-凸曲げタイプ- BLUES
4.6
ミスミ
板金 取付板・ブラケット -フリー寸法タイプ- JTDAS・JTDAR
4.4
ミスミ
板金 取付板・ブラケット-センター振り分けタイプ- JSDAS
4.6
ミスミ
板金 取付板・ブラケット -フリー寸法タイプ- JTAAS・JTAAR
4.6
ミスミ
板金 取付板・ブラケット -フリー寸法タイプ- JTDZS・JTDZR
4.4
ミスミ
L型板金 取付板・ブラケット-センター振り分けタイプ- FSMAS
4.4