メカニカル部品技術窓口
ミスミ品のみ対象

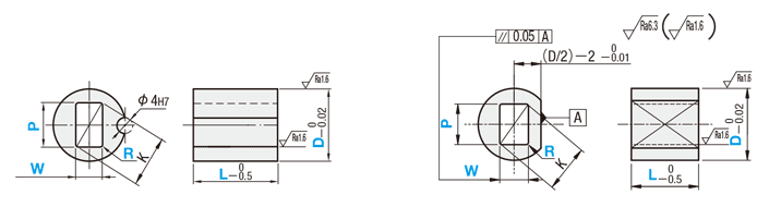
①ストレート(ノック回り止め)
①ストレート(一面落とし)
[ ! ]1
[ ! ]1


| [ M ]材質 | Type | 洗浄方法 | |||||
| ノック回り止め | 一面落とし | ||||||
| P+0.03+0.01 W+0.03+0.01 | PH7 WH7 | P+0.03+0.01 W+0.03+0.01 | 洗浄方法 | 洗浄環境 | 梱包形態 | 梱包環境 | |
| SUS304 | SL-KJBSRS | SL-KJBHSRS | SL-KJBSRDS | 脱脂洗浄 | 一般環境 | 防錆梱包 | 一般環境 |
| SH-KJBSRS | SH-KJBHSRS | SH-KJBSRDS | 精密洗浄 | クラス1000 | 脱気2重梱包 | クラス10 | |
| SHD-KJBSRS | SHD-KJBHSRS | SHD-KJBSRDS | 電解研磨+精密洗浄 | ||||
詳細図を記載しておりますので、ご確認ください。| 型式 | P | − | W | − | R | − | L | |||
| − | ||||||||||
| Type | D | |||||||||
| SL-KJBSRS | 12 | − | P8.00 | − | W5.00 | − | R0.3 | − | L12 | |
| P,W | H7 |
| 3.00〜6.00 | +0.012 0 |
| 6.01〜10.00 | +0.015 0 |
| 10.01〜18.00 | +0.018 0 |
| 18.01〜22.00 | +0.021 0 |
| 型式 | P 指定0.01mm単位 | W 指定0.01mm単位 | R 指定0.01mm単位 | L 指定1mm単位 | |||
| Type | [ ! ]3 D | ||||||
| ストレート | |||||||
| ノック回り止め[ ! ]2 | 一面落とし | ||||||
| P+0.03+0.01 W+0.03+0.01 | PH7 WH7 | P+0.03+0.01 W+0.03+0.01 | |||||
| SL-KJBSRS SH-KJBSRS SHD-KJBSRS | SL-KJBHSRS SH-KJBHSRS SHD-KJBHSRS | SL-KJBSRDS SH-KJBSRDS SHD-KJBSRDS | 10 | 4.00~ 8.00 | P>W (W≧3.00) | 0.20≦R≦W/2 | 5~20 |
| 12 | 4.00~10.00 | ||||||
| 16 | 6.00~14.00 | ||||||
| 20 | 10.00~18.00 | ||||||
| 25 | 14.00~22.00 | ||||||
| 型式 | P | − | W | − | R | − | L | − | (FC・NC…etc.) | |
| SL-KJBSRS20 | − | P12.00 | − | W10.00 | − | R0.3 | − | L20 | − | NC |
| Alterations | Code | Spec. | ¥/1Code |
溝追加工(接着剤溜まり用)![]() | FC | 接着剤溜まり用の溝加工を追加します。 [ ! ]D≧P+3:ブッシュの肉厚が1.5ミリ以上ある場合のみ適用。 [ ! ]ストレートの場合L≧8の場合のみ適用 [ NG ]追加工NCとの併用不可 | 200 |
溝追加工(抜け止め防止)![]() | NC | 抜け止め防止の溝加工を追加します。 [ ! ]D≧P+3:ブッシュの肉厚が1.5ミリ以上ある場合のみ適用。 [ ! ]ストレートの場合L≧8の場合のみ適用 [ NG ]追加工FCとの併用不可 | 300 |
| Alterations | Code | Spec. | ¥/1Code |
L寸公差変更![]() | LKC | L寸公差を 0-0.05に変更します。 [ ! ]L≦19の場合のみ適用 | 400 |
洗浄工程作業環境:一般環境 | ||||||
|---|---|---|---|---|---|---|
![]() アルカリ系温純水 | ![]() | ![]() 純水洗浄実施後 超音波純水洗浄 ※3回実施 | ![]() | ![]() 乾燥 | ![]() | ![]() 防錆袋1重梱包 |
作業環境:クラス1000 | 作業環境:クラス10 | |||||||
|---|---|---|---|---|---|---|---|---|
![]() 炭化水素系洗浄 Ro水洗浄 | ![]() | ![]() 高圧ジェット水洗(Ro水)後 純水(10MΩ・cm)で洗浄 | ![]() | ![]() 純水(13MΩ・cm)使用 | ![]() | ![]() 窒素ブロー使用 | ![]() | ![]() クラス10クリーン環境内の クリーンベンチで実施 |
作業環境:クラス1000 | 作業環境:クラス10 | |||||||||
|---|---|---|---|---|---|---|---|---|---|---|
![]() 炭化水素系洗浄 Ro水洗浄 | ![]() | ![]() 材質に応じた電解研磨層で 電解研磨 | ![]() | ![]() 高圧ジェット水洗(Ro水)後 純水(10MΩ・cm)で洗浄 | ![]() | ![]() 温純水(13MΩ・cm)使用 | ![]() | ![]() 窒素ブロー使用 | ![]() | ![]() クラス10クリーン環境内の クリーンベンチで実施 |
梱包例| 脱脂洗浄の場合 (TYPE型番:SL-□□) ![]() | 精密洗浄または電解研磨+精密洗浄の場合 (TYPE型番:SH-□□・SHD-□□) ![]() [ ! ]1重目・2重目の梱包とも、脱気されております。 |
洗浄効果・利用推奨環境洗浄方法 | 商品型番 | 梱包形態 | 未洗浄品と比べた効果 | ご利用環境(目安) | 利用シーン・工程 |
|---|---|---|---|---|---|
| 脱脂洗浄 | SL-□□ | 防錆梱包 | 油分除去 | 一般環境 | 通常組立工程 |
| バッテリー組立後工程 | |||||
| 精密洗浄 | SH-□□ | 脱気2重梱包 | 油分除去 粉塵除去 | クリーン環境(クラス10~1,000) | バッテリー組立工程 |
| 液晶関連組立後工程 | |||||
| 車載カメラ組立工程 | |||||
| 電解研磨+精密洗浄 | SHD-□□ | 脱気2重梱包 | 油分除去 粉塵除去 アウトガス低減 | 真空環境 クリーン環境(クラス10~1,000) | 半導体前工程 |
| 液晶成膜工程 | |||||
| 有機EL前工程 |
| 型番 |
|---|
通常単価(税別)
(税込単価) | 通常出荷日 |
|---|
- ( - ) | 6日目 |
- ( - ) | 6日目 |
- ( - ) | 6日目 |
- ( - ) | 6日目 |
- ( - ) | 6日目 |
- ( - ) | 6日目 |
- ( - ) | 6日目 |
- ( - ) | 6日目 |
- ( - ) | 6日目 |
- ( - ) | 6日目 |
- ( - ) | 6日目 |
- ( - ) | 6日目 |
- ( - ) | 6日目 |
- ( - ) | 6日目 |
- ( - ) | 6日目 |
- ( - ) | 6日目 |
- ( - ) | 6日目 |
- ( - ) | 6日目 |
- ( - ) | 6日目 |
- ( - ) | 6日目 |
- ( - ) | 6日目 |
- ( - ) | 6日目 |
- ( - ) | 6日目 |
- ( - ) | 6日目 |
- ( - ) | 6日目 |
- ( - ) | 6日目 |
- ( - ) | 6日目 |
- ( - ) | 6日目 |
- ( - ) | 6日目 |
- ( - ) | 6日目 |
- ( - ) | 6日目 |
- ( - ) | 6日目 |
- ( - ) | 6日目 |
- ( - ) | 6日目 |
- ( - ) | 6日目 |
- ( - ) | 6日目 |
- ( - ) | 6日目 |
- ( - ) | 6日目 |
- ( - ) | 6日目 |
- ( - ) | 6日目 |
- ( - ) | 6日目 |
- ( - ) | 6日目 |
- ( - ) | 6日目 |
- ( - ) | 6日目 |
- ( - ) | 6日目 |
| ・脱脂洗浄(防錆1重梱包) | :型番SL-□□ |
| ・精密洗浄(脱気2重梱包) | :型番SH-□□ |
| ・電解研磨+精密洗浄(脱気2重梱包) | :型番SHD-□□ |
| 商品型番 | 洗浄方法 | 梱包形態 | 未洗浄品と比べた効果 | ご利用環境(目安) | 工程別 |
| SL-□□ | 脱脂洗浄 | 防錆梱包 | 油分除去 | 一般環境 | 通常組立工程 |
| バッテリー組立後工程 | |||||
| SH-□□ | 精密洗浄 | 脱気2重梱包 | 油分除去 粉塵除去 | クリーン環境(クラス10~1,000) | バッテリー組立工程 |
| 液晶関連組立後工程 | |||||
| 車載カメラ組立工程 | |||||
| SHD-□□ | 電解研磨+精密洗浄 | 脱気2重梱包 | 油分除去 粉塵除去 アウトガス低減 | 真空環境 クリーン環境(クラス10~1,000) | 半導体前工程 |
| 液晶成膜工程 | |||||
| 有機EL前工程 |
| D | ¥基準単価 | ||||||||
| ノック回り止め | 一面落とし | ||||||||
| P+0.03+0.01 W+0.03+0.01 | PH7 WH7 | P+0.03+0.01 W+0.03+0.01 | |||||||
| SL-KJBSRS | SH-KJBSRS | SHD-KJBSRS | SL-KJBHSRS | SH-KJBHSRS | SHD-KJBHSRS | SL-KJBSRDS | SH-KJBSRDS | SHD-KJBSRDS | |
| 10 | 8,080 | 9,080 | 9,680 | 8,420 | 9,420 | 10,020 | 8,250 | 9,250 | 9,850 |
| 12 | 8,950 | 9,950 | 10,550 | 9,290 | 10,290 | 10,890 | 9,120 | 10,120 | 10,720 |
| 16 | 10,100 | 11,100 | 11,700 | 10,440 | 11,440 | 12,040 | 10,270 | 11,270 | 11,870 |
| 20 | 11,410 | 12,410 | 13,010 | 11,750 | 12,750 | 13,350 | 11,580 | 12,580 | 13,180 |
| 25 | 13,730 | 14,730 | 15,330 | 14,060 | 15,060 | 15,660 | 13,890 | 14,890 | 15,490 |
| 数量区分 | 標準対応 | 個別対応 | |||
| 小口 | 大口 | ||||
| 数 量 | 1〜19 | 20〜34 | 35〜49 | 50~100 | 101~ |
| 値引率 | 基準単価 | 5% | 10% | 18% | お見積り |
| 出荷日 | 通常 | ||||
通常価格、通常出荷日が表示と異なる場合がございます
通常価格、通常出荷日が表示と異なる場合がございます

ミスミ
検査治具用ブッシュ ストレート ノーマルタイプ
4.6通常価格(税別):940円~

ミスミ
検査治具用ブッシュ 欠円形状
5
ミスミ
検査治具用ブッシュ 段付おねじストレート用
4.7
ミスミ
検査治具用ブッシュ 長円形状
4.8
ミスミ
検査治具用ブッシュ ツバ付 ノーマルタイプ
4.8
ミスミ
検査治具用ブッシュ ストレート 圧入タイプ
5
ミスミ
検査治具用ブッシュ ツバ付 圧入タイプ
4.7
ミスミ
検査治具用ブッシュ 段付ストレート ツバ付
4.7
ミスミ
検査治具用ブシュ ねじブシュ
4.4