メカニカル部品技術窓口
ミスミ品のみ対象

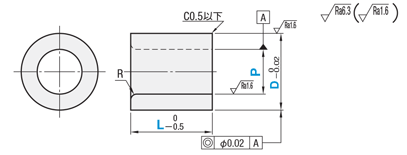
[ ! ]1

| P | H7 |
| 2.00〜3.00 | +0.010 |
| 3.01〜6.00 | +0.012 |
| 6.01〜10.00 | +0.015 |
| 10.01〜18.00 | +0.018 |
| 18.01〜30.00 | +0.021 |
| 30.01〜32.00 | +0.025 |
| Type | [ M ]材質 | [ H ]硬度 | [ S ]表面処理 | 洗浄方法 | |||||
| P寸L寸フリー指定 | |||||||||
| P | +0.03 +0.01 | PH7 | 洗浄方法 | 洗浄環境 | 梱包形態 | 梱包環境 | |||
| SL-KJBSS | SL-KJBHSS | SUS304[ ! ]2 | - | - | 脱脂洗浄 | 一般環境 | 防錆梱包 | 一般環境 | |
| SH-KJBSS | SH-KJBHSS | 精密洗浄 | クラス1000 | 脱気2重梱包 | クラス10 | ||||
| SHD-KJBSS | - | 電解研磨+精密洗浄 | |||||||
| SL-KJBSM | SL-KJBHSM | SKS93相当 | 50~60HRC | 無電解ニッケルメッキ | 脱脂洗浄 | 一般環境 | 防錆梱包 | 一般環境 | |
| SH-KJBSM | SH-KJBHSM | 精密洗浄 | クラス1000 | 脱気2重梱包 | クラス10 | ||||
| SL-KJBSSC | SL-KJBHSSC | SUS440Cまたは 13Crステンレス | 45~50HRC | − | 脱脂洗浄 | 一般環境 | 防錆梱包 | 一般環境 | |
| SH-KJBSSC | SH-KJBHSSC | 精密洗浄 | クラス1000 | 脱気2重梱包 | クラス10 | ||||
詳細図を記載しておりますので、ご確認ください。| 型式 | − | P | − | L | ||
| Type | D | |||||
| SL-KJBSS | 12 | − | P6.53 | − | L18 | |
| ■P寸L寸フリー指定 P寸公差 | +0.03 +0.01 |
| 型式 | P 指定0.01mm単位 | L 指定1mm単位 | R | ¥基準単価 | |||||||
| Type | D | SL-KJBSS | SH-KJBSS | SHD-KJBSS | SL-KJBSM | SH-KJBSM | SL-KJBHSM | SH-KJBHSM | |||
| SL-KJBSS SH-KJBSS SHD-KJBSS SL-KJBSM SH-KJBSM SL-KJBHSM SH-KJBHSM | 8 | 2.00〜 6.00 | 5~40 P<5の場合 L≦P×4 P≧5の場合 L≦P×3 | 1.0 | 2,180 | 2,630 | 2,900 | 2,090 | 2,390 | 2,210 | 2,510 |
| 10 | 2.00〜 8.00 | 1.0 | 2,180 | 2,630 | 2,900 | 2,090 | 2,390 | 2,210 | 2,510 | ||
| 12 | 4.00〜10.00 | 2.0 | 2,220 | 2,670 | 2,940 | 2,140 | 2,440 | 2,260 | 2,560 | ||
| 16 | 8.00〜14.00 | 2.0 | 2,310 | 2,760 | 3,030 | 2,240 | 2,540 | 2,360 | 2,660 | ||
| 20 | 10.00〜18.00 | 2.0 | 2,520 | 2,970 | 3,240 | 2,430 | 2,730 | 2,540 | 2,840 | ||
| 25 | 15.00〜23.00 | 2.0 | 2,710 | 3,160 | 3,430 | 2,610 | 2,910 | 2,710 | 3,010 | ||
| 型式 | P 指定0.01mm単位 | L 指定1mm単位 | R | ¥基準単価 | ||||||
| Type | D | SL-KJBHSS | SH-KJBHSS | SL-KJBSSC | SH-KJBSSC | SL-KJBHSSC | SH-KJBHSSC | |||
| SL-KJBHSS SH-KJBHSS SL-KJBSSC SH-KJBSSC SL-KJBHSSC SH-KJBHSSC | 8 | 2.00〜 6.00 | 5~40 P<5の場合 L≦P×4 P≧5の場合 L≦P×3 | 1.0 | 2,280 | 2,730 | 2,320 | 2,620 | 2,440 | 2,740 |
| 10 | 2.00〜 8.00 | 1.0 | 2,280 | 2,730 | 2,320 | 2,620 | 2,440 | 2,740 | ||
| 12 | 4.00〜10.00 | 2.0 | 2,330 | 2,780 | 2,370 | 2,670 | 2,480 | 2,780 | ||
| 16 | 8.00〜14.00 | 2.0 | 2,430 | 2,880 | 2,490 | 2,790 | 2,610 | 2,910 | ||
| 20 | 10.00〜18.00 | 2.0 | 2,630 | 3,080 | 2,710 | 3,010 | 2,830 | 3,130 | ||
| 25 | 15.00〜23.00 | 2.0 | 2,820 | 3,270 | 2,920 | 3,220 | 3,040 | 3,340 | ||
|
| Alterations | Code | Spec. | ¥/1Code |
溝追加工(接着剤溜まり用)![]() | FC | 接着剤溜まり用の溝加工を追加します。 [ ! ]D≧P+3:ブッシュの肉厚が1.5ミリ [ NG ]追加工NCとの併用不可 | 200 |
溝追加工(抜け止め防止)![]() | NC | 抜け止め防止の溝加工を追加します。 [ ! ]D≧P+3:ブッシュの肉厚が1.5ミリ [ NG ]追加工FCとの併用不可 | 300 |
内径R C面取り![]() | RN | RをC面取り(0.5以下)にします。 | 無料 |
| Alterations | Code | Spec. | ¥/1Code | |
内径R ピン角![]() | CRN | Rをピン角にします。 [ ! ]バリがでることがあります。 [ NG ]追加工LKCとの併用不可 | 無料 | |
| L寸公差変更 | ![]() | LKC | L寸公差を 0-0.05に変更します。 | 200 |
平取り追加工![]() | HT | ブッシュに平取りを追加します。 | 200 | |
洗浄工程| ※材質がステンレスの場合、アルカリ系温水洗浄となることがあります。 | |
| ・脱脂洗浄(型式:SL-□□) | ※表面処理が低温黒色クロムメッキの場合、IPA洗浄となります。 |
作業環境:一般環境 | ||||||
|---|---|---|---|---|---|---|
![]() 炭化水素系洗浄※ Ro水洗浄 中性洗剤洗浄 | ![]() | ![]() 高圧ジェット水洗(Ro水) 後に純水(10MΩ・cm)で 洗浄 | ![]() | ![]() エアブロー(オイルフリー) 使用 | ![]() | ![]() 防錆袋使用 |
| ・精密洗浄(型式:SH-□□) | ※表面処理が低温黒色クロムメッキの場合、IPA洗浄となります。 |
作業環境:クラス1000 | 作業環境:クラス10 | |||||||
|---|---|---|---|---|---|---|---|---|
![]() 炭化水素系洗浄※ Ro水洗浄 中性洗剤洗浄 | ![]() | ![]() 高圧ジェット水洗(Ro水) 後に純水(10MΩ・cm)で 洗浄 | ![]() | ![]() 温純水(13MΩ・cm)使用 | ![]() | ![]() 窒素ブロー使用 | ![]() | ![]() クリーンベンチ(クラス10) で実施 |
作業環境:クラス1000 | 作業環境:クラス10 | |||||||||
|---|---|---|---|---|---|---|---|---|---|---|
![]() 炭化水素系洗浄 Ro水洗浄 中性洗剤洗浄 | ![]() | ![]() 材質に応じた電解研磨槽 で電解研磨 | ![]() | ![]() 高圧ジェット水洗(Ro水) 後に純水(10MΩ・cm)で 洗浄 | ![]() | ![]() 温純水(13MΩ・cm)使用 | ![]() | ![]() 窒素ブロー使用 | ![]() | ![]() クリーンベンチ(クラス10) で実施 |
梱包例| 脱脂洗浄の場合 (TYPE型番:SL-□□) | 精密洗浄または電解研磨+精密洗浄の場合 | |
| (TYPE型番:SH-□□・SHD-□□) | ||
| オーステナイト系ステンレス・アルミ材質の場合 | 鉄・マルテンサイト系ステンレス材質の場合 | |
![]() | ![]() | ![]() |
| 一部商品・サイズによっては、 梱包形態が異なる場合がございます。 | [ ! ]1重目・2重目の梱包とも、脱気されております。 | [ ! ]防錆対策として乾燥剤を同封しております。 1梱包につき1つになります。 |
洗浄効果・利用推奨環境| 洗浄方法 | 商品型番 | 梱包形態 | 未洗浄品と比べた効果 | ご利用環境(目安) | 利用シーン・工程 |
|---|---|---|---|---|---|
| 脱脂洗浄 | SL-□□ | 防錆梱包 | 油分除去 | 一般環境 | 通常組立工程 |
| バッテリー組立後工程 | |||||
| 精密洗浄 | SH-□□ | 脱気2重梱包 | 油分除去 粉塵除去 | クリーン環境(クラス10~1,000) | バッテリー組立工程 |
| 液晶関連組立後工程 | |||||
| 車載カメラ組立工程 | |||||
| 電解研磨+精密洗浄 | SHD-□□ | 脱気2重梱包 | 油分除去 粉塵除去 アウトガス低減 | 真空環境 クリーン環境(クラス10~1,000) | 半導体前工程 |
| 液晶成膜工程 | |||||
| 有機EL前工程 |
| 型番 |
|---|
通常単価(税別)
(税込単価) | 通常出荷日 |
洗浄不要の場合の代替品
|
|---|
- ( - ) | 6日目 |
- |
- ( - ) | 6日目 |
- |
- ( - ) | 6日目 |
- |
- ( - ) | 6日目 |
- |
- ( - ) | 6日目 |
- |
- ( - ) | 6日目 |
- |
- ( - ) | 6日目 |
|
- ( - ) | 6日目 |
|
- ( - ) | 6日目 |
|
- ( - ) | 6日目 |
|
- ( - ) | 6日目 |
|
- ( - ) | 6日目 |
|
- ( - ) | 6日目 |
- |
- ( - ) | 6日目 |
- |
- ( - ) | 6日目 |
- |
- ( - ) | 6日目 |
- |
- ( - ) | 6日目 |
- |
- ( - ) | 6日目 |
- |
- ( - ) | 6日目 |
- |
- ( - ) | 6日目 |
- |
- ( - ) | 6日目 |
- |
- ( - ) | 6日目 |
- |
- ( - ) | 6日目 |
- |
- ( - ) | 6日目 |
- |
- ( - ) | 6日目 |
|
- ( - ) | 6日目 |
|
- ( - ) | 6日目 |
|
- ( - ) | 6日目 |
|
- ( - ) | 6日目 |
|
- ( - ) | 6日目 |
|
- ( - ) | 6日目 |
- |
- ( - ) | 6日目 |
- |
- ( - ) | 6日目 |
- |
- ( - ) | 6日目 |
- |
- ( - ) | 6日目 |
- |
- ( - ) | 6日目 |
- |
- ( - ) | 6日目 |
|
- ( - ) | 6日目 |
|
- ( - ) | 6日目 |
|
- ( - ) | 6日目 |
|
- ( - ) | 6日目 |
|
- ( - ) | 6日目 |
|
- ( - ) | 6日目 |
- |
- ( - ) | 6日目 |
- |
- ( - ) | 6日目 |
- |
- ( - ) | 6日目 |
- |
- ( - ) | 6日目 |
- |
- ( - ) | 6日目 |
- |
- ( - ) | 6日目 |
|
- ( - ) | 6日目 |
|
- ( - ) | 6日目 |
|
- ( - ) | 6日目 |
|
- ( - ) | 6日目 |
|
- ( - ) | 6日目 |
|
- ( - ) | 6日目 |
- |
- ( - ) | 6日目 |
- |
- ( - ) | 6日目 |
- |
- ( - ) | 6日目 |
- |
- ( - ) | 6日目 |
- |
- ( - ) | 6日目 |
- |
| ・脱脂洗浄(防錆1重梱包) | :型番SL-□□ |
| ・精密洗浄(脱気2重梱包) | :型番SH-□□ |
| ・電解研磨+精密洗浄(脱気2重梱包) | :型番SHD-□□ |
| 商品型番 | 洗浄方法 | 梱包形態 | 未洗浄品と比べた効果 | ご利用環境(目安) | 工程別 |
| SL-□□ | 脱脂洗浄 | 防錆梱包 | 油分除去 | 一般環境 | 通常組立工程 |
| バッテリー組立後工程 | |||||
| SH-□□ | 精密洗浄 | 脱気2重梱包 | 油分除去 粉塵除去 | クリーン環境(クラス10~1,000) | バッテリー組立工程 |
| 液晶関連組立後工程 | |||||
| 車載カメラ組立工程 | |||||
| SHD-□□ | 電解研磨+精密洗浄 | 脱気2重梱包 | 油分除去 粉塵除去 アウトガス低減 | 真空環境 クリーン環境(クラス10~1,000) | 半導体前工程 |
| 液晶成膜工程 | |||||
| 有機EL前工程 |
通常価格、通常出荷日が表示と異なる場合がございます
通常価格、通常出荷日が表示と異なる場合がございます

ミスミ
検査治具用ブッシュ ストレート ノーマルタイプ
4.6通常価格(税別):940円~

ミスミ
検査治具用ブッシュ 欠円形状
5
ミスミ
検査治具用ブッシュ 段付おねじストレート用
4.7
ミスミ
検査治具用ブッシュ 長円形状
4.8
ミスミ
検査治具用ブッシュ ツバ付 ノーマルタイプ
4.8
ミスミ
検査治具用ブッシュ ストレート 圧入タイプ
5
ミスミ
検査治具用ブッシュ ツバ付 圧入タイプ
4.7
ミスミ
検査治具用ブッシュ 四角形状
4.8
ミスミ
検査治具用ブシュ ねじブシュ
4.4