メカニカル部品技術窓口
ミスミ品のみ対象

| ■ストレート | ■ツバ付き |
![]() | ![]() |
| Type | [ M ]材質 | [ H ]硬度 | [ S ]表面処理 | 洗浄方法 | ||||||
| ストレート | ツバ付 | |||||||||
| P(+0.03/+0.01) F(+0.05/0) | PH7 F(+0.03/0) | P(+0.03/+0.01) F(+0.05/0) | PH7 F(+0.03/0) | 洗浄方法 | 洗浄環境 | 梱包形態 | 梱包環境 | |||
| SL-KJBSKDS | SL-KJBHSKDS | SL-KJBSTKDS | SL-KJBHSTKDS | SUS304 | - | - | 脱脂洗浄 | 一般環境 | 防錆梱包 | 一般環境 |
| SH-KJBSKDS | SH-KJBHSKDS | SH-KJBSTKDS | SH-KJBHSTKDS | 精密洗浄 | クラス1000 | 脱気2重梱包 | クラス10 | |||
| SHD-KJBSKDS | SHD-KJBHSKDS | SHD-KJBSTKDS | SHD-KJBHSTKDS | 電解研磨+精密洗浄 | ||||||
| SL-KJBSKDM | SL-KJBHSKDM | SL-KJBSTKDM | SL-KJBHSTKDM | SKS93 | 50~60HRC | 無電解ニッケルメッキ | 脱脂洗浄 | 一般環境 | 防錆梱包 | 一般環境 |
| SH-KJBSKDM | SH-KJBHSKDM | SH-KJBSTKDM | SH-KJBHSTKDM | 精密洗浄 | クラス1000 | 脱気2重梱包 | クラス10 | |||
| SL-KJBSKDC | SL-KJBHSKDC | SL-KJBSTKDC | SL-KJBHSTKDC | SUS440C相当 | 45~50HRC | - | 脱脂洗浄 | 一般環境 | 防錆梱包 | 一般環境 |
| SH-KJBSKDC | SH-KJBHSKDC | SH-KJBSTKDC | SH-KJBHSTKDC | 精密洗浄 | クラス1000 | 脱気2重梱包 | クラス10 | |||
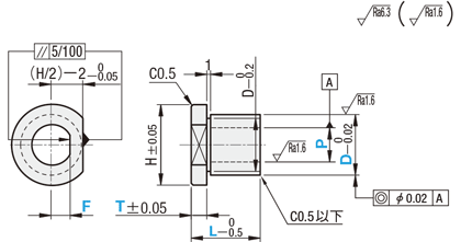
詳細図を記載しておりますので、ご確認ください。| 型式 | - | P | - | F | - | L | - | T |
| SL-KJBSTKDS12 | - | P8.00 | - | F3.0 | - | L10 | - | T3 |
| 型式 | 全タイプ共通 | ツバ付のみ | |||||||
| ストレート | ツバ付 | D | P 指定0.01mm単位 | F(F<P/2) 指定0.1mm単位 | L 指定1mm単位 | T 選択 | H | ||
| P(+0.03/+0.01) F(+0.05/0) | PH7 F(+0.03/0) | P(+0.03/+0.01) F(+0.05/0) | PH7 F(+0.03/0) | ||||||
| SL-KJBSKDS SH-KJBSKDS SHD-KJBSKDS SL-KJBSKDM SH-KJBSKDM SL-KJBSKDC SH-KJBSKDC | SL-KJBHSKDS SH-KJBHSKDS SHD-KJBHSKDS SL-KJBHSKDM SH-KJBHSKDM SL-KJBHSKDC SH-KJBHSKDC | SL-KJBSTKDS SH-KJBSTKDS SHD-KJBSTKDS SL-KJBSTKDM SH-KJBSTKDM SL-KJBSTKDC SH-KJBSTKDC | SL-KJBHSTKDS SH-KJBHSTKDS SHD-KJBHSTKDS SL-KJBHSTKDM SH-KJBHSTKDM SL-KJBHSTKDC SH-KJBHSTKDC | 8 | 3.00~5.00 | 0.3~3.0 | 5~25 | 2 3 5 | D+4 |
| 10 | 3.00~7.00 | 0.3~3.0 | |||||||
| 12 | 3.00~9.00 | 0.5~4.0 | |||||||
| 16 | 4.00~13.00 | 0.5~6.0 | |||||||
| 20 | 6.00~17.00 | 1.0~8.0 | |||||||
| 25 | 8.00~21.00 | 2.0~10.0 | |||||||
| 型式 | - | P | - | F | - | L | - | T | - | (FC・NC…etc.) | |
| SL-KJBSKDS10 | - | P6 | - | F2 | - | L20 | - | FC |
| Alterations | Code | Spec. | ¥/1 Code |
溝追加工(接着剤溜まり用)![]() | FC | 接着剤溜まり用の溝加工を追加します。 [ ! ]D≧P+3:ブッシュの肉厚が1.5 [ ! ]ストレートはL≧10、 | 200 |
溝追加工(抜け止め防止)![]() | NC | 抜け止め防止の溝加工を追加します。 [ ! ]D≧P+3:ブッシュの肉厚が1.5 [ ! ]ストレートはL≧10、 | 300 |
| Alterations | Code | Spec. | ¥/1 Code |
ツバ厚公差変更![]() | TKC | ツバ厚公差を±0.01に変更します。 [ ! ]ツバ付タイプのみ適用 [ NG ]追加工LKCとの併用不可 | 400 |
L寸公差変更![]() | LKC | L寸公差を 0-0.05に変更します [ NG ]追加工TKCとの併用不可 | 200 |
洗浄工程| ※材質がステンレスの場合、アルカリ系温水洗浄となることがあります。 | |
| ・脱脂洗浄(型式:SL-□□) | ※表面処理が低温黒色クロムメッキの場合、IPA洗浄となります。 |
作業環境:一般環境 | ||||||
|---|---|---|---|---|---|---|
![]() 炭化水素系洗浄※ Ro水洗浄 中性洗剤洗浄 | ![]() | ![]() 高圧ジェット水洗(Ro水) 後に純水(10MΩ・cm)で 洗浄 | ![]() | ![]() エアブロー(オイルフリー) 使用 | ![]() | ![]() 防錆袋使用 |
| ・精密洗浄(型式:SH-□□) | ※表面処理が低温黒色クロムメッキの場合、IPA洗浄となります。 |
作業環境:クラス1000 | 作業環境:クラス10 | |||||||
|---|---|---|---|---|---|---|---|---|
![]() 炭化水素系洗浄※ Ro水洗浄 中性洗剤洗浄 | ![]() | ![]() 高圧ジェット水洗(Ro水) 後に純水(10MΩ・cm)で 洗浄 | ![]() | ![]() 温純水(13MΩ・cm)使用 | ![]() | ![]() 窒素ブロー使用 | ![]() | ![]() クリーンベンチ(クラス10) で実施 |
作業環境:クラス1000 | 作業環境:クラス10 | |||||||||
|---|---|---|---|---|---|---|---|---|---|---|
![]() 炭化水素系洗浄 Ro水洗浄 中性洗剤洗浄 | ![]() | ![]() 材質に応じた電解研磨槽 で電解研磨 | ![]() | ![]() 高圧ジェット水洗(Ro水) 後に純水(10MΩ・cm)で 洗浄 | ![]() | ![]() 温純水(13MΩ・cm)使用 | ![]() | ![]() 窒素ブロー使用 | ![]() | ![]() クリーンベンチ(クラス10) で実施 |
梱包例| 脱脂洗浄の場合 (TYPE型番:SL-□□) | 精密洗浄または電解研磨+精密洗浄の場合 | |
| (TYPE型番:SH-□□・SHD-□□) | ||
| オーステナイト系ステンレス・アルミ材質の場合 | 鉄・マルテンサイト系ステンレス材質の場合 | |
![]() | ![]() | ![]() |
| 一部商品・サイズによっては、 梱包形態が異なる場合がございます。 | [ ! ]1重目・2重目の梱包とも、脱気されております。 | [ ! ]防錆対策として乾燥剤を同封しております。 1梱包につき1つになります。 |
洗浄効果・利用推奨環境| 洗浄方法 | 商品型番 | 梱包形態 | 未洗浄品と比べた効果 | ご利用環境(目安) | 利用シーン・工程 |
|---|---|---|---|---|---|
| 脱脂洗浄 | SL-□□ | 防錆梱包 | 油分除去 | 一般環境 | 通常組立工程 |
| バッテリー組立後工程 | |||||
| 精密洗浄 | SH-□□ | 脱気2重梱包 | 油分除去 粉塵除去 | クリーン環境(クラス10~1,000) | バッテリー組立工程 |
| 液晶関連組立後工程 | |||||
| 車載カメラ組立工程 | |||||
| 電解研磨+精密洗浄 | SHD-□□ | 脱気2重梱包 | 油分除去 粉塵除去 アウトガス低減 | 真空環境 クリーン環境(クラス10~1,000) | 半導体前工程 |
| 液晶成膜工程 | |||||
| 有機EL前工程 |
| 型番 |
|---|
通常単価(税別)
(税込単価) | 通常出荷日 |
|---|
- ( - ) | 8日目 |
- ( - ) | 8日目 |
- ( - ) | 8日目 |
- ( - ) | 8日目 |
- ( - ) | 8日目 |
- ( - ) | 8日目 |
- ( - ) | 8日目 |
- ( - ) | 8日目 |
- ( - ) | 8日目 |
- ( - ) | 8日目 |
- ( - ) | 8日目 |
- ( - ) | 8日目 |
- ( - ) | 8日目 |
- ( - ) | 8日目 |
- ( - ) | 8日目 |
- ( - ) | 8日目 |
- ( - ) | 8日目 |
- ( - ) | 8日目 |
- ( - ) | 8日目 |
- ( - ) | 8日目 |
- ( - ) | 8日目 |
- ( - ) | 8日目 |
- ( - ) | 8日目 |
- ( - ) | 8日目 |
- ( - ) | 8日目 |
- ( - ) | 8日目 |
- ( - ) | 8日目 |
- ( - ) | 8日目 |
- ( - ) | 8日目 |
- ( - ) | 8日目 |
- ( - ) | 8日目 |
- ( - ) | 8日目 |
- ( - ) | 8日目 |
- ( - ) | 8日目 |
- ( - ) | 8日目 |
- ( - ) | 8日目 |
- ( - ) | 8日目 |
- ( - ) | 8日目 |
- ( - ) | 8日目 |
- ( - ) | 8日目 |
- ( - ) | 8日目 |
- ( - ) | 8日目 |
- ( - ) | 8日目 |
- ( - ) | 8日目 |
- ( - ) | 8日目 |
- ( - ) | 8日目 |
- ( - ) | 8日目 |
- ( - ) | 8日目 |
- ( - ) | 8日目 |
- ( - ) | 8日目 |
- ( - ) | 8日目 |
- ( - ) | 8日目 |
- ( - ) | 8日目 |
- ( - ) | 8日目 |
- ( - ) | 8日目 |
- ( - ) | 8日目 |
- ( - ) | 8日目 |
- ( - ) | 8日目 |
- ( - ) | 8日目 |
- ( - ) | 8日目 |
| ・脱脂洗浄(防錆1重梱包) | :型番SL-□□ |
| ・精密洗浄(脱気2重梱包) | :型番SH-□□ |
| ・電解研磨+精密洗浄(脱気2重梱包) | :型番SHD-□□ |
| 商品型番 | 洗浄方法 | 梱包形態 | 未洗浄品と比べた効果 | ご利用環境(目安) | 工程別 |
| SL-□□ | 脱脂洗浄 | 防錆梱包 | 油分除去 | 一般環境 | 通常組立工程 |
| バッテリー組立後工程 | |||||
| SH-□□ | 精密洗浄 | 脱気2重梱包 | 油分除去 粉塵除去 | クリーン環境(クラス10~1,000) | バッテリー組立工程 |
| 液晶関連組立後工程 | |||||
| 車載カメラ組立工程 | |||||
| SHD-□□ | 電解研磨+精密洗浄 | 脱気2重梱包 | 油分除去 粉塵除去 アウトガス低減 | 真空環境 クリーン環境(クラス10~1,000) | 半導体前工程 |
| 液晶成膜工程 | |||||
| 有機EL前工程 |
| D | ¥単価 1~4コ | |||||||||||
| ストレート | ツバ付き | |||||||||||
| P(+0.03/+0.01)F(+0.05/0) | PH7 F(+0.03/0) | P(+0.03/+0.01)F(+0.05/0) | PH7 F(+0.03/0) | |||||||||
| SL-KJBSKDS | SH-KJBSKDS | SHD-KJBSKDS | SL-KJBHSKDS | SH-KJBHSKDS | SHD-KJBHSKDS | SL-KJBSTKDS | SH-KJBSTKDS | SHD-KJBSTKDS | SL-KJBHSTKDS | SH-KJBHSTKDS | SHD-KJBHSTKDS | |
| 8 | - | - | - | - | - | - | 4,580 | 5,130 | 5,460 | 4,700 | 5,250 | 5,580 |
| 10 | 4,280 | 4,830 | 5,160 | 4,390 | 4,940 | 5,270 | 4,580 | 5,130 | 5,460 | 4,700 | 5,250 | 5,580 |
| 12 | 4,370 | 4,920 | 5,250 | 4,480 | 5,030 | 5,360 | 4,620 | 5,170 | 5,500 | 4,740 | 5,290 | 5,620 |
| 16 | 5,110 | 5,660 | 5,990 | 5,220 | 5,770 | 6,100 | 5,540 | 6,090 | 6,420 | 5,650 | 6,200 | 6,530 |
| 20 | 5,920 | 6,470 | 6,800 | 6,020 | 6,570 | 6,900 | 6,610 | 7,160 | 7,490 | 6,720 | 7,270 | 7,600 |
| 25 | 6,320 | 6,870 | 7,200 | 6,430 | 6,980 | 7,310 | 7,120 | 7,670 | 8,000 | 7,230 | 7,780 | 8,110 |
| D | ¥単価 1~4コ | |||||||
| ストレート | ツバ付き | |||||||
| P(+0.03/+0.01) F(+0.05/0) | PH7 F(+0.03/0) | P(+0.03/+0.01) F(+0.05/0) | PH7 F(+0.03/0) | |||||
| SL-KJBSKDM | SH-KJBSKDM | SL-KJBHSKDM | SH-KJBHSKDM | SL-KJBSTKDM | SH-KJBSTKDM | SL-KJBHSTKDM | SH-KJBHSTKDM | |
| 8 | 3,500 | 3,800 | 3,600 | 3,900 | 4,160 | 4,460 | 4,290 | 4,590 |
| 10 | 3,500 | 3,800 | 3,600 | 3,900 | 4,160 | 4,460 | 4,290 | 4,590 |
| 12 | 3,710 | 4,010 | 3,820 | 4,120 | 4,210 | 4,510 | 4,330 | 4,630 |
| 16 | 4,240 | 4,540 | 4,350 | 4,650 | 5,080 | 5,380 | 5,190 | 5,490 |
| 20 | 4,770 | 5,070 | 4,880 | 5,180 | 6,070 | 6,370 | 6,200 | 6,500 |
| 25 | 5,090 | 5,390 | 5,190 | 5,490 | 6,560 | 6,860 | 6,680 | 6,980 |
| D | ¥単価 1~4コ | |||||||
| ストレート | ツバ付き | |||||||
| P(+0.03/+0.01) F(+0.05/0) | PH7 F(+0.03/0) | P(+0.03/+0.01) F(+0.05/0) | PH7 F(+0.03/0) | |||||
| SL-KJBSKDC | SH-KJBSKDC | SL-KJBHSKDC | SH-KJBHSKDC | SL-KJBSTKDC | SH-KJBSTKDC | SL-KJBHSTKDC | SH-KJBHSTKDC | |
| 8 | 4,450 | 4,750 | 4,560 | 4,860 | 4,810 | 5,110 | 4,930 | 5,230 |
| 10 | 4,450 | 4,750 | 4,560 | 4,860 | 4,810 | 5,110 | 4,930 | 5,230 |
| 12 | 4,540 | 4,840 | 4,640 | 4,940 | 4,850 | 5,150 | 4,980 | 5,280 |
| 16 | 5,370 | 5,670 | 5,480 | 5,780 | 5,880 | 6,180 | 6,010 | 6,310 |
| 20 | 6,270 | 6,570 | 6,380 | 6,680 | 7,090 | 7,390 | 7,210 | 7,510 |
| 25 | 6,730 | 7,030 | 6,840 | 7,140 | 7,660 | 7,960 | 7,780 | 8,080 |
通常価格、通常出荷日が表示と異なる場合がございます
通常価格、通常出荷日が表示と異なる場合がございます

ミスミ
検査治具用ブッシュ ストレート ノーマルタイプ
4.6通常価格(税別):940円~

ミスミ
検査治具用ブッシュ 欠円形状
5
ミスミ
検査治具用ブッシュ 段付おねじストレート用
4.7
ミスミ
検査治具用ブッシュ ツバ付 圧入タイプ
4.7
ミスミ
検査治具用ブッシュ ストレート 圧入タイプ
5
ミスミ
検査治具用ブッシュ ツバ付 ノーマルタイプ
4.8
ミスミ
検査治具用ブッシュ 長円形状
4.8
ミスミ
検査治具用ブッシュ 四角形状
4.8
ミスミ
検査治具用ブッシュ 段付おねじストレート用 ツバ付
4.7