メカニカル部品技術窓口
ミスミ品のみ対象


| Type | [ M ]材質 | 洗浄方法 | ||||
| 本体 | 取付部 | 洗浄方法 | 洗浄環境 | 梱包形態 | 梱包環境 | |
| SH-BGELFP | シリコーン | SUS304相当 | 精密洗浄 | クラス1000 | 脱気2重梱包 | クラス10 |
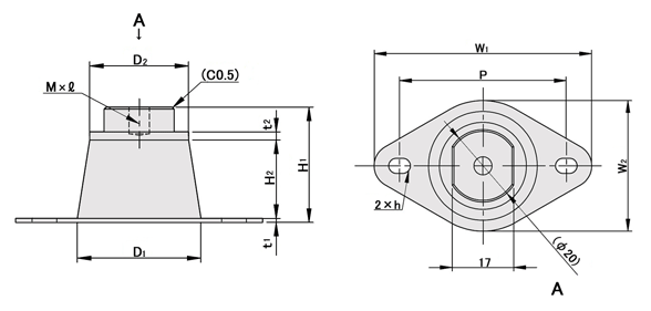
詳細図を記載しておりますので、ご確認ください。| 型式 |
| SH-BGELFP020 |
| タイプ | 型式 | D1 | D2 | H1 | H2 | t1 | t2 | M (並目) | L | W1×W2 | h | P | |
| Type | No. | ||||||||||||
| 軽量 | SH-BGELFP | 20 | 30 | 24 | 28 | 19 | 1 | 2 | 6 | 5 | 60×36 | 4.2×6長穴 | 46 |
| 50 | |||||||||||||
| 100 | |||||||||||||
| タイプ | 型式 | 使用荷重 N{kgf} | ばね定数 N/mm{kgf/mm}±20% | 硬度 | 使用周波数 Hz | 本体の色 | ¥基準単価 | ||
| Type | No. | アスカーC | 針入度 | ||||||
| 軽量 | SH-BGELFP | 20 | 12.25〜31.85{1.25〜3.25} | 10.68{1.09} | − | 44 | 22〜 | ①薄緑色 | 4,390 |
| 50 | 31.85〜73.50{3.25〜7.50} | 20.67{2.11} | 25.3 | − | 19〜 | ②薄橙色 | |||
| 100 | 73.50〜122.50{7.50〜12.50} | 40.18{4.10} | 44.5 | − | 17〜 | ③薄青色 | |||
洗浄工程作業環境:一般環境 | ||||||
|---|---|---|---|---|---|---|
![]() 炭化水素系洗浄 Ro水洗浄 | ![]() | ![]() 高圧ジェット水洗(Ro水)後 純水で洗浄 | ![]() | ![]() オイルフリー コンプレッサー 使用 | ![]() | ![]() 防錆袋1重梱包 |
作業環境:クラス1000 | 作業環境:クラス10 | |||||||
|---|---|---|---|---|---|---|---|---|
![]() 炭化水素系洗浄 Ro水洗浄 | ![]() | ![]() 高圧ジェット水洗(Ro水)後 純水(10MΩ・cm)で洗浄 | ![]() | ![]() 純水(13MΩ・cm)使用 | ![]() | ![]() 窒素ブロー使用 | ![]() | ![]() クラス10クリーン環境内の クリーンベンチで実施 |
作業環境:クラス1000 | 作業環境:クラス10 | |||||||||
|---|---|---|---|---|---|---|---|---|---|---|
![]() 炭化水素系洗浄 Ro水洗浄 | ![]() | ![]() 材質に応じた電解研磨層で 電解研磨 | ![]() | ![]() 高圧ジェット水洗(Ro水)後 純水(10MΩ・cm)で洗浄 | ![]() | ![]() 温純水(13MΩ・cm)使用 | ![]() | ![]() 窒素ブロー使用 | ![]() | ![]() クラス10クリーン環境内の クリーンベンチで実施 |
梱包例| 脱脂洗浄の場合 (TYPE型番:SL-□□) ![]() 一部商品・サイズによっては、 梱包形態が異なる場合がございます。 | 精密洗浄または電解研磨+精密洗浄の場合 (TYPE型番:SH-□□・SHD-□□) ![]() [ ! ]1重目・2重目の梱包とも、脱気されております。 |
洗浄効果・利用推奨環境洗浄方法 | 商品型番 | 梱包形態 | 未洗浄品と比べた効果 | ご利用環境(目安) | 利用シーン・工程 |
|---|---|---|---|---|---|
| 脱脂洗浄 | SL-□□ | 防錆梱包 | 油分除去 | 一般環境 | 通常組立工程 |
| バッテリー組立後工程 | |||||
| 精密洗浄 | SH-□□ | 脱気2重梱包 | 油分除去 粉塵除去 | クリーン環境(クラス10~1,000) | バッテリー組立工程 |
| 液晶関連組立後工程 | |||||
| 車載カメラ組立工程 | |||||
| 電解研磨+精密洗浄 | SHD-□□ | 脱気2重梱包 | 油分除去 粉塵除去 アウトガス低減 | 真空環境 クリーン環境(クラス10~1,000) | 半導体前工程 |
| 液晶成膜工程 | |||||
| 有機EL前工程 |
| ・脱脂洗浄(防錆1重梱包) | :型番SL-□□ |
| ・精密洗浄(脱気2重梱包) | :型番SH-□□ |
| ・電解研磨+精密洗浄(脱気2重梱包) | :型番SHD-□□ |
| 商品型番 | 洗浄方法 | 梱包形態 | 未洗浄品と比べた効果 | ご利用環境(目安) | 工程別 |
| SL-□□ | 脱脂洗浄 | 防錆梱包 | 油分除去 | 一般環境 | 通常組立工程 |
| バッテリー組立後工程 | |||||
| SH-□□ | 精密洗浄 | 脱気2重梱包 | 油分除去 粉塵除去 | クリーン環境(クラス10~1,000) | バッテリー組立工程 |
| 液晶関連組立後工程 | |||||
| 車載カメラ組立工程 | |||||
| SHD-□□ | 電解研磨+精密洗浄 | 脱気2重梱包 | 油分除去 粉塵除去 アウトガス低減 | 真空環境 クリーン環境(クラス10~1,000) | 半導体前工程 |
| 液晶成膜工程 | |||||
| 有機EL前工程 |
| 数量区分 | 標準対応 | 個別対応 | ||
| 小口 | 大口 | |||
| 数 量 | 1〜4 | 5〜9 | 10〜200 | 201~ |
| 値引率 | 基準単価 | 10% | 13% | お見積り |

| 材 質 | 耐候性 | 耐水性 | 耐油性 | 耐オゾン | 使用温度範囲 |
| シリコーン | ◎ | ◎ | △ | ◎ | -40~200℃ |
| 天然ゴム | △ | △ | × | × | -30~ 60℃ |
| クロロプレンゴム | ◎ | △ | 〇 | 〇 | -20~ 70℃ |

通常価格、通常出荷日が表示と異なる場合がございます
通常価格、通常出荷日が表示と異なる場合がございます

ミスミ
防振パッド
4.7通常価格(税別):217円~

ミスミ
防振ゴム -両端おねじ止めタイプ/おねじXプレート止めタイプ-
4.2通常価格(税別):169円~

倉敷化工
丸形防振ゴム(KA、KB、KA/KB-(45)、KA/KB-CR、KA-SUS、RA、RB形)
4.7通常価格(税別):215円~

ミスミ
防振ゴム -めねじXおねじ止めタイプ/めねじXプレート止めタイプ-
4.5通常価格(税別):290円~

ミスミ
防振ゲル(芯金ステンレス) -両端おねじ止めタイプ-
4.7通常価格(税別):1,956円~

ミスミ
防振ゴム(芯金ステンレス) -めねじXおねじ止めタイプ/めねじXプレート止めタイプ -
4.8通常価格(税別):882円~

ミスミ
防振ゴム(芯金ステンレス) -両端おねじ止めタイプ/おねじXプレート止めタイプ-
4.3通常価格(税別):918円~

ミスミ
【エコノミーシリーズ】 RoHS対応 防振ゴム 片端おねじタイプ
0通常価格(税別):86円~

倉敷化工
KI/RI ストッパー
4.4通常価格(税別):354円~