メカニカル部品技術窓口
ミスミ品のみ対象


| Type | [ M ]材質 | [ S ]表面処理 | [ H ]硬度 | 洗浄方法 | ||||
| L寸指定 | D寸・L寸指定 | 洗浄方法 | 洗浄環境 | 梱包形態 | 梱包環境 | |||
| SL-SJPHU | SL-SJPHUZ | SUS304 | - | - | 脱脂洗浄 | 一般環境 | 防錆梱包 | 一般環境 |
| SH-SJPHU | SH-SJPHUZ | 精密洗浄 | クラス1000 | 脱気2重梱包 | クラス10 | |||
| SHD-SJPHU | SHD-SJPHUZ | 電解研磨+精密洗浄 | ||||||
| SL-HJPHU | SL-HJPHUZ | SKS3相当 | 硬質クロムメッキ | 焼入硬度 50〜55HRC メッキ硬度 750HV〜 | 脱脂洗浄 | 一般環境 | 防錆梱包 | 一般環境 |
| SH-HJPHU | SH-HJPHUZ | 精密洗浄 | クラス1000 | 脱気2重梱包 | クラス10 | |||
| SL-CJPHU | SL-CJPHUZ | SUS440Cまたは 13Crステンレス | − | 焼入硬度 50〜55HRC | 脱脂洗浄 | 一般環境 | 防錆梱包 | 一般環境 |
| SH-CJPHU | SH-CJPHUZ | 精密洗浄 | クラス1000 | 脱気2重梱包 | クラス10 | |||
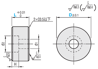
詳細図を記載しておりますので、ご確認ください。| 型式 | − | L | − | D |
| SL-SJPHU3 | − | 10 | ||
| SHD-SJPHUZ5 | − | 10 | − | 20 |
| 型式 | L 指定0.01mm単位 | D | d1 | d2 | H | 適用 ボルト | ¥基準単価 | |||||||
| SUS304 | SKS3相当 硬質クロムメッキ | SUS440Cまたは13Crステンレス | ||||||||||||
| Type | No. | SL-SJPHU | SH-SJPHU | SHD-SJPHU | SL-HJPHU | SH-HJPHU | SL-CJPHU | SH-CJPHU | ||||||
| SL-SJPHU SH-SJPHU SHD-SJPHU SL-HJPHU SH-HJPHU SL-CJPHU SH-CJPHU | 3 | 6.00〜15.00 | 12 | 3.5 | 6.5 | 4 | M3 | 2,010 | 2,460 | 2,730 | 1,930 | 2,130 | 2,210 | 2,410 |
| 4 | 7.00〜20.00 | 13 | 4.5 | 8 | 5 | M4 | 2,250 | 2,700 | 2,970 | 2,190 | 2,390 | 2,500 | 2,700 | |
| 5 | 8.00〜20.00 | 15 | 5.5 | 9.5 | 6 | M5 | 2,250 | 2,700 | 2,970 | 2,180 | 2,380 | 2,510 | 2,710 | |
| 6 | 9.00〜25.00 | 20 | 6.5 | 11 | 7 | M6 | 2,330 | 2,780 | 3,050 | 2,220 | 2,420 | 2,560 | 2,760 | |
| 8 | 11.00〜30.00 | 30 | 9 | 14 | 9 | M8 | 2,420 | 2,870 | 3,140 | 2,450 | 2,650 | 2,710 | 2,910 | |
| 型式 | L 指定0.01mm単位 | D 指定1mm単位 | d1 | d2 | H | 適用 ボルト | ¥基準単価 | |||||||
| SUS304 | SKS3相当 硬質クロムメッキ | SUS440Cまたは13Crステンレス | ||||||||||||
| Type | No. | SL-SJPHUZ | SH-SJPHUZ | SHD-SJPHUZ | SL-HJPHUZ | SH-HJPHUZ | SL-CJPHUZ | SH-CJPHUZ | ||||||
| SL-SJPHUZ SH-SJPHUZ SHD-SJPHUZ SL-HJPHUZ SH-HJPHUZ SL-CJPHUZ SH-CJPHUZ | 3 | 6.00〜15.00 | 10〜15 | 3.5 | 6.5 | 4 | M3 | 2,250 | 2,700 | 2,970 | 2,120 | 2,320 | 2,440 | 2,640 |
| 4 | 7.00〜20.00 | 12〜20 | 4.5 | 8 | 5 | M4 | 2,510 | 2,960 | 3,230 | 2,380 | 2,580 | 2,730 | 2,930 | |
| 5 | 8.00〜20.00 | 15〜20 | 5.5 | 9.5 | 6 | M5 | 2,510 | 2,960 | 3,230 | 2,380 | 2,580 | 2,730 | 2,930 | |
| 6 | 9.00〜25.00 | 15〜25 | 6.5 | 11 | 7 | M6 | 2,560 | 3,010 | 3,280 | 2,430 | 2,630 | 2,800 | 3,000 | |
| 8 | 11.00〜30.00 | 18〜30 | 9 | 14 | 9 | M8 | 2,660 | 3,110 | 3,380 | 2,540 | 2,740 | 2,940 | 3,140 | |
洗浄工程| ※材質がステンレスの場合、アルカリ系温水洗浄となることがあります。 | |
| ・脱脂洗浄(型式:SL-□□) | ※表面処理が低温黒色クロムメッキの場合、IPA洗浄となります。 |
作業環境:一般環境 | ||||||
|---|---|---|---|---|---|---|
![]() 炭化水素系洗浄※ Ro水洗浄 中性洗剤洗浄 | ![]() | ![]() 高圧ジェット水洗(Ro水) 後に純水(10MΩ・cm)で 洗浄 | ![]() | ![]() エアブロー(オイルフリー) 使用 | ![]() | ![]() 防錆袋使用 |
| ・精密洗浄(型式:SH-□□) | ※表面処理が低温黒色クロムメッキの場合、IPA洗浄となります。 |
作業環境:クラス1000 | 作業環境:クラス10 | |||||||
|---|---|---|---|---|---|---|---|---|
![]() 炭化水素系洗浄※ Ro水洗浄 中性洗剤洗浄 | ![]() | ![]() 高圧ジェット水洗(Ro水) 後に純水(10MΩ・cm)で 洗浄 | ![]() | ![]() 温純水(13MΩ・cm)使用 | ![]() | ![]() 窒素ブロー使用 | ![]() | ![]() クリーンベンチ(クラス10) で実施 |
作業環境:クラス1000 | 作業環境:クラス10 | |||||||||
|---|---|---|---|---|---|---|---|---|---|---|
![]() 炭化水素系洗浄 Ro水洗浄 中性洗剤洗浄 | ![]() | ![]() 材質に応じた電解研磨槽 で電解研磨 | ![]() | ![]() 高圧ジェット水洗(Ro水) 後に純水(10MΩ・cm)で 洗浄 | ![]() | ![]() 温純水(13MΩ・cm)使用 | ![]() | ![]() 窒素ブロー使用 | ![]() | ![]() クリーンベンチ(クラス10) で実施 |
梱包例| 脱脂洗浄の場合 (TYPE型番:SL-□□) | 精密洗浄または電解研磨+精密洗浄の場合 | |
| (TYPE型番:SH-□□・SHD-□□) | ||
| オーステナイト系ステンレス・アルミ材質の場合 | 鉄・マルテンサイト系ステンレス材質の場合 | |
![]() | ![]() | ![]() |
| 一部商品・サイズによっては、 梱包形態が異なる場合がございます。 | [ ! ]1重目・2重目の梱包とも、脱気されております。 | [ ! ]防錆対策として乾燥剤を同封しております。 1梱包につき1つになります。 |
洗浄効果・利用推奨環境| 洗浄方法 | 商品型番 | 梱包形態 | 未洗浄品と比べた効果 | ご利用環境(目安) | 利用シーン・工程 |
|---|---|---|---|---|---|
| 脱脂洗浄 | SL-□□ | 防錆梱包 | 油分除去 | 一般環境 | 通常組立工程 |
| バッテリー組立後工程 | |||||
| 精密洗浄 | SH-□□ | 脱気2重梱包 | 油分除去 粉塵除去 | クリーン環境(クラス10~1,000) | バッテリー組立工程 |
| 液晶関連組立後工程 | |||||
| 車載カメラ組立工程 | |||||
| 電解研磨+精密洗浄 | SHD-□□ | 脱気2重梱包 | 油分除去 粉塵除去 アウトガス低減 | 真空環境 クリーン環境(クラス10~1,000) | 半導体前工程 |
| 液晶成膜工程 | |||||
| 有機EL前工程 |
| 型番 |
|---|
通常単価(税別)
(税込単価) | 通常出荷日 |
|---|
- ( - ) | 5日目 |
- ( - ) | 5日目 |
- ( - ) | 5日目 |
- ( - ) | 5日目 |
- ( - ) | 5日目 |
- ( - ) | 5日目 |
- ( - ) | 5日目 |
- ( - ) | 5日目 |
- ( - ) | 5日目 |
- ( - ) | 5日目 |
- ( - ) | 6日目 |
- ( - ) | 6日目 |
- ( - ) | 6日目 |
- ( - ) | 6日目 |
- ( - ) | 6日目 |
- ( - ) | 6日目 |
- ( - ) | 6日目 |
- ( - ) | 6日目 |
- ( - ) | 6日目 |
- ( - ) | 6日目 |
- ( - ) | 5日目 |
- ( - ) | 5日目 |
- ( - ) | 5日目 |
- ( - ) | 5日目 |
- ( - ) | 5日目 |
- ( - ) | 5日目 |
- ( - ) | 5日目 |
- ( - ) | 5日目 |
- ( - ) | 5日目 |
- ( - ) | 5日目 |
- ( - ) | 5日目 |
- ( - ) | 5日目 |
- ( - ) | 5日目 |
- ( - ) | 5日目 |
- ( - ) | 5日目 |
- ( - ) | 5日目 |
- ( - ) | 5日目 |
- ( - ) | 5日目 |
- ( - ) | 5日目 |
- ( - ) | 5日目 |
- ( - ) | 5日目 |
- ( - ) | 5日目 |
- ( - ) | 5日目 |
- ( - ) | 5日目 |
- ( - ) | 5日目 |
- ( - ) | 5日目 |
- ( - ) | 5日目 |
- ( - ) | 5日目 |
- ( - ) | 5日目 |
- ( - ) | 5日目 |
- ( - ) | 6日目 |
- ( - ) | 6日目 |
- ( - ) | 6日目 |
- ( - ) | 6日目 |
- ( - ) | 6日目 |
- ( - ) | 6日目 |
- ( - ) | 6日目 |
- ( - ) | 6日目 |
- ( - ) | 6日目 |
- ( - ) | 6日目 |
| ・脱脂洗浄(防錆1重梱包) | :型番SL-□□ |
| ・精密洗浄(脱気2重梱包) | :型番SH-□□ |
| ・電解研磨+精密洗浄(脱気2重梱包) | :型番SHD-□□ |
| 商品型番 | 洗浄方法 | 梱包形態 | 未洗浄品と比べた効果 | ご利用環境(目安) | 工程別 |
| SL-□□ | 脱脂洗浄 | 防錆梱包 | 油分除去 | 一般環境 | 通常組立工程 |
| バッテリー組立後工程 | |||||
| SH-□□ | 精密洗浄 | 脱気2重梱包 | 油分除去 粉塵除去 | クリーン環境(クラス10~1,000) | バッテリー組立工程 |
| 液晶関連組立後工程 | |||||
| 車載カメラ組立工程 | |||||
| SHD-□□ | 電解研磨+精密洗浄 | 脱気2重梱包 | 油分除去 粉塵除去 アウトガス低減 | 真空環境 クリーン環境(クラス10~1,000) | 半導体前工程 |
| 液晶成膜工程 | |||||
| 有機EL前工程 |
通常価格、通常出荷日が表示と異なる場合がございます
通常価格、通常出荷日が表示と異なる場合がございます

ミスミ
高さ調整ピン 六角タイプ -高精度おねじタイプー
4.6
ミスミ
高さ調整ピン 丸・二面幅 おねじタイプ
3.9
ミスミ
高さ調整ピン フラットタイプ・先端止めねじタイプ -めねじ-
4.5
ミスミ
高さ調整ピン 丸・二面幅 めねじタイプ
5
ミスミ
支柱ピン 先端形状選択タイプ -インロー-
4
ミスミ
高さ調整ピン ツバ付 おねじタイプ
4.8
ミスミ
支柱ピン 段付フリー指定・ストレートタイプ -おねじ-
5
ミスミ
高さ調整ピン ザグリタイプ
4.6
ミスミ
高さ調整ピン フラットタイプ・先端止めねじタイプ -おねじ-
4.4