メカニカル部品技術窓口
ミスミ品のみ対象

「脱脂洗浄」「精密洗浄」「電解研磨+精密洗浄」3種類の洗浄方法が選択可能、いずれも標準型番で1個からご...
詳細を確認
■丸フランジ■二面フランジ| Type | [ M ]材質 | [ S ]表面処理 | 洗浄方法 | ||||
| 丸フランジ | 二面フランジ | 洗浄方法 | 洗浄環境 | 梱包形態 | 梱包環境 | ||
| SL-SSTHRK | SL-SSTHCK | SUS304 | - | 脱脂洗浄 | 一般環境 | 防錆梱包 | 一般環境 |
| SH-SSTHRK | SH-SSTHCK | 精密洗浄 | クラス1000 | 脱気2重梱包 | クラス10 | ||
| SHD-SSTHRK | SHD-SSTHCK | 電解研磨+精密洗浄 | |||||
| SL-STHRK | SL-STHCK | S45C相当 | 無電解ニッケルメッキ | 脱脂洗浄 | 一般環境 | 防錆梱包 | 一般環境 |
| SH-STHRK | SH-STHCK | 精密洗浄 | クラス1000 | 脱気2重梱包 | クラス10 | ||
詳細図を記載しておりますので、ご確認ください。| 型式 |
| SL-SSTHRK20 |
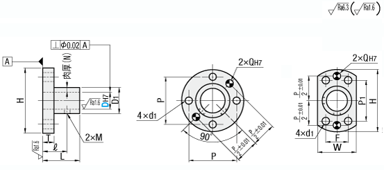
| 型式 | ホールド部 肉厚(N) | L | D1 | H | T | ℓ | M (並目) | P | W | P1 | F | d1 | Q | |||
| Type | DH7 | |||||||||||||||
| 丸フランジ SL-SSTHRK SH-SSTHRK SHD-SSTHRK SL-STHRK SH-STHRK | 二面フランジ SL-SSTHCK SH-SSTHCK SHD-SSTHCK SL-STHCK SH-STHCK (D寸16〜30) | 8 | +0.015 0 | 2 | 18 | 12 | 28 | 5 | 14 | M3 | 20 | 16 | 20 | ― | 3.5 | 4 |
| 10 | 20 | 14 | 30 | 15 | 22 | 18 | 21 | 4.5 | ||||||||
| 12 | +0.018 0 | 24 | 16 | 36 | 6 | M4 | 26 | 25 | 21 | |||||||
| 13 | 2.5 | 24 | 18 | 38 | 28 | 25 | 23 | |||||||||
| 15 | 30 | 20 | 40 | 18 | 30 | 26 | 25 | |||||||||
| 16 | 3 | 32 | 22 | 42 | 19 | 32 | 26 | 28 | 16 | 5 | ||||||
| 18 | 5 | 32 | 28 | 50 | 8 | 20 | M5 | 39 | 32 | 31 | 22 | 5.5 | ||||
| 20 | +0.021 0 | 4 | 32 | 28 | 50 | 39 | 32 | 31 | 22 | 6 | ||||||
| 25 | 38 | 33 | 55 | 23 | 44 | 37 | 36 | 24 | ||||||||
| 30 | 38 | 66 | 10 | 24 | M6 | 52 | 42 | 41 | 27 | 6.6 | ||||||
| 35 | +0.025 0 | 5 | 50 | 45 | 80 | 27 | 65 | 55 | 56 | 33 | 9 | |||||
| 40 | 10 | 60 | 90 | 30 | M8 | 75 | 65 | 65 | 38 | |||||||
| 50 | 70 | 100 | 33 | M10 | 85 | 75 | 74 | 43 | ||||||||
| D | ¥基準単価 | |||||||||
| 丸フランジ | 二面フランジ | |||||||||
| SL-SSTHRK | SH-SSTHRK | SHD-SSTHRK | SL-STHRK | SH-STHRK | SL-SSTHCK | SH-SSTHCK | SHD-SSTHCK | SL-STHCK | SH-STHCK | |
| 8 | − | − | − | 2,680 | 3,280 | − | − | − | − | − |
| 10 | − | − | − | 2,860 | 3,460 | − | − | − | − | − |
| 12 | 3,270 | 3,870 | 4,230 | 3,000 | 3,600 | − | − | − | − | − |
| 13 | 3,270 | 3,870 | 4,230 | 3,120 | 3,720 | − | − | − | − | − |
| 15 | 3,910 | 4,510 | 4,870 | 3,290 | 3,890 | − | − | − | − | − |
| 16 | 3,910 | 4,510 | 4,870 | 3,290 | 3,890 | 4,310 | 4,910 | 5,270 | 3,600 | 4,200 |
| 18 | 5,020 | 5,620 | 5,980 | 3,540 | 4,140 | 5,270 | 5,870 | 6,230 | 3,800 | 4,400 |
| 20 | 5,020 | 5,620 | 5,980 | 3,540 | 4,140 | 5,270 | 5,870 | 6,230 | 3,800 | 4,400 |
| 25 | 5,480 | 6,080 | 6,440 | 3,710 | 4,310 | 6,010 | 6,610 | 6,970 | 4,000 | 4,600 |
| 30 | 6,440 | 7,040 | 7,400 | 4,080 | 4,680 | 7,090 | 7,690 | 8,050 | 4,500 | 5,100 |
| 35 | − | − | − | 5,240 | 5,840 | − | − | − | 5,820 | 6,420 |
| 40 | − | − | − | 6,860 | 7,460 | − | − | − | 7,670 | 8,270 |
| 50 | − | − | − | 10,830 | 11,430 | − | − | − | 12,200 | 12,800 |
| 型式 | - | (MB) |
| SL-SSTHRK8 | - | MB |
| SH-SSTHCK20 | - | MB |
| Alterations | 六角穴付止めねじ付属 | |||||||||||
| Code | MB | |||||||||||
| Spec. | 六角穴付止めねじ(SUS品)を付属します。 外筒(D1)よりねじが飛び出す可能性があります。 [ ! ]付属止めねじは2本となります。
| |||||||||||
| ¥/1Code | 無料 | |||||||||||
洗浄工程| ※材質がステンレスの場合、アルカリ系温水洗浄となることがあります。 | |
| ・脱脂洗浄(型式:SL-□□) | ※表面処理が低温黒色クロムメッキの場合、IPA洗浄となります。 |
作業環境:一般環境 | ||||||
|---|---|---|---|---|---|---|
![]() 炭化水素系洗浄※ Ro水洗浄 中性洗剤洗浄 | ![]() | ![]() 高圧ジェット水洗(Ro水) 後に純水(10MΩ・cm)で 洗浄 | ![]() | ![]() エアブロー(オイルフリー) 使用 | ![]() | ![]() 防錆袋使用 |
| ・精密洗浄(型式:SH-□□) | ※表面処理が低温黒色クロムメッキの場合、IPA洗浄となります。 |
作業環境:クラス1000 | 作業環境:クラス10 | |||||||
|---|---|---|---|---|---|---|---|---|
![]() 炭化水素系洗浄※ Ro水洗浄 中性洗剤洗浄 | ![]() | ![]() 高圧ジェット水洗(Ro水) 後に純水(10MΩ・cm)で 洗浄 | ![]() | ![]() 温純水(13MΩ・cm)使用 | ![]() | ![]() 窒素ブロー使用 | ![]() | ![]() クリーンベンチ(クラス10) で実施 |
作業環境:クラス1000 | 作業環境:クラス10 | |||||||||
|---|---|---|---|---|---|---|---|---|---|---|
![]() 炭化水素系洗浄 Ro水洗浄 中性洗剤洗浄 | ![]() | ![]() 材質に応じた電解研磨槽 で電解研磨 | ![]() | ![]() 高圧ジェット水洗(Ro水) 後に純水(10MΩ・cm)で 洗浄 | ![]() | ![]() 温純水(13MΩ・cm)使用 | ![]() | ![]() 窒素ブロー使用 | ![]() | ![]() クリーンベンチ(クラス10) で実施 |
梱包例| 脱脂洗浄の場合 (TYPE型番:SL-□□) | 精密洗浄または電解研磨+精密洗浄の場合 | |
| (TYPE型番:SH-□□・SHD-□□) | ||
| オーステナイト系ステンレス・アルミ材質の場合 | 鉄・マルテンサイト系ステンレス材質の場合 | |
![]() | ![]() | ![]() |
| 一部商品・サイズによっては、 梱包形態が異なる場合がございます。 | [ ! ]1重目・2重目の梱包とも、脱気されております。 | [ ! ]防錆対策として乾燥剤を同封しております。 1梱包につき1つになります。 |
洗浄効果・利用推奨環境洗浄方法 | 商品型番 | 梱包形態 | 未洗浄品と比べた効果 | ご利用環境(目安) | 利用シーン・工程 |
|---|---|---|---|---|---|
| 脱脂洗浄 | SL-□□ | 防錆梱包 | 油分除去 | 一般環境 | 通常組立工程 |
| バッテリー組立後工程 | |||||
| 精密洗浄 | SH-□□ | 脱気2重梱包 | 油分除去 粉塵除去 | クリーン環境(クラス10~1,000) | バッテリー組立工程 |
| 液晶関連組立後工程 | |||||
| 車載カメラ組立工程 | |||||
| 電解研磨+精密洗浄 | SHD-□□ | 脱気2重梱包 | 油分除去 粉塵除去 アウトガス低減 | 真空環境 クリーン環境(クラス10~1,000) | 半導体前工程 |
| 液晶成膜工程 | |||||
| 有機EL前工程 |
| 型番 |
|---|
通常単価(税別)
(税込単価) | 通常出荷日 |
洗浄不要の場合の代替品
|
|---|
- ( - ) | 6日目 |
|
- ( - ) | 6日目 |
|
- ( - ) | 6日目 |
|
- ( - ) | 6日目 |
|
- ( - ) | 6日目 |
|
- ( - ) | 6日目 |
|
- ( - ) | 6日目 |
|
- ( - ) | 6日目 |
|
- ( - ) | 6日目 |
|
- ( - ) | 6日目 |
|
- ( - ) | 6日目 |
|
- ( - ) | 6日目 |
|
- ( - ) | 6日目 |
|
- ( - ) | 6日目 |
|
- ( - ) | 6日目 |
|
- ( - ) | 6日目 |
|
- ( - ) | 6日目 |
|
- ( - ) | 6日目 |
|
- ( - ) | 6日目 |
|
- ( - ) | 6日目 |
|
- ( - ) | 6日目 |
|
- ( - ) | 6日目 |
|
- ( - ) | 6日目 |
|
- ( - ) | 6日目 |
|
- ( - ) | 6日目 |
|
- ( - ) | 6日目 |
|
- ( - ) | 12日目 |
|
- ( - ) | 12日目 |
|
- ( - ) | 12日目 |
|
- ( - ) | 12日目 |
|
- ( - ) | 6日目 |
|
- ( - ) | 6日目 |
|
- ( - ) | 6日目 |
|
- ( - ) | 6日目 |
|
- ( - ) | 3日目 |
|
- ( - ) | 6日目 |
|
- ( - ) | 6日目 |
|
- ( - ) | 6日目 |
|
- ( - ) | 6日目 |
|
- ( - ) | 6日目 |
|
- ( - ) | 8日目 |
|
- ( - ) | 8日目 |
|
- ( - ) | 8日目 |
|
- ( - ) | 8日目 |
|
- ( - ) | 6日目 |
|
- ( - ) | 6日目 |
|
- ( - ) | 6日目 |
|
- ( - ) | 6日目 |
|
- ( - ) | 6日目 |
|
- ( - ) | 6日目 |
|
- ( - ) | 6日目 |
|
- ( - ) | 6日目 |
|
- ( - ) | 6日目 |
|
- ( - ) | 6日目 |
|
- ( - ) | 6日目 |
|
- ( - ) | 6日目 |
|
- ( - ) | 6日目 |
|
- ( - ) | 6日目 |
|
- ( - ) | 6日目 |
|
- ( - ) | 6日目 |
| ・脱脂洗浄(防錆1重梱包) | :型番SL-□□ |
| ・精密洗浄(脱気2重梱包) | :型番SH-□□ |
| ・電解研磨+精密洗浄(脱気2重梱包) | :型番SHD-□□ |
| 商品型番 | 洗浄方法 | 梱包形態 | 未洗浄品と比べた効果 | ご利用環境(目安) | 工程別 |
| SL-□□ | 脱脂洗浄 | 防錆梱包 | 油分除去 | 一般環境 | 通常組立工程 |
| バッテリー組立後工程 | |||||
| SH-□□ | 精密洗浄 | 脱気2重梱包 | 油分除去 粉塵除去 | クリーン環境(クラス10~1,000) | バッテリー組立工程 |
| 液晶関連組立後工程 | |||||
| 車載カメラ組立工程 | |||||
| SHD-□□ | 電解研磨+精密洗浄 | 脱気2重梱包 | 油分除去 粉塵除去 アウトガス低減 | 真空環境 クリーン環境(クラス10~1,000) | 半導体前工程 |
| 液晶成膜工程 | |||||
| 有機EL前工程 |
組立時の位置決めが容易となります。メンテナンス時の取外しの際、位置決めの再現性があります。
通常価格、通常出荷日が表示と異なる場合がございます
通常価格、通常出荷日が表示と異なる場合がございます

ミスミ
シャフトホルダ -フランジ型(鋳造品) スリット・スタンダードタイプ-
4.5通常価格(税別):900円~

ミスミ
シャフトホルダ -ブラケット型スタンダードタイプ- -取付穴キリ穴/取付穴タップ穴-
4.6通常価格(税別):860円~

ミスミ
シャフトホルダ -T型(鋳造品) スリット・スタンダードタイプ-
4.3通常価格(税別):760円~

ミスミ
シャフトホルダ -フランジ型(鋳造品) スリット・ガイドロングタイプ-
4.8通常価格(税別):1,630円~

ミスミ
シャフトホルダ -ブラケット型スリットタイプ- -スタンダードタイプ-
4.5通常価格(税別):1,650円~

ミスミ
シャフトホルダ -ブラケット型スリットタイプ- -ガイドロングタイプ-
4.4通常価格(税別):2,220円~

ミスミ
シャフトホルダ -ブラケット型ホールド部肉厚タイプ- -スタンダードタイプ-
4.5通常価格(税別):1,270円~

ミスミ
シャフトホルダ ブラケット型 コンパクト スタンダード/ガイドロングタイプ
4.6通常価格(税別):1,430円~

ミスミ
シャフトホルダ -T型(機械加工品) スリット・肉厚タイプ-
4.1通常価格(税別):2,610円~