メカニカル部品技術窓口
ミスミ品のみ対象

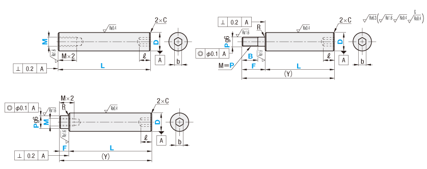
めねじタイプ
おねじタイプ
段付めねじタイプ

メッキ無し品は
です。| D | b | 六角穴深さℓ |
| 6 | 2.5 | 3.5 |
| 8 | 3 | 4.5 |
| 10 | 4 | 6 |
| 12・13・15 | 5 | 7.5 |
| 16・18 | 6 | 9 |
| 20 | 8 | 12 |
| Type | [ M ]材質 | [ H ]硬度 | [ S ]表面処理 | 洗浄方法 | ||||
| D公差f8 | D公差g6 | 洗浄方法 | 洗浄環境 | 梱包形態 | 梱包環境 | |||
| SL-PSSGBT | - | SUS304 | - | 硬質クロムメッキ メッキ硬度HV750~ メッキ厚10μ以上 | 脱脂洗浄 | 一般環境 | 防錆梱包 | 一般環境 |
| SH-PSSGBT | 精密洗浄 | クラス1000 | 脱気2重梱包 | クラス10 | ||||
| - | SL-SSFBT | SUS440Cまたは 13Cr系ステンレス | 高周波焼入 有効硬化層深さ>>こちら SUJ2相当 58HRC〜 SUS440Cまたは 13Cr系ステンレス 56HRC〜 | - | 脱脂洗浄 | 一般環境 | 防錆梱包 | 一般環境 |
| SH-SSFBT | 精密洗浄 | クラス1000 | 脱気2重梱包 | クラス10 | ||||
| - | SL-PSSFBT | 硬質クロムメッキ メッキ硬度HV750〜 メッキ厚5μ以上 | 脱脂洗浄 | 一般環境 | 防錆梱包 | 一般環境 | ||
| SH-PSSFBT | 精密洗浄 | クラス1000 | 脱気2重梱包 | クラス10 | ||||
| - | SL-RSFBT | SUJ2相当 | 低温黒色クロムメッキ | 脱脂洗浄 | 一般環境 | 防錆梱包 | 一般環境 | |
| SH-RSFBT | 精密洗浄 | クラス1000 | 脱気2重梱包 | クラス10 | ||||
| - | SL-RSSFBT | SUS440Cまたは 13Cr系ステンレス | 脱脂洗浄 | 一般環境 | 防錆梱包 | 一般環境 | ||
| SH-RSSFBT | 精密洗浄 | クラス1000 | 脱気2重梱包 | クラス10 | ||||
詳細図を記載しておりますので、ご確認ください。| Type | [ M ]材質 | [ H ]硬度 | [ S ]表面処理 | 洗浄方法 | ||||
| D公差f8 | D公差g6 | 洗浄方法 | 洗浄環境 | 梱包形態 | 梱包環境 | |||
| SL-PSSGBH | - | SUS304 | - | 硬質クロムメッキ メッキ硬度HV750~ メッキ厚10μ以上 | 脱脂洗浄 | 一般環境 | 防錆梱包 | 一般環境 |
| SH-PSSGBH | 精密洗浄 | クラス1000 | 脱気2重梱包 | クラス10 | ||||
| - | SL-SSFBH | SUS440Cまたは 13Cr系ステンレス | 高周波焼入 有効硬化層深さ>>こちら SUJ2相当 58HRC〜 SUS440Cまたは 13Cr系ステンレス 56HRC〜 | - | 脱脂洗浄 | 一般環境 | 防錆梱包 | 一般環境 |
| SH-SSFBH | 精密洗浄 | クラス1000 | 脱気2重梱包 | クラス10 | ||||
| - | SL-PSSFBH | 硬質クロムメッキ メッキ硬度HV750〜 メッキ厚5μ以上 | 脱脂洗浄 | 一般環境 | 防錆梱包 | 一般環境 | ||
| SH-PSSFBH | 精密洗浄 | クラス1000 | 脱気2重梱包 | クラス10 | ||||
| - | SL-RSFBH | SUJ2相当 | 低温黒色クロムメッキ | 脱脂洗浄 | 一般環境 | 防錆梱包 | 一般環境 | |
| SH-RSFBH | 精密洗浄 | クラス1000 | 脱気2重梱包 | クラス10 | ||||
| - | SL-RSSFBH | SUS440Cまたは 13Cr系ステンレス | 脱脂洗浄 | 一般環境 | 防錆梱包 | 一般環境 | ||
| SH-RSSFBH | 精密洗浄 | クラス1000 | 脱気2重梱包 | クラス10 | ||||
詳細図を記載しておりますので、ご確認ください。| Type | [ M ]材質 | [ H ]硬度 | [ S ]表面処理 | 洗浄方法 | ||||
| D公差f8 | D公差g6 | 洗浄方法 | 洗浄環境 | 梱包形態 | 梱包環境 | |||
| SL-PSSGBN | - | SUS304 | - | 硬質クロムメッキ メッキ硬度HV750~ メッキ厚10μ以上 | 脱脂洗浄 | 一般環境 | 防錆梱包 | 一般環境 |
| SH-PSSGBN | 精密洗浄 | クラス1000 | 脱気2重梱包 | クラス10 | ||||
| - | SL-SSFBN | SUS440Cまたは 13Cr系ステンレス | 高周波焼入 有効硬化層深さ>>こちら SUJ2相当 58HRC〜 SUS440Cまたは 13Cr系ステンレス 56HRC〜 | - | 脱脂洗浄 | 一般環境 | 防錆梱包 | 一般環境 |
| SH-SSFBN | 精密洗浄 | クラス1000 | 脱気2重梱包 | クラス10 | ||||
| - | SL-PSSFBN | 硬質クロムメッキ メッキ硬度HV750〜 メッキ厚5μ以上 | 脱脂洗浄 | 一般環境 | 防錆梱包 | 一般環境 | ||
| SH-PSSFBN | 精密洗浄 | クラス1000 | 脱気2重梱包 | クラス10 | ||||
| - | SL-RSFBN | SUJ2相当 | 低温黒色クロムメッキ | 脱脂洗浄 | 一般環境 | 防錆梱包 | 一般環境 | |
| SH-RSFBN | 精密洗浄 | クラス1000 | 脱気2重梱包 | クラス10 | ||||
| - | SL-RSSFBN | SUS440Cまたは 13Cr系ステンレス | 脱脂洗浄 | 一般環境 | 防錆梱包 | 一般環境 | ||
| SH-RSSFBN | 精密洗浄 | クラス1000 | 脱気2重梱包 | クラス10 | ||||
詳細図を記載しておりますので、ご確認ください。| 型式 | − | L | − | F | − | B | − | P | − | M |
| SL-PSSGBT20 | − | 525 | − | M8 | ||||||
| SH-PSSGBH20 | − | 400 | − | F25 | − | P16 | − | M10 | ||
| SL-PSSGBN20 | − | 500 | − | F25 | − | B20 | − | P16 |
| 型式 | 指定1mm単位 | 選択 | C | |||||||
| Type | D | L | M(並目) | |||||||
| D公差f8 SL-PSSGBT SH-PSSGBT D公差g6 SL-SSFBT SH-SSFBT SL-PSSFBT SH-PSSFBT SL-RSFBT SH-RSFBT SL-RSSFBT SH-RSSFBT | 6 | 20〜800 | 3 | 0.5以下 | ||||||
| 8 | 20〜800 | 3 | 4 | 5 | ||||||
| 10 | 20〜800 | 3 | 4 | 5 | 6 | |||||
| 12 | 20〜800 | 3 | 4 | 5 | 6 | 8 | ||||
| 13 | 25〜800 | 3 | 4 | 5 | 6 | 8 | ||||
| 15 | 25〜800 | 3 | 4 | 5 | 6 | 8 | 10 | |||
| 16 | 30〜800 | 4 | 5 | 6 | 8 | 10 | ||||
| 18 | 30〜800 | 4 | 5 | 6 | 8 | 10 | 12 | |||
| 20 | 30〜800 | 4 | 5 | 6 | 8 | 10 | 12 | 1.0以下 | ||
| 型式 | 指定1mm単位 | 選択 | (Y) Max. | R | C | |||||||||
| Type | D | L | F | P | M(並目) | |||||||||
| D公差f8 SL-PSSGBH SH-PSSGBH D公差g6 SL-SSFBH SH-SSFBH SL-PSSFBH SH-PSSFBH SL-RSFBH SH-RSFBH SL-RSSFBH SH-RSSFBH | 8 | 25〜798 | 2≦F≦P×5 | 6 | 3 | 800 | 0.3以下 | 0.5以下 | ||||||
| 10 | 25〜798 | 6〜 8 | 3 | 4 | 5 | 800 | ||||||||
| 12 | 25〜798 | 6〜10 | 3 | 4 | 5 | 6 | 800 | |||||||
| 13 | 25〜798 | 6〜11 | 3 | 4 | 5 | 6 | 8 | 800 | ||||||
| 15 | 25〜798 | 6〜13 | 3 | 4 | 5 | 6 | 8 | 10 | 800 | |||||
| 16 | 25〜798 | 6〜14 | 3 | 4 | 5 | 6 | 8 | 10 | 800 | |||||
| 18 | 25〜798 | 7〜16 | 4 | 5 | 6 | 8 | 10 | 12 | 800 | |||||
| 20 | 25〜798 | 7〜17 | 4 | 5 | 6 | 8 | 10 | 12 | 800 | 1.0以下 | ||||
| 型式 | 指定1mm単位 | P(並目) 選択 | (Y) Max. | R | C | ||||||||||
| Type | D | L | F | B | |||||||||||
| D公差f8 SL-PSSGBN SH-PSSGBN D公差g6 SL-SSFBN SH-SSFBN SL-PSSFBN SH-PSSFBN SL-RSFBN SH-RSFBN SL-RSSFBN SH-RSSFBN [ ! ]低温黒色クロムメッキ品 Y≦500 | 6 | 25〜798 | 2≦F≦P×5 | (P≦6のとき) B≦F-2 (P=8・10のとき) B≦F-3 (P=12・16のとき) B≦F-5 [ ! ]B≧Pitch×3 | 3 | 4 | 5 | 800 | 0.3以下 | 0.5以下 | |||||
| 8 | 25〜798 | 3 | 4 | 5 | 6 | 800 | |||||||||
| 10 | 25〜798 | 3 | 4 | 5 | 6 | 8 | 800 | ||||||||
| 12 | 25〜798 | 3 | 4 | 5 | 6 | 8 | 10 | 800 | |||||||
| 13 | 25〜798 | 4 | 5 | 6 | 8 | 10 | 12 | 800 | |||||||
| 15 | 25〜798 | 4 | 5 | 6 | 8 | 10 | 12 | 800 | |||||||
| 16 | 25〜798 | 4 | 5 | 6 | 8 | 10 | 12 | 800 | |||||||
| 18 | 25〜798 | 5 | 6 | 8 | 10 | 12 | 16 | 800 | |||||||
| 20 | 25〜798 | 5 | 6 | 8 | 10 | 12 | 16 | 800 | 1.0以下 | ||||||
| 並目ねじ寸法 | |
| M | pitch |
| 3 | 0.5 |
| 4 | 0.7 |
| 5 | 0.8 |
| 6 | 1.0 |
| 8 | 1.25 |
| 10 | 1.5 |
| 12 | 1.75 |
| 16 | 2.0 |
■おねじ部C面取り詳細
| ねじの 呼びM | ピッチ P | 面取りC (参考値) |
| 3 | 0.50 | 0.50 |
| 4 | 0.70 | 0.75 |
| 5 | 0.80 | 0.75 |
| 6 | 1.00 | 1.00 |
| 8 | 1.25 | 1.25 |
| 10 | 1.50 | 1.50 |
| 12 | 1.75 | 1.75 |
| 16 | 2.00 | 2.00 |
| 20 | 2.50 | 2.50 |
| 24 | 3.00 | 3.00 |
| 30 | 3.50 | 3.50 |

・追加工詳細は下記よりご確認ください。
※追加工による硬度低下の可能性があります。硬度・表面処理については こちらをご参照ください。
| 追加工コード | 追加工内容 | 固定寸法 | 適用条件 | 指定例 | ¥/1Code | |||||||||||||||||||||||||||||||||||||||||||||||||||||||||||||||||||||||||||||||||||||||||||||||||||||||||||||||||||||||||||||||||||||||||||||||||||||||||||||||||||||
|---|---|---|---|---|---|---|---|---|---|---|---|---|---|---|---|---|---|---|---|---|---|---|---|---|---|---|---|---|---|---|---|---|---|---|---|---|---|---|---|---|---|---|---|---|---|---|---|---|---|---|---|---|---|---|---|---|---|---|---|---|---|---|---|---|---|---|---|---|---|---|---|---|---|---|---|---|---|---|---|---|---|---|---|---|---|---|---|---|---|---|---|---|---|---|---|---|---|---|---|---|---|---|---|---|---|---|---|---|---|---|---|---|---|---|---|---|---|---|---|---|---|---|---|---|---|---|---|---|---|---|---|---|---|---|---|---|---|---|---|---|---|---|---|---|---|---|---|---|---|---|---|---|---|---|---|---|---|---|---|---|---|---|---|---|---|---|---|---|---|---|
| LKC | L寸法・公差を | ・L<200→L±0.03 ・200≦L<500→L±0.05 ・L≧500→L±0.1 | [ ! ]L寸単位0.1mm指定可 [ NG ]D-P≦2の場合は適用不可 | SL-PSSGBN20-250.5-F40-B30-P10-LKC | 400 | |||||||||||||||||||||||||||||||||||||||||||||||||||||||||||||||||||||||||||||||||||||||||||||||||||||||||||||||||||||||||||||||||||||||||||||||||||||||||||||||||||||
| MSC | めねじを細目ねじに変更 |
| [ ! ]めねじタイプに適用 [ ! ]M寸法をMSCに変えて指定してください。 [ ! ]M寸法はMSCと同寸法になります。 [ NG ]段付めねじタイプは適用不可 | SL-PSSGBT20-525-MSC14 | 300 | |||||||||||||||||||||||||||||||||||||||||||||||||||||||||||||||||||||||||||||||||||||||||||||||||||||||||||||||||||||||||||||||||||||||||||||||||||||||||||||||||||||
| PMC PMS | おねじを細目ねじに変更 |
| [ ! ]おねじタイプのみ適用 [ ! ]P寸法をPMC(PMS)に変えて指定してください。 [ ! ]P寸法はPMC(PMS)と同寸法になります。 【ベアリングナット 細目追加工】 ・「PMC」を指定 【シリンダ 細目追加工】 ・「PMS」を指定 | SL-PSSGBN20-250-F40-B30-PMC17 | 300 | |||||||||||||||||||||||||||||||||||||||||||||||||||||||||||||||||||||||||||||||||||||||||||||||||||||||||||||||||||||||||||||||||||||||||||||||||||||||||||||||||||||
・上記以外の追加工をご希望の場合は、「 カタログ規格外サービス」にてお見積りください。
■真直度測定方法

軸の両端をVブロックで支持し、任意の点で、
軸を1回転させてダイヤルゲージの振幅を測定。
振幅測定値の1/2を真直度とします。
| D | 真円度 M | |
|---|---|---|
| を超え | 以下 | |
| 5 | 13 | 0.004 |
| 13 | 20 | 0.005 |
| D | L | 真直度 K | |
|---|---|---|---|
| 6~20 | L≦100 | 0.01以下 | |
| L>100 | (L/100)×0.01以下 | ||
| L | L寸法 公差 | |
|---|---|---|
| を超え | 以下 | |
| 19 | 30 | ±0.2 |
| 30 | 120 | ±0.3 |
| 120 | 400 | ±0.5 |
| 400 | 1000 | ±0.8 |
| 1000 | 1400 | ±1.2 |
■同軸度・直角度

■加工部の硬度低下について
・母材焼入れ後に加工をいたしますが、加工のための焼きなましにより硬度低下の可能性があります。
※低下後硬度:10~40HRC程度
■硬度低下範囲
・加工部から10mm程度

■焼なましによる硬度低下加工部
・おねじ ・段付 ・六角穴
■めねじの硬度低下条件
めねじは材質や選定条件により硬度低下の条件が異なります。
■焼き入れの有効硬化層深さ
有効硬化層深さは外形寸法や材質の違いにより異なります。
| 外径 D | 有効硬化層深さ | |||
|---|---|---|---|---|
| SUJ2相当 | SUS440C/ 13Cr系ステンレス | |||
| 6~10 | 0.5以上 | 0.5以上 | ||
| 12・13 | 0.7以上 | |||
| 15~20 | 0.7以上 | |||
■硬質クロムメッキ及び加工部のメッキ層について
例)メッキ残り部:段付き おねじシャフト 平面取り追加
///部:メッキ残部

・リニアシャフトと 回転軸用シャフトの仕様比較
■基本仕様
| 仕様 | シャフト | 回転軸 | ||||||||
|---|---|---|---|---|---|---|---|---|---|---|
| 材質 | SUJ2相当 SUS440Cまたは13Cr系ステンレス | S45C相当 SUS304 | S45C相当 SUS304 | SCM435 | ||||||
| 焼き入れ | 高周波焼き入れ | - | - | 硬度30~35HRC | ||||||
| 外径公差 | g6/h5 | f8 | g6/h9/h7 | g6 | ||||||
| 表面処理 | メッキ無 硬質クロムメッキ 低温黒色クロムメッキ 無電解ニッケルメッキ(全長表面処理タイプ) | 硬質クロムメッキ | メッキ無 四三酸化鉄皮膜 無電解ニッケルメッキ | 四三酸化鉄皮膜 無電解ニッケルメッキ | ||||||
※硬質クロムメッキは加工部にメッキ層が残りません。詳しくは こちらをご確認ください。
■追加工
| 追加工名称 | シャフト | 回転軸 | |||||
|---|---|---|---|---|---|---|---|
| L寸公差変更 | L<200⇒L±0.03 200≦L<500⇒L±0.05 L≧500⇒L±0.1 | L<500⇒L±0.05 L≧500⇒L±0.1 L≧800は適用不可 | |||||
| スパナ溝追加工 | 2箇所まで指定可能 | 1箇所まで指定可能 | |||||
| 平面取り | 2箇所まで指定可能 | 3箇所まで指定可能 | |||||
| 2面取り追加工 | 2箇所まで指定可能 角度指定:固定 | 1箇所まで指定可能 角度指定:15度単位で指定可能 | |||||
| V溝追加工 | 2箇所まで指定可能 | ー | |||||
| キー溝 | 2箇所まで指定可能 段部への加工:不可 | 4箇所まで指定可能 段部への加工:可 | |||||
| おねじ細目ねじ変更 | 2種類 | 1種類 | |||||
| めねじ細目ねじ変更 | 1種類 | ー | |||||
| 逃げ溝追加 | M6~M30 | M3~M30 | |||||
| めねじ深さ変更 | 可能 | 可能 | |||||
| 止め輪溝 | 2箇所指定可能 (追加工ではなく止め輪付タイプとなります) | D部2箇所、段部それぞれ1箇所 併用可 | |||||
| スリットカム用溝 | ー | 1箇所まで指定可能 | |||||
| 同軸度変更 | ー | 可能 | |||||
| おねじ左ねじ変更 | ー | 可能 | |||||
| すり割り溝追加 | ー | 1箇所まで指定可能 | |||||
| C面取り幅変更 | ー | 可能 | |||||
■よくある質問
//jp.misumi-ec.com/maker/misumi/mech/linear_shaft/tech_support/#anc06
洗浄工程| ※材質がステンレスの場合、アルカリ系温水洗浄となることがあります。 | |
| ・脱脂洗浄(型式:SL-□□) | ※表面処理が低温黒色クロムメッキの場合、IPA洗浄となります。 |
作業環境:一般環境 | ||||||
|---|---|---|---|---|---|---|
![]() 炭化水素系洗浄※ Ro水洗浄 中性洗剤洗浄 | ![]() | ![]() 高圧ジェット水洗(Ro水) 後に純水(10MΩ・cm)で 洗浄 | ![]() | ![]() エアブロー(オイルフリー) 使用 | ![]() | ![]() 防錆袋使用 |
| ・精密洗浄(型式:SH-□□) | ※表面処理が低温黒色クロムメッキの場合、IPA洗浄となります。 |
作業環境:クラス1000 | 作業環境:クラス10 | |||||||
|---|---|---|---|---|---|---|---|---|
![]() 炭化水素系洗浄※ Ro水洗浄 中性洗剤洗浄 | ![]() | ![]() 高圧ジェット水洗(Ro水) 後に純水(10MΩ・cm)で 洗浄 | ![]() | ![]() 温純水(13MΩ・cm)使用 | ![]() | ![]() 窒素ブロー使用 | ![]() | ![]() クリーンベンチ(クラス10) で実施 |
作業環境:クラス1000 | 作業環境:クラス10 | |||||||||
|---|---|---|---|---|---|---|---|---|---|---|
![]() 炭化水素系洗浄 Ro水洗浄 中性洗剤洗浄 | ![]() | ![]() 材質に応じた電解研磨槽 で電解研磨 | ![]() | ![]() 高圧ジェット水洗(Ro水) 後に純水(10MΩ・cm)で 洗浄 | ![]() | ![]() 温純水(13MΩ・cm)使用 | ![]() | ![]() 窒素ブロー使用 | ![]() | ![]() クリーンベンチ(クラス10) で実施 |
梱包例| 脱脂洗浄の場合 (TYPE型番:SL-□□) | 精密洗浄または電解研磨+精密洗浄の場合 | |
| (TYPE型番:SH-□□・SHD-□□) | ||
| オーステナイト系ステンレス・アルミ材質の場合 | 鉄・マルテンサイト系ステンレス材質の場合 | |
![]() | ![]() | ![]() |
| 一部商品・サイズによっては、 梱包形態が異なる場合がございます。 | [ ! ]1重目・2重目の梱包とも、脱気されております。 | [ ! ]防錆対策として乾燥剤を同封しております。 1梱包につき1つになります。 |
洗浄効果・利用推奨環境| 洗浄方法 | 商品型番 | 梱包形態 | 未洗浄品と比べた効果 | ご利用環境(目安) | 利用シーン・工程 |
|---|---|---|---|---|---|
| 脱脂洗浄 | SL-□□ | 防錆梱包 | 油分除去 | 一般環境 | 通常組立工程 |
| バッテリー組立後工程 | |||||
| 精密洗浄 | SH-□□ | 脱気2重梱包 | 油分除去 粉塵除去 | クリーン環境(クラス10~1,000) | バッテリー組立工程 |
| 液晶関連組立後工程 | |||||
| 車載カメラ組立工程 | |||||
| 電解研磨+精密洗浄 | SHD-□□ | 脱気2重梱包 | 油分除去 粉塵除去 アウトガス低減 | 真空環境 クリーン環境(クラス10~1,000) | 半導体前工程 |
| 液晶成膜工程 | |||||
| 有機EL前工程 |
| 型番 |
|---|
通常単価(税別)
(税込単価) | 通常出荷日 |
洗浄不要の場合の代替品
|
|---|
- ( - ) | 6日目 |
|
- ( - ) | 6日目 |
|
- ( - ) | 6日目 |
|
- ( - ) | 6日目 |
|
- ( - ) | 6日目 |
|
- ( - ) | 6日目 |
|
- ( - ) | 6日目 |
|
- ( - ) | 6日目 |
|
- ( - ) | 6日目 |
|
- ( - ) | 6日目 |
|
- ( - ) | 6日目 |
|
- ( - ) | 6日目 |
|
- ( - ) | 6日目 |
|
- ( - ) | 6日目 |
|
- ( - ) | 6日目 |
|
- ( - ) | 6日目 |
|
- ( - ) | 6日目 |
|
- ( - ) | 6日目 |
|
- ( - ) | 6日目 |
|
- ( - ) | 6日目 |
|
- ( - ) | 6日目 |
|
- ( - ) | 6日目 |
|
- ( - ) | 6日目 |
|
- ( - ) | 6日目 |
|
- ( - ) | 6日目 |
|
- ( - ) | 6日目 |
|
- ( - ) | 6日目 |
|
- ( - ) | 6日目 |
|
- ( - ) | 6日目 |
|
- ( - ) | 6日目 |
|
- ( - ) | 6日目 |
|
- ( - ) | 6日目 |
|
- ( - ) | 6日目 |
|
- ( - ) | 6日目 |
|
- ( - ) | 6日目 |
|
- ( - ) | 6日目 |
|
- ( - ) | 6日目 |
|
- ( - ) | 6日目 |
|
- ( - ) | 6日目 |
|
- ( - ) | 6日目 |
|
- ( - ) | 6日目 |
|
- ( - ) | 6日目 |
|
- ( - ) | 6日目 |
|
- ( - ) | 6日目 |
|
- ( - ) | 6日目 |
|
- ( - ) | 6日目 |
|
- ( - ) | 6日目 |
|
- ( - ) | 6日目 |
|
- ( - ) | 6日目 |
|
- ( - ) | 6日目 |
|
- ( - ) | 6日目 |
|
- ( - ) | 6日目 |
|
- ( - ) | 6日目 |
|
- ( - ) | 6日目 |
|
- ( - ) | 6日目 |
|
- ( - ) | 6日目 |
|
- ( - ) | 6日目 |
|
- ( - ) | 6日目 |
|
- ( - ) | 6日目 |
|
- ( - ) | 6日目 |
| ・脱脂洗浄(防錆1重梱包) | :型番SL-□□ |
| ・精密洗浄(脱気2重梱包) | :型番SH-□□ |
| ・電解研磨+精密洗浄(脱気2重梱包) | :型番SHD-□□ |
| 商品型番 | 洗浄方法 | 梱包形態 | 未洗浄品と比べた効果 | ご利用環境(目安) | 工程別 |
| SL-□□ | 脱脂洗浄 | 防錆梱包 | 油分除去 | 一般環境 | 通常組立工程 |
| バッテリー組立後工程 | |||||
| SH-□□ | 精密洗浄 | 脱気2重梱包 | 油分除去 粉塵除去 | クリーン環境(クラス10~1,000) | バッテリー組立工程 |
| 液晶関連組立後工程 | |||||
| 車載カメラ組立工程 | |||||
| SHD-□□ | 電解研磨+精密洗浄 | 脱気2重梱包 | 油分除去 粉塵除去 アウトガス低減 | 真空環境 クリーン環境(クラス10~1,000) | 半導体前工程 |
| 液晶成膜工程 | |||||
| 有機EL前工程 |
| D | ¥基準単価 | |||||||||
| SL-PSSGBT | SH-PSSGBT | |||||||||
| 最短L | L101 | L201 | L401 | L601 | 最短L | L101 | L201 | L401 | L601 | |
| 〜 | 〜 | 〜 | 〜 | 〜 | 〜 | 〜 | 〜 | 〜 | 〜 | |
| 100 | 200 | 400 | 600 | 800 | 100 | 200 | 400 | 600 | 800 | |
| 6 | 4,490 | 5,740 | 7,510 | 8,850 | 12,240 | 5,090 | 6,340 | 8,470 | 10,350 | 13,740 |
| 8 | 4,490 | 5,740 | 7,510 | 8,850 | 12,240 | 5,090 | 6,340 | 8,470 | 10,350 | 13,740 |
| 10 | 4,490 | 5,740 | 7,510 | 8,850 | 12,240 | 5,090 | 6,340 | 8,470 | 10,350 | 13,740 |
| 12 | 5,330 | 6,830 | 8,900 | 10,340 | 14,860 | 5,930 | 7,430 | 9,860 | 11,840 | 16,360 |
| 13 | 5,330 | 6,830 | 8,900 | 10,340 | 14,860 | 5,930 | 7,430 | 9,860 | 11,840 | 16,360 |
| 15・16 | 5,640 | 7,120 | 9,590 | 10,880 | 15,320 | 6,240 | 7,720 | 10,550 | 12,380 | 16,820 |
| 18・20 | 6,140 | 7,840 | 10,160 | 11,660 | 16,310 | 6,740 | 8,440 | 11,120 | 13,160 | 17,810 |
| D | ¥基準単価 | |||||||||||||||||
| SL-SSFBT | SH-SSFBT | |||||||||||||||||
| 最短L | L51 | L101 | L151 | L201 | L301 | L401 | L501 | L601 | 最短L | L51 | L101 | L151 | L201 | L301 | L401 | L501 | L601 | |
| 〜 | 〜 | 〜 | 〜 | 〜 | 〜 | 〜 | 〜 | 〜 | 〜 | 〜 | 〜 | 〜 | 〜 | 〜 | 〜 | 〜 | 〜 | |
| 50 | 100 | 150 | 200 | 300 | 400 | 500 | 600 | 800 | 50 | 100 | 150 | 200 | 300 | 400 | 500 | 600 | 800 | |
| 6 | 3,950 | 4,220 | 4,450 | 4,690 | 5,440 | 7,230 | 7,830 | 8,190 | 9,930 | 4,550 | 4,820 | 5,050 | 5,290 | 6,240 | 8,230 | 8,830 | 9,190 | 10,930 |
| 8 | 3,950 | 4,220 | 4,450 | 4,690 | 5,440 | 7,230 | 7,830 | 8,190 | 9,930 | 4,550 | 4,820 | 5,050 | 5,290 | 6,240 | 8,230 | 8,830 | 9,190 | 10,930 |
| 10 | 3,950 | 4,220 | 4,450 | 4,690 | 5,440 | 7,230 | 7,830 | 8,190 | 9,930 | 4,550 | 4,820 | 5,050 | 5,290 | 6,240 | 8,230 | 8,830 | 9,190 | 10,930 |
| 12 | 4,840 | 5,210 | 5,590 | 5,960 | 7,190 | 9,180 | 9,700 | 10,200 | 12,080 | 5,440 | 5,810 | 6,190 | 6,560 | 7,990 | 10,180 | 10,700 | 11,200 | 13,080 |
| 13 | 4,840 | 5,210 | 5,590 | 5,960 | 7,190 | 9,180 | 9,700 | 10,200 | 12,080 | 5,440 | 5,810 | 6,190 | 6,560 | 7,990 | 10,180 | 10,700 | 11,200 | 13,080 |
| 15・16 | 5,570 | 5,960 | 6,400 | 6,820 | 8,090 | 10,120 | 10,700 | 11,260 | 13,730 | 6,170 | 6,560 | 7,000 | 7,420 | 8,890 | 11,120 | 11,700 | 12,260 | 14,730 |
| 18・20 | 5,570 | 5,960 | 6,400 | 6,820 | 8,090 | 10,120 | 10,700 | 11,260 | 13,730 | 6,170 | 6,560 | 7,000 | 7,420 | 8,890 | 11,120 | 11,700 | 12,260 | 14,730 |
| D | ¥基準単価 | |||||||||||||||||
| SL-PSSFBT | SH-PSSFBT | |||||||||||||||||
| 最短L | L51 | L101 | L151 | L201 | L301 | L401 | L501 | L601 | 最短L | L51 | L101 | L151 | L201 | L301 | L401 | L501 | L601 | |
| 〜 | 〜 | 〜 | 〜 | 〜 | 〜 | 〜 | 〜 | 〜 | 〜 | 〜 | 〜 | 〜 | 〜 | 〜 | 〜 | 〜 | 〜 | |
| 50 | 100 | 150 | 200 | 300 | 400 | 500 | 600 | 800 | 50 | 100 | 150 | 200 | 300 | 400 | 500 | 600 | 800 | |
| 6 | 4,180 | 4,530 | 4,890 | 5,230 | 6,310 | 8,160 | 9,050 | 9,610 | 11,810 | 4,780 | 5,130 | 5,490 | 5,830 | 7,110 | 9,160 | 10,050 | 10,610 | 12,810 |
| 8 | 4,180 | 4,530 | 4,890 | 5,230 | 6,310 | 8,160 | 9,050 | 9,610 | 11,810 | 4,780 | 5,130 | 5,490 | 5,830 | 7,110 | 9,160 | 10,050 | 10,610 | 12,810 |
| 10 | 4,180 | 4,530 | 4,890 | 5,230 | 6,310 | 8,160 | 9,050 | 9,610 | 11,810 | 4,780 | 5,130 | 5,490 | 5,830 | 7,110 | 9,160 | 10,050 | 10,610 | 12,810 |
| 12 | 5,200 | 5,750 | 6,310 | 6,850 | 8,400 | 10,730 | 11,480 | 12,260 | 14,980 | 5,800 | 6,350 | 6,910 | 7,450 | 9,200 | 11,730 | 12,480 | 13,260 | 15,980 |
| 13 | 5,200 | 5,750 | 6,310 | 6,850 | 8,400 | 10,730 | 11,480 | 12,260 | 14,980 | 5,800 | 6,350 | 6,910 | 7,450 | 9,200 | 11,730 | 12,480 | 13,260 | 15,980 |
| 15・16 | 5,950 | 6,570 | 7,190 | 7,810 | 9,410 | 11,810 | 12,640 | 13,480 | 17,090 | 6,550 | 7,170 | 7,790 | 8,410 | 10,210 | 12,810 | 13,640 | 14,480 | 18,090 |
| 18・20 | 5,950 | 6,570 | 7,190 | 7,810 | 9,410 | 11,810 | 12,640 | 13,480 | 17,090 | 6,550 | 7,170 | 7,790 | 8,410 | 10,210 | 12,810 | 13,640 | 14,480 | 18,090 |
| D | ¥基準単価 | |||||||||||||||||
| SL-RSFBT | SH-RSFBT | |||||||||||||||||
| 最短L | L51 | L101 | L151 | L201 | L301 | L401 | L501 | L601 | 最短L | L51 | L101 | L151 | L201 | L301 | L401 | L501 | L601 | |
| 〜 | 〜 | 〜 | 〜 | 〜 | 〜 | 〜 | 〜 | 〜 | 〜 | 〜 | 〜 | 〜 | 〜 | 〜 | 〜 | 〜 | 〜 | |
| 50 | 100 | 150 | 200 | 300 | 400 | 500 | 600 | 800 | 50 | 100 | 150 | 200 | 300 | 400 | 500 | 600 | 800 | |
| 6 | 4,370 | 4,480 | 4,600 | 4,700 | 5,490 | 7,140 | 7,570 | 9,040 | 9,350 | 4,970 | 5,080 | 5,200 | 5,300 | 6,290 | 8,140 | 8,570 | 10,040 | 10,350 |
| 8 | 4,380 | 4,490 | 4,610 | 4,880 | 5,670 | 7,400 | 7,840 | 9,380 | 9,690 | 4,980 | 5,090 | 5,210 | 5,480 | 6,470 | 8,400 | 8,840 | 10,380 | 10,690 |
| 10 | 4,380 | 4,490 | 4,760 | 4,880 | 5,970 | 7,690 | 8,110 | 9,690 | 10,020 | 4,980 | 5,090 | 5,360 | 5,480 | 6,770 | 8,690 | 9,110 | 10,690 | 11,020 |
| 12 | 4,950 | 5,220 | 5,490 | 5,780 | 6,760 | 8,670 | 9,280 | 10,860 | 11,240 | 5,550 | 5,820 | 6,090 | 6,380 | 7,560 | 9,670 | 10,280 | 11,860 | 12,240 |
| 13 | 4,950 | 5,220 | 5,490 | 5,780 | 6,900 | 8,810 | 9,430 | 11,240 | 11,610 | 5,550 | 5,820 | 6,090 | 6,380 | 7,700 | 9,810 | 10,430 | 12,240 | 12,610 |
| 15 | 5,180 | 5,660 | 5,930 | 6,350 | 7,610 | 9,800 | 10,690 | 11,750 | 12,150 | 5,780 | 6,260 | 6,530 | 6,950 | 8,410 | 10,800 | 11,690 | 12,750 | 13,150 |
| 16 | 5,640 | 5,930 | 6,360 | 6,640 | 8,090 | 10,170 | 10,950 | 12,760 | 13,200 | 6,240 | 6,530 | 6,960 | 7,240 | 8,890 | 11,170 | 11,950 | 13,760 | 14,200 |
| 18・20 | 5,640 | 6,230 | 6,800 | 7,240 | 8,820 | 11,210 | 11,600 | 13,200 | 13,650 | 6,240 | 6,830 | 7,400 | 7,840 | 9,620 | 12,210 | 12,600 | 14,200 | 14,650 |
| D | ¥基準単価 | |||||||||||||||||
| SL-RSSFBT | SH-RSSFBT | |||||||||||||||||
| 最短L | L51 | L101 | L151 | L201 | L301 | L401 | L501 | L601 | 最短L | L51 | L101 | L151 | L201 | L301 | L401 | L501 | L601 | |
| 〜 | 〜 | 〜 | 〜 | 〜 | 〜 | 〜 | 〜 | 〜 | 〜 | 〜 | 〜 | 〜 | 〜 | 〜 | 〜 | 〜 | 〜 | |
| 50 | 100 | 150 | 200 | 300 | 400 | 500 | 600 | 800 | 50 | 100 | 150 | 200 | 300 | 400 | 500 | 600 | 800 | |
| 6 | 4,820 | 5,060 | 5,300 | 5,530 | 6,250 | 8,110 | 8,410 | 10,510 | 11,280 | 5,420 | 5,660 | 5,900 | 6,130 | 7,050 | 9,110 | 9,410 | 11,510 | 12,280 |
| 8 | 4,830 | 5,070 | 5,310 | 5,710 | 6,430 | 8,380 | 9,110 | 10,750 | 11,530 | 5,430 | 5,670 | 5,910 | 6,310 | 7,230 | 9,380 | 10,110 | 11,750 | 12,530 |
| 10 | 4,970 | 5,210 | 5,460 | 5,930 | 6,740 | 8,670 | 9,400 | 11,070 | 11,860 | 5,570 | 5,810 | 6,060 | 6,530 | 7,540 | 9,670 | 10,400 | 12,070 | 12,860 |
| 12 | 5,680 | 6,190 | 6,720 | 7,240 | 8,580 | 10,860 | 11,670 | 13,420 | 14,230 | 6,280 | 6,790 | 7,320 | 7,840 | 9,380 | 11,860 | 12,670 | 14,420 | 15,230 |
| 13 | 5,830 | 6,340 | 6,850 | 7,380 | 8,730 | 11,010 | 11,810 | 13,810 | 14,600 | 6,430 | 6,940 | 7,450 | 7,980 | 9,530 | 12,010 | 12,810 | 14,810 | 15,600 |
| 15 | 6,070 | 6,790 | 7,360 | 8,060 | 9,700 | 12,270 | 13,380 | 14,660 | 16,010 | 6,670 | 7,390 | 7,960 | 8,660 | 10,500 | 13,270 | 14,380 | 15,660 | 17,010 |
| 16 | 6,340 | 7,070 | 7,790 | 8,360 | 10,170 | 12,640 | 13,650 | 15,670 | 17,060 | 6,940 | 7,670 | 8,390 | 8,960 | 10,970 | 13,640 | 14,650 | 16,670 | 18,060 |
| 18・20 | 6,530 | 7,360 | 8,230 | 8,950 | 10,910 | 13,680 | 14,290 | 16,120 | 17,510 | 7,130 | 7,960 | 8,830 | 9,550 | 11,710 | 14,680 | 15,290 | 17,120 | 18,510 |
| D | ¥基準単価 | |||||||||
| SL-PSSGBH | SH-PSSGBH | |||||||||
| 最短L | L101 | L201 | L401 | L601 | 最短L | L101 | L201 | L401 | L601 | |
| 〜 | 〜 | 〜 | 〜 | 〜 | 〜 | 〜 | 〜 | 〜 | 〜 | |
| 100 | 200 | 400 | 600 | 798 | 100 | 200 | 400 | 600 | 798 | |
| 8 | 5,510 | 6,990 | 8,940 | 10,180 | 15,390 | 6,110 | 7,590 | 9,900 | 11,680 | 16,890 |
| 10 | 5,510 | 6,990 | 8,940 | 10,180 | 15,390 | 6,110 | 7,590 | 9,900 | 11,680 | 16,890 |
| 12 | 6,750 | 8,560 | 10,900 | 12,220 | 16,730 | 7,350 | 9,160 | 11,860 | 13,720 | 18,230 |
| 13 | 6,750 | 8,560 | 10,900 | 12,220 | 16,730 | 7,350 | 9,160 | 11,860 | 13,720 | 18,230 |
| 15 | 7,160 | 9,160 | 11,810 | 12,770 | 17,410 | 7,760 | 9,760 | 12,770 | 14,270 | 18,910 |
| 16 | 7,160 | 9,160 | 11,810 | 12,770 | 17,410 | 7,760 | 9,760 | 12,770 | 14,270 | 18,910 |
| 18・20 | 7,830 | 9,890 | 12,520 | 13,890 | 18,520 | 8,430 | 10,490 | 13,480 | 15,390 | 20,020 |
| D | ¥基準単価 | |||||||||||||||||
| SL-SSFBH | SH-SSFBH | |||||||||||||||||
| 最短L | L51 | L101 | L151 | L201 | L301 | L401 | L501 | L601 | 最短L | L51 | L101 | L151 | L201 | L301 | L401 | L501 | L601 | |
| 〜 | 〜 | 〜 | 〜 | 〜 | 〜 | 〜 | 〜 | 〜 | 〜 | 〜 | 〜 | 〜 | 〜 | 〜 | 〜 | 〜 | 〜 | |
| 50 | 100 | 150 | 200 | 300 | 400 | 500 | 600 | 798 | 50 | 100 | 150 | 200 | 300 | 400 | 500 | 600 | 798 | |
| 8 | 4,770 | 5,020 | 5,250 | 5,510 | 6,240 | 8,050 | 8,630 | 9,770 | 12,040 | 5,370 | 5,620 | 5,850 | 6,110 | 7,040 | 9,050 | 9,630 | 10,770 | 13,040 |
| 10 | 4,770 | 5,020 | 5,250 | 5,510 | 6,240 | 8,050 | 8,630 | 9,770 | 12,040 | 5,370 | 5,620 | 5,850 | 6,110 | 7,040 | 9,050 | 9,630 | 10,770 | 13,040 |
| 12 | 6,020 | 6,390 | 6,770 | 7,150 | 8,350 | 10,360 | 10,870 | 11,380 | 13,240 | 6,620 | 6,990 | 7,370 | 7,750 | 9,150 | 11,360 | 11,870 | 12,380 | 14,240 |
| 13 | 6,020 | 6,390 | 6,770 | 7,150 | 8,350 | 10,360 | 10,870 | 11,380 | 13,240 | 6,620 | 6,990 | 7,370 | 7,750 | 9,150 | 11,360 | 11,870 | 12,380 | 14,240 |
| 15・16 | 6,940 | 7,340 | 7,780 | 8,180 | 9,450 | 11,480 | 12,070 | 12,630 | 15,100 | 7,540 | 7,940 | 8,380 | 8,780 | 10,250 | 12,480 | 13,070 | 13,630 | 16,100 |
| 18・20 | 6,940 | 7,340 | 7,780 | 8,180 | 9,450 | 11,480 | 12,070 | 12,630 | 15,100 | 7,540 | 7,940 | 8,380 | 8,780 | 10,250 | 12,480 | 13,070 | 13,630 | 16,100 |
| D | ¥基準単価 | |||||||||||||||||
| SL-PSSFBH | SH-PSSFBH | |||||||||||||||||
| 最短L | L51 | L101 | L151 | L201 | L301 | L401 | L501 | L601 | 最短L | L51 | L101 | L151 | L201 | L301 | L401 | L501 | L601 | |
| 〜 | 〜 | 〜 | 〜 | 〜 | 〜 | 〜 | 〜 | 〜 | 〜 | 〜 | 〜 | 〜 | 〜 | 〜 | 〜 | 〜 | 〜 | |
| 50 | 100 | 150 | 200 | 300 | 400 | 500 | 600 | 798 | 50 | 100 | 150 | 200 | 300 | 400 | 500 | 600 | 798 | |
| 8 | 5,000 | 5,350 | 5,700 | 6,050 | 7,110 | 8,970 | 9,860 | 11,240 | 13,990 | 5,600 | 5,950 | 6,300 | 6,650 | 7,910 | 9,970 | 10,860 | 12,240 | 14,990 |
| 10 | 5,000 | 5,350 | 5,700 | 6,050 | 7,110 | 8,970 | 9,860 | 11,240 | 13,990 | 5,600 | 5,950 | 6,300 | 6,650 | 7,910 | 9,970 | 10,860 | 12,240 | 14,990 |
| 12 | 6,380 | 6,930 | 7,480 | 8,040 | 9,570 | 11,900 | 12,650 | 13,420 | 16,150 | 6,980 | 7,530 | 8,080 | 8,640 | 10,370 | 12,900 | 13,650 | 14,420 | 17,150 |
| 13 | 6,380 | 6,930 | 7,480 | 8,040 | 9,570 | 11,900 | 12,650 | 13,420 | 16,150 | 6,980 | 7,530 | 8,080 | 8,640 | 10,370 | 12,900 | 13,650 | 14,420 | 17,150 |
| 15・16 | 7,330 | 7,940 | 8,560 | 9,180 | 10,780 | 13,180 | 14,010 | 14,850 | 18,460 | 7,930 | 8,540 | 9,160 | 9,780 | 11,580 | 14,180 | 15,010 | 15,850 | 19,460 |
| 18・20 | 7,330 | 7,940 | 8,560 | 9,180 | 10,780 | 13,180 | 14,010 | 14,850 | 18,460 | 7,930 | 8,540 | 9,160 | 9,780 | 11,580 | 14,180 | 15,010 | 15,850 | 19,460 |
| D | ¥基準単価 | |||||||||||||||||
| SL-RSFBH | SH-RSFBH | |||||||||||||||||
| 最短L | L51 | L101 | L151 | L201 | L301 | L401 | L501 | L601 | 最短L | L51 | L101 | L151 | L201 | L301 | L401 | L501 | L601 | |
| 〜 | 〜 | 〜 | 〜 | 〜 | 〜 | 〜 | 〜 | 〜 | 〜 | 〜 | 〜 | 〜 | 〜 | 〜 | 〜 | 〜 | 〜 | |
| 50 | 100 | 150 | 200 | 300 | 400 | 500 | 600 | 798 | 50 | 100 | 150 | 200 | 300 | 400 | 500 | 600 | 798 | |
| 8 | 5,060 | 5,180 | 5,360 | 5,550 | 6,400 | 8,120 | 8,270 | 9,310 | 10,700 | 5,660 | 5,780 | 5,960 | 6,150 | 7,200 | 9,120 | 9,270 | 10,310 | 11,700 |
| 10 | 5,060 | 5,240 | 5,430 | 5,690 | 6,700 | 8,420 | 8,830 | 9,480 | 10,880 | 5,660 | 5,840 | 6,030 | 6,290 | 7,500 | 9,420 | 9,830 | 10,480 | 11,880 |
| 12 | 5,960 | 6,250 | 6,520 | 6,790 | 7,840 | 9,750 | 10,350 | 10,800 | 12,500 | 6,560 | 6,850 | 7,120 | 7,390 | 8,640 | 10,750 | 11,350 | 11,800 | 13,500 |
| 13 | 5,960 | 6,250 | 6,520 | 6,870 | 7,980 | 9,890 | 10,500 | 11,000 | 12,730 | 6,560 | 6,850 | 7,120 | 7,470 | 8,780 | 10,890 | 11,500 | 12,000 | 13,730 |
| 15 | 6,220 | 6,690 | 7,010 | 7,420 | 8,750 | 10,940 | 11,830 | 12,110 | 13,210 | 6,820 | 7,290 | 7,610 | 8,020 | 9,550 | 11,940 | 12,830 | 13,110 | 14,210 |
| 16 | 6,830 | 7,200 | 7,560 | 8,060 | 9,420 | 11,500 | 12,280 | 13,240 | 14,500 | 7,430 | 7,800 | 8,160 | 8,660 | 10,220 | 12,500 | 13,280 | 14,240 | 15,500 |
| 18・20 | 6,980 | 7,580 | 8,070 | 8,730 | 10,300 | 12,330 | 13,070 | 13,510 | 14,780 | 7,580 | 8,180 | 8,670 | 9,330 | 11,100 | 13,330 | 14,070 | 14,510 | 15,780 |
| D | ¥基準単価 | |||||||||||||||||
| SL-RSSFBH | SH-RSSFBH | |||||||||||||||||
| 最短L | L51 | L101 | L151 | L201 | L301 | L401 | L501 | L601 | 最短L | L51 | L101 | L151 | L201 | L301 | L401 | L501 | L601 | |
| 〜 | 〜 | 〜 | 〜 | 〜 | 〜 | 〜 | 〜 | 〜 | 〜 | 〜 | 〜 | 〜 | 〜 | 〜 | 〜 | 〜 | 〜 | |
| 50 | 100 | 150 | 200 | 300 | 400 | 500 | 600 | 798 | 50 | 100 | 150 | 200 | 300 | 400 | 500 | 600 | 798 | |
| 8 | 5,580 | 5,840 | 6,120 | 6,450 | 7,240 | 9,170 | 9,610 | 10,920 | 12,830 | 6,180 | 6,440 | 6,720 | 7,050 | 8,040 | 10,170 | 10,610 | 11,920 | 13,830 |
| 10 | 5,580 | 5,900 | 6,200 | 6,590 | 7,530 | 9,470 | 10,170 | 11,080 | 13,020 | 6,180 | 6,500 | 6,800 | 7,190 | 8,330 | 10,470 | 11,170 | 12,080 | 14,020 |
| 12 | 6,760 | 7,270 | 7,800 | 8,390 | 9,780 | 12,080 | 12,860 | 13,490 | 15,620 | 7,360 | 7,870 | 8,400 | 8,990 | 10,580 | 13,080 | 13,860 | 14,490 | 16,620 |
| 13 | 6,830 | 7,350 | 7,870 | 8,480 | 9,930 | 12,220 | 13,010 | 13,690 | 15,840 | 7,430 | 7,950 | 8,470 | 9,080 | 10,730 | 13,220 | 14,010 | 14,690 | 16,840 |
| 15 | 7,230 | 7,950 | 8,570 | 9,240 | 10,980 | 13,540 | 14,650 | 15,160 | 17,210 | 7,830 | 8,550 | 9,170 | 9,840 | 11,780 | 14,540 | 15,650 | 16,160 | 18,210 |
| 16 | 7,850 | 8,480 | 9,120 | 9,890 | 11,650 | 14,100 | 15,100 | 16,300 | 18,490 | 8,450 | 9,080 | 9,720 | 10,490 | 12,450 | 15,100 | 16,100 | 17,300 | 19,490 |
| 18・20 | 8,000 | 8,840 | 9,630 | 10,550 | 12,530 | 14,940 | 15,910 | 16,560 | 18,780 | 8,600 | 9,440 | 10,230 | 11,150 | 13,330 | 15,940 | 16,910 | 17,560 | 19,780 |
| D | ¥基準単価 | |||||||||
| SL-PSSGBN | SH-PSSGBN | |||||||||
| 最短L | L101 | L201 | L401 | L601 | 最短L | L101 | L201 | L401 | L601 | |
| 〜 | 〜 | 〜 | 〜 | 〜 | 〜 | 〜 | 〜 | 〜 | 〜 | |
| 100 | 200 | 400 | 600 | 798 | 100 | 200 | 400 | 600 | 798 | |
| 6 | 5,020 | 6,390 | 8,260 | 9,540 | 13,130 | 5,620 | 6,990 | 9,220 | 11,040 | 14,630 |
| 8 | 5,020 | 6,390 | 8,260 | 9,540 | 13,130 | 5,620 | 6,990 | 9,220 | 11,040 | 14,630 |
| 10 | 5,020 | 6,390 | 8,260 | 9,540 | 13,130 | 5,620 | 6,990 | 9,220 | 11,040 | 14,630 |
| 12 | 6,090 | 7,740 | 9,970 | 11,340 | 14,800 | 6,690 | 8,340 | 10,930 | 12,840 | 16,300 |
| 13 | 6,090 | 7,740 | 9,970 | 11,340 | 14,800 | 6,690 | 8,340 | 10,930 | 12,840 | 16,300 |
| 15・16 | 6,460 | 8,330 | 10,550 | 12,010 | 16,680 | 7,060 | 8,930 | 11,510 | 13,510 | 18,180 |
| 18・20 | 7,040 | 8,930 | 11,400 | 12,840 | 17,480 | 7,640 | 9,530 | 12,360 | 14,340 | 18,980 |
| D | ¥基準単価 | |||||||||||||||||
| SL-SSFBN | SH-SSFBN | |||||||||||||||||
| 最短L | L51 | L101 | L151 | L201 | L301 | L401 | L501 | L601 | 最短L | L51 | L101 | L151 | L201 | L301 | L401 | L501 | L601 | |
| 〜 | 〜 | 〜 | 〜 | 〜 | 〜 | 〜 | 〜 | 〜 | 〜 | 〜 | 〜 | 〜 | 〜 | 〜 | 〜 | 〜 | 〜 | |
| 50 | 100 | 150 | 200 | 300 | 400 | 500 | 600 | 798 | 50 | 100 | 150 | 200 | 300 | 400 | 500 | 600 | 798 | |
| 6 | 4,370 | 4,630 | 4,860 | 5,120 | 5,860 | 7,660 | 8,250 | 8,600 | 10,480 | 4,970 | 5,230 | 5,460 | 5,720 | 6,660 | 8,660 | 9,250 | 9,600 | 11,480 |
| 8 | 4,370 | 4,630 | 4,860 | 5,120 | 5,860 | 7,660 | 8,250 | 8,600 | 10,480 | 4,970 | 5,230 | 5,460 | 5,720 | 6,660 | 8,660 | 9,250 | 9,600 | 11,480 |
| 10 | 4,370 | 4,630 | 4,860 | 5,120 | 5,860 | 7,660 | 8,250 | 8,600 | 10,480 | 4,970 | 5,230 | 5,460 | 5,720 | 6,660 | 8,660 | 9,250 | 9,600 | 11,480 |
| 12 | 5,470 | 5,840 | 6,220 | 6,590 | 7,790 | 9,810 | 10,330 | 10,820 | 12,690 | 6,070 | 6,440 | 6,820 | 7,190 | 8,590 | 10,810 | 11,330 | 11,820 | 13,690 |
| 13 | 5,470 | 5,840 | 6,220 | 6,590 | 7,790 | 9,810 | 10,330 | 10,820 | 12,690 | 6,070 | 6,440 | 6,820 | 7,190 | 8,590 | 10,810 | 11,330 | 11,820 | 13,690 |
| 15・16 | 6,290 | 6,700 | 7,130 | 7,530 | 8,800 | 10,830 | 11,410 | 11,980 | 14,440 | 6,890 | 7,300 | 7,730 | 8,130 | 9,600 | 11,830 | 12,410 | 12,980 | 15,440 |
| 18・20 | 6,290 | 6,700 | 7,130 | 7,530 | 8,800 | 10,830 | 11,410 | 11,980 | 14,440 | 6,890 | 7,300 | 7,730 | 8,130 | 9,600 | 11,830 | 12,410 | 12,980 | 15,440 |
| D | ¥基準単価 | |||||||||||||||||
| SL-PSSFBN | SH-PSSFBN | |||||||||||||||||
| 最短L | L51 | L101 | L151 | L201 | L301 | L401 | L501 | L601 | 最短L | L51 | L101 | L151 | L201 | L301 | L401 | L501 | L601 | |
| 〜 | 〜 | 〜 | 〜 | 〜 | 〜 | 〜 | 〜 | 〜 | 〜 | 〜 | 〜 | 〜 | 〜 | 〜 | 〜 | 〜 | 〜 | |
| 50 | 100 | 150 | 200 | 300 | 400 | 500 | 600 | 798 | 50 | 100 | 150 | 200 | 300 | 400 | 500 | 600 | 798 | |
| 6 | 4,610 | 4,960 | 5,310 | 5,660 | 6,730 | 8,580 | 9,470 | 10,030 | 12,380 | 5,210 | 5,560 | 5,910 | 6,260 | 7,530 | 9,580 | 10,470 | 11,030 | 13,380 |
| 8 | 4,610 | 4,960 | 5,310 | 5,660 | 6,730 | 8,580 | 9,470 | 10,030 | 12,380 | 5,210 | 5,560 | 5,910 | 6,260 | 7,530 | 9,580 | 10,470 | 11,030 | 13,380 |
| 10 | 4,610 | 4,960 | 5,310 | 5,660 | 6,730 | 8,580 | 9,470 | 10,030 | 12,380 | 5,210 | 5,560 | 5,910 | 6,260 | 7,530 | 9,580 | 10,470 | 11,030 | 13,380 |
| 12 | 5,830 | 6,380 | 6,930 | 7,480 | 9,030 | 11,340 | 12,100 | 12,870 | 15,600 | 6,430 | 6,980 | 7,530 | 8,080 | 9,830 | 12,340 | 13,100 | 13,870 | 16,600 |
| 13 | 5,830 | 6,380 | 6,930 | 7,480 | 9,030 | 11,340 | 12,100 | 12,870 | 15,600 | 6,430 | 6,980 | 7,530 | 8,080 | 9,830 | 12,340 | 13,100 | 13,870 | 16,600 |
| 15・16 | 6,690 | 7,280 | 7,900 | 8,530 | 10,120 | 12,530 | 13,370 | 14,200 | 17,810 | 7,290 | 7,880 | 8,500 | 9,130 | 10,920 | 13,530 | 14,370 | 15,200 | 18,810 |
| 18・20 | 6,690 | 7,280 | 7,900 | 8,530 | 10,120 | 12,530 | 13,370 | 14,200 | 17,810 | 7,290 | 7,880 | 8,500 | 9,130 | 10,920 | 13,530 | 14,370 | 15,200 | 18,810 |
| D | ¥基準単価 | |||||||||||||
| SL-RSFBN | SH-RSFBN | |||||||||||||
| 最短L | L51 | L101 | L151 | L201 | L301 | L401 | 最短L | L51 | L101 | L151 | L201 | L301 | L401 | |
| 〜 | 〜 | 〜 | 〜 | 〜 | 〜 | 〜 | 〜 | 〜 | 〜 | 〜 | 〜 | 〜 | 〜 | |
| 50 | 100 | 150 | 200 | 300 | 400 | 498 | 50 | 100 | 150 | 200 | 300 | 400 | 498 | |
| 6 | 4,750 | 4,840 | 4,960 | 5,050 | 5,920 | 5,920 | 5,920 | 5,350 | 5,440 | 5,560 | 5,650 | 6,720 | 6,720 | 6,720 |
| 8 | 4,750 | 4,840 | 5,030 | 5,210 | 6,070 | 7,800 | 7,800 | 5,350 | 5,440 | 5,630 | 5,810 | 6,870 | 8,800 | 8,800 |
| 10 | 4,750 | 4,910 | 5,110 | 5,360 | 6,370 | 8,080 | 8,510 | 5,350 | 5,510 | 5,710 | 5,960 | 7,170 | 9,080 | 9,510 |
| 12 | 5,240 | 5,520 | 5,780 | 6,070 | 7,110 | 9,030 | 9,620 | 5,840 | 6,120 | 6,380 | 6,670 | 7,910 | 10,030 | 10,620 |
| 13 | 5,240 | 5,520 | 5,780 | 6,130 | 7,260 | 9,170 | 9,770 | 5,840 | 6,120 | 6,380 | 6,730 | 8,060 | 10,170 | 10,770 |
| 15 | 5,480 | 5,950 | 6,290 | 6,700 | 8,020 | 10,210 | 11,090 | 6,080 | 6,550 | 6,890 | 7,300 | 8,820 | 11,210 | 12,090 |
| 16 | 6,290 | 6,660 | 7,010 | 7,510 | 8,870 | 10,950 | 11,720 | 6,890 | 7,260 | 7,610 | 8,110 | 9,670 | 11,950 | 12,720 |
| 18・20 | 6,450 | 7,020 | 7,530 | 8,170 | 9,760 | 11,800 | 12,530 | 7,050 | 7,620 | 8,130 | 8,770 | 10,560 | 12,800 | 13,530 |
| D | ¥基準単価 | |||||||||||||
| SL-RSSFBN | SH-RSSFBN | |||||||||||||
| 最短L | L51 | L101 | L151 | L201 | L301 | L401 | 最短L | L51 | L101 | L151 | L201 | L301 | L401 | |
| 〜 | 〜 | 〜 | 〜 | 〜 | 〜 | 〜 | 〜 | 〜 | 〜 | 〜 | 〜 | 〜 | 〜 | |
| 50 | 100 | 150 | 200 | 300 | 400 | 498 | 50 | 100 | 150 | 200 | 300 | 400 | 498 | |
| 6 | 5,220 | 5,470 | 5,690 | 5,920 | 6,730 | 8,290 | 9,000 | 5,820 | 6,070 | 6,290 | 6,520 | 7,530 | 9,290 | 10,000 |
| 8 | 5,220 | 5,470 | 5,770 | 6,080 | 6,870 | 8,800 | 9,230 | 5,820 | 6,070 | 6,370 | 6,680 | 7,670 | 9,800 | 10,230 |
| 10 | 5,220 | 5,530 | 5,840 | 6,230 | 7,170 | 9,090 | 9,820 | 5,820 | 6,130 | 6,440 | 6,830 | 7,970 | 10,090 | 10,820 |
| 12 | 6,110 | 6,720 | 7,190 | 7,820 | 9,290 | 11,580 | 12,360 | 6,710 | 7,320 | 7,790 | 8,420 | 10,090 | 12,580 | 13,360 |
| 13 | 6,300 | 6,840 | 7,360 | 7,960 | 9,440 | 11,720 | 12,520 | 6,900 | 7,440 | 7,960 | 8,560 | 10,240 | 12,720 | 13,520 |
| 15 | 6,440 | 7,160 | 7,800 | 8,470 | 10,180 | 12,760 | 13,860 | 7,040 | 7,760 | 8,400 | 9,070 | 10,980 | 13,760 | 14,860 |
| 16 | 7,250 | 7,860 | 8,520 | 9,280 | 11,030 | 13,490 | 14,480 | 7,850 | 8,460 | 9,120 | 9,880 | 11,830 | 14,490 | 15,480 |
| 18・20 | 7,410 | 8,230 | 9,040 | 9,940 | 11,920 | 14,340 | 15,290 | 8,010 | 8,830 | 9,640 | 10,540 | 12,720 | 15,340 | 16,290 |
| 数量区分 | 標準対応 | 個別対応 | ||||
| 小口 | 大口 | 大口 | ||||
| 数 量 | 1〜4 | 5〜12 | 13〜19 | 20〜49 | 50〜100 | 101以上 |
| 値引率 | 基準単価 | 5% | 10% | 15% | 25% | 出荷日・価格 |
| 出荷日 | 通常 | +7日 | 共にお見積り | |||