メカニカル部品技術窓口
ミスミ品のみ対象



ミスミの低価格新ブランド【エコノミーシリーズ】順次商品拡大中!特集ページはこちら商品ラインナップ
詳細を確認
| 注文例 | 型番 |
| E-GFWG25-20 |
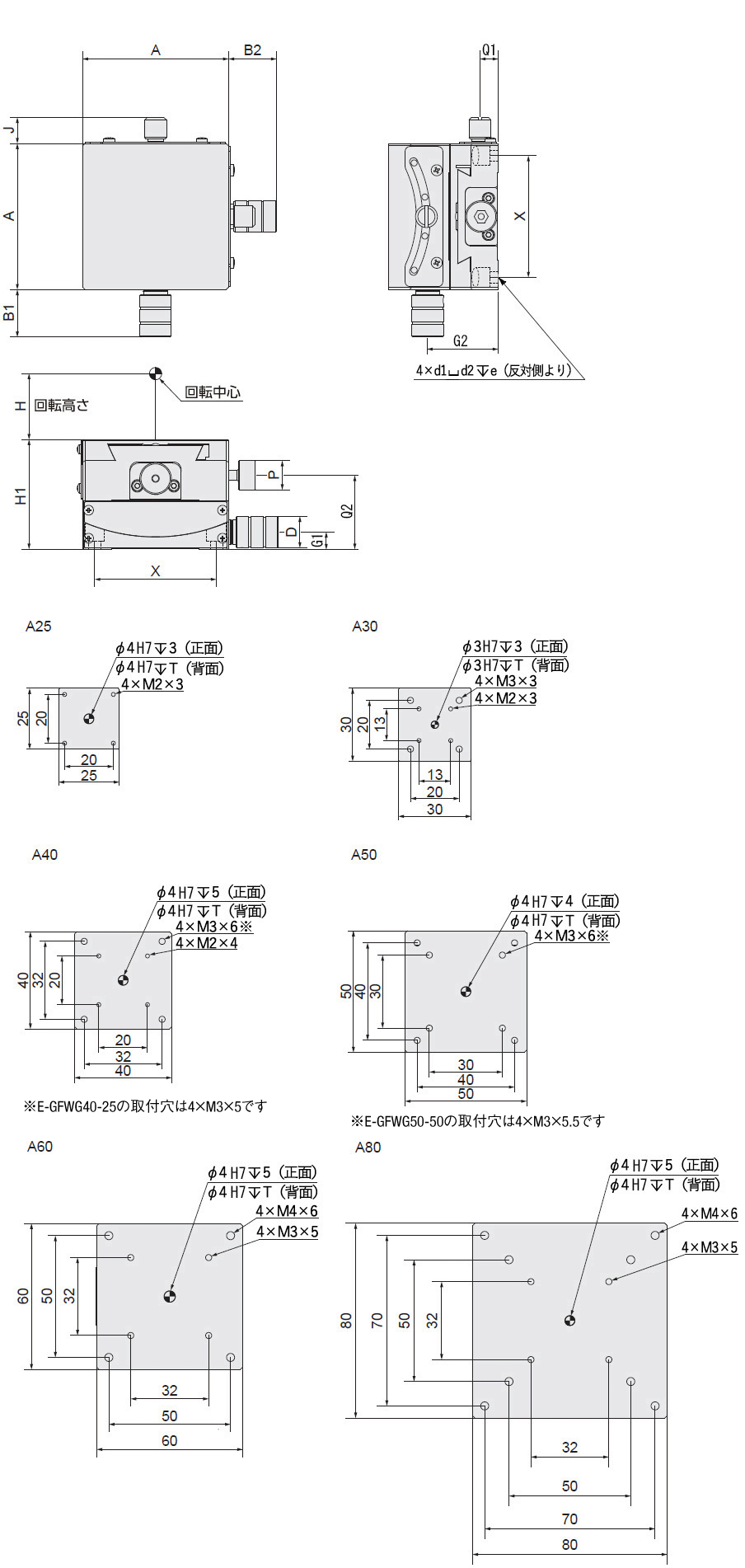
| 型番 | 上面図 | 正面図 | 側面図 | 背面穴深さT (mm) | ステージ面 (MM) | 回転中心 | 移動量 | ハンドル 1回転移動量 | 許容モーメント荷重(N·m) | 耐荷重 (N) | 自重 (kg) | ||||||||||||||
| TYPE | A-H | B1 | B2 | J | G1 | Q2 | H1 | D | P | e | d1 | d2 | X | G2 | Q1 | ピッチング | ヨーイング | ローリング | |||||||
| E-GFWG | 25-20 | 16.5 | 16.5 | 8.9 | 6 | 22.6 | 30 | 8 | 8 | 2.7 | 2.4 | 4 | 20 | 21 | 7.6 | 1 | 25×25 | 20±0.2 | (上)±15°/ | (上)≈2.0°/ | 0.3 | 0.3 | 0.3 | 19.6 | 0.14 |
| (下)±10° | (下)≈2.0° | ||||||||||||||||||||||||
| 30-30 | 16.9 | 16.9 | 9.7 | 5.3 | 19.7 | 27 | 3.1 | 13 | 18.3 | 6.6 | 1.6 | 30×30 | 30±0.2 | (上)±10°/ | (上)≈2.06°/ | 0.5 | 0.5 | 0.5 | 9.8 | 0.2 | |||||
| (下)±10° | (下)≈1.5° | ||||||||||||||||||||||||
| 40-25 | 16.5 | 18.5 | 9.5 | 8.5 | 26 | 35 | 12 | 10 | 3.6 | 3.4 | 6 | 32 | 24.7 | 10 | 3 | 40×40 | 25±0.2 | (上)±20°/ | (上)≈2.2°/ | 0.8 | 1 | 0.8 | 29.4 | 0.42 | |
| (下)±15° | (下)≈1.89° | ||||||||||||||||||||||||
| 40-40 | 18.5 | 30 | 40 | 4.4 | 28.5 | 10.1 | 3 | 40±0.2 | (上)±15°/ | (上)≈1.89°/ | 29.4 | 0.48 | |||||||||||||
| (下)±10° | (下)≈1.33° | ||||||||||||||||||||||||
| 50-50 | 9.6 | 6.5 | 26.1 | 36 | 3.4 | 40 | 24.5 | 8.1 | 1 | 50×50 | 50±0.2 | (上)±10°/ | (上)≈1.55°/ | 1 | 1.2 | 1 | 24.5 | 0.7 | |||||||
| (下)±10° | (下)≈1.2° | ||||||||||||||||||||||||
| 50-68 | 18.8 | 18.8 | 3.5 | 68±0.2 | (上)±10°/ | (上)≈1.2°/ | 24.5 | 0.7 | |||||||||||||||||
| (下)±8° | (下)≈0.97° | ||||||||||||||||||||||||
| 60-35 | 20 | 20 | 9.9 | 7 | 30.5 | 45 | 13 | 12 | 4.7 | 4.5 | 8 | 50 | 29 | 8.4 | 2 | 60×60 | 35±0.2 | (上)±25°/ | (上)≈2.0°/ | 1.5 | 2 | 1.5 | 58.8 | 1.3 | |
| (下)±20° | (下)≈1.3° | ||||||||||||||||||||||||
| 60-60 | 19.6 | 10.9 | 28.4 | 40 | 5.4 | 27 | 8.5 | 60±0.2 | (上)±20°/ | (上)≈1.3°/ | 58.8 | 1.16 | |||||||||||||
| (下)±15° | (下)≈1.0° | ||||||||||||||||||||||||
| 80-100 | 25.5 | 25.5 | 9.2 | 10.1 | 43 | 60 | 18 | 7.7 | 70 | 41 | 13 | 3 | 80×80 | 100±0.2 | (上)±18°/ | (上)≈1.3°/ | 2 | 3 | 2 | 49 | 1.28 | ||||
| (下)±15° | (下)≈1.0° | ||||||||||||||||||||||||
| 当社類似品 GFWG25-20 | エコノミーシリーズ E-GFWG25-20 | ||
| 材質 | 低カドミ真鍮 | 銅合金 | |
| 表面処理 | 黒ふっ素樹脂処理 | 黒アルマイト | |
| 移動量(㎜) | (上)±15°/(下)±10° | (上)±15°/(下)±10° | |
| ハンドル1回転 移動量(㎜) | (上)≒2.0°/(下)≒2.0° | (上)≒2.0°/(下)≒2.0° | |
| 回転中心高さ(㎜) | 20 | 20±0.2 | |
| 耐荷重(N) | 19.6 | 19.6 | |
| 許容モーメント (N/m) | ピッチング | 0.3 | 0.3 |
| ヨーイング | 0.3 | 0.3 | |
| ローリング | 0.3 | 0.3 | |
| ハンドル長さB1B2 | 19 | 16.5 | |
| 自重(㎏) | 0.14 | 0.14 | |
| RoHS10 | 対応 | 保証外 | |
| 型番 | - | (NR) |
| E-GFWG25-20 | - | NR |
| Alteration | 送り用ハンドル位置変更 |
| Spec. | サイド左右勝手違い ![]() ![]() |
| Code | NR |
| ¥/1Code | 無料 |

| 型番 |
|---|
通常単価(税別)
(税込単価) | 通常出荷日 |
高品質の代替品
|
|---|
39,690円 ( 43,659円 ) | 27日目〜 |
|
39,690円 ( 43,659円 ) | 27日目〜 |
|
40,550円 ( 44,605円 ) | 27日目〜 |
|
40,550円 ( 44,605円 ) | 27日目〜 |
|
46,020円 ( 50,622円 ) | 15日目〜 |
|
46,020円 ( 50,622円 ) | 15日目〜 |
|
47,310円 ( 52,041円 ) | 15日目〜 |
|
47,310円 ( 52,041円 ) | 15日目〜 |
|
52,920円 ( 58,212円 ) | 27日目〜 |
|
52,920円 ( 58,212円 ) | 27日目〜 |
|
52,920円 ( 58,212円 ) | 27日目〜 |
|
52,920円 ( 58,212円 ) | 27日目〜 |
|
60,400円 ( 66,440円 ) | 15日目〜 |
|
60,400円 ( 66,440円 ) | 15日目〜 |
|
60,400円 ( 66,440円 ) | 27日目〜 |
|
60,400円 ( 66,440円 ) | 27日目〜 |
|
77,180円 ( 84,898円 ) | 27日目〜 |
|
77,180円 ( 84,898円 ) | 27日目〜 |
通常価格、通常出荷日が表示と異なる場合がございます
通常価格、通常出荷日が表示と異なる場合がございます

ミスミ
【エコノミーシリーズ】 手動ゴニオ アリ溝式 一軸
5通常価格(税別):15,800円~

ミスミ
【高精度】ゴニオ 左右対称使用/省スペース用 (GFWG)
5通常価格(税別):66,150円~

ミスミ
【エコノミーシリーズ】 RoHS対応 ゴニオ アリ溝 1軸
4.3通常価格(税別):26,330円~

ミスミ
【高精度】ゴニオ アリ溝 1軸
3通常価格(税別):32,590円~

ミスミ
【エコノミーシリーズ】 手動ゴニオ アリ溝式 銅材質 二軸
0通常価格(税別):39,690円~

ミスミ
【エコノミーシリーズ】 RoHS対応 X軸 クロスローラ
4.5通常価格(税別):11,000円~

ミスミ
【エコノミーシリーズ】 RoHS対応 X軸 アリ溝 ラック&ピニオン式 長方形
4.6通常価格(税別):9,900円~

ミスミ
【エコノミーシリーズ】 RoHS対応 X軸 アリ溝 ラック&ピニオン式 ロング
4通常価格(税別):12,240円~

ミスミ
ステージメンテナンス部品 送りねじ 六角穴付(pitch0.25)
0通常価格(税別):4,240円~