メカニカル部品技術窓口
ミスミ品のみ対象





ミスミの低価格新ブランド【エコノミーシリーズ】順次商品拡大中!特集ページはこちら商品ラインナップ
詳細を確認
E-RPGS60 E-RPGS85 E-RPGS100[ ! ]本商品はRoHS保証外です。ご注意ください。
| Type | No | [ M ] 材質 | [ S ] 表面処理 | 移動量(mm) | 耐荷重(N) | 偏芯量 |
| E-RPGS | 60 | ステンレス | 無電解ニッケルメッキ | 粗動360° | 49 | 50μm以内 |
| 微動±5° | ||||||
| 85 | ステンレス | 無電解ニッケルメッキ | 粗動360° | 58.8 | 50μm以内 | |
| 微動±5° | ||||||
| E-RPGT | 100 | アルミ合金 | 黒アルマイト処理 | 粗動360° | 58.8 | 50μm以内 |
| 微動±5° |
| 型番 |
| E-RPGS60 |
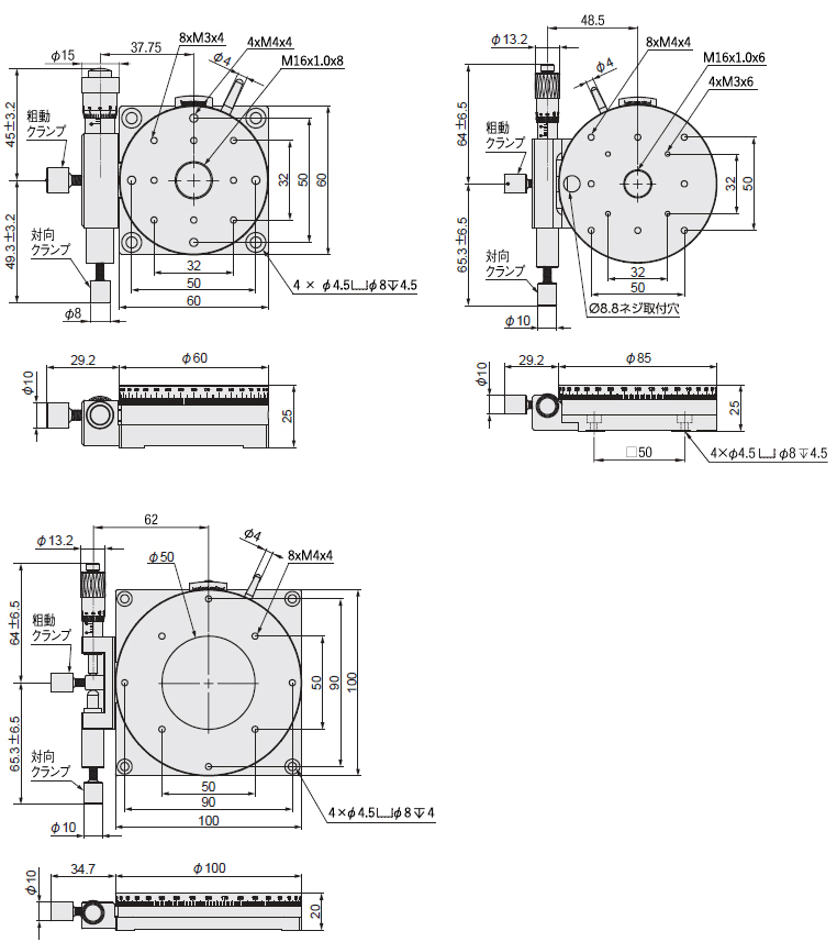
| 型番 | ステージ面 (mm) | 移動量 | 最小読取 | 耐荷重(N) (テーブル中心) | 偏芯量 (μm) | 自重 (kg) | ||
| Type | No. | バーニア | マイクロメータ | 水平 | ||||
| E-RPGS | 60 | Φ60 | 粗動360° 微動±5° | 0.2° | ≈55"/目盛 | 49 | 50 | 0.58 |
| 85 | Φ85 | 0.1° | ≈42"/目盛 | 58.8 | 0.97 | |||
| E-RPGT | 100 | Φ100 | ≈32"/目盛 | 58.8 | 0.45 | |||
| 型番 | - | (NR) |
| E-RPGS60 | - | NR |
| Alteration | マイクロメータヘッド位置変更 | |
| Spec. | サイド左右勝手違い | ![]() |
| Code | NR | |
| 当社類似品 RPGS60 | エコノミーシリーズ E-RPGS60 | |
| マイクロメーターヘッド 対向クランプ長さ | 35 | 49.3±3.2 |
| 粗動(微動)クランプ位置 | マイクロメーターヘッド逆側 | マイクロメーターヘッド側 |
| RoHS10 | 対応 | 保証外 |
![]() | ![]() | ![]() |
| 天地逆転 | 側面水平 | 側面垂直 |
モーメント荷重
マイクロメータ
| NG |
![]() |
■商品別特性表
| 型番 | 天地 逆転 | 側面 | |
| 標準 | 水平 | 垂直 | |
| E-RPGS E-RPGT | △ | △ | |
通常価格、通常出荷日が表示と異なる場合がございます
通常価格、通常出荷日が表示と異なる場合がございます

ミスミ
【エコノミーシリーズ】 手動回転ステージ すり合わせ式
0通常価格(税別):13,560円~

ミスミ
【エコノミーシリーズ】 RoHS対応 回転ステージ
4.2通常価格(税別):16,740円~

ミスミ
【高精度】回転 すりあわせ式 マイクロメータヘッド
3.8通常価格(税別):22,600円~

駿河精機
回転ステージ 角型タイプ (BRE)
0通常価格(税別):18,824円

ミスミ
【高精度】X軸リニアボール マイクロメータヘッド/送りねじ/デジタル・粗微動マイクロメータヘッド
3通常価格(税別):14,100円~

ミスミ
【高精度】XY軸 リニアボール 薄型
4通常価格(税別):35,160円~

ミスミ
【エコノミーシリーズ】 RoHS対応 X軸 アリ溝 送りねじ式
4.7通常価格(税別):7,590円~

ミスミ
【高精度】X軸 アリ溝 送りねじ式 正方形
4通常価格(税別):11,480円~

ミスミ
【エコノミーシリーズ】 RoHS対応 X軸 アリ溝 ラック&ピニオン式 ロング
4通常価格(税別):12,240円~