メカニカル部品技術窓口
ミスミ品のみ対象

「脱脂洗浄」「精密洗浄」「電解研磨+精密洗浄」3種類の洗浄方法が選択可能、いずれも標準型番で1個からご...
詳細を確認
メッキ無し品は
です。| Type | [ M ]材質 | [ H ]硬度 | [ S ]表面処理 | 洗浄方法 | |||||
| D公差f8 | D公差g6 | D公差h5 | 洗浄方法 | 洗浄環境 | 梱包形態 | 梱包環境 | |||
| SL-PSSAGD | − | − | SUS304 | − | 硬質クロムメッキ メッキ硬度HV750〜 メッキ厚10μ以上 | 脱脂洗浄 | 一般環境 | 防錆梱包 | 一般環境 |
| SH-PSSAGD | 精密洗浄 | クラス1000 | 脱気2重梱包 | クラス10 | |||||
| − | SL-SSAFD | SL-SSFDU | SUS440Cまたは 13Cr系ステンレス | 高周波焼入 有効硬化層深さ >>こちら SUJ2相当 58HRC〜 SUS440Cまたは 13Cr系ステンレス 56HRC〜 | − | 脱脂洗浄 | 一般環境 | 防錆梱包 | 一般環境 |
| SH-SSAFD | SH-SSFDU | 精密洗浄 | クラス1000 | 脱気2重梱包 | クラス10 | ||||
| − | SL-PSSAFD | SL-PSSFDU | 硬質クロムメッキ メッキ硬度HV750〜 メッキ厚5μ以上 | 脱脂洗浄 | 一般環境 | 防錆梱包 | 一般環境 | ||
| SH-PSSAFD | SH-PSSFDU | 精密洗浄 | クラス1000 | 脱気2重梱包 | クラス10 | ||||
| − | SL-RSAFD | − | SUJ2相当 | 低温黒色クロムメッキ | 脱脂洗浄 | 一般環境 | 防錆梱包 | 一般環境 | |
| SH-RSAFD | 精密洗浄 | クラス1000 | 脱気2重梱包 | クラス10 | |||||
| − | SL-RSSAFD | − | SUS440Cまたは 13Cr系ステンレス | 脱脂洗浄 | 一般環境 | 防錆梱包 | 一般環境 | ||
| SH-RSSAFD | 精密洗浄 | クラス1000 | 脱気2重梱包 | クラス10 | |||||
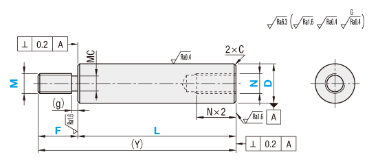
詳細図を記載しておりますので、ご確認ください。| 型式 | − | L | − | F | − | M | − | N |
| SL-PSSAGD20 | − | 277 | − | F25 | − | M10 | − | N12 |
| SH-PSSAGD20 | − | 277 | − | F25 | − | M10 | − | N12 |
| D公差 | |||
| D | f8 | g6 | h5 |
| 8 | −0.013 −0.035 | −0.005 −0.014 | 0 −0.006 |
| 10 | |||
| 12 | −0.016 −0.043 | −0.006 −0.017 | 0 −0.008 |
| 13 | |||
| 15 | |||
| 16 | |||
| 18 | |||
| 20 | −0.020 −0.053 | −0.007 −0.020 | 0 −0.009 |
| 25 | |||
| 30 | |||
| 35 | −0.025 −0.064 | −0.009 −0.025 | 0 −0.011 |
| 40 | |||
| 50 | |||
| 型式 | 指定1mm単位 | M(並目) 選択 | N(並目) 選択 | (Y) Max. | C | ||||||||||||||||||||
| Type | D | L | F | ||||||||||||||||||||||
| D公差f8 SL-PSSAGD SH-PSSAGD D公差g6 SL-SSAFD SH-SSAFD SL-PSSAFD SH-PSSAFD SL-RSAFD SH-RSAFD SL-RSSAFD SH-RSSAFD D公差h5 SL-SSFDU SH-SSFDU SL-PSSFDU SH-PSSFDU [ ! ]低温黒色クロムメッキ品 D≦30 | 8 | 25〜795 | 5≦F≦M×3 [ ! ]F−g≧Pitch×3 | 5 | 6 | 3 | 4 | 5 | 800 | 0.5 以下 | |||||||||||||||
| 10 | 25〜795 | 5 | 6 | 8 | 3 | 4 | 5 | 6 | 800 | ||||||||||||||||
| 12 | 25〜795 | 5 | 6 | 8 | 10 | (3) | 4 | 5 | 6 | 8 | 800 | ||||||||||||||
| 13 | 25〜795 | 5 | 6 | 8 | 10 | 12 | (3) | 4 | 5 | 6 | 8 | 800 | |||||||||||||
| 15 | 25〜795 | 5 | 6 | 8 | 10 | 12 | (3) | 4 | 5 | 6 | 8 | 10 | 800 | ||||||||||||
| 16 | 25〜795 | 5 | 6 | 8 | 10 | 12 | 4 | 5 | 6 | 8 | 10 | 800 | |||||||||||||
| 18 | 25〜795 | 5 | 6 | 8 | 10 | 12 | 16 | 4 | 5 | 6 | 8 | 10 | 12 | 800 | |||||||||||
| 20 | 25〜795 | 5 | 6 | 8 | 10 | 12 | 16 | 4 | 5 | 6 | 8 | 10 | 12 | 800 | 1.0 以下 | ||||||||||
| 25 | 25〜795 | 5 | 6 | 8 | 10 | 12 | 16 | 20 | 24 | 4 | 5 | 6 | 8 | 10 | 12 | 16 | 800 | ||||||||
| 30 | 25〜795 | 6 | 8 | 10 | 12 | 16 | 20 | 24 | 6 | 8 | 10 | 12 | 16 | 20 | 800 | ||||||||||
| 35 | 25〜795 | 10 | 12 | 16 | 20 | 24 | 30 | 8 | 10 | 12 | 16 | 20 | 24 | 800 | |||||||||||
| 40 | 40〜795 | 12 | 16 | 20 | 24 | 30 | 10 | 12 | 16 | 20 | 24 | 30 | 800 | ||||||||||||
| 50 | 50〜795 | 16 | 20 | 24 | 30 | 12 | 16 | 20 | 24 | 30 | 800 | ||||||||||||||
| 並目ねじ逃げ寸法 | |||
| M | Pitch | MC | (g) |
| 5 | 0.8 | 4.1 | 2 |
| 6 | 1.0 | 4.4 | |
| 8 | 1.25 | 6.0 | 3 |
| 10 | 1.5 | 7.7 | |
| 12 | 1.75 | 9.4 | 4 |
| 16 | 2.0 | 13.0 | |
| 20 | 2.5 | 16.4 | 5 |
| 24 | 3.0 | 19.6 | |
| 30 | 3.5 | 25.0 | |
■おねじ部C面取り詳細
| ねじの 呼びM | ピッチ P | 面取りC (参考値) |
| 3 | 0.50 | 0.50 |
| 4 | 0.70 | 0.75 |
| 5 | 0.80 | 0.75 |
| 6 | 1.00 | 1.00 |
| 8 | 1.25 | 1.25 |
| 10 | 1.50 | 1.50 |
| 12 | 1.75 | 1.75 |
| 16 | 2.00 | 2.00 |
| 20 | 2.50 | 2.50 |
| 24 | 3.00 | 3.00 |
| 30 | 3.50 | 3.50 |

・追加工詳細は下記タブよりご確認ください。
※複数の追加工を選択する場合、加工部の位置関係は2mm以上の間隔が必要です。
※追加工による硬度低下の可能性があります。硬度・表面処理については こちらをご参照ください。
| 追加工コード | 追加工内容 | 固定寸法 | 適用条件 | 指定例 | ¥/1Code | |||||||||||||||||||||||||||||||||||||||||||||||||||||||||||||||||||||||||||||||||||||||||||||||||||||||||||||||||||||||||||||||||||||||||||||||||||||||||||||||||||||||||||||||||||||||||||||||||||||||||||||||||||||||||||||||||||||||||||||||||||||||||||||||||||||||||||||||||||||||||||||||||||||||||
|---|---|---|---|---|---|---|---|---|---|---|---|---|---|---|---|---|---|---|---|---|---|---|---|---|---|---|---|---|---|---|---|---|---|---|---|---|---|---|---|---|---|---|---|---|---|---|---|---|---|---|---|---|---|---|---|---|---|---|---|---|---|---|---|---|---|---|---|---|---|---|---|---|---|---|---|---|---|---|---|---|---|---|---|---|---|---|---|---|---|---|---|---|---|---|---|---|---|---|---|---|---|---|---|---|---|---|---|---|---|---|---|---|---|---|---|---|---|---|---|---|---|---|---|---|---|---|---|---|---|---|---|---|---|---|---|---|---|---|---|---|---|---|---|---|---|---|---|---|---|---|---|---|---|---|---|---|---|---|---|---|---|---|---|---|---|---|---|---|---|---|---|---|---|---|---|---|---|---|---|---|---|---|---|---|---|---|---|---|---|---|---|---|---|---|---|---|---|---|---|---|---|---|---|---|---|---|---|---|---|---|---|---|---|---|---|---|---|---|---|---|---|---|---|---|---|---|---|---|---|---|---|---|---|---|---|---|---|---|---|---|---|---|---|---|---|---|---|---|---|---|---|---|---|---|---|---|---|---|---|---|---|---|---|---|---|---|---|---|---|---|---|---|---|---|---|---|---|---|---|---|---|---|---|---|---|---|---|---|---|---|---|---|---|---|---|---|---|---|---|---|---|---|
| LKC | L寸法・公差を | ・L<200→L±0.03 ・200≦L<500→L±0.05 ・L≧500→L±0.1 | [ ! ]L寸単位0.1mm指定可 | SL-PSSAGD30-250.5-F40-M20-N20-LKC | 400 | |||||||||||||||||||||||||||||||||||||||||||||||||||||||||||||||||||||||||||||||||||||||||||||||||||||||||||||||||||||||||||||||||||||||||||||||||||||||||||||||||||||||||||||||||||||||||||||||||||||||||||||||||||||||||||||||||||||||||||||||||||||||||||||||||||||||||||||||||||||||||||||||||||||||||
| WSC | スパナ溝2箇所追加 |
| [ ! ]WSC, X =指定1mm単位 [ ! ]WSC+X+ℓ1×2<L [ ! ]WSC(X)≧0 [ NG ]同一平面上での加工不可 | SL-PSSAGD30-250-F40-M20-N20-WSC12-X8 | 800 | |||||||||||||||||||||||||||||||||||||||||||||||||||||||||||||||||||||||||||||||||||||||||||||||||||||||||||||||||||||||||||||||||||||||||||||||||||||||||||||||||||||||||||||||||||||||||||||||||||||||||||||||||||||||||||||||||||||||||||||||||||||||||||||||||||||||||||||||||||||||||||||||||||||||||
| FC | 平面取り1箇所追加 |
| [ ! ]FC,E=指定1mm単位 [ ! ]D≦30:FC≦5×D、 D≧35:FC≦3×D [ ! ]E=0またはE≧2 [ NG ]WFCとの併用不可 | SL-PSSAGD30-250-F40-M20-N20-FC10-E8 | 200 | |||||||||||||||||||||||||||||||||||||||||||||||||||||||||||||||||||||||||||||||||||||||||||||||||||||||||||||||||||||||||||||||||||||||||||||||||||||||||||||||||||||||||||||||||||||||||||||||||||||||||||||||||||||||||||||||||||||||||||||||||||||||||||||||||||||||||||||||||||||||||||||||||||||||||
| WFC | 平面取り2箇所追加 |
| [ ! ]WFC,A,E=指定1mm単位 [ ! ]D≦30:WFC≦5×D、 D≧35:WFC≦3×D [ ! ]A(E)=0またはA(E)≧2 [ NG ]同一平面上での加工不可 [ NG ]FCとの併用不可 | SL-PSSAGD30-250-F40-M20-N20-WFC10-A8-E20 | 400 | |||||||||||||||||||||||||||||||||||||||||||||||||||||||||||||||||||||||||||||||||||||||||||||||||||||||||||||||||||||||||||||||||||||||||||||||||||||||||||||||||||||||||||||||||||||||||||||||||||||||||||||||||||||||||||||||||||||||||||||||||||||||||||||||||||||||||||||||||||||||||||||||||||||||||
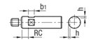
| RC | 90度平面取り1箇所追加 |
| [ ! ]D=10~30適用 [ ! ]RC=指定1mm単位 [ ! ]RC+b1≦L [ ! ]RC≧2 [ NG ]WRCとの併用不可 | SL-PSSAGD30-250-F40-M20-N20-RC10 | 500 | |||||||||||||||||||||||||||||||||||||||||||||||||||||||||||||||||||||||||||||||||||||||||||||||||||||||||||||||||||||||||||||||||||||||||||||||||||||||||||||||||||||||||||||||||||||||||||||||||||||||||||||||||||||||||||||||||||||||||||||||||||||||||||||||||||||||||||||||||||||||||||||||||||||||||
| WRC | 90度平面取り2箇所追加 |
| [ ! ]D=10~30適用 [ ! ]WRC=指定1mm単位 [ ! ]WRC+b1≦L [ ! ]WRC(Y)≧2 [ NG ]同一平面上での加工不可 [ NG ]RCとの併用不可 | SL-PSSAGD30-250-F40-M20-N20-WRC10-Y10 | 1,000 | |||||||||||||||||||||||||||||||||||||||||||||||||||||||||||||||||||||||||||||||||||||||||||||||||||||||||||||||||||||||||||||||||||||||||||||||||||||||||||||||||||||||||||||||||||||||||||||||||||||||||||||||||||||||||||||||||||||||||||||||||||||||||||||||||||||||||||||||||||||||||||||||||||||||||
| NSC | めねじを細めねじにする |
| [ ! ]D=12以上適用 [ NG ]NDとの併用不可 | SL-PSSAGD30-250-F40-M20-NSC12 | 300 | |||||||||||||||||||||||||||||||||||||||||||||||||||||||||||||||||||||||||||||||||||||||||||||||||||||||||||||||||||||||||||||||||||||||||||||||||||||||||||||||||||||||||||||||||||||||||||||||||||||||||||||||||||||||||||||||||||||||||||||||||||||||||||||||||||||||||||||||||||||||||||||||||||||||||
| ND | めねじ有効長を | ー | [ ! ]D=10~30かつ、N=6~20適用 [ ! ]片端めねじ:ND×3.5+7≦L [ NG ]NSCとの併用不可 | SL-PSSAGD30-250-F40-M20-ND8 | 200 | |||||||||||||||||||||||||||||||||||||||||||||||||||||||||||||||||||||||||||||||||||||||||||||||||||||||||||||||||||||||||||||||||||||||||||||||||||||||||||||||||||||||||||||||||||||||||||||||||||||||||||||||||||||||||||||||||||||||||||||||||||||||||||||||||||||||||||||||||||||||||||||||||||||||||
| MMC MMS | おねじ細目ねじに変更 |
細目ねじ逃げ寸法①
細目ねじ逃げ寸法②
| 【ベアリングナット 細目追加工】 ・「MMC」と指定 【シリンダ 細目追加工】 ・「MMS」を指定 | SL-PSSAGD30-250-F40-MMC20-N20 | 300 | |||||||||||||||||||||||||||||||||||||||||||||||||||||||||||||||||||||||||||||||||||||||||||||||||||||||||||||||||||||||||||||||||||||||||||||||||||||||||||||||||||||||||||||||||||||||||||||||||||||||||||||||||||||||||||||||||||||||||||||||||||||||||||||||||||||||||||||||||||||||||||||||||||||||||


■真円度 M
| D | 真円度 M | |
|---|---|---|
| を超え | 以下 | |
| 7 | 10 | 0.011 |
| 10 | 18 | 0.014 |
| 18 | 30 | 0.017 |
| 30 | 50 | 0.020 |
■真直度 K
| L | 真直度 K | |
|---|---|---|
| L≦100 | 0.025以下 | |
| L>100 | (L/100)×0.025以下 | |
■L寸法公差
| L | L寸法 公差 | |
|---|---|---|
| を超え | 以下 | |
| 24 | 30 | ±0.2 |
| 30 | 120 | ±0.3 |
| 120 | 400 | ±0.5 |
| 400 | 1000 | ±0.8 |
| 1000 | 1500 | ±1.2 |
■同軸度・直角度

■硬質クロムメッキ及び加工部のメッキ層について
例)メッキ残り部:段付き おねじシャフト 平面取り追加
///部:メッキ残部

洗浄工程| ※材質がステンレスの場合、アルカリ系温水洗浄となることがあります。 | |
| ・脱脂洗浄(型式:SL-□□) | ※表面処理が低温黒色クロムメッキの場合、IPA洗浄となります。 |
作業環境:一般環境 | ||||||
|---|---|---|---|---|---|---|
![]() 炭化水素系洗浄※ Ro水洗浄 中性洗剤洗浄 | ![]() | ![]() 高圧ジェット水洗(Ro水) 後に純水(10MΩ・cm)で 洗浄 | ![]() | ![]() エアブロー(オイルフリー) 使用 | ![]() | ![]() 防錆袋使用 |
| ・精密洗浄(型式:SH-□□) | ※表面処理が低温黒色クロムメッキの場合、IPA洗浄となります。 |
作業環境:クラス1000 | 作業環境:クラス10 | |||||||
|---|---|---|---|---|---|---|---|---|
![]() 炭化水素系洗浄※ Ro水洗浄 中性洗剤洗浄 | ![]() | ![]() 高圧ジェット水洗(Ro水) 後に純水(10MΩ・cm)で 洗浄 | ![]() | ![]() 温純水(13MΩ・cm)使用 | ![]() | ![]() 窒素ブロー使用 | ![]() | ![]() クリーンベンチ(クラス10) で実施 |
作業環境:クラス1000 | 作業環境:クラス10 | |||||||||
|---|---|---|---|---|---|---|---|---|---|---|
![]() 炭化水素系洗浄 Ro水洗浄 中性洗剤洗浄 | ![]() | ![]() 材質に応じた電解研磨槽 で電解研磨 | ![]() | ![]() 高圧ジェット水洗(Ro水) 後に純水(10MΩ・cm)で 洗浄 | ![]() | ![]() 温純水(13MΩ・cm)使用 | ![]() | ![]() 窒素ブロー使用 | ![]() | ![]() クリーンベンチ(クラス10) で実施 |
梱包例| 脱脂洗浄の場合 (TYPE型番:SL-□□) | 精密洗浄または電解研磨+精密洗浄の場合 | |
| (TYPE型番:SH-□□・SHD-□□) | ||
| オーステナイト系ステンレス・アルミ材質の場合 | 鉄・マルテンサイト系ステンレス材質の場合 | |
![]() | ![]() | ![]() |
| 一部商品・サイズによっては、 梱包形態が異なる場合がございます。 | [ ! ]1重目・2重目の梱包とも、脱気されております。 | [ ! ]防錆対策として乾燥剤を同封しております。 1梱包につき1つになります。 |
洗浄効果・利用推奨環境| 洗浄方法 | 商品型番 | 梱包形態 | 未洗浄品と比べた効果 | ご利用環境(目安) | 利用シーン・工程 |
|---|---|---|---|---|---|
| 脱脂洗浄 | SL-□□ | 防錆梱包 | 油分除去 | 一般環境 | 通常組立工程 |
| バッテリー組立後工程 | |||||
| 精密洗浄 | SH-□□ | 脱気2重梱包 | 油分除去 粉塵除去 | クリーン環境(クラス10~1,000) | バッテリー組立工程 |
| 液晶関連組立後工程 | |||||
| 車載カメラ組立工程 | |||||
| 電解研磨+精密洗浄 | SHD-□□ | 脱気2重梱包 | 油分除去 粉塵除去 アウトガス低減 | 真空環境 クリーン環境(クラス10~1,000) | 半導体前工程 |
| 液晶成膜工程 | |||||
| 有機EL前工程 |
| 型番 |
|---|
通常単価(税別)
(税込単価) | 通常出荷日 |
洗浄不要の場合の代替品
|
|---|
- ( - ) | 6日目 |
|
- ( - ) | 6日目 |
|
- ( - ) | 6日目 |
|
- ( - ) | 6日目 |
|
- ( - ) | 6日目 |
|
- ( - ) | 6日目 |
|
- ( - ) | 6日目 |
|
- ( - ) | 6日目 |
|
- ( - ) | 6日目 |
|
- ( - ) | 6日目 |
|
- ( - ) | 6日目 |
|
- ( - ) | 6日目 |
|
- ( - ) | 6日目 |
|
- ( - ) | 6日目 |
|
- ( - ) | 6日目 |
|
- ( - ) | 6日目 |
|
- ( - ) | 6日目 |
|
- ( - ) | 6日目 |
|
- ( - ) | 6日目 |
|
- ( - ) | 6日目 |
|
- ( - ) | 6日目 |
|
- ( - ) | 6日目 |
|
- ( - ) | 6日目 |
|
- ( - ) | 6日目 |
|
- ( - ) | 6日目 |
|
- ( - ) | 6日目 |
|
- ( - ) | 6日目 |
|
- ( - ) | 6日目 |
|
- ( - ) | 6日目 |
|
- ( - ) | 6日目 |
|
- ( - ) | 6日目 |
|
- ( - ) | 6日目 |
|
- ( - ) | 6日目 |
|
- ( - ) | 6日目 |
|
- ( - ) | 6日目 |
|
- ( - ) | 6日目 |
|
- ( - ) | 6日目 |
|
- ( - ) | 6日目 |
|
- ( - ) | 6日目 |
|
- ( - ) | 6日目 |
|
- ( - ) | 6日目 |
|
- ( - ) | 6日目 |
|
- ( - ) | 6日目 |
|
- ( - ) | 6日目 |
|
- ( - ) | 6日目 |
|
- ( - ) | 6日目 |
|
- ( - ) | 6日目 |
|
- ( - ) | 6日目 |
|
- ( - ) | 6日目 |
|
- ( - ) | 6日目 |
|
- ( - ) | 6日目 |
|
- ( - ) | 6日目 |
|
- ( - ) | 6日目 |
|
- ( - ) | 6日目 |
|
- ( - ) | 6日目 |
|
- ( - ) | 6日目 |
|
- ( - ) | 6日目 |
|
- ( - ) | 6日目 |
|
- ( - ) | 6日目 |
|
- ( - ) | 6日目 |
| ・脱脂洗浄(防錆1重梱包) | :型番SL-□□ |
| ・精密洗浄(脱気2重梱包) | :型番SH-□□ |
| ・電解研磨+精密洗浄(脱気2重梱包) | :型番SHD-□□ |
| 商品型番 | 洗浄方法 | 梱包形態 | 未洗浄品と比べた効果 | ご利用環境(目安) | 工程別 |
| SL-□□ | 脱脂洗浄 | 防錆梱包 | 油分除去 | 一般環境 | 通常組立工程 |
| バッテリー組立後工程 | |||||
| SH-□□ | 精密洗浄 | 脱気2重梱包 | 油分除去 粉塵除去 | クリーン環境(クラス10~1,000) | バッテリー組立工程 |
| 液晶関連組立後工程 | |||||
| 車載カメラ組立工程 | |||||
| SHD-□□ | 電解研磨+精密洗浄 | 脱気2重梱包 | 油分除去 粉塵除去 アウトガス低減 | 真空環境 クリーン環境(クラス10~1,000) | 半導体前工程 |
| 液晶成膜工程 | |||||
| 有機EL前工程 |
| D | ¥基準単価 | |||||||||
| SL-PSSAGD | SH-PSSAGD | |||||||||
| 最短L | L101 | L201 | L401 | L601 | 最短L | L101 | L201 | L401 | L601 | |
| 〜 | 〜 | 〜 | 〜 | 〜 | 〜 | 〜 | 〜 | 〜 | 〜 | |
| 100 | 200 | 400 | 600 | 795 | 100 | 200 | 400 | 600 | 795 | |
| 8 | 2,310 | 3,060 | 3,960 | 5,630 | 7,010 | 2,910 | 3,660 | 4,920 | 7,130 | 8,510 |
| 10 | 2,310 | 3,060 | 3,880 | 5,430 | 6,740 | 2,910 | 3,660 | 4,840 | 6,930 | 8,240 |
| 12・13 | 2,420 | 3,230 | 3,980 | 5,470 | 6,700 | 3,020 | 3,830 | 4,940 | 6,970 | 8,200 |
| 15・16 | 2,620 | 3,560 | 4,200 | 5,830 | 7,080 | 3,220 | 4,160 | 5,160 | 7,330 | 8,580 |
| 18・20 | 2,840 | 3,920 | 4,630 | 6,320 | 7,780 | 3,440 | 4,520 | 5,590 | 7,820 | 9,280 |
| 25 | 3,130 | 4,420 | 5,270 | 7,270 | 9,000 | 3,590 | 4,780 | 5,930 | 8,340 | 9,940 |
| 30 | 3,270 | 4,660 | 5,660 | 7,920 | 9,900 | 3,720 | 5,000 | 6,290 | 8,940 | 10,780 |
| 35 | 3,540 | 5,110 | 6,910 | 9,280 | 11,610 | 3,970 | 5,420 | 7,450 | 10,200 | 12,360 |
| 40 | 4,040 | 5,940 | 8,180 | 11,030 | 13,900 | 4,430 | 6,190 | 8,620 | 11,820 | 14,480 |
| 50 | 5,230 | 7,910 | 10,650 | 14,500 | 18,690 | 5,530 | 8,010 | 10,910 | 15,040 | 18,920 |
| D | ¥基準単価 | |||||||||||||||||||
| SL-SSAFD | SH-SSAFD | |||||||||||||||||||
| 最短L | L51 | L101 | L151 | L201 | L251 | L301 | L351 | L401 | L451 | 最短L | L51 | L101 | L151 | L201 | L251 | L301 | L351 | L401 | L451 | |
| 〜 | 〜 | 〜 | 〜 | 〜 | 〜 | 〜 | 〜 | 〜 | 〜 | 〜 | 〜 | 〜 | 〜 | 〜 | 〜 | 〜 | 〜 | 〜 | 〜 | |
| 50 | 100 | 150 | 200 | 250 | 300 | 350 | 400 | 450 | 500 | 50 | 100 | 150 | 200 | 250 | 300 | 350 | 400 | 450 | 500 | |
| 8 | 2,260 | 2,460 | 2,640 | 2,820 | 3,490 | 3,660 | 5,140 | 5,290 | 5,460 | 5,630 | 2,860 | 3,060 | 3,240 | 3,420 | 4,290 | 4,460 | 6,140 | 6,290 | 6,460 | 6,630 |
| 10 | 2,320 | 2,520 | 2,710 | 2,900 | 3,570 | 3,750 | 5,220 | 5,400 | 5,580 | 5,750 | 2,920 | 3,120 | 3,310 | 3,500 | 4,370 | 4,550 | 6,220 | 6,400 | 6,580 | 6,750 |
| 12 | 2,400 | 2,640 | 2,860 | 3,070 | 3,780 | 3,980 | 5,500 | 5,710 | 5,920 | 6,130 | 3,000 | 3,240 | 3,460 | 3,670 | 4,580 | 4,780 | 6,500 | 6,710 | 6,920 | 7,130 |
| 13 | 2,450 | 2,690 | 2,920 | 3,140 | 3,870 | 4,090 | 5,610 | 5,840 | 6,060 | 6,280 | 3,050 | 3,290 | 3,520 | 3,740 | 4,670 | 4,890 | 6,610 | 6,840 | 7,060 | 7,280 |
| 15 | 2,530 | 2,810 | 3,070 | 3,350 | 4,100 | 4,370 | 5,920 | 6,170 | 6,440 | 6,700 | 3,130 | 3,410 | 3,670 | 3,950 | 4,900 | 5,170 | 6,920 | 7,170 | 7,440 | 7,700 |
| 16 | 2,560 | 2,860 | 3,130 | 3,410 | 4,170 | 4,450 | 6,040 | 6,300 | 6,580 | 6,840 | 3,160 | 3,460 | 3,730 | 4,010 | 4,970 | 5,250 | 7,040 | 7,300 | 7,580 | 7,840 |
| 18 | 2,640 | 2,960 | 3,260 | 3,570 | 4,380 | 4,670 | 6,280 | 6,580 | 6,870 | 7,180 | 3,240 | 3,560 | 3,860 | 4,170 | 5,180 | 5,470 | 7,280 | 7,580 | 7,870 | 8,180 |
| 20 | 2,670 | 2,960 | 3,260 | 3,570 | 4,380 | 4,670 | 6,280 | 6,580 | 6,870 | 7,180 | 3,270 | 3,560 | 3,860 | 4,170 | 5,180 | 5,470 | 7,280 | 7,580 | 7,870 | 8,180 |
| 25 | 2,990 | 3,690 | 4,220 | 4,760 | 5,790 | 6,330 | 8,150 | 8,670 | 9,190 | 9,740 | 3,590 | 4,290 | 4,820 | 5,360 | 6,590 | 7,130 | 9,150 | 9,670 | 10,190 | 10,740 |
| 30 | 3,000 | 3,890 | 4,690 | 5,340 | 6,500 | 7,150 | 8,940 | 8,940 | 10,020 | 10,020 | 3,600 | 4,490 | 5,290 | 5,940 | 7,300 | 7,950 | 9,940 | 9,940 | 11,020 | 11,020 |
| 35 | 3,010 | 3,920 | 4,820 | 5,720 | 7,280 | 7,280 | 8,960 | 8,960 | 10,040 | 10,040 | 3,610 | 4,520 | 5,420 | 6,320 | 8,080 | 8,080 | 9,960 | 9,960 | 11,040 | 11,040 |
| 40 | 3,400 | 4,480 | 5,590 | 6,680 | 8,500 | 8,500 | 10,270 | 10,270 | 11,590 | 11,590 | 4,000 | 5,080 | 6,190 | 7,280 | 9,300 | 9,300 | 11,270 | 11,270 | 12,590 | 12,590 |
| 50 | 4,320 | 5,860 | 7,410 | 8,970 | 11,050 | 11,050 | 12,830 | 12,830 | 14,690 | 14,690 | 4,920 | 6,460 | 8,010 | 9,570 | 11,850 | 11,850 | 13,830 | 13,830 | 15,690 | 15,690 |
| D | ¥基準単価 | |||||||||||
| SL-SSAFD | SH-SSAFD | |||||||||||
| L501 | L551 | L601 | L651 | L701 | L751 | L501 | L551 | L601 | L651 | L701 | L751 | |
| 〜 | 〜 | 〜 | 〜 | 〜 | 〜 | 〜 | 〜 | 〜 | 〜 | 〜 | 〜 | |
| 550 | 600 | 650 | 700 | 750 | 795 | 550 | 600 | 650 | 700 | 750 | 795 | |
| 8 | 5,800 | 5,960 | 6,130 | 6,300 | 6,470 | 6,630 | 6,800 | 6,960 | 7,130 | 7,300 | 7,470 | 7,630 |
| 10 | 5,930 | 6,110 | 6,280 | 6,460 | 6,630 | 6,810 | 6,930 | 7,110 | 7,280 | 7,460 | 7,630 | 7,810 |
| 12 | 6,340 | 6,550 | 6,760 | 6,970 | 7,180 | 7,390 | 7,340 | 7,550 | 7,760 | 7,970 | 8,180 | 8,390 |
| 13 | 6,500 | 6,730 | 6,950 | 7,170 | 7,390 | 7,620 | 7,500 | 7,730 | 7,950 | 8,170 | 8,390 | 8,620 |
| 15 | 6,970 | 7,220 | 7,480 | 7,740 | 8,000 | 8,270 | 7,970 | 8,220 | 8,480 | 8,740 | 9,000 | 9,270 |
| 16 | 7,130 | 7,390 | 7,670 | 7,930 | 8,210 | 8,490 | 8,130 | 8,390 | 8,670 | 8,930 | 9,210 | 9,490 |
| 18 | 7,490 | 7,800 | 8,090 | 8,390 | 8,700 | 9,000 | 8,490 | 8,800 | 9,090 | 9,390 | 9,700 | 10,000 |
| 20 | 7,490 | 7,800 | 8,090 | 8,390 | 8,700 | 9,000 | 8,490 | 8,800 | 9,090 | 9,390 | 9,700 | 10,000 |
| 25 | 10,270 | 10,810 | 11,330 | 11,860 | 12,390 | 12,930 | 11,270 | 11,810 | 12,330 | 12,860 | 13,390 | 13,930 |
| 30 | 11,100 | 11,100 | 13,020 | 13,520 | 13,520 | 13,520 | 12,100 | 12,100 | 14,020 | 14,520 | 14,520 | 14,520 |
| 35 | 11,120 | 11,120 | 13,530 | 13,530 | 13,530 | 13,530 | 12,120 | 12,120 | 14,530 | 14,530 | 14,530 | 14,530 |
| 40 | 12,930 | 12,930 | 15,920 | 15,920 | 15,920 | 15,920 | 13,930 | 13,930 | 16,920 | 16,920 | 16,920 | 16,920 |
| 50 | 16,550 | 16,550 | 20,920 | 20,920 | 20,920 | 20,920 | 17,550 | 17,550 | 21,920 | 21,920 | 21,920 | 21,920 |
| D | ¥基準単価 | |||||||||||||||||||
| SL-SSFDU | SH-SSFDU | |||||||||||||||||||
| 最短L | L51 | L101 | L151 | L201 | L251 | L301 | L351 | L401 | L451 | 最短L | L51 | L101 | L151 | L201 | L251 | L301 | L351 | L401 | L451 | |
| 〜 | 〜 | 〜 | 〜 | 〜 | 〜 | 〜 | 〜 | 〜 | 〜 | 〜 | 〜 | 〜 | 〜 | 〜 | 〜 | 〜 | 〜 | 〜 | 〜 | |
| 50 | 100 | 150 | 200 | 250 | 300 | 350 | 400 | 450 | 500 | 50 | 100 | 150 | 200 | 250 | 300 | 350 | 400 | 450 | 500 | |
| 8 | 2,770 | 2,980 | 3,170 | 3,360 | 4,030 | 4,210 | 5,700 | 5,870 | 6,050 | 6,220 | 3,370 | 3,580 | 3,770 | 3,960 | 4,830 | 5,010 | 6,700 | 6,870 | 7,050 | 7,220 |
| 10 | 2,830 | 3,040 | 3,240 | 3,440 | 4,120 | 4,310 | 5,790 | 5,970 | 6,160 | 6,340 | 3,430 | 3,640 | 3,840 | 4,040 | 4,920 | 5,110 | 6,790 | 6,970 | 7,160 | 7,340 |
| 12 | 2,920 | 3,170 | 3,400 | 3,620 | 4,340 | 4,560 | 6,080 | 6,300 | 6,520 | 6,750 | 3,520 | 3,770 | 4,000 | 4,220 | 5,140 | 5,360 | 7,080 | 7,300 | 7,520 | 7,750 |
| 13 | 2,960 | 3,220 | 3,460 | 3,700 | 4,430 | 4,660 | 6,200 | 6,430 | 6,660 | 6,910 | 3,560 | 3,820 | 4,060 | 4,300 | 5,230 | 5,460 | 7,200 | 7,430 | 7,660 | 7,910 |
| 15 | 3,050 | 3,350 | 3,620 | 3,910 | 4,670 | 4,960 | 6,520 | 6,790 | 7,060 | 7,350 | 3,650 | 3,950 | 4,220 | 4,510 | 5,470 | 5,760 | 7,520 | 7,790 | 8,060 | 8,350 |
| 16 | 3,080 | 3,400 | 3,690 | 3,970 | 4,760 | 5,040 | 6,640 | 6,930 | 7,210 | 7,490 | 3,680 | 4,000 | 4,290 | 4,570 | 5,560 | 5,840 | 7,640 | 7,930 | 8,210 | 8,490 |
| 18 | 3,170 | 3,510 | 3,820 | 4,140 | 4,970 | 5,280 | 6,910 | 7,210 | 7,520 | 7,850 | 3,770 | 4,110 | 4,420 | 4,740 | 5,770 | 6,080 | 7,910 | 8,210 | 8,520 | 8,850 |
| 20 | 3,200 | 3,510 | 3,820 | 4,140 | 4,970 | 5,280 | 6,910 | 7,210 | 7,520 | 7,850 | 3,800 | 4,110 | 4,420 | 4,740 | 5,770 | 6,080 | 7,910 | 8,210 | 8,520 | 8,850 |
| 25 | 3,470 | 4,160 | 4,690 | 5,240 | 6,260 | 6,800 | 8,630 | 9,150 | 9,680 | 10,230 | 4,070 | 4,760 | 5,290 | 5,840 | 7,060 | 7,600 | 9,630 | 10,150 | 10,680 | 11,230 |
| 30 | 3,480 | 4,380 | 5,170 | 5,830 | 6,980 | 7,630 | 9,420 | 9,420 | 10,500 | 10,500 | 4,080 | 4,980 | 5,770 | 6,430 | 7,780 | 8,430 | 10,420 | 10,420 | 11,500 | 11,500 |
| 35 | 3,490 | 4,390 | 5,300 | 6,190 | 7,760 | 7,760 | 9,430 | 9,430 | 10,520 | 10,520 | 4,090 | 4,990 | 5,900 | 6,790 | 8,560 | 8,560 | 10,430 | 10,430 | 11,520 | 11,520 |
| 40 | 3,870 | 4,960 | 6,060 | 7,160 | 8,970 | 8,970 | 10,750 | 10,750 | 12,070 | 12,070 | 4,470 | 5,560 | 6,660 | 7,760 | 9,770 | 9,770 | 11,750 | 11,750 | 13,070 | 13,070 |
| 50 | 4,800 | 6,330 | 7,890 | 9,460 | 11,520 | 11,520 | 13,320 | 13,320 | 15,170 | 15,170 | 5,400 | 6,930 | 8,490 | 10,060 | 12,320 | 12,320 | 14,320 | 14,320 | 16,170 | 16,170 |
| D | ¥基準単価 | |||||||||||
| SL-SSFDU | SH-SSFDU | |||||||||||
| L501 | L551 | L601 | L651 | L701 | L751 | L501 | L551 | L601 | L651 | L701 | L751 | |
| 〜 | 〜 | 〜 | 〜 | 〜 | 〜 | 〜 | 〜 | 〜 | 〜 | 〜 | 〜 | |
| 550 | 600 | 650 | 700 | 750 | 795 | 550 | 600 | 650 | 700 | 750 | 795 | |
| 8 | 6,400 | 6,570 | 6,750 | 6,930 | 7,100 | 7,270 | 7,400 | 7,570 | 7,750 | 7,930 | 8,100 | 8,270 |
| 10 | 6,530 | 6,730 | 6,910 | 7,090 | 7,270 | 7,460 | 7,530 | 7,730 | 7,910 | 8,090 | 8,270 | 8,460 |
| 12 | 6,970 | 7,180 | 7,400 | 7,630 | 7,850 | 8,070 | 7,970 | 8,180 | 8,400 | 8,630 | 8,850 | 9,070 |
| 13 | 7,140 | 7,370 | 7,610 | 7,840 | 8,070 | 8,300 | 8,140 | 8,370 | 8,610 | 8,840 | 9,070 | 9,300 |
| 15 | 7,630 | 7,890 | 8,160 | 8,430 | 8,710 | 8,990 | 8,630 | 8,890 | 9,160 | 9,430 | 9,710 | 9,990 |
| 16 | 7,800 | 8,070 | 8,360 | 8,630 | 8,930 | 9,220 | 8,800 | 9,070 | 9,360 | 9,630 | 9,930 | 10,220 |
| 18 | 8,170 | 8,500 | 8,800 | 9,110 | 9,440 | 9,760 | 9,170 | 9,500 | 9,800 | 10,110 | 10,440 | 10,760 |
| 20 | 8,170 | 8,500 | 8,800 | 9,110 | 9,440 | 9,760 | 9,170 | 9,500 | 9,800 | 10,110 | 10,440 | 10,760 |
| 25 | 10,750 | 11,290 | 11,810 | 12,340 | 12,880 | 13,410 | 11,750 | 12,290 | 12,810 | 13,340 | 13,880 | 14,410 |
| 30 | 11,580 | 11,580 | 13,490 | 14,000 | 14,000 | 14,000 | 12,580 | 12,580 | 14,490 | 15,000 | 15,000 | 15,000 |
| 35 | 11,590 | 11,590 | 14,020 | 14,020 | 14,020 | 14,020 | 12,590 | 12,590 | 15,020 | 15,020 | 15,020 | 15,020 |
| 40 | 13,410 | 13,410 | 16,400 | 16,400 | 16,400 | 16,400 | 14,410 | 14,410 | 17,400 | 17,400 | 17,400 | 17,400 |
| 50 | 17,020 | 17,020 | 21,400 | 21,400 | 21,400 | 21,400 | 18,020 | 18,020 | 22,400 | 22,400 | 22,400 | 22,400 |
| D | ¥基準単価 | |||||||||||||||||||
| SL-PSSAFD | SH-PSSAFD | |||||||||||||||||||
| 最短L | L51 | L101 | L151 | L201 | L251 | L301 | L351 | L401 | L451 | 最短L | L51 | L101 | L151 | L201 | L251 | L301 | L351 | L401 | L451 | |
| 〜 | 〜 | 〜 | 〜 | 〜 | 〜 | 〜 | 〜 | 〜 | 〜 | 〜 | 〜 | 〜 | 〜 | 〜 | 〜 | 〜 | 〜 | 〜 | 〜 | |
| 50 | 100 | 150 | 200 | 250 | 300 | 350 | 400 | 450 | 500 | 50 | 100 | 150 | 200 | 250 | 300 | 350 | 400 | 450 | 500 | |
| 8 | 2,310 | 2,540 | 2,760 | 2,980 | 3,680 | 3,890 | 5,400 | 5,600 | 5,810 | 6,020 | 2,910 | 3,140 | 3,360 | 3,580 | 4,480 | 4,690 | 6,400 | 6,600 | 6,810 | 7,020 |
| 10 | 2,370 | 2,600 | 2,840 | 3,060 | 3,780 | 3,990 | 5,520 | 5,730 | 5,950 | 6,170 | 2,970 | 3,200 | 3,440 | 3,660 | 4,580 | 4,790 | 6,520 | 6,730 | 6,950 | 7,170 |
| 12 | 2,470 | 2,750 | 3,020 | 3,280 | 4,060 | 4,310 | 5,880 | 6,140 | 6,400 | 6,660 | 3,070 | 3,350 | 3,620 | 3,880 | 4,860 | 5,110 | 6,880 | 7,140 | 7,400 | 7,660 |
| 13 | 2,500 | 2,790 | 3,070 | 3,350 | 4,120 | 4,390 | 5,950 | 6,240 | 6,500 | 6,780 | 3,100 | 3,390 | 3,670 | 3,950 | 4,920 | 5,190 | 6,950 | 7,240 | 7,500 | 7,780 |
| 15 | 2,600 | 2,950 | 3,280 | 3,610 | 4,440 | 4,770 | 6,400 | 6,730 | 7,050 | 7,390 | 3,200 | 3,550 | 3,880 | 4,210 | 5,240 | 5,570 | 7,400 | 7,730 | 8,050 | 8,390 |
| 16 | 2,640 | 3,000 | 3,350 | 3,690 | 4,520 | 4,860 | 6,510 | 6,840 | 7,190 | 7,530 | 3,240 | 3,600 | 3,950 | 4,290 | 5,320 | 5,660 | 7,510 | 7,840 | 8,190 | 8,530 |
| 18 | 2,780 | 3,220 | 3,640 | 4,080 | 5,010 | 5,440 | 7,170 | 7,610 | 8,030 | 8,460 | 3,380 | 3,820 | 4,240 | 4,680 | 5,810 | 6,240 | 8,170 | 8,610 | 9,030 | 9,460 |
| 20 | 2,780 | 3,220 | 3,640 | 4,080 | 5,010 | 5,440 | 7,170 | 7,610 | 8,030 | 8,460 | 3,380 | 3,820 | 4,240 | 4,680 | 5,810 | 6,240 | 8,170 | 8,610 | 9,030 | 9,460 |
| 25 | 3,310 | 3,990 | 4,670 | 5,350 | 6,540 | 7,220 | 9,190 | 9,880 | 10,560 | 11,260 | 3,910 | 4,590 | 5,270 | 5,950 | 7,340 | 8,020 | 10,190 | 10,880 | 11,560 | 12,260 |
| 30 | 3,560 | 4,370 | 5,170 | 5,990 | 7,290 | 8,110 | 10,210 | 11,030 | 11,840 | 12,640 | 4,160 | 4,970 | 5,770 | 6,590 | 8,090 | 8,910 | 11,210 | 12,030 | 12,840 | 13,640 |
| 35 | 3,760 | 5,040 | 6,320 | 7,610 | 9,590 | 9,590 | 11,440 | 11,440 | 12,970 | 12,970 | 4,360 | 5,640 | 6,920 | 8,210 | 10,390 | 10,390 | 12,440 | 12,440 | 13,970 | 13,970 |
| 40 | 4,320 | 5,860 | 7,410 | 8,970 | 11,300 | 11,300 | 13,300 | 13,300 | 15,190 | 15,190 | 4,920 | 6,460 | 8,010 | 9,570 | 12,100 | 12,100 | 14,300 | 14,300 | 16,190 | 16,190 |
| 50 | 5,600 | 7,800 | 9,990 | 12,190 | 14,960 | 14,960 | 16,960 | 16,960 | 19,580 | 19,580 | 6,200 | 8,400 | 10,590 | 12,790 | 15,760 | 15,760 | 17,960 | 17,960 | 20,580 | 20,580 |
| D | ¥基準単価 | |||||||||||
| SL-PSSAFD | SH-PSSAFD | |||||||||||
| L501 | L551 | L601 | L651 | L701 | L751 | L501 | L551 | L601 | L651 | L701 | L751 | |
| 〜 | 〜 | 〜 | 〜 | 〜 | 〜 | 〜 | 〜 | 〜 | 〜 | 〜 | 〜 | |
| 550 | 600 | 650 | 700 | 750 | 795 | 550 | 600 | 650 | 700 | 750 | 795 | |
| 8 | 6,210 | 6,420 | 6,620 | 6,830 | 7,030 | 7,240 | 7,210 | 7,420 | 7,620 | 7,830 | 8,030 | 8,240 |
| 10 | 6,390 | 6,610 | 6,820 | 7,040 | 7,260 | 7,480 | 7,390 | 7,610 | 7,820 | 8,040 | 8,260 | 8,480 |
| 12 | 6,940 | 7,200 | 7,460 | 7,720 | 7,980 | 8,250 | 7,940 | 8,200 | 8,460 | 8,720 | 8,980 | 9,250 |
| 13 | 7,040 | 7,320 | 7,590 | 7,870 | 8,140 | 8,410 | 8,040 | 8,320 | 8,590 | 8,870 | 9,140 | 9,410 |
| 15 | 7,710 | 8,050 | 8,370 | 8,710 | 9,040 | 9,360 | 8,710 | 9,050 | 9,370 | 9,710 | 10,040 | 10,360 |
| 16 | 7,870 | 8,210 | 8,560 | 8,890 | 9,240 | 9,590 | 8,870 | 9,210 | 9,560 | 9,890 | 10,240 | 10,590 |
| 18 | 8,880 | 9,310 | 9,750 | 10,170 | 10,610 | 11,040 | 9,880 | 10,310 | 10,750 | 11,170 | 11,610 | 12,040 |
| 20 | 8,880 | 9,310 | 9,750 | 10,170 | 10,610 | 11,040 | 9,880 | 10,310 | 10,750 | 11,170 | 11,610 | 12,040 |
| 25 | 11,930 | 12,610 | 13,300 | 13,980 | 14,660 | 15,340 | 12,930 | 13,610 | 14,300 | 14,980 | 15,660 | 16,340 |
| 30 | 13,460 | 14,260 | 15,080 | 15,890 | 16,700 | 17,500 | 14,460 | 15,260 | 16,080 | 16,890 | 17,700 | 18,500 |
| 35 | 14,500 | 14,500 | 17,930 | 17,930 | 17,930 | 17,930 | 15,500 | 15,500 | 18,930 | 18,930 | 18,930 | 18,930 |
| 40 | 17,060 | 17,060 | 21,290 | 21,290 | 21,290 | 21,290 | 18,060 | 18,060 | 22,290 | 22,290 | 22,290 | 22,290 |
| 50 | 22,210 | 22,210 | 28,380 | 28,380 | 28,380 | 28,380 | 23,210 | 23,210 | 29,380 | 29,380 | 29,380 | 29,380 |
| D | ¥基準単価 | |||||||||||||||||||
| SL-PSSFDU | SH-PSSFDU | |||||||||||||||||||
| 最短L | L51 | L101 | L151 | L201 | L251 | L301 | L351 | L401 | L451 | 最短L | L51 | L101 | L151 | L201 | L251 | L301 | L351 | L401 | L451 | |
| 〜 | 〜 | 〜 | 〜 | 〜 | 〜 | 〜 | 〜 | 〜 | 〜 | 〜 | 〜 | 〜 | 〜 | 〜 | 〜 | 〜 | 〜 | 〜 | 〜 | |
| 50 | 100 | 150 | 200 | 250 | 300 | 350 | 400 | 450 | 500 | 50 | 100 | 150 | 200 | 250 | 300 | 350 | 400 | 450 | 500 | |
| 8 | 2,820 | 3,060 | 3,290 | 3,520 | 4,230 | 4,450 | 5,970 | 6,180 | 6,410 | 6,620 | 3,420 | 3,660 | 3,890 | 4,120 | 5,030 | 5,250 | 6,970 | 7,180 | 7,410 | 7,620 |
| 10 | 2,890 | 3,130 | 3,380 | 3,610 | 4,340 | 4,570 | 6,100 | 6,320 | 6,560 | 6,790 | 3,490 | 3,730 | 3,980 | 4,210 | 5,140 | 5,370 | 7,100 | 7,320 | 7,560 | 7,790 |
| 12 | 2,990 | 3,280 | 3,570 | 3,840 | 4,630 | 4,900 | 6,480 | 6,760 | 7,020 | 7,300 | 3,590 | 3,880 | 4,170 | 4,440 | 5,430 | 5,700 | 7,480 | 7,760 | 8,020 | 8,300 |
| 13 | 3,020 | 3,340 | 3,620 | 3,910 | 4,690 | 4,980 | 6,560 | 6,850 | 7,140 | 7,430 | 3,620 | 3,940 | 4,220 | 4,510 | 5,490 | 5,780 | 7,560 | 7,850 | 8,140 | 8,430 |
| 15 | 3,130 | 3,490 | 3,840 | 4,180 | 5,030 | 5,380 | 7,020 | 7,370 | 7,710 | 8,070 | 3,730 | 4,090 | 4,440 | 4,780 | 5,830 | 6,180 | 8,020 | 8,370 | 8,710 | 9,070 |
| 16 | 3,170 | 3,550 | 3,910 | 4,270 | 5,120 | 5,480 | 7,150 | 7,490 | 7,860 | 8,210 | 3,770 | 4,150 | 4,510 | 4,870 | 5,920 | 6,280 | 8,150 | 8,490 | 8,860 | 9,210 |
| 18 | 3,320 | 3,780 | 4,230 | 4,680 | 5,640 | 6,080 | 7,840 | 8,290 | 8,740 | 9,200 | 3,920 | 4,380 | 4,830 | 5,280 | 6,440 | 6,880 | 8,840 | 9,290 | 9,740 | 10,200 |
| 20 | 3,320 | 3,780 | 4,230 | 4,680 | 5,640 | 6,080 | 7,840 | 8,290 | 8,740 | 9,200 | 3,920 | 4,380 | 4,830 | 5,280 | 6,440 | 6,880 | 8,840 | 9,290 | 9,740 | 10,200 |
| 25 | 3,800 | 4,470 | 5,150 | 5,840 | 7,020 | 7,700 | 9,680 | 10,360 | 11,040 | 11,730 | 4,400 | 5,070 | 5,750 | 6,440 | 7,820 | 8,500 | 10,680 | 11,360 | 12,040 | 12,730 |
| 30 | 4,030 | 4,840 | 5,640 | 6,460 | 7,770 | 8,580 | 10,690 | 11,500 | 12,310 | 13,110 | 4,630 | 5,440 | 6,240 | 7,060 | 8,570 | 9,380 | 11,690 | 12,500 | 13,310 | 14,110 |
| 35 | 4,240 | 5,520 | 6,800 | 8,080 | 10,060 | 10,060 | 11,910 | 11,910 | 13,460 | 13,460 | 4,840 | 6,120 | 7,400 | 8,680 | 10,860 | 10,860 | 12,910 | 12,910 | 14,460 | 14,460 |
| 40 | 4,800 | 6,330 | 7,890 | 9,460 | 11,770 | 11,770 | 13,770 | 13,770 | 15,660 | 15,660 | 5,400 | 6,930 | 8,490 | 10,060 | 12,570 | 12,570 | 14,770 | 14,770 | 16,660 | 16,660 |
| 50 | 6,080 | 8,290 | 10,470 | 12,670 | 15,430 | 15,430 | 17,430 | 17,430 | 20,060 | 20,060 | 6,680 | 8,890 | 11,070 | 13,270 | 16,230 | 16,230 | 18,430 | 18,430 | 21,060 | 21,060 |
| D | ¥基準単価 | |||||||||||
| SL-PSSFDU | SH-PSSFDU | |||||||||||
| L501 | L551 | L601 | L651 | L701 | L751 | L501 | L551 | L601 | L651 | L701 | L751 | |
| 〜 | 〜 | 〜 | 〜 | 〜 | 〜 | 〜 | 〜 | 〜 | 〜 | 〜 | 〜 | |
| 550 | 600 | 650 | 700 | 750 | 795 | 550 | 600 | 650 | 700 | 750 | 795 | |
| 8 | 6,820 | 7,040 | 7,260 | 7,480 | 7,690 | 7,910 | 7,820 | 8,040 | 8,260 | 8,480 | 8,690 | 8,910 |
| 10 | 7,010 | 7,240 | 7,470 | 7,700 | 7,920 | 8,160 | 8,010 | 8,240 | 8,470 | 8,700 | 8,920 | 9,160 |
| 12 | 7,590 | 7,870 | 8,140 | 8,410 | 8,690 | 8,970 | 8,590 | 8,870 | 9,140 | 9,410 | 9,690 | 9,970 |
| 13 | 7,700 | 7,990 | 8,280 | 8,570 | 8,850 | 9,140 | 8,700 | 8,990 | 9,280 | 9,570 | 9,850 | 10,140 |
| 15 | 8,400 | 8,760 | 9,090 | 9,450 | 9,800 | 10,140 | 9,400 | 9,760 | 10,090 | 10,450 | 10,800 | 11,140 |
| 16 | 8,570 | 8,930 | 9,290 | 9,640 | 10,000 | 10,370 | 9,570 | 9,930 | 10,290 | 10,640 | 11,000 | 11,370 |
| 18 | 9,630 | 10,090 | 10,540 | 10,990 | 11,440 | 11,900 | 10,630 | 11,090 | 11,540 | 11,990 | 12,440 | 12,900 |
| 20 | 9,630 | 10,090 | 10,540 | 10,990 | 11,440 | 11,900 | 10,630 | 11,090 | 11,540 | 11,990 | 12,440 | 12,900 |
| 25 | 12,400 | 13,080 | 13,770 | 14,460 | 15,130 | 15,810 | 13,400 | 14,080 | 14,770 | 15,460 | 16,130 | 16,810 |
| 30 | 13,930 | 14,730 | 15,550 | 16,380 | 17,170 | 17,980 | 14,930 | 15,730 | 16,550 | 17,380 | 18,170 | 18,980 |
| 35 | 14,970 | 14,970 | 18,420 | 18,420 | 18,420 | 18,420 | 15,970 | 15,970 | 19,420 | 19,420 | 19,420 | 19,420 |
| 40 | 17,540 | 17,540 | 21,780 | 21,780 | 21,780 | 21,780 | 18,540 | 18,540 | 22,780 | 22,780 | 22,780 | 22,780 |
| 50 | 22,680 | 22,680 | 28,860 | 28,860 | 28,860 | 28,860 | 23,680 | 23,680 | 29,860 | 29,860 | 29,860 | 29,860 |
| D | ¥基準単価 | |||||||||||||||||
| SL-RSAFD | SH-RSAFD | |||||||||||||||||
| 最短L | L51 | L101 | L151 | L201 | L301 | L401 | L501 | L601 | 最短L | L51 | L101 | L151 | L201 | L301 | L401 | L501 | L601 | |
| 〜 | 〜 | 〜 | 〜 | 〜 | 〜 | 〜 | 〜 | 〜 | 〜 | 〜 | 〜 | 〜 | 〜 | 〜 | 〜 | 〜 | 〜 | |
| 50 | 100 | 150 | 200 | 300 | 400 | 500 | 600 | 795 | 50 | 100 | 150 | 200 | 300 | 400 | 500 | 600 | 795 | |
| 8 | 2,590 | 2,850 | 3,200 | 3,530 | 4,300 | 5,760 | 6,290 | 6,620 | 6,920 | 3,190 | 3,450 | 3,800 | 4,130 | 5,100 | 6,760 | 7,290 | 7,620 | 7,920 |
| 10 | 2,590 | 2,930 | 3,260 | 3,660 | 4,570 | 6,040 | 6,340 | 6,770 | 7,110 | 3,190 | 3,530 | 3,860 | 4,260 | 5,370 | 7,040 | 7,340 | 7,770 | 8,110 |
| 12 | 2,680 | 3,070 | 3,480 | 3,880 | 4,800 | 6,400 | 6,840 | 6,990 | 7,930 | 3,280 | 3,670 | 4,080 | 4,480 | 5,600 | 7,400 | 7,840 | 7,990 | 8,930 |
| 13 | 2,680 | 3,080 | 3,480 | 3,940 | 4,950 | 6,550 | 6,990 | 7,290 | 8,210 | 3,280 | 3,680 | 4,080 | 4,540 | 5,750 | 7,550 | 7,990 | 8,290 | 9,210 |
| 15 | 3,030 | 3,580 | 4,150 | 4,800 | 5,880 | 7,570 | 8,180 | 8,360 | 9,090 | 3,630 | 4,180 | 4,750 | 5,400 | 6,680 | 8,570 | 9,180 | 9,360 | 10,090 |
| 16 | 3,030 | 3,640 | 4,230 | 4,930 | 6,140 | 7,810 | 8,420 | 8,790 | 9,440 | 3,630 | 4,240 | 4,830 | 5,530 | 6,940 | 8,810 | 9,420 | 9,790 | 10,440 |
| 18 | 3,120 | 3,750 | 4,420 | 5,190 | 6,460 | 8,290 | 8,820 | 9,230 | 10,520 | 3,720 | 4,350 | 5,020 | 5,790 | 7,260 | 9,290 | 9,820 | 10,230 | 11,520 |
| 20 | 3,180 | 3,940 | 4,660 | 5,500 | 6,890 | 8,560 | 9,170 | 9,910 | 11,270 | 3,780 | 4,540 | 5,260 | 6,100 | 7,690 | 9,560 | 10,170 | 10,910 | 12,270 |
| 25 | 3,800 | 4,800 | 5,830 | 6,830 | 8,410 | 10,390 | 11,280 | 12,490 | 14,530 | 4,400 | 5,400 | 6,430 | 7,430 | 9,210 | 11,390 | 12,280 | 13,490 | 15,530 |
| 30 | 4,150 | 5,410 | 6,420 | 7,670 | 9,330 | 11,580 | 13,050 | 15,230 | 17,980 | 4,750 | 6,010 | 7,020 | 8,270 | 10,130 | 12,580 | 14,050 | 16,230 | 18,980 |
| D | ¥基準単価 | |||||||||||||||||
| SL-RSSAFD | SH-RSSAFD | |||||||||||||||||
| 最短L | L51 | L101 | L151 | L201 | L301 | L401 | L501 | L601 | 最短L | L51 | L101 | L151 | L201 | L301 | L401 | L501 | L601 | |
| 〜 | 〜 | 〜 | 〜 | 〜 | 〜 | 〜 | 〜 | 〜 | 〜 | 〜 | 〜 | 〜 | 〜 | 〜 | 〜 | 〜 | 〜 | |
| 50 | 100 | 150 | 200 | 300 | 400 | 500 | 600 | 795 | 50 | 100 | 150 | 200 | 300 | 400 | 500 | 600 | 795 | |
| 8 | 2,710 | 3,070 | 3,520 | 3,940 | 4,800 | 6,460 | 7,160 | 7,670 | 8,150 | 3,310 | 3,670 | 4,120 | 4,540 | 5,600 | 7,460 | 8,160 | 8,670 | 9,150 |
| 10 | 2,760 | 3,170 | 3,610 | 4,110 | 5,110 | 6,770 | 7,280 | 7,910 | 8,460 | 3,360 | 3,770 | 4,210 | 4,710 | 5,910 | 7,770 | 8,280 | 8,910 | 9,460 |
| 12 | 2,920 | 3,390 | 3,930 | 4,460 | 5,510 | 7,370 | 8,080 | 8,510 | 9,710 | 3,520 | 3,990 | 4,530 | 5,060 | 6,310 | 8,370 | 9,080 | 9,510 | 10,710 |
| 13 | 2,940 | 3,410 | 3,950 | 4,500 | 5,630 | 7,480 | 8,190 | 8,760 | 9,950 | 3,540 | 4,010 | 4,550 | 5,100 | 6,430 | 8,480 | 9,190 | 9,760 | 10,950 |
| 15 | 3,380 | 3,910 | 4,640 | 5,440 | 6,670 | 8,670 | 9,610 | 10,100 | 11,150 | 3,980 | 4,510 | 5,240 | 6,040 | 7,470 | 9,670 | 10,610 | 11,100 | 12,150 |
| 16 | 3,400 | 4,040 | 4,770 | 5,650 | 7,020 | 9,040 | 10,020 | 10,740 | 11,730 | 4,000 | 4,640 | 5,370 | 6,250 | 7,820 | 10,040 | 11,020 | 11,740 | 12,730 |
| 18 | 3,560 | 4,150 | 4,990 | 5,930 | 7,410 | 9,600 | 10,500 | 11,270 | 12,940 | 4,160 | 4,750 | 5,590 | 6,530 | 8,210 | 10,600 | 11,500 | 12,270 | 13,940 |
| 20 | 3,620 | 4,300 | 5,190 | 6,220 | 7,800 | 9,840 | 10,830 | 11,950 | 13,690 | 4,220 | 4,900 | 5,790 | 6,820 | 8,600 | 10,840 | 11,830 | 12,950 | 14,690 |
| 25 | 4,440 | 5,580 | 6,870 | 8,240 | 10,170 | 12,850 | 14,420 | 16,330 | 19,100 | 5,040 | 6,180 | 7,470 | 8,840 | 10,970 | 13,850 | 15,420 | 17,330 | 20,100 |
| 30 | 4,820 | 6,390 | 7,710 | 9,380 | 11,470 | 14,410 | 16,520 | 19,320 | 23,540 | 5,420 | 6,990 | 8,310 | 9,980 | 12,270 | 15,410 | 17,520 | 20,320 | 24,540 |
| 数量区分 | 標準対応 | 個別対応 | ||||
| 小口 | 大口 | 大口 | ||||
| 数 量 | 1〜4 | 5〜12 | 13〜19 | 20〜49 | 50〜100 | 101~ |
| 値引率 | 基準単価 | 5% | 10% | 15% | 25% | お見積り |
| 出荷日 | 通常 | +7日 | ||||
通常価格、通常出荷日が表示と異なる場合がございます
通常価格、通常出荷日が表示と異なる場合がございます

ミスミ
シャフト ストレートタイプ
4.7通常価格(税別):200円~

ミスミ
シャフト 両端めねじタイプ
4.7
ミスミ
シャフト 片端めねじタイプ
4.6
ミスミ
シャフト 両端めねじキリ穴付タイプ・スパナ溝付タイプ
4.4
ミスミ
シャフト 片端めねじキリ穴付・スパナ溝付タイプ
4.6
ミスミ
シャフト 片端おねじタイプ
4.6
ミスミ
シャフト 片端おねじ逃げ溝 キリ穴付きタイプ・スパナ溝付きタイプ
4.5
ミスミ
シャフト 片端おねじ・片端めねじ 逃げ溝スパナ溝付き/キリ穴付き
4.6
ミスミ
シャフト 片端おねじ・片端めねじタイプ
4.5