メカニカル部品技術窓口
ミスミ品のみ対象

「脱脂洗浄」「精密洗浄」「電解研磨+精密洗浄」3種類の洗浄方法が選択可能、いずれも標準型番で1個からご...
詳細を確認
メッキ無し品は
です。| Type | [ M ]材質 | [ H ]硬度 | [ S ]表面処理 | 洗浄方法 | |||||
| D公差f8 | D公差g6 | D公差h5 | 洗浄方法 | 洗浄環境 | 梱包形態 | 梱包環境 | |||
| SL-PSSFGY | − | − | SUS304 | − | 硬質クロムメッキ メッキ硬度HV750〜 メッキ厚10μ以上〜 | 脱脂洗浄 | 一般環境 | 防錆梱包 | 一般環境 |
| SH-PSSFGY | 精密洗浄 | クラス1000 | 脱気2重梱包 | クラス10 | |||||
| − | SL-SSFAY | SL-SSFUY | SUS440Cまたは 13Cr系ステンレス | 高周波焼入 有効硬化層深さ>>こちら SUJ2相当 58HRC〜 SUS440Cまたは 13Cr系ステンレス 56HRC〜 | − | 脱脂洗浄 | 一般環境 | 防錆梱包 | 一般環境 |
| SH-SSFAY | SH-SSFUY | 精密洗浄 | クラス1000 | 脱気2重梱包 | クラス10 | ||||
| − | SL-PSSFAY | SL-PSSFUY | 硬質クロムメッキ メッキ硬度HV750〜 メッキ厚5μ以上〜 | 脱脂洗浄 | 一般環境 | 防錆梱包 | 一般環境 | ||
| SH-PSSFAY | SH-PSSFUY | 精密洗浄 | クラス1000 | 脱気2重梱包 | クラス10 | ||||
| − | SL-RSFAY | − | SUJ2相当 | 低温黒色クロムメッキ | 脱脂洗浄 | 一般環境 | 防錆梱包 | 一般環境 | |
| SH-RSFAY | 精密洗浄 | クラス1000 | 脱気2重梱包 | クラス10 | |||||
| − | SL-RSSFAY | − | SUS440Cまたは 13Cr系ステンレス | 脱脂洗浄 | 一般環境 | 防錆梱包 | 一般環境 | ||
| SH-RSSFAY | 精密洗浄 | クラス1000 | 脱気2重梱包 | クラス10 | |||||
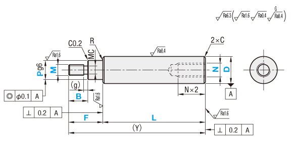
詳細図を記載しておりますので、ご確認ください。| 型式 | − | L | − | F | − | B | − | P | − | M | − | N |
| SL-PSSFGY20 | − | 277 | − | F25 | − | B12 | − | P10 | − | M8 | − | N12 |
| D公差 | |||
| D | f8 | g6 | h5 |
| 8 | −0.013 −0.035 | −0.005 −0.014 | 0 −0.006 |
| 10 | |||
| 12 | −0.016 −0.043 | −0.006 −0.017 | 0 −0.008 |
| 13 | |||
| 15 | |||
| 16 | |||
| 18 | |||
| 20 | −0.020 −0.053 | −0.007 −0.020 | 0 −0.009 |
| 25 | |||
| 30 | |||
| 35 | −0.025 −0.064 | −0.009 −0.025 | 0 −0.011 |
| 40 | |||
| 50 | |||
| 型式 | 指定1mm単位 | M(並目) 選択 | N(並目) 選択 | (Y) Max. | R | C | ||||||||||||||||||||||
| Type | D | L | F | B | P | |||||||||||||||||||||||
| D公差f8 SL-PSSFGY SH-PSSFGY D公差g6 SL-SSFAY SH-SSFAY SL-PSSFAY SH-PSSFAY SL-RSFAY SH-RSFAY SL-RSSFAY SH-RSSFAY D公差h5 SL-SSFUY SH-SSFUY SL-PSSFUY SH-PSSFUY [ ! ]低温黒色クロムメッキ品 D≦30 | 8 | 25〜790 | 10≦F≦P×5 | Pitch×3+(g)≦B≦M×3 | M<P<D | 5 | 6 | 3 | 4 | 5 | 800 | 0.3 以下 | 0.5 以下 | |||||||||||||||
| 10 | 25〜790 | 5 | 6 | 8 | 3 | 4 | 5 | 6 | 800 | |||||||||||||||||||
| 12 | 25〜790 | 5 | 6 | 8 | 10 | (3) | 4 | 5 | 6 | 8 | 800 | |||||||||||||||||
| 13 | 25〜790 | 5 | 6 | 8 | 10 | (3) | 4 | 5 | 6 | 8 | 800 | |||||||||||||||||
| 15 | 25〜790 | 5 | 6 | 8 | 10 | 12 | (3) | 4 | 5 | 6 | 8 | 10 | 800 | |||||||||||||||
| 16 | 25〜790 | 5 | 6 | 8 | 10 | 12 | 4 | 5 | 6 | 8 | 10 | 800 | ||||||||||||||||
| 18 | 25〜790 | 5 | 6 | 8 | 10 | 12 | 16 | 4 | 5 | 6 | 8 | 10 | 12 | 800 | ||||||||||||||
| 20 | 25〜790 | 5 | 6 | 8 | 10 | 12 | 16 | 4 | 5 | 6 | 8 | 10 | 12 | 800 | 1.0 以下 | |||||||||||||
| 25 | 25〜790 | 5 | 6 | 8 | 10 | 12 | 16 | 20 | 4 | 5 | 6 | 8 | 10 | 12 | 16 | 800 | ||||||||||||
| 30 | 25〜790 | 6 | 8 | 10 | 12 | 16 | 20 | 24 | 6 | 8 | 10 | 12 | 16 | 20 | 800 | |||||||||||||
| 35 | 25〜780 | 20≦F≦P×5 | 10 | 12 | 16 | 20 | 24 | 30 | 8 | 10 | 12 | 16 | 20 | 24 | 800 | 0.5 以下 | ||||||||||||
| 40 | 25〜780 | 12 | 16 | 20 | 24 | 30 | 10 | 12 | 16 | 20 | 24 | 30 | 800 | |||||||||||||||
| 50 | 25〜780 | 16 | 20 | 24 | 30 | 12 | 16 | 20 | 24 | 30 | 800 | |||||||||||||||||
| 並目ねじ逃げ寸法 | |||
| M | Pitch | MC | (g) |
| 5 | 0.8 | 4.1 | 2 |
| 6 | 1.0 | 4.4 | |
| 8 | 1.25 | 6.0 | 3 |
| 10 | 1.5 | 7.7 | |
| 12 | 1.75 | 9.4 | 4 |
| 16 | 2.0 | 13.0 | |
| 20 | 2.5 | 16.4 | 5 |
| 24 | 3.0 | 19.6 | |
| 30 | 3.5 | 25.0 | |
| 細目ねじ逃げ寸法① | |||
| MMC | Pitch | MC | (g) |
| 6 | 0.75 | 4.8 | 2 |
| 8 | 1.0 | 6.4 | |
| 10 | 8.4 | ||
| 12 | 10.4 | ||
| 15 | 13.4 | ||
| 17 | 15.4 | ||
| 20 | 18.4 | ||
| 25 | 1.5 | 22.7 | 3 |
| 30 | 27.7 | ||
| 細目ねじ逃げ寸法② | |||
| MMS | Pitch | MC | (g) |
| 10 | 1.25 | 8 | 3 |
| 12 | 1.5 | 9.7 | |
| 14 | 11.7 | ||
| 18 | 15.7 | ||
■おねじ部C面取り詳細
| ねじの 呼びM | ピッチ P | 面取りC (参考値) |
| 3 | 0.50 | 0.50 |
| 4 | 0.70 | 0.75 |
| 5 | 0.80 | 0.75 |
| 6 | 1.00 | 1.00 |
| 8 | 1.25 | 1.25 |
| 10 | 1.50 | 1.50 |
| 12 | 1.75 | 1.75 |
| 16 | 2.00 | 2.00 |
| 20 | 2.50 | 2.50 |
| 24 | 3.00 | 3.00 |
| 30 | 3.50 | 3.50 |

| 追加工コード | 追加工内容 | 固定寸法 | 適用条件 | 指定例 | ¥/1Code | |||||||||||||||||||||||||||||||||||||||||||||||||||||||||||||||||||||||||||||||||||||||||||||||||||||||||||||||||||||||||||||||||||||||||||||||||||||||||||||||||||||||||||||||||||||||||||||||||||||||||||||||||||||||||||||||||||||||||||||||||||||||||||||||
|---|---|---|---|---|---|---|---|---|---|---|---|---|---|---|---|---|---|---|---|---|---|---|---|---|---|---|---|---|---|---|---|---|---|---|---|---|---|---|---|---|---|---|---|---|---|---|---|---|---|---|---|---|---|---|---|---|---|---|---|---|---|---|---|---|---|---|---|---|---|---|---|---|---|---|---|---|---|---|---|---|---|---|---|---|---|---|---|---|---|---|---|---|---|---|---|---|---|---|---|---|---|---|---|---|---|---|---|---|---|---|---|---|---|---|---|---|---|---|---|---|---|---|---|---|---|---|---|---|---|---|---|---|---|---|---|---|---|---|---|---|---|---|---|---|---|---|---|---|---|---|---|---|---|---|---|---|---|---|---|---|---|---|---|---|---|---|---|---|---|---|---|---|---|---|---|---|---|---|---|---|---|---|---|---|---|---|---|---|---|---|---|---|---|---|---|---|---|---|---|---|---|---|---|---|---|---|---|---|---|---|---|---|---|---|---|---|---|---|---|---|---|---|---|---|---|---|---|---|---|---|---|---|---|---|---|---|---|---|---|---|---|---|---|---|---|---|---|---|---|---|---|---|---|---|---|---|---|---|---|---|
| LKC | L寸法・公差を 精密に変更
| ・L<200→L±0.03 ・200≦L<500→L±0.05 ・L≧500→L±0.1 | [ ! ]L寸単位0.1mm指定可 | SL-PSSFGY30-250.5-F40-B20-P10-M8-N10-LKC | 400 | |||||||||||||||||||||||||||||||||||||||||||||||||||||||||||||||||||||||||||||||||||||||||||||||||||||||||||||||||||||||||||||||||||||||||||||||||||||||||||||||||||||||||||||||||||||||||||||||||||||||||||||||||||||||||||||||||||||||||||||||||||||||||||||||
| SC | スパナ溝1箇所追加
|
| [ ! ]SC=指定1mm単位 [ ! ]SC+ℓ1≦L [ ! ]SC≧0 [ NG ]WSCとの併用不可 | SL-PSSFGY30-200-F40-B20-P10-M8-N10-SC5 | 400 | |||||||||||||||||||||||||||||||||||||||||||||||||||||||||||||||||||||||||||||||||||||||||||||||||||||||||||||||||||||||||||||||||||||||||||||||||||||||||||||||||||||||||||||||||||||||||||||||||||||||||||||||||||||||||||||||||||||||||||||||||||||||||||||||
| WSC | スパナ溝2箇所追加
| [ ! ]WSC, X =指定1mm単位 [ ! ]WSC+X+ℓ1×2<L [ ! ]WSC(X)≧0 [ NG ]同一平面上での加工不可 [ NG ]SCとの併用不可 | SL-PSSFGY30-200-F40-B20-P10-M8-N10-WSC12-X8 | 800 | ||||||||||||||||||||||||||||||||||||||||||||||||||||||||||||||||||||||||||||||||||||||||||||||||||||||||||||||||||||||||||||||||||||||||||||||||||||||||||||||||||||||||||||||||||||||||||||||||||||||||||||||||||||||||||||||||||||||||||||||||||||||||||||||||
| FC | 平面取り1箇所追加
|
| [ ! ]FC,E=指定1mm単位 [ ! ]D≦30:FC≦5×D、 D≧35:FC≦3×D [ ! ]E=0またはE≧2 [ NG ]WFCとの併用不可 | SL-PSSFGY30-200-F40-B20-P10-M8-N10-FC10-E8 | 200 | |||||||||||||||||||||||||||||||||||||||||||||||||||||||||||||||||||||||||||||||||||||||||||||||||||||||||||||||||||||||||||||||||||||||||||||||||||||||||||||||||||||||||||||||||||||||||||||||||||||||||||||||||||||||||||||||||||||||||||||||||||||||||||||||
| WFC | 平面取り2箇所追加
|
| [ ! ]WFC,A,E=指定1mm単位 [ ! ]D≦30:WFC≦5×D、 D≧35:WFC≦3×D [ ! ]A(E)=0またはA(E)≧2 [ NG ]同一平面上での加工不可 [ NG ]FCとの併用不可 | SL-PSSFGY30-200-F40-B20-P10-M8-N10-WFC10-A8-E20 | 400 | |||||||||||||||||||||||||||||||||||||||||||||||||||||||||||||||||||||||||||||||||||||||||||||||||||||||||||||||||||||||||||||||||||||||||||||||||||||||||||||||||||||||||||||||||||||||||||||||||||||||||||||||||||||||||||||||||||||||||||||||||||||||||||||||
| RC | 90度平面取り 1箇所追加
|
| [ ! ]D=10~30適用 [ ! ]RC=指定1mm単位 [ ! ]RC+b1≦L [ ! ]RC≧2 [ NG ]WRCとの併用不可 | SL-PSSFGY30-200-F40-B20-P10-M8-N10-RC10 | 500 | |||||||||||||||||||||||||||||||||||||||||||||||||||||||||||||||||||||||||||||||||||||||||||||||||||||||||||||||||||||||||||||||||||||||||||||||||||||||||||||||||||||||||||||||||||||||||||||||||||||||||||||||||||||||||||||||||||||||||||||||||||||||||||||||
| WRC | 90度平面取り 2箇所追加
|
| [ ! ]D=10~30適用 [ ! ]WRC=指定1mm単位 [ ! ]WRC+b1≦L [ ! ]WRC(Y)≧2 [ NG ]同一平面上での加工不可 [ NG ]RCとの併用不可 | SL-PSSFGY30-200-F40-B20-P10-M8-N10-WRC10-Y10 | 1,000 | |||||||||||||||||||||||||||||||||||||||||||||||||||||||||||||||||||||||||||||||||||||||||||||||||||||||||||||||||||||||||||||||||||||||||||||||||||||||||||||||||||||||||||||||||||||||||||||||||||||||||||||||||||||||||||||||||||||||||||||||||||||||||||||||
| MMC MMS | おねじ細目ねじに変更 |
| 【ベアリングナット 細目追加工】 ・「MMC」と指定 【シリンダ 細目追加工】 ・「MMS」と指定 | SL-PSSFGY30-200-F40-B20-P10-MMC8-N10 | 300 | |||||||||||||||||||||||||||||||||||||||||||||||||||||||||||||||||||||||||||||||||||||||||||||||||||||||||||||||||||||||||||||||||||||||||||||||||||||||||||||||||||||||||||||||||||||||||||||||||||||||||||||||||||||||||||||||||||||||||||||||||||||||||||||||
| NSC | めねじを細目ねじに変更 |
| [ ! ]D=12以上適用 [ NG ]NDとの併用不可 | SL-PSSFGY30-200-F40-B20-P10-M8-NSC14 | 300 | |||||||||||||||||||||||||||||||||||||||||||||||||||||||||||||||||||||||||||||||||||||||||||||||||||||||||||||||||||||||||||||||||||||||||||||||||||||||||||||||||||||||||||||||||||||||||||||||||||||||||||||||||||||||||||||||||||||||||||||||||||||||||||||||
| ND | めねじ有効長を | ー | [ ! ]D=10~30かつ、N=6~20適用 [ ! ]片端めねじ:ND×3.5+7≦L [ NG ]NSCとの併用不可 | SL-PSSFGY30-200-F40-B20-P10-M8-ND6 | 200 | |||||||||||||||||||||||||||||||||||||||||||||||||||||||||||||||||||||||||||||||||||||||||||||||||||||||||||||||||||||||||||||||||||||||||||||||||||||||||||||||||||||||||||||||||||||||||||||||||||||||||||||||||||||||||||||||||||||||||||||||||||||||||||||||
・上記以外の追加工をご希望の場合は、 「カタログ規格外サービス」にてお見積りください。


■真円度 M
| D | 真円度 M | |
|---|---|---|
| を超え | 以下 | |
| 7 | 10 | 0.011 |
| 10 | 18 | 0.014 |
| 18 | 30 | 0.017 |
| 30 | 50 | 0.020 |
■真直度 K
| L | 真直度 K | |
|---|---|---|
| L≦100 | 0.025以下 | |
| L>100 | (L/100)×0.025以下 | |
■L寸法公差
| L | L寸法 公差 | |
|---|---|---|
| を超え | 以下 | |
| 24 | 30 | ±0.2 |
| 30 | 120 | ±0.3 |
| 120 | 400 | ±0.5 |
| 400 | 1000 | ±0.8 |
| 1000 | 1500 | ±1.2 |
■同軸度・直角度

洗浄工程| ※材質がステンレスの場合、アルカリ系温水洗浄となることがあります。 | |
| ・脱脂洗浄(型式:SL-□□) | ※表面処理が低温黒色クロムメッキの場合、IPA洗浄となります。 |
作業環境:一般環境 | ||||||
|---|---|---|---|---|---|---|
![]() 炭化水素系洗浄※ Ro水洗浄 中性洗剤洗浄 | ![]() | ![]() 高圧ジェット水洗(Ro水) 後に純水(10MΩ・cm)で 洗浄 | ![]() | ![]() エアブロー(オイルフリー) 使用 | ![]() | ![]() 防錆袋使用 |
| ・精密洗浄(型式:SH-□□) | ※表面処理が低温黒色クロムメッキの場合、IPA洗浄となります。 |
作業環境:クラス1000 | 作業環境:クラス10 | |||||||
|---|---|---|---|---|---|---|---|---|
![]() 炭化水素系洗浄※ Ro水洗浄 中性洗剤洗浄 | ![]() | ![]() 高圧ジェット水洗(Ro水) 後に純水(10MΩ・cm)で 洗浄 | ![]() | ![]() 温純水(13MΩ・cm)使用 | ![]() | ![]() 窒素ブロー使用 | ![]() | ![]() クリーンベンチ(クラス10) で実施 |
作業環境:クラス1000 | 作業環境:クラス10 | |||||||||
|---|---|---|---|---|---|---|---|---|---|---|
![]() 炭化水素系洗浄 Ro水洗浄 中性洗剤洗浄 | ![]() | ![]() 材質に応じた電解研磨槽 で電解研磨 | ![]() | ![]() 高圧ジェット水洗(Ro水) 後に純水(10MΩ・cm)で 洗浄 | ![]() | ![]() 温純水(13MΩ・cm)使用 | ![]() | ![]() 窒素ブロー使用 | ![]() | ![]() クリーンベンチ(クラス10) で実施 |
梱包例| 脱脂洗浄の場合 (TYPE型番:SL-□□) | 精密洗浄または電解研磨+精密洗浄の場合 | |
| (TYPE型番:SH-□□・SHD-□□) | ||
| オーステナイト系ステンレス・アルミ材質の場合 | 鉄・マルテンサイト系ステンレス材質の場合 | |
![]() | ![]() | ![]() |
| 一部商品・サイズによっては、 梱包形態が異なる場合がございます。 | [ ! ]1重目・2重目の梱包とも、脱気されております。 | [ ! ]防錆対策として乾燥剤を同封しております。 1梱包につき1つになります。 |
洗浄効果・利用推奨環境| 洗浄方法 | 商品型番 | 梱包形態 | 未洗浄品と比べた効果 | ご利用環境(目安) | 利用シーン・工程 |
|---|---|---|---|---|---|
| 脱脂洗浄 | SL-□□ | 防錆梱包 | 油分除去 | 一般環境 | 通常組立工程 |
| バッテリー組立後工程 | |||||
| 精密洗浄 | SH-□□ | 脱気2重梱包 | 油分除去 粉塵除去 | クリーン環境(クラス10~1,000) | バッテリー組立工程 |
| 液晶関連組立後工程 | |||||
| 車載カメラ組立工程 | |||||
| 電解研磨+精密洗浄 | SHD-□□ | 脱気2重梱包 | 油分除去 粉塵除去 アウトガス低減 | 真空環境 クリーン環境(クラス10~1,000) | 半導体前工程 |
| 液晶成膜工程 | |||||
| 有機EL前工程 |
| 型番 |
|---|
通常単価(税別)
(税込単価) | 通常出荷日 |
洗浄不要の場合の代替品
|
|---|
- ( - ) | 6日目 |
|
- ( - ) | 6日目 |
|
- ( - ) | 6日目 |
|
- ( - ) | 6日目 |
|
- ( - ) | 6日目 |
|
- ( - ) | 6日目 |
|
- ( - ) | 6日目 |
|
- ( - ) | 6日目 |
|
- ( - ) | 6日目 |
|
- ( - ) | 6日目 |
|
- ( - ) | 6日目 |
|
- ( - ) | 6日目 |
|
- ( - ) | 6日目 |
|
- ( - ) | 6日目 |
|
- ( - ) | 6日目 |
|
- ( - ) | 6日目 |
|
- ( - ) | 6日目 |
|
- ( - ) | 6日目 |
|
- ( - ) | 6日目 |
|
- ( - ) | 6日目 |
|
- ( - ) | 6日目 |
|
- ( - ) | 6日目 |
|
- ( - ) | 6日目 |
|
- ( - ) | 6日目 |
|
- ( - ) | 6日目 |
|
- ( - ) | 6日目 |
|
- ( - ) | 6日目 |
|
- ( - ) | 6日目 |
|
- ( - ) | 6日目 |
|
- ( - ) | 6日目 |
|
- ( - ) | 6日目 |
|
- ( - ) | 6日目 |
|
- ( - ) | 6日目 |
|
- ( - ) | 6日目 |
|
- ( - ) | 6日目 |
|
- ( - ) | 6日目 |
|
- ( - ) | 6日目 |
|
- ( - ) | 6日目 |
|
- ( - ) | 6日目 |
|
- ( - ) | 6日目 |
|
- ( - ) | 6日目 |
|
- ( - ) | 6日目 |
|
- ( - ) | 6日目 |
|
- ( - ) | 6日目 |
|
- ( - ) | 6日目 |
|
- ( - ) | 6日目 |
|
- ( - ) | 6日目 |
|
- ( - ) | 6日目 |
|
- ( - ) | 6日目 |
|
- ( - ) | 6日目 |
|
- ( - ) | 6日目 |
|
- ( - ) | 6日目 |
|
- ( - ) | 6日目 |
|
- ( - ) | 6日目 |
|
- ( - ) | 6日目 |
|
- ( - ) | 6日目 |
|
- ( - ) | 6日目 |
|
- ( - ) | 6日目 |
|
- ( - ) | 6日目 |
|
- ( - ) | 6日目 |
| ・脱脂洗浄(防錆1重梱包) | :型番SL-□□ |
| ・精密洗浄(脱気2重梱包) | :型番SH-□□ |
| ・電解研磨+精密洗浄(脱気2重梱包) | :型番SHD-□□ |
| 商品型番 | 洗浄方法 | 梱包形態 | 未洗浄品と比べた効果 | ご利用環境(目安) | 工程別 |
| SL-□□ | 脱脂洗浄 | 防錆梱包 | 油分除去 | 一般環境 | 通常組立工程 |
| バッテリー組立後工程 | |||||
| SH-□□ | 精密洗浄 | 脱気2重梱包 | 油分除去 粉塵除去 | クリーン環境(クラス10~1,000) | バッテリー組立工程 |
| 液晶関連組立後工程 | |||||
| 車載カメラ組立工程 | |||||
| SHD-□□ | 電解研磨+精密洗浄 | 脱気2重梱包 | 油分除去 粉塵除去 アウトガス低減 | 真空環境 クリーン環境(クラス10~1,000) | 半導体前工程 |
| 液晶成膜工程 | |||||
| 有機EL前工程 |
| D | ¥基準単価 | |||||||||
| SL-PSSFGY | SH-PSSFGY | |||||||||
| 最短L | L101 | L201 | L401 | L601 | 最短L | L101 | L201 | L401 | L601 | |
| 〜 | 〜 | 〜 | 〜 | 〜 | 〜 | 〜 | 〜 | 〜 | 〜 | |
| 100 | 200 | 400 | 600 | 790 | 100 | 200 | 400 | 600 | 790 | |
| 8 | 2,710 | 3,720 | 4,940 | 7,100 | 8,960 | 3,310 | 4,320 | 5,900 | 8,600 | 10,460 |
| 10 | 2,710 | 3,720 | 4,810 | 6,820 | 8,580 | 3,310 | 4,320 | 5,770 | 8,320 | 10,080 |
| 12・13 | 2,850 | 3,940 | 4,970 | 6,880 | 8,540 | 3,450 | 4,540 | 5,930 | 8,380 | 10,040 |
| 15・16 | 3,120 | 4,400 | 5,260 | 7,360 | 9,040 | 3,720 | 5,000 | 6,220 | 8,860 | 10,540 |
| 18・20 | 3,420 | 4,890 | 5,840 | 8,030 | 9,990 | 4,020 | 5,490 | 6,800 | 9,530 | 11,490 |
| 25 | 3,810 | 5,550 | 6,710 | 9,310 | 11,640 | 4,220 | 5,830 | 7,260 | 10,230 | 12,390 |
| 30 | 4,010 | 5,900 | 7,250 | 10,180 | 12,860 | 4,400 | 6,150 | 7,760 | 11,040 | 13,520 |
| 35 | 4,990 | 7,510 | 10,420 | 14,060 | 17,810 | 5,310 | 7,640 | 10,700 | 14,630 | 18,100 |
| 40 | 5,780 | 8,850 | 12,460 | 16,880 | 21,500 | 6,040 | 8,880 | 12,590 | 17,240 | 21,520 |
| 50 | 7,700 | 12,030 | 16,440 | 22,500 | 29,230 | 7,820 | 11,830 | 16,270 | 22,440 | 28,680 |
| D | ¥基準単価 | |||||||||||||||||||
| SL-SSFAY | SH-SSFAY | |||||||||||||||||||
| 最短L | L51 | L101 | L151 | L201 | L251 | L301 | L351 | L401 | L451 | 最短L | L51 | L101 | L151 | L201 | L251 | L301 | L351 | L401 | L451 | |
| 〜 | 〜 | 〜 | 〜 | 〜 | 〜 | 〜 | 〜 | 〜 | 〜 | 〜 | 〜 | 〜 | 〜 | 〜 | 〜 | 〜 | 〜 | 〜 | 〜 | |
| 50 | 100 | 150 | 200 | 250 | 300 | 350 | 400 | 450 | 500 | 50 | 100 | 150 | 200 | 250 | 300 | 350 | 400 | 450 | 500 | |
| 8 | 2,530 | 2,760 | 2,990 | 3,210 | 3,920 | 4,120 | 5,620 | 5,840 | 6,040 | 6,240 | 3,130 | 3,360 | 3,590 | 3,810 | 4,720 | 4,920 | 6,620 | 6,840 | 7,040 | 7,240 |
| 10 | 2,600 | 2,840 | 3,070 | 3,290 | 4,020 | 4,230 | 5,740 | 5,950 | 6,170 | 6,390 | 3,200 | 3,440 | 3,670 | 3,890 | 4,820 | 5,030 | 6,740 | 6,950 | 7,170 | 7,390 |
| 12 | 2,710 | 2,990 | 3,260 | 3,510 | 4,270 | 4,520 | 6,080 | 6,330 | 6,590 | 6,840 | 3,310 | 3,590 | 3,860 | 4,110 | 5,070 | 5,320 | 7,080 | 7,330 | 7,590 | 7,840 |
| 13 | 2,750 | 3,050 | 3,340 | 3,600 | 4,380 | 4,640 | 6,220 | 6,490 | 6,760 | 7,030 | 3,350 | 3,650 | 3,940 | 4,200 | 5,180 | 5,440 | 7,220 | 7,490 | 7,760 | 8,030 |
| 15 | 2,860 | 3,200 | 3,520 | 3,840 | 4,650 | 4,980 | 6,590 | 6,920 | 7,220 | 7,540 | 3,460 | 3,800 | 4,120 | 4,440 | 5,450 | 5,780 | 7,590 | 7,920 | 8,220 | 8,540 |
| 16 | 2,900 | 3,250 | 3,590 | 3,920 | 4,760 | 5,090 | 6,730 | 7,050 | 7,380 | 7,710 | 3,500 | 3,850 | 4,190 | 4,520 | 5,560 | 5,890 | 7,730 | 8,050 | 8,380 | 8,710 |
| 18 | 3,000 | 3,380 | 3,740 | 4,120 | 4,990 | 5,350 | 7,020 | 7,390 | 7,750 | 8,120 | 3,600 | 3,980 | 4,340 | 4,720 | 5,790 | 6,150 | 8,020 | 8,390 | 8,750 | 9,120 |
| 20 | 3,020 | 3,390 | 3,740 | 4,120 | 4,990 | 5,350 | 7,020 | 7,390 | 7,750 | 8,120 | 3,620 | 3,990 | 4,340 | 4,720 | 5,790 | 6,150 | 8,020 | 8,390 | 8,750 | 9,120 |
| 25 | 3,620 | 4,270 | 4,910 | 5,570 | 6,710 | 7,350 | 9,300 | 9,950 | 10,600 | 11,230 | 4,220 | 4,870 | 5,510 | 6,170 | 7,510 | 8,150 | 10,300 | 10,950 | 11,600 | 12,230 |
| 30 | 3,700 | 4,690 | 5,490 | 6,290 | 7,580 | 8,370 | 10,460 | 11,270 | 12,060 | 12,830 | 4,300 | 5,290 | 6,090 | 6,890 | 8,380 | 9,170 | 11,460 | 12,270 | 13,060 | 13,830 |
| 35 | 3,710 | 4,960 | 6,210 | 7,470 | 9,430 | 9,430 | 12,200 | 12,200 | 13,840 | 13,840 | 4,310 | 5,560 | 6,810 | 8,070 | 10,230 | 10,230 | 13,200 | 13,200 | 14,840 | 14,840 |
| 40 | 4,250 | 5,760 | 7,300 | 8,810 | 11,090 | 11,090 | 14,190 | 14,190 | 16,250 | 16,250 | 4,850 | 6,360 | 7,900 | 9,410 | 11,890 | 11,890 | 15,190 | 15,190 | 17,250 | 17,250 |
| 50 | 5,520 | 7,650 | 9,820 | 11,970 | 14,680 | 14,680 | 18,160 | 18,160 | 21,030 | 21,030 | 6,120 | 8,250 | 10,420 | 12,570 | 15,480 | 15,480 | 19,160 | 19,160 | 22,030 | 22,030 |
| D | ¥基準単価 | |||||||||||
| SL-SSFAY | SH-SSFAY | |||||||||||
| L501 | L551 | L601 | L651 | L701 | L751 | L501 | L551 | L601 | L651 | L701 | L751 | |
| 〜 | 〜 | 〜 | 〜 | 〜 | 〜 | 〜 | 〜 | 〜 | 〜 | 〜 | 〜 | |
| 550 | 600 | 650 | 700 | 750 | 790 | 550 | 600 | 650 | 700 | 750 | 790 | |
| 8 | 6,440 | 6,640 | 6,840 | 7,050 | 7,260 | 7,470 | 7,440 | 7,640 | 7,840 | 8,050 | 8,260 | 8,470 |
| 10 | 6,600 | 6,810 | 7,030 | 7,240 | 7,460 | 7,680 | 7,600 | 7,810 | 8,030 | 8,240 | 8,460 | 8,680 |
| 12 | 7,100 | 7,360 | 7,620 | 7,870 | 8,120 | 8,380 | 8,100 | 8,360 | 8,620 | 8,870 | 9,120 | 9,380 |
| 13 | 7,300 | 7,570 | 7,850 | 8,110 | 8,380 | 8,650 | 8,300 | 8,570 | 8,850 | 9,110 | 9,380 | 9,650 |
| 15 | 7,860 | 8,180 | 8,500 | 8,810 | 9,130 | 9,450 | 8,860 | 9,180 | 9,500 | 9,810 | 10,130 | 10,450 |
| 16 | 8,050 | 8,380 | 8,720 | 9,050 | 9,390 | 9,710 | 9,050 | 9,380 | 9,720 | 10,050 | 10,390 | 10,710 |
| 18 | 8,500 | 8,860 | 9,240 | 9,610 | 9,970 | 10,340 | 9,500 | 9,860 | 10,240 | 10,610 | 10,970 | 11,340 |
| 20 | 8,500 | 8,860 | 9,240 | 9,610 | 9,970 | 10,340 | 9,500 | 9,860 | 10,240 | 10,610 | 10,970 | 11,340 |
| 25 | 11,880 | 12,530 | 13,190 | 13,830 | 14,470 | 15,110 | 12,880 | 13,530 | 14,190 | 14,830 | 15,470 | 16,110 |
| 30 | 13,630 | 14,430 | 15,230 | 16,010 | 16,810 | 17,610 | 14,630 | 15,430 | 16,230 | 17,010 | 17,810 | 18,610 |
| 35 | 15,500 | 15,500 | 19,230 | 19,230 | 19,230 | 19,230 | 16,500 | 16,500 | 20,230 | 20,230 | 20,230 | 20,230 |
| 40 | 18,290 | 18,290 | 22,880 | 22,880 | 22,880 | 22,880 | 19,290 | 19,290 | 23,880 | 23,880 | 23,880 | 23,880 |
| 50 | 23,870 | 23,870 | 30,590 | 30,590 | 30,590 | 30,590 | 24,870 | 24,870 | 31,590 | 31,590 | 31,590 | 31,590 |
| D | ¥基準単価 | |||||||||||||||||||
| SL-SSFUY | SH-SSFUY | |||||||||||||||||||
| 最短L | L51 | L101 | L151 | L201 | L251 | L301 | L351 | L401 | L451 | 最短L | L51 | L101 | L151 | L201 | L251 | L301 | L351 | L401 | L451 | |
| 〜 | 〜 | 〜 | 〜 | 〜 | 〜 | 〜 | 〜 | 〜 | 〜 | 〜 | 〜 | 〜 | 〜 | 〜 | 〜 | 〜 | 〜 | 〜 | 〜 | |
| 50 | 100 | 150 | 200 | 250 | 300 | 350 | 400 | 450 | 500 | 50 | 100 | 150 | 200 | 250 | 300 | 350 | 400 | 450 | 500 | |
| 8 | 3,050 | 3,290 | 3,530 | 3,770 | 4,490 | 4,690 | 6,210 | 6,430 | 6,640 | 6,850 | 3,650 | 3,890 | 4,130 | 4,370 | 5,290 | 5,490 | 7,210 | 7,430 | 7,640 | 7,850 |
| 10 | 3,130 | 3,380 | 3,620 | 3,850 | 4,590 | 4,810 | 6,330 | 6,560 | 6,790 | 7,010 | 3,730 | 3,980 | 4,220 | 4,450 | 5,390 | 5,610 | 7,330 | 7,560 | 7,790 | 8,010 |
| 12 | 3,240 | 3,530 | 3,820 | 4,080 | 4,850 | 5,120 | 6,690 | 6,960 | 7,220 | 7,490 | 3,840 | 4,130 | 4,420 | 4,680 | 5,650 | 5,920 | 7,690 | 7,960 | 8,220 | 8,490 |
| 13 | 3,280 | 3,600 | 3,900 | 4,170 | 4,970 | 5,250 | 6,830 | 7,130 | 7,400 | 7,690 | 3,880 | 4,200 | 4,500 | 4,770 | 5,770 | 6,050 | 7,830 | 8,130 | 8,400 | 8,690 |
| 15 | 3,400 | 3,750 | 4,090 | 4,440 | 5,260 | 5,610 | 7,220 | 7,570 | 7,890 | 8,220 | 4,000 | 4,350 | 4,690 | 5,040 | 6,060 | 6,410 | 8,220 | 8,570 | 8,890 | 9,220 |
| 16 | 3,440 | 3,810 | 4,160 | 4,510 | 5,360 | 5,710 | 7,370 | 7,710 | 8,060 | 8,400 | 4,040 | 4,410 | 4,760 | 5,110 | 6,160 | 6,510 | 8,370 | 8,710 | 9,060 | 9,400 |
| 18 | 3,550 | 3,940 | 4,320 | 4,720 | 5,620 | 5,990 | 7,680 | 8,070 | 8,440 | 8,830 | 4,150 | 4,540 | 4,920 | 5,320 | 6,420 | 6,790 | 8,680 | 9,070 | 9,440 | 9,830 |
| 20 | 3,570 | 3,950 | 4,320 | 4,720 | 5,620 | 5,990 | 7,680 | 8,070 | 8,440 | 8,830 | 4,170 | 4,550 | 4,920 | 5,320 | 6,420 | 6,790 | 8,680 | 9,070 | 9,440 | 9,830 |
| 25 | 4,100 | 4,750 | 5,400 | 6,040 | 7,190 | 7,830 | 9,780 | 10,420 | 11,070 | 11,720 | 4,700 | 5,350 | 6,000 | 6,640 | 7,990 | 8,630 | 10,780 | 11,420 | 12,070 | 12,720 |
| 30 | 4,170 | 5,170 | 5,980 | 6,770 | 8,070 | 8,840 | 10,930 | 11,740 | 12,530 | 13,320 | 4,770 | 5,770 | 6,580 | 7,370 | 8,870 | 9,640 | 11,930 | 12,740 | 13,530 | 14,320 |
| 35 | 4,190 | 5,440 | 6,690 | 7,940 | 9,900 | 9,900 | 12,670 | 12,670 | 14,320 | 14,320 | 4,790 | 6,040 | 7,290 | 8,540 | 10,700 | 10,700 | 13,670 | 13,670 | 15,320 | 15,320 |
| 40 | 4,730 | 6,250 | 7,770 | 9,280 | 11,580 | 11,580 | 14,670 | 14,670 | 16,720 | 16,720 | 5,330 | 6,850 | 8,370 | 9,880 | 12,380 | 12,380 | 15,670 | 15,670 | 17,720 | 17,720 |
| 50 | 6,000 | 8,140 | 10,300 | 12,450 | 15,150 | 15,150 | 18,630 | 18,630 | 21,510 | 21,510 | 6,600 | 8,740 | 10,900 | 13,050 | 15,950 | 15,950 | 19,630 | 19,630 | 22,510 | 22,510 |
| D | ¥基準単価 | |||||||||||
| SL-SSFUY | SH-SSFUY | |||||||||||
| L501 | L551 | L601 | L651 | L701 | L751 | L501 | L551 | L601 | L651 | L701 | L751 | |
| 〜 | 〜 | 〜 | 〜 | 〜 | 〜 | 〜 | 〜 | 〜 | 〜 | 〜 | 〜 | |
| 550 | 600 | 650 | 700 | 750 | 790 | 550 | 600 | 650 | 700 | 750 | 790 | |
| 8 | 7,060 | 7,280 | 7,490 | 7,710 | 7,920 | 8,150 | 8,060 | 8,280 | 8,490 | 8,710 | 8,920 | 9,150 |
| 10 | 7,230 | 7,460 | 7,690 | 7,910 | 8,140 | 8,370 | 8,230 | 8,460 | 8,690 | 8,910 | 9,140 | 9,370 |
| 12 | 7,750 | 8,040 | 8,300 | 8,570 | 8,830 | 9,100 | 8,750 | 9,040 | 9,300 | 9,570 | 9,830 | 10,100 |
| 13 | 7,970 | 8,260 | 8,550 | 8,820 | 9,100 | 9,400 | 8,970 | 9,260 | 9,550 | 9,820 | 10,100 | 10,400 |
| 15 | 8,560 | 8,890 | 9,230 | 9,560 | 9,890 | 10,220 | 9,560 | 9,890 | 10,230 | 10,560 | 10,890 | 11,220 |
| 16 | 8,760 | 9,100 | 9,460 | 9,810 | 10,160 | 10,510 | 9,760 | 10,100 | 10,460 | 10,810 | 11,160 | 11,510 |
| 18 | 9,230 | 9,610 | 10,000 | 10,390 | 10,770 | 11,170 | 10,230 | 10,610 | 11,000 | 11,390 | 11,770 | 12,170 |
| 20 | 9,230 | 9,610 | 10,000 | 10,390 | 10,770 | 11,170 | 10,230 | 10,610 | 11,000 | 11,390 | 11,770 | 12,170 |
| 25 | 12,360 | 13,020 | 13,660 | 14,310 | 14,950 | 15,590 | 13,360 | 14,020 | 14,660 | 15,310 | 15,950 | 16,590 |
| 30 | 14,110 | 14,920 | 15,710 | 16,480 | 17,280 | 18,080 | 15,110 | 15,920 | 16,710 | 17,480 | 18,280 | 19,080 |
| 35 | 15,980 | 15,980 | 19,710 | 19,710 | 19,710 | 19,710 | 16,980 | 16,980 | 20,710 | 20,710 | 20,710 | 20,710 |
| 40 | 18,760 | 18,760 | 23,360 | 23,360 | 23,360 | 23,360 | 19,760 | 19,760 | 24,360 | 24,360 | 24,360 | 24,360 |
| 50 | 24,350 | 24,350 | 31,060 | 31,060 | 31,060 | 31,060 | 25,350 | 25,350 | 32,060 | 32,060 | 32,060 | 32,060 |
| D | ¥基準単価 | |||||||||||||||||||
| SL-PSSFAY | SH-PSSFAY | |||||||||||||||||||
| 最短L | L51 | L101 | L151 | L201 | L251 | L301 | L351 | L401 | L451 | 最短L | L51 | L101 | L151 | L201 | L251 | L301 | L351 | L401 | L451 | |
| 〜 | 〜 | 〜 | 〜 | 〜 | 〜 | 〜 | 〜 | 〜 | 〜 | 〜 | 〜 | 〜 | 〜 | 〜 | 〜 | 〜 | 〜 | 〜 | 〜 | |
| 50 | 100 | 150 | 200 | 250 | 300 | 350 | 400 | 450 | 500 | 50 | 100 | 150 | 200 | 250 | 300 | 350 | 400 | 450 | 500 | |
| 8 | 2,580 | 2,880 | 3,140 | 3,400 | 4,140 | 4,400 | 5,950 | 6,200 | 6,460 | 6,700 | 3,180 | 3,480 | 3,740 | 4,000 | 4,940 | 5,200 | 6,950 | 7,200 | 7,460 | 7,700 |
| 10 | 2,670 | 2,950 | 3,240 | 3,510 | 4,270 | 4,540 | 6,100 | 6,370 | 6,630 | 6,910 | 3,270 | 3,550 | 3,840 | 4,110 | 5,070 | 5,340 | 7,100 | 7,370 | 7,630 | 7,910 |
| 12 | 2,770 | 3,130 | 3,450 | 3,780 | 4,600 | 4,920 | 6,550 | 6,850 | 7,180 | 7,500 | 3,370 | 3,730 | 4,050 | 4,380 | 5,400 | 5,720 | 7,550 | 7,850 | 8,180 | 8,500 |
| 13 | 2,820 | 3,180 | 3,510 | 3,840 | 4,670 | 5,010 | 6,630 | 6,970 | 7,300 | 7,640 | 3,420 | 3,780 | 4,110 | 4,440 | 5,470 | 5,810 | 7,630 | 7,970 | 8,300 | 8,640 |
| 15 | 2,950 | 3,370 | 3,770 | 4,160 | 5,070 | 5,470 | 7,170 | 7,570 | 7,970 | 8,370 | 3,550 | 3,970 | 4,370 | 4,760 | 5,870 | 6,270 | 8,170 | 8,570 | 8,970 | 9,370 |
| 16 | 2,990 | 3,420 | 3,840 | 4,260 | 5,170 | 5,580 | 7,300 | 7,720 | 8,140 | 8,550 | 3,590 | 4,020 | 4,440 | 4,860 | 5,970 | 6,380 | 8,300 | 8,720 | 9,140 | 9,550 |
| 18 | 3,170 | 3,690 | 4,220 | 4,730 | 5,750 | 6,280 | 8,100 | 8,620 | 9,150 | 9,680 | 3,770 | 4,290 | 4,820 | 5,330 | 6,550 | 7,080 | 9,100 | 9,620 | 10,150 | 10,680 |
| 20 | 3,170 | 3,690 | 4,220 | 4,730 | 5,750 | 6,280 | 8,100 | 8,620 | 9,150 | 9,680 | 3,770 | 4,290 | 4,820 | 5,330 | 6,550 | 7,080 | 9,100 | 9,620 | 10,150 | 10,680 |
| 25 | 3,810 | 4,640 | 5,460 | 6,300 | 7,620 | 8,450 | 10,590 | 11,420 | 12,250 | 13,070 | 4,410 | 5,240 | 6,060 | 6,900 | 8,420 | 9,250 | 11,590 | 12,420 | 13,250 | 14,070 |
| 30 | 4,100 | 5,090 | 6,060 | 7,060 | 8,540 | 9,530 | 11,810 | 12,800 | 13,790 | 14,780 | 4,700 | 5,690 | 6,660 | 7,660 | 9,340 | 10,330 | 12,810 | 13,800 | 14,790 | 15,780 |
| 35 | 4,880 | 6,720 | 8,550 | 10,400 | 13,020 | 13,020 | 16,440 | 16,440 | 18,890 | 18,890 | 5,480 | 7,320 | 9,150 | 11,000 | 13,820 | 13,820 | 17,440 | 17,440 | 19,890 | 19,890 |
| 40 | 5,670 | 7,880 | 10,110 | 12,330 | 15,460 | 15,460 | 19,400 | 19,400 | 22,400 | 22,400 | 6,270 | 8,480 | 10,710 | 12,930 | 16,260 | 16,260 | 20,400 | 20,400 | 23,400 | 23,400 |
| 50 | 7,510 | 10,680 | 13,830 | 16,970 | 20,700 | 20,700 | 25,220 | 25,220 | 29,420 | 29,420 | 8,110 | 11,280 | 14,430 | 17,570 | 21,500 | 21,500 | 26,220 | 26,220 | 30,420 | 30,420 |
| D | ¥基準単価 | |||||||||||
| SL-PSSFAY | SH-PSSFAY | |||||||||||
| L501 | L551 | L601 | L651 | L701 | L751 | L501 | L551 | L601 | L651 | L701 | L751 | |
| 〜 | 〜 | 〜 | 〜 | 〜 | 〜 | 〜 | 〜 | 〜 | 〜 | 〜 | 〜 | |
| 550 | 600 | 650 | 700 | 750 | 790 | 550 | 600 | 650 | 700 | 750 | 790 | |
| 8 | 6,960 | 7,200 | 7,460 | 7,700 | 7,960 | 8,200 | 7,960 | 8,200 | 8,460 | 8,700 | 8,960 | 9,200 |
| 10 | 7,160 | 7,430 | 7,690 | 7,960 | 8,220 | 8,500 | 8,160 | 8,430 | 8,690 | 8,960 | 9,220 | 9,500 |
| 12 | 7,830 | 8,150 | 8,460 | 8,780 | 9,100 | 9,430 | 8,830 | 9,150 | 9,460 | 9,780 | 10,100 | 10,430 |
| 13 | 7,960 | 8,290 | 8,620 | 8,960 | 9,290 | 9,620 | 8,960 | 9,290 | 9,620 | 9,960 | 10,290 | 10,620 |
| 15 | 8,770 | 9,170 | 9,590 | 9,980 | 10,380 | 10,790 | 9,770 | 10,170 | 10,590 | 10,980 | 11,380 | 11,790 |
| 16 | 8,970 | 9,390 | 9,800 | 10,210 | 10,630 | 11,050 | 9,970 | 10,390 | 10,800 | 11,210 | 11,630 | 12,050 |
| 18 | 10,200 | 10,730 | 11,250 | 11,770 | 12,300 | 12,820 | 11,200 | 11,730 | 12,250 | 12,770 | 13,300 | 13,820 |
| 20 | 10,200 | 10,730 | 11,250 | 11,770 | 12,300 | 12,820 | 11,200 | 11,730 | 12,250 | 12,770 | 13,300 | 13,820 |
| 25 | 13,910 | 14,730 | 15,570 | 16,400 | 17,230 | 18,050 | 14,910 | 15,730 | 16,570 | 17,400 | 18,230 | 19,050 |
| 30 | 15,770 | 16,740 | 17,740 | 18,720 | 19,710 | 20,680 | 16,770 | 17,740 | 18,740 | 19,720 | 20,710 | 21,680 |
| 35 | 21,330 | 21,330 | 26,790 | 26,790 | 26,790 | 26,790 | 22,330 | 22,330 | 27,790 | 27,790 | 27,790 | 27,790 |
| 40 | 25,400 | 25,400 | 32,150 | 32,150 | 32,150 | 32,150 | 26,400 | 26,400 | 33,150 | 33,150 | 33,150 | 33,150 |
| 50 | 33,600 | 33,600 | 43,440 | 43,440 | 43,440 | 43,440 | 34,600 | 34,600 | 44,440 | 44,440 | 44,440 | 44,440 |
| D | ¥基準単価 | |||||||||||||||||||
| SL-PSSFUY | SH-PSSFUY | |||||||||||||||||||
| 最短L | L51 | L101 | L151 | L201 | L251 | L301 | L351 | L401 | L451 | 最短L | L51 | L101 | L151 | L201 | L251 | L301 | L351 | L401 | L451 | |
| 〜 | 〜 | 〜 | 〜 | 〜 | 〜 | 〜 | 〜 | 〜 | 〜 | 〜 | 〜 | 〜 | 〜 | 〜 | 〜 | 〜 | 〜 | 〜 | 〜 | |
| 50 | 100 | 150 | 200 | 250 | 300 | 350 | 400 | 450 | 500 | 50 | 100 | 150 | 200 | 250 | 300 | 350 | 400 | 450 | 500 | |
| 8 | 3,110 | 3,420 | 3,700 | 3,960 | 4,730 | 4,990 | 6,560 | 6,810 | 7,090 | 7,350 | 3,710 | 4,020 | 4,300 | 4,560 | 5,530 | 5,790 | 7,560 | 7,810 | 8,090 | 8,350 |
| 10 | 3,200 | 3,490 | 3,800 | 4,080 | 4,850 | 5,130 | 6,710 | 6,990 | 7,270 | 7,550 | 3,800 | 4,090 | 4,400 | 4,680 | 5,650 | 5,930 | 7,710 | 7,990 | 8,270 | 8,550 |
| 12 | 3,300 | 3,690 | 4,020 | 4,360 | 5,200 | 5,530 | 7,180 | 7,500 | 7,850 | 8,180 | 3,900 | 4,290 | 4,620 | 4,960 | 6,000 | 6,330 | 8,180 | 8,500 | 8,850 | 9,180 |
| 13 | 3,360 | 3,730 | 4,080 | 4,440 | 5,280 | 5,640 | 7,270 | 7,630 | 7,970 | 8,330 | 3,960 | 4,330 | 4,680 | 5,040 | 6,080 | 6,440 | 8,270 | 8,630 | 8,970 | 9,330 |
| 15 | 3,490 | 3,930 | 4,350 | 4,770 | 5,690 | 6,110 | 7,840 | 8,260 | 8,670 | 9,090 | 4,090 | 4,530 | 4,950 | 5,370 | 6,490 | 6,910 | 8,840 | 9,260 | 9,670 | 10,090 |
| 16 | 3,530 | 3,990 | 4,440 | 4,860 | 5,800 | 6,230 | 7,970 | 8,410 | 8,850 | 9,280 | 4,130 | 4,590 | 5,040 | 5,460 | 6,600 | 7,030 | 8,970 | 9,410 | 9,850 | 10,280 |
| 18 | 3,720 | 4,270 | 4,820 | 5,370 | 6,410 | 6,970 | 8,810 | 9,360 | 9,920 | 10,480 | 4,320 | 4,870 | 5,420 | 5,970 | 7,210 | 7,770 | 9,810 | 10,360 | 10,920 | 11,480 |
| 20 | 3,720 | 4,270 | 4,820 | 5,370 | 6,410 | 6,970 | 8,810 | 9,360 | 9,920 | 10,480 | 4,320 | 4,870 | 5,420 | 5,970 | 7,210 | 7,770 | 9,810 | 10,360 | 10,920 | 11,480 |
| 25 | 4,280 | 5,110 | 5,940 | 6,780 | 8,100 | 8,940 | 11,060 | 11,890 | 12,740 | 13,550 | 4,880 | 5,710 | 6,540 | 7,380 | 8,900 | 9,740 | 12,060 | 12,890 | 13,740 | 14,550 |
| 30 | 4,570 | 5,570 | 6,550 | 7,530 | 9,020 | 10,010 | 12,290 | 13,280 | 14,270 | 15,250 | 5,170 | 6,170 | 7,150 | 8,130 | 9,820 | 10,810 | 13,290 | 14,280 | 15,270 | 16,250 |
| 35 | 5,350 | 7,200 | 9,030 | 10,870 | 13,500 | 13,500 | 16,920 | 16,920 | 19,370 | 19,370 | 5,950 | 7,800 | 9,630 | 11,470 | 14,300 | 14,300 | 17,920 | 17,920 | 20,370 | 20,370 |
| 40 | 6,140 | 8,350 | 10,590 | 12,810 | 15,950 | 15,950 | 19,890 | 19,890 | 22,880 | 22,880 | 6,740 | 8,950 | 11,190 | 13,410 | 16,750 | 16,750 | 20,890 | 20,890 | 23,880 | 23,880 |
| 50 | 8,000 | 11,150 | 14,310 | 17,450 | 21,190 | 21,190 | 25,710 | 25,710 | 29,900 | 29,900 | 8,600 | 11,750 | 14,910 | 18,050 | 21,990 | 21,990 | 26,710 | 26,710 | 30,900 | 30,900 |
| D | ¥基準単価 | |||||||||||
| SL-PSSFUY | SH-PSSFUY | |||||||||||
| L501 | L551 | L601 | L651 | L701 | L751 | L501 | L551 | L601 | L651 | L701 | L751 | |
| 〜 | 〜 | 〜 | 〜 | 〜 | 〜 | 〜 | 〜 | 〜 | 〜 | 〜 | 〜 | |
| 550 | 600 | 650 | 700 | 750 | 790 | 550 | 600 | 650 | 700 | 750 | 790 | |
| 8 | 7,620 | 7,870 | 8,140 | 8,390 | 8,650 | 8,920 | 8,620 | 8,870 | 9,140 | 9,390 | 9,650 | 9,920 |
| 10 | 7,830 | 8,100 | 8,380 | 8,650 | 8,940 | 9,230 | 8,830 | 9,100 | 9,380 | 9,650 | 9,940 | 10,230 |
| 12 | 8,530 | 8,860 | 9,200 | 9,520 | 9,860 | 10,200 | 9,530 | 9,860 | 10,200 | 10,520 | 10,860 | 11,200 |
| 13 | 8,650 | 9,020 | 9,360 | 9,710 | 10,060 | 10,400 | 9,650 | 10,020 | 10,360 | 10,710 | 11,060 | 11,400 |
| 15 | 9,510 | 9,940 | 10,370 | 10,790 | 11,210 | 11,630 | 10,510 | 10,940 | 11,370 | 11,790 | 12,210 | 12,630 |
| 16 | 9,730 | 10,160 | 10,590 | 11,030 | 11,460 | 11,910 | 10,730 | 11,160 | 11,590 | 12,030 | 12,460 | 12,910 |
| 18 | 11,020 | 11,580 | 12,120 | 12,660 | 13,220 | 13,760 | 12,020 | 12,580 | 13,120 | 13,660 | 14,220 | 14,760 |
| 20 | 11,020 | 11,580 | 12,120 | 12,660 | 13,220 | 13,760 | 12,020 | 12,580 | 13,120 | 13,660 | 14,220 | 14,760 |
| 25 | 14,390 | 15,220 | 16,040 | 16,870 | 17,700 | 18,520 | 15,390 | 16,220 | 17,040 | 17,870 | 18,700 | 19,520 |
| 30 | 16,250 | 17,230 | 18,210 | 19,190 | 20,190 | 21,170 | 17,250 | 18,230 | 19,210 | 20,190 | 21,190 | 22,170 |
| 35 | 21,810 | 21,810 | 27,260 | 27,260 | 27,260 | 27,260 | 22,810 | 22,810 | 28,260 | 28,260 | 28,260 | 28,260 |
| 40 | 25,880 | 25,880 | 32,630 | 32,630 | 32,630 | 32,630 | 26,880 | 26,880 | 33,630 | 33,630 | 33,630 | 33,630 |
| 50 | 34,080 | 34,080 | 43,930 | 43,930 | 43,930 | 43,930 | 35,080 | 35,080 | 44,930 | 44,930 | 44,930 | 44,930 |
| D | ¥基準単価 | |||||||||||||||||
| SL-RSFAY | SH-RSFAY | |||||||||||||||||
| 最短L | L51 | L101 | L151 | L201 | L301 | L401 | L501 | L601 | 最短L | L51 | L101 | L151 | L201 | L301 | L401 | L501 | L601 | |
| 〜 | 〜 | 〜 | 〜 | 〜 | 〜 | 〜 | 〜 | 〜 | 〜 | 〜 | 〜 | 〜 | 〜 | 〜 | 〜 | 〜 | 〜 | |
| 50 | 100 | 150 | 200 | 300 | 400 | 500 | 600 | 790 | 50 | 100 | 150 | 200 | 300 | 400 | 500 | 600 | 790 | |
| 8 | 2,760 | 3,120 | 3,550 | 3,950 | 4,800 | 6,490 | 7,210 | 7,500 | 8,320 | 3,360 | 3,720 | 4,150 | 4,550 | 5,600 | 7,490 | 8,210 | 8,500 | 9,320 |
| 10 | 2,760 | 3,190 | 3,600 | 4,090 | 5,070 | 6,760 | 7,170 | 7,570 | 8,420 | 3,360 | 3,790 | 4,200 | 4,690 | 5,870 | 7,760 | 8,170 | 8,570 | 9,420 |
| 12 | 2,840 | 3,340 | 3,830 | 4,310 | 5,300 | 7,160 | 7,710 | 8,190 | 9,440 | 3,440 | 3,940 | 4,430 | 4,910 | 6,100 | 8,160 | 8,710 | 9,190 | 10,440 |
| 13 | 2,840 | 3,360 | 3,830 | 4,380 | 5,460 | 7,310 | 7,880 | 8,580 | 9,810 | 3,440 | 3,960 | 4,430 | 4,980 | 6,260 | 8,310 | 8,880 | 9,580 | 10,810 |
| 15 | 3,280 | 3,950 | 4,660 | 5,430 | 6,590 | 8,610 | 9,350 | 10,000 | 10,990 | 3,880 | 4,550 | 5,260 | 6,030 | 7,390 | 9,610 | 10,350 | 11,000 | 11,990 |
| 16 | 3,280 | 4,010 | 4,720 | 5,560 | 6,850 | 8,860 | 9,590 | 10,520 | 11,380 | 3,880 | 4,610 | 5,320 | 6,160 | 7,650 | 9,860 | 10,590 | 11,520 | 12,380 |
| 18 | 3,380 | 4,140 | 4,930 | 5,830 | 7,200 | 9,360 | 10,020 | 11,110 | 12,790 | 3,980 | 4,740 | 5,530 | 6,430 | 8,000 | 10,360 | 11,020 | 12,110 | 13,790 |
| 20 | 3,430 | 4,320 | 5,170 | 6,130 | 7,620 | 9,630 | 10,360 | 11,850 | 13,540 | 4,030 | 4,920 | 5,770 | 6,730 | 8,420 | 10,630 | 11,360 | 12,850 | 14,540 |
| 25 | 4,100 | 5,270 | 6,420 | 7,580 | 9,310 | 11,730 | 12,770 | 15,080 | 17,600 | 4,700 | 5,870 | 7,020 | 8,180 | 10,110 | 12,730 | 13,770 | 16,080 | 18,600 |
| 30 | 4,470 | 5,870 | 7,060 | 8,470 | 10,260 | 12,980 | 14,660 | 18,290 | 21,620 | 5,070 | 6,470 | 7,660 | 9,070 | 11,060 | 13,980 | 15,660 | 19,290 | 22,620 |
| D | ¥基準単価 | |||||||||||||||||
| SL-RSSFAY | SH-RSSFAY | |||||||||||||||||
| 最短L | L51 | L101 | L151 | L201 | L301 | L401 | L501 | L601 | 最短L | L51 | L101 | L151 | L201 | L301 | L401 | L501 | L601 | |
| 〜 | 〜 | 〜 | 〜 | 〜 | 〜 | 〜 | 〜 | 〜 | 〜 | 〜 | 〜 | 〜 | 〜 | 〜 | 〜 | 〜 | 〜 | |
| 50 | 100 | 150 | 200 | 300 | 400 | 500 | 600 | 790 | 50 | 100 | 150 | 200 | 300 | 400 | 500 | 600 | 790 | |
| 8 | 2,900 | 3,390 | 3,920 | 4,460 | 5,410 | 7,310 | 8,260 | 8,780 | 9,820 | 3,500 | 3,990 | 4,520 | 5,060 | 6,210 | 8,310 | 9,260 | 9,780 | 10,820 |
| 10 | 2,920 | 3,460 | 4,010 | 4,620 | 5,720 | 7,650 | 8,300 | 8,950 | 10,080 | 3,520 | 4,060 | 4,610 | 5,220 | 6,520 | 8,650 | 9,300 | 9,950 | 11,080 |
| 12 | 3,030 | 3,700 | 4,370 | 5,000 | 6,160 | 8,340 | 9,220 | 10,030 | 11,610 | 3,630 | 4,300 | 4,970 | 5,600 | 6,960 | 9,340 | 10,220 | 11,030 | 12,610 |
| 13 | 3,030 | 3,710 | 4,370 | 5,050 | 6,290 | 8,460 | 9,330 | 10,370 | 11,920 | 3,630 | 4,310 | 4,970 | 5,650 | 7,090 | 9,460 | 10,330 | 11,370 | 12,920 |
| 15 | 3,510 | 4,360 | 5,250 | 6,230 | 7,560 | 9,960 | 11,070 | 12,120 | 13,480 | 4,110 | 4,960 | 5,850 | 6,830 | 8,360 | 10,960 | 12,070 | 13,120 | 14,480 |
| 16 | 3,520 | 4,470 | 5,390 | 6,420 | 7,930 | 10,360 | 11,510 | 12,870 | 14,170 | 4,120 | 5,070 | 5,990 | 7,020 | 8,730 | 11,360 | 12,510 | 13,870 | 15,170 |
| 18 | 3,630 | 4,620 | 5,610 | 6,740 | 8,330 | 10,950 | 12,060 | 13,600 | 15,740 | 4,230 | 5,220 | 6,210 | 7,340 | 9,130 | 11,950 | 13,060 | 14,600 | 16,740 |
| 20 | 3,650 | 4,760 | 5,820 | 7,010 | 8,720 | 11,190 | 12,390 | 14,330 | 16,500 | 4,250 | 5,360 | 6,420 | 7,610 | 9,520 | 12,190 | 13,390 | 15,330 | 17,500 |
| 25 | 4,690 | 6,120 | 7,720 | 9,280 | 11,460 | 14,710 | 16,610 | 19,790 | 23,150 | 5,290 | 6,720 | 8,320 | 9,880 | 12,260 | 15,710 | 17,610 | 20,790 | 24,150 |
| 30 | 5,150 | 6,910 | 8,610 | 10,550 | 12,870 | 16,620 | 19,330 | 24,010 | 28,380 | 5,750 | 7,510 | 9,210 | 11,150 | 13,670 | 17,620 | 20,330 | 25,010 | 29,380 |
| 数量区分 | 標準対応 | 個別対応 | ||||
| 小口 | 大口 | 大口 | ||||
| 数 量 | 1〜4 | 5〜12 | 13〜19 | 20〜49 | 50〜100 | 101~ |
| 値引率 | 基準単価 | 5% | 10% | 15% | 25% | お見積り |
| 出荷日 | 通常 | +7日 | ||||
通常価格、通常出荷日が表示と異なる場合がございます
通常価格、通常出荷日が表示と異なる場合がございます

ミスミ
シャフト ストレートタイプ
4.7通常価格(税別):200円~

ミスミ
シャフト 両端めねじタイプ
4.7
ミスミ
シャフト 片端めねじタイプ
4.6
ミスミ
シャフト 両端めねじキリ穴付タイプ・スパナ溝付タイプ
4.4
ミスミ
シャフト 片端めねじキリ穴付・スパナ溝付タイプ
4.6
ミスミ
シャフト 片端おねじ・片端めねじ 逃げ溝スパナ溝付き/キリ穴付き
4.6
ミスミ
シャフト 片端おねじタイプ
4.6
ミスミ
シャフト パイプタイプ
4.2
ミスミ
シャフト 両端段付めねじ/両端段付
4.5