メカニカル部品技術窓口
ミスミ品のみ対象


■穴種選択表
| 穴種 | ボルト通し穴 | 公差付通し穴 |
| Code | N | D |
| 形状図 | [ ! ] ![]() 「N加工寸法表」参照 | ![]() |
| 型式 | [ M ]材質 | [ S ]表面処理 | 洗浄方法 | |||||
| Type | 材質記号 | 洗浄方法 | 洗浄環境 | 梱包形態 | 梱包環境 | |||
| SL-SWCBS | SUD | SUS304(2B) | - | 脱脂洗浄 | 一般環境 | 防錆梱包 | 一般環境 | |
| SH-SWCBS | 精密洗浄 | クラス1000 | 脱気2重梱包 | クラス10 | ||||
| SHD-SWCBS | 電解研磨+精密洗浄 | |||||||
| SL-SWCBS | AM | A5052 | - | 脱脂洗浄 | 一般環境 | 防錆梱包 | 一般環境 | |
| SH-SWCBS | 精密洗浄 | クラス1000 | 脱気2重梱包 | クラス10 | ||||
| SHD-SWCBS | 電解研磨+精密洗浄 | |||||||
| SL-SWCBS | AMW | アルマイト処理(白) | 脱脂洗浄 | 一般環境 | 防錆梱包 | 一般環境 | ||
| SH-SWCBS | 精密洗浄 | クラス1000 | 脱気2重梱包 | クラス10 | ||||
| SL-SWCBS | AMB | アルマイト処理(黒) | 脱脂洗浄 | 一般環境 | 防錆梱包 | 一般環境 | ||
| SH-SWCBS | 精密洗浄 | クラス1000 | 脱気2重梱包 | クラス10 | ||||
| SL-SWCBS | SPU | T0.8~3.2 T4.5~6.0 | : SPCC : SPHC | 三価クロメート(白) | 脱脂洗浄 | 一般環境 | 防錆梱包 | 一般環境 |
| SH-SWCBS | 精密洗浄 | クラス1000 | 脱気2重梱包 | クラス10 | ||||
| SL-SWCBS | SPK | 三価クロメート(黒) | 脱脂洗浄 | 一般環境 | 防錆梱包 | 一般環境 | ||
| SH-SWCBS | 精密洗浄 | クラス1000 | 脱気2重梱包 | クラス10 | ||||
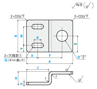
| 型式 | − | A | − | B | − | T | − | H | − | J | − | X | − | Y | − | W | − | 穴指定① | − | K | − | F | − | S | − | D | ||
| Code・呼び | ||||||||||||||||||||||||||||
| Type | − | 材質記号 | ||||||||||||||||||||||||||
| SL-SWCBS | − | SUD | − | A80 | − | B40 | − | T3.0 | − | H30 | − | J40 | − | X20 | − | Y10 | − | W20 | − | N4 | K8 | − | F40 | − | S6 | − | D8 | |
| 型式 | 指定1mm単位 | 選択 | 1mm単位 | J | X | Y | W | 穴指定① | K | F | S | D | ||
| Type | 材質記号 | A | B | T | H | Code/指定方法 | ||||||||
| SL-SWCBS SH-SWCBS SHD-SWCBS | SUD AM AMW AMB | 20 ~ 200 [ ! ] | 10 ~ 200 | 1.5・2.0・3.0・4.0 | 10 ~ 100 | 指定 0.1mm単位 | N (ボルト通し穴)[ ! ] 0・3・4・5・6・8・10 選択 | 指定 0.1mm単位 [ ! ]K≦N×5 | 3~30 0.5単位 | |||||
| SPU SPK | 0.8 ・ 1.0 ・ 1.2 ・ 1.6 | |||||||||||||
| 2.3 ・ 3.2 ・ 4.5 ・ 6.0 | ||||||||||||||
| [ ! ]T≧3.0のとき、A≧30 | ||||||||||||||
| [ ! ]穴が端面に近すぎると穴が変形する可能性がありますが、加工限界内であればそのまま加工します。 | ||||||||||||||
| [ NG ]AM・AMW・AMBはT=4.0適用不可 | ||||||||||||||
| [ NG ]AMW・AMB・SPU・SPKは電解研磨(SHD-)適用不可 | ||||||||||||||
| N・NA指定値 | 0 | 3 | 4 | 5 | 6 | 8 | 10 |
| 通し穴径(d) | (穴無し) | 3.5 | 4.5 | 5.5 | 6.5 | 9 | 11 |
| 型式 | − | A | − | B | − | T | − | H | − | J | − | X | − | Y | − | W | − | 穴指定① | − | K | − | F | − | S | − | D | − | (CC・WCC) | ||
| Code・呼び | ||||||||||||||||||||||||||||||
| Type | − | 材質記号 | ||||||||||||||||||||||||||||
| SL-SWCBS | − | SUD | − | A80 | − | B40 | − | T3.0 | − | H30 | − | J40 | − | X20 | − | Y10 | − | W20 | − | N4 | K8 | − | F40 | − | S6 | − | D8 | − | CC5 | |
| Alterations | コーナーカット変更(2コーナー) | コーナーカット変更(4コーナー) | ||
![]() | ![]() | |||
| Code | CC | WCC | ||
| Spec. | CC=指定1mm単位 [ ! ] 1≦CC≦10
(例)~-CC10 | WCC=指定1mm単位 [ ! ] 1≦WCC≦10
(例)~-WCC10 | ||
| ¥/1Code | 200 | 400 |
| 商品 | 基準寸法の区分 (A・H寸法) | 6以下 | 6を超え 30以下 | 30を超え 120以下 | 120を超え 400以下 |
| 板金(曲げ加工品) | 許容差(a・h) | ±0.3 | ±0.5 | ±0.8 | ±1.2 |


[ ! ]6. 下図のf,b,h,gの各部には加工限界があります。
| T | f(穴と曲げの距離) | b (穴と断面 との距離) | h | g | ||||||
| SPCC SPHC | A5052 | SUS304 | 通し穴 | タップ穴 | 公差付穴 曲げと平行 な長穴 | |||||
| L曲げ | Z・凸曲げ | L曲げ | Z・凸曲げ | |||||||
| 0.8 | ー | ー | 2 | 3 | - | - | 3.5 | 1 | 5 | 5 |
| 1.0 | ー | ー | 2 | 3 | 3 | 5.5 | 3.5 | 1 | 5.5 | 5.5 |
| 1.2 | ー | ー | 2 | 3 | 3 | 5.5 | 3.5 | 1 | 5.5 | 5.5 |
| 1.6 | 1.5 | 1.5 | 2 | 3.5 | 3 | 6 | 4 | 1 | 6 | 6 |
| 2.3 | 2.0 | 2.0 | 2 | 4.5 | 3 | 7 | 5 | 1.5 | 7 | 7 |
| 3.2 | 3.0 | 3.0 | 2 | 6.5 | 3 | 9 | 7 | 1.5 | 9 | 9 |
| 4.5 | ー | 4.0 | 3 | 7.5 | 4 | 11 | 8(9) | 2 | 11 | 11 |
| 6.0 | ー | ー | 3 | 14 | 4 | 16 | 15 | 2.5 | 16 | 18 |

[ ! ]7. プレスブレーキのブレーキ押さえによるキズが付きます。r・e・d寸法は目安となります。
| T | 曲げ後R | ブレーキキズ | |||
| 位置 | 深さ | ||||
| SPCC SPHC | A5052 | SUS304 | (r) | (e) | (d) |
| 0.8 | ー | ー | 0.8 | 5 | 0.1 |
| 1.0 | ー | ー | 1 | 5 | 0.1 |
| 1.2 | ー | ー | 1.2 | 5 | 0.1 |
| 1.6 | 1.5 | 1.5 | 1.5 | 6 | 0.1 |
| 2.3 | 2.0 | 2.0 | 2.0 | 7.5 | 0.1 |
| 3.2 | 3.0 | 3.0 | 3.0 | 10.5 | 0.2 |
| 4.5 | ー | 4.0 | 4.0 | 13.5 | 0.3 |
| 6.0 | ー | ー | 6.0 | 17 | 0.5 |

[ ! ]8. 曲げによる食い込み、及び膨らみが付きます。

| なし | 四三酸化鉄皮膜 | 三価クロメート(白) | 三価クロメート(黒) | |
| SP | SPB | SPU | SPK | |
| SPCC T0.8~3.2 | ![]() | ![]() | ![]() | ![]() |
| SPHC T4.5~6.0 | ![]() | ![]() | ![]() | ![]() |
| SS400(黒皮) T9.0 | ![]() | ![]() | ![]() | ![]() |
| なし | アルマイト処理(白) | アルマイト処理(黒) | |
| AM | AMW | AMB | |
| A5052 | ![]() | ![]() | ![]() |
| なし | |
| SUD | |
| SUS304(2B) T0.8~6.0 | ![]() |
| SUS304(No.1) T9.0 | ![]() |
洗浄工程| ※材質がステンレスの場合、アルカリ系温水洗浄となることがあります。 | |
| ・脱脂洗浄(型式:SL-□□) | ※表面処理が低温黒色クロムメッキの場合、IPA洗浄となります。 |
作業環境:一般環境 | ||||||
|---|---|---|---|---|---|---|
![]() 炭化水素系洗浄※ Ro水洗浄 中性洗剤洗浄 | ![]() | ![]() 高圧ジェット水洗(Ro水) 後に純水(10MΩ・cm)で 洗浄 | ![]() | ![]() エアブロー(オイルフリー) 使用 | ![]() | ![]() 防錆袋使用 |
| ・精密洗浄(型式:SH-□□) | ※表面処理が低温黒色クロムメッキの場合、IPA洗浄となります。 |
作業環境:クラス1000 | 作業環境:クラス10 | |||||||
|---|---|---|---|---|---|---|---|---|
![]() 炭化水素系洗浄※ Ro水洗浄 中性洗剤洗浄 | ![]() | ![]() 高圧ジェット水洗(Ro水) 後に純水(10MΩ・cm)で 洗浄 | ![]() | ![]() 温純水(13MΩ・cm)使用 | ![]() | ![]() 窒素ブロー使用 | ![]() | ![]() クリーンベンチ(クラス10) で実施 |
作業環境:クラス1000 | 作業環境:クラス10 | |||||||||
|---|---|---|---|---|---|---|---|---|---|---|
![]() 炭化水素系洗浄 Ro水洗浄 中性洗剤洗浄 | ![]() | ![]() 材質に応じた電解研磨槽 で電解研磨 | ![]() | ![]() 高圧ジェット水洗(Ro水) 後に純水(10MΩ・cm)で 洗浄 | ![]() | ![]() 温純水(13MΩ・cm)使用 | ![]() | ![]() 窒素ブロー使用 | ![]() | ![]() クリーンベンチ(クラス10) で実施 |
梱包例| 脱脂洗浄の場合 (TYPE型番:SL-□□) | 精密洗浄または電解研磨+精密洗浄の場合 | |
| (TYPE型番:SH-□□・SHD-□□) | ||
| オーステナイト系ステンレス・アルミ材質の場合 | 鉄・マルテンサイト系ステンレス材質の場合 | |
![]() | ![]() | ![]() |
| 一部商品・サイズによっては、 梱包形態が異なる場合がございます。 | [ ! ]1重目・2重目の梱包とも、脱気されております。 | [ ! ]防錆対策として乾燥剤を同封しております。 1梱包につき1つになります。 |
洗浄効果・利用推奨環境洗浄方法 | 商品型番 | 梱包形態 | 未洗浄品と比べた効果 | ご利用環境(目安) | 利用シーン・工程 |
|---|---|---|---|---|---|
| 脱脂洗浄 | SL-□□ | 防錆梱包 | 油分除去 | 一般環境 | 通常組立工程 |
| バッテリー組立後工程 | |||||
| 精密洗浄 | SH-□□ | 脱気2重梱包 | 油分除去 粉塵除去 | クリーン環境(クラス10~1,000) | バッテリー組立工程 |
| 液晶関連組立後工程 | |||||
| 車載カメラ組立工程 | |||||
| 電解研磨+精密洗浄 | SHD-□□ | 脱気2重梱包 | 油分除去 粉塵除去 アウトガス低減 | 真空環境 クリーン環境(クラス10~1,000) | 半導体前工程 |
| 液晶成膜工程 | |||||
| 有機EL前工程 |
| 型番 |
|---|
通常単価(税別)
(税込単価) | 通常出荷日 |
|---|
- ( - ) | 6日目 |
- ( - ) | 8日目 |
- ( - ) | 8日目 |
- ( - ) | 8日目 |
- ( - ) | 8日目 |
- ( - ) | 6日目 |
- ( - ) | 6日目 |
- ( - ) | 6日目 |
- ( - ) | 6日目 |
- ( - ) | 8日目 |
- ( - ) | 8日目 |
- ( - ) | 8日目 |
- ( - ) | 8日目 |
- ( - ) | 6日目 |
| ・脱脂洗浄(防錆1重梱包) | :型番SL-□□ |
| ・精密洗浄(脱気2重梱包) | :型番SH-□□ |
| ・電解研磨+精密洗浄(脱気2重梱包) | :型番SHD-□□ |
| 商品型番 | 洗浄方法 | 梱包形態 | 未洗浄品と比べた効果 | ご利用環境(目安) | 工程別 |
| SL-□□ | 脱脂洗浄 | 防錆梱包 | 油分除去 | 一般環境 | 通常組立工程 |
| バッテリー組立後工程 | |||||
| SH-□□ | 精密洗浄 | 脱気2重梱包 | 油分除去 粉塵除去 | クリーン環境(クラス10~1,000) | バッテリー組立工程 |
| 液晶関連組立後工程 | |||||
| 車載カメラ組立工程 | |||||
| SHD-□□ | 電解研磨+精密洗浄 | 脱気2重梱包 | 油分除去 粉塵除去 アウトガス低減 | 真空環境 クリーン環境(クラス10~1,000) | 半導体前工程 |
| 液晶成膜工程 | |||||
| 有機EL前工程 |
| A | B | T | ¥基準単価 | ||
| SL-SWCBS | SH-SWCBS | SHD-SWCBS | |||
| 20〜100 | 10〜100 | 1.5 | 3,080 | 3,580 | 3,880 |
| 2.0 | 3,290 | 3,790 | 4,090 | ||
| 3.0 | 3,520 | 4,020 | 4,320 | ||
| 4.0 | 3,880 | 4,380 | 4,680 | ||
| 101〜200 | 1.5 | 3,880 | 4,380 | 4,680 | |
| 2.0 | 4,170 | 4,670 | 4,970 | ||
| 3.0 | 4,170 | 4,670 | 4,970 | ||
| 4.0 | 4,750 | 5,250 | 5,550 | ||
| 101〜200 | 10〜100 | 1.5 | 3,880 | 4,380 | 4,680 |
| 2.0 | 4,170 | 4,670 | 4,970 | ||
| 3.0 | 4,170 | 4,670 | 4,970 | ||
| 4.0 | 4,750 | 5,250 | 5,550 | ||
| 101〜200 | 1.5 | 4,830 | 5,330 | 5,630 | |
| 2.0 | 4,830 | 5,330 | 5,630 | ||
| 3.0 | 4,830 | 5,330 | 5,630 | ||
| 4.0 | 5,350 | 5,850 | 6,150 | ||
| A | B | T | ¥基準単価 | ||||||
| AM (表面処理なし) | AMW (アルマイト処理(白)) | AMB (アルマイト処理(黒)) | |||||||
| SL-SWCBS | SH-SWCBS | SHD-SWCBS | SL-SWCBS | SH-SWCBS | SL-SWCBS | SH-SWCBS | |||
| 20〜100 | 10〜100 | 1.5 | 3,270 | 3,770 | 4,070 | 3,790 | 4,290 | 3,900 | 4,400 |
| 2.0 | 3,270 | 3,770 | 4,070 | 3,830 | 4,330 | 3,930 | 4,430 | ||
| 3.0 | 3,270 | 3,770 | 4,070 | 3,850 | 4,350 | 3,950 | 4,450 | ||
| 101〜200 | 1.5 | 3,890 | 4,390 | 4,690 | 5,810 | 6,310 | 6,090 | 6,590 | |
| 2.0 | 3,890 | 4,390 | 4,690 | 5,810 | 6,310 | 6,090 | 6,590 | ||
| 3.0 | 3,890 | 4,390 | 4,690 | 5,810 | 6,310 | 6,090 | 6,590 | ||
| 101〜200 | 10〜100 | 1.5 | 3,890 | 4,390 | 4,690 | 5,810 | 6,310 | 6,090 | 6,590 |
| 2.0 | 3,890 | 4,390 | 4,690 | 5,810 | 6,310 | 6,090 | 6,590 | ||
| 3.0 | 3,890 | 4,390 | 4,690 | 5,810 | 6,310 | 6,090 | 6,590 | ||
| 101〜200 | 1.5 | 4,520 | 5,020 | 5,320 | 6,970 | 7,470 | 7,240 | 7,740 | |
| 2.0 | 4,520 | 5,020 | 5,320 | 6,970 | 7,470 | 7,240 | 7,740 | ||
| 3.0 | 4,520 | 5,020 | 5,320 | 6,970 | 7,470 | 7,240 | 7,740 | ||
| A | B | T | 本体価格 ¥基準単価 | |
| SPU(三価クロメート(白)) | ||||
| SPK(三価クロメート(黒)) | ||||
| SL-SWCBS | SH-SWCBS | |||
| 20~100 | 10~100 | 0.8~1.6 | 2,870 | 3,070 |
| 2.3 | 3,030 | 3,230 | ||
| 3.2 | 3,160 | 3,360 | ||
| 4.5 | 3,350 | 3,550 | ||
| 6.0 | 3,360 | 3,560 | ||
| 101~200 | 0.8~1.6 | 3,320 | 3,520 | |
| 2.3 | 3,420 | 3,620 | ||
| 3.2 | 3,450 | 3,650 | ||
| 4.5 | 3,610 | 3,810 | ||
| 6.0 | 3,670 | 3,870 | ||
| 101~200 | 10~100 | 0.8~1.6 | 3,320 | 3,520 |
| 2.3 | 3,420 | 3,620 | ||
| 3.2 | 3,450 | 3,650 | ||
| 4.5 | 3,610 | 3,810 | ||
| 6.0 | 3,670 | 3,870 | ||
| 101~200 | 0.8~1.6 | 3,670 | 3,870 | |
| 2.3 | 3,680 | 3,880 | ||
| 3.2 | 3,710 | 3,910 | ||
| 4.5 | 3,960 | 4,160 | ||
| 6.0 | 4,020 | 4,220 | ||
| 数量区分 | 標準対応 | 個別対応 | ||||
| 小口 | 大口 | 大口 | ||||
| 数 量 | 1〜3 | 4〜7 | 8〜19 | 20〜39 | 40〜100 | 101~ |
| 値引率 | 基準価格 | 35% | 40% | 50% | 50% | お見積り |
| 出荷日 | 通常 | +2日 | +5日 | |||
通常価格、通常出荷日が表示と異なる場合がございます
通常価格、通常出荷日が表示と異なる場合がございます

ミスミ
板金 取付板・ブラケット-Z曲げタイプ-SWCAS
4.3
ミスミ
板金 取付板・ブラケット-Z曲げタイプ-SWBAS
4.6
ミスミ
板金 取付板・ブラケット-Z曲げタイプ-SWBZS
4.5
ミスミ
板金 取付板・ブラケット-Z曲げタイプ-SWBBS
4.7
ミスミ
板金 取付板・ブラケット-Z曲げタイプ-SWBCS
3.7
ミスミ
板金 取付板・ブラケット-Z曲げタイプ-SWCBS
4.5
ミスミ
板金 取付板・ブラケット-Z曲げタイプ-SWBDS
4.7
ミスミ
【クリーン洗浄品】板金 取付板・ブラケット-Z曲げタイプ- SWBAS
0
ミスミ
板金 取付板・ブラケット -フリー寸法タイプ- JTDAS・JTDAR
4.4