メカニカル部品技術窓口


| Type | [M]材質 | [S]表面処理 | 洗浄方法 | |||
| 洗浄方法 | 洗浄環境 | 梱包形態 | 梱包環境 | |||
| SH-FJWNS | SUS304 | 電解研磨 | 精密洗浄 | クラス1000 | 脱気2重梱包 | クラス10 |
詳細図を記載しておりますので、ご確認ください。| 型式 |
| SH-FJWNS12−150 |
■完全固定タイプ
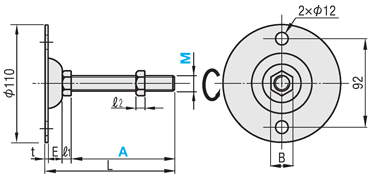
| 型式 | L | ℓ1 | ℓ2 | E | B | t | M | ねじピッチ | 垂直耐荷重 | 質量 | ¥基準単価 | |
| Type | M-A | (並目) | (kN) | (g) | SH-FJWNS | |||||||
SH-FJWNS (ステンレス) | 10-75 | 107 | 7 | 8 | 23 | 17 | 2 | 10 | 1.5 | 4.3 | 239 | 2,890 |
| 10-100 | 132 | 251 | 3,100 | |||||||||
| 12-75 | 107.5 | 8 | 10 | 22.5 | 19 | 12 | 1.75 | 4.9 | 276 | 3,030 | ||
| 12-100 | 132.5 | 294 | 3,100 | |||||||||
| 12-125 | 157.5 | 310 | 3,160 | |||||||||
| 12-150 | 182.5 | 329 | 3,240 | |||||||||
| 16-75 | 109.5 | 10 | 13 | 24 | 16 | 2.0 | 5.9 | 377 | 3,400 | |||
| 16-100 | 134.5 | 407 | 3,460 | |||||||||
| 16-130 | 164.5 | 446 | 3,630 | |||||||||
| 16-150 | 184.5 | 473 | 3,720 | |||||||||
| 16-180 | 214.5 | 512 | 3,950 | |||||||||
| 20-100 | 136.5 | 13 | 16 | 21.5 | 30 | 20 | 2.5 | 8.8 | 587 | 4,020 | ||
| 20-130 | 166.5 | 653 | 4,220 | |||||||||
| 20-150 | 186.5 | 690 | 4,380 | |||||||||
| 20-180 | 216.5 | 752 | 4,760 | |||||||||
洗浄工程作業環境:一般環境 | ||||||
|---|---|---|---|---|---|---|
![]() アルカリ系温純水 | ![]() | ![]() 純水洗浄実施後 超音波純水洗浄 ※3回実施 | ![]() | ![]() 乾燥 | ![]() | ![]() 防錆袋1重梱包 |
作業環境:クラス1000 | 作業環境:クラス10 | |||||||
|---|---|---|---|---|---|---|---|---|
![]() 炭化水素系洗浄 Ro水洗浄 | ![]() | ![]() 高圧ジェット水洗(Ro水)後 純水(10MΩ・cm)で洗浄 | ![]() | ![]() 純水(13MΩ・cm)使用 | ![]() | ![]() 窒素ブロー使用 | ![]() | ![]() クラス10クリーン環境内の クリーンベンチで実施 |
作業環境:クラス1000 | 作業環境:クラス10 | |||||||||
|---|---|---|---|---|---|---|---|---|---|---|
![]() 炭化水素系洗浄 Ro水洗浄 | ![]() | ![]() 材質に応じた電解研磨層で 電解研磨 | ![]() | ![]() 高圧ジェット水洗(Ro水)後 純水(10MΩ・cm)で洗浄 | ![]() | ![]() 温純水(13MΩ・cm)使用 | ![]() | ![]() 窒素ブロー使用 | ![]() | ![]() クラス10クリーン環境内の クリーンベンチで実施 |
梱包例| 脱脂洗浄の場合 (TYPE型番:SL-□□) ![]() | 精密洗浄または電解研磨+精密洗浄の場合 (TYPE型番:SH-□□・SHD-□□) ![]() [ ! ]1重目・2重目の梱包とも、脱気されております。 |
洗浄効果・利用推奨環境洗浄方法 | 商品型番 | 梱包形態 | 未洗浄品と比べた効果 | ご利用環境(目安) | 利用シーン・工程 |
|---|---|---|---|---|---|
| 脱脂洗浄 | SL-□□ | 防錆梱包 | 油分除去 | 一般環境 | 通常組立工程 |
| バッテリー組立後工程 | |||||
| 精密洗浄 | SH-□□ | 脱気2重梱包 | 油分除去 粉塵除去 | クリーン環境(クラス10~1,000) | バッテリー組立工程 |
| 液晶関連組立後工程 | |||||
| 車載カメラ組立工程 | |||||
| 電解研磨+精密洗浄 | SHD-□□ | 脱気2重梱包 | 油分除去 粉塵除去 アウトガス低減 | 真空環境 クリーン環境(クラス10~1,000) | 半導体前工程 |
| 液晶成膜工程 | |||||
| 有機EL前工程 |
| 型番 |
|---|
通常単価(税別)
(税込単価) | 通常出荷日 |
洗浄不要の場合の代替品
|
|---|
- ( - ) | 3日目 |
|
- ( - ) | 3日目 |
|
- ( - ) | 3日目 |
|
- ( - ) | 3日目 |
|
- ( - ) | 3日目 |
|
- ( - ) | 3日目 |
|
- ( - ) | 3日目 |
|
- ( - ) | 3日目 |
|
- ( - ) | 3日目 |
|
- ( - ) | 3日目 |
|
- ( - ) | 3日目 |
|
- ( - ) | 3日目 |
|
- ( - ) | 3日目 |
|
- ( - ) | 3日目 |
|
- ( - ) | 3日目 |
| ・脱脂洗浄(防錆1重梱包) | :型番SL-□□ |
| ・精密洗浄(脱気2重梱包) | :型番SH-□□ |
| ・電解研磨+精密洗浄(脱気2重梱包) | :型番SHD-□□ |
| 商品型番 | 洗浄方法 | 梱包形態 | 未洗浄品と比べた効果 | ご利用環境(目安) | 工程別 |
| SL-□□ | 脱脂洗浄 | 防錆梱包 | 油分除去 | 一般環境 | 通常組立工程 |
| バッテリー組立後工程 | |||||
| SH-□□ | 精密洗浄 | 脱気2重梱包 | 油分除去 粉塵除去 | クリーン環境(クラス10~1,000) | バッテリー組立工程 |
| 液晶関連組立後工程 | |||||
| 車載カメラ組立工程 | |||||
| SHD-□□ | 電解研磨+精密洗浄 | 脱気2重梱包 | 油分除去 粉塵除去 アウトガス低減 | 真空環境 クリーン環境(クラス10~1,000) | 半導体前工程 |
| 液晶成膜工程 | |||||
| 有機EL前工程 |
【特長】・アンカー打ち込み用の2つ穴をあけたタイプになっています。
通常価格、通常出荷日が表示と異なる場合がございます
通常価格、通常出荷日が表示と異なる場合がございます

ミスミ
アジャスタパッド 標準タイプ
4.6通常価格(税別):133円~

ミスミ
アジャスタパッド 重荷重タイプ
4.7通常価格(税別):376円~

ミスミ
ラバーベースアジャスタ
4.5通常価格(税別):323円~

ミスミ
アジャスタパッド 固定タイプ
4.5通常価格(税別):347円~

ミスミ
アジャスタパッド 滑り防止タイプ
4.4通常価格(税別):231円~

ミスミ
アジャスタパッドユニット
4通常価格(税別):1,007円~

ミスミ
防振パッド 重荷重タイプ
4.9通常価格(税別):1,002円~

ミスミ
【エコノミーシリーズ】 RoHS対応 アジャスタパッド 中荷重タイプ
5通常価格(税別):230円~

ミスミ
【エコノミーシリーズ】 RoHS対応 アジャスタパッド 標準タイプ
4.7通常価格(税別):110円~