メカニカル部品技術窓口
ミスミ品のみ対象


| ■穴種選択表 | |||
| 穴種 | ボルト通し穴 | タップ穴(並目) | 公差付通し穴 |
| Code | N | M | D |
| 形状図 | [ ! ] ![]() | | |
| [ ! ]d寸法は規格表下部 「N加工寸法表」参照 | |||
| 型式 | [ M ]材質 | [ S ]表面処理 | 洗浄方法 | ||||
| Type | 材質記号 | 洗浄方法 | 洗浄環境 | 梱包形態 | 梱包環境 | ||
| SL-BLUES | SUD | SUS304(2B) | - | 脱脂洗浄 | 一般環境 | 防錆梱包 | 一般環境 |
| SH-BLUES | 精密洗浄 | クラス1000 | 脱気2重梱包 | クラス10 | |||
| SHD-BLUES | 電解研磨+精密洗浄 | ||||||
| SL-BLUES | AM | A5052 | - | 脱脂洗浄 | 一般環境 | 防錆梱包 | 一般環境 |
| SH-BLUES | 精密洗浄 | クラス1000 | 脱気2重梱包 | クラス10 | |||
| SHD-BLUES | 電解研磨+精密洗浄 | ||||||
| SL-BLUES | AMW | アルマイト処理(白) | 脱脂洗浄 | 一般環境 | 防錆梱包 | 一般環境 | |
| SH-BLUES | 精密洗浄 | クラス1000 | 脱気2重梱包 | クラス10 | |||
| SL-BLUES | AMB | アルマイト処理(黒) | 脱脂洗浄 | 一般環境 | 防錆梱包 | 一般環境 | |
| SH-BLUES | 精密洗浄 | クラス1000 | 脱気2重梱包 | クラス10 | |||
| SL-BLUES | SPU | T0.8~3.2 : SPCC T4.5~6.0 : SPHC | 三価クロメート(白) | 脱脂洗浄 | 一般環境 | 防錆梱包 | 一般環境 |
| SH-BLUES | 精密洗浄 | クラス1000 | 脱気2重梱包 | クラス10 | |||
| SL-BLUES | SPK | 三価クロメート(黒) | 脱脂洗浄 | 一般環境 | 防錆梱包 | 一般環境 | |
| SH-BLUES | 精密洗浄 | クラス1000 | 脱気2重梱包 | クラス10 | |||
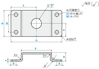
| 型式 | − | A | − | B | − | T | − | H | − | V | − | S | − | W | − | 穴指定① | − | L | − | Y | − | D | ||
| Code・呼び | ||||||||||||||||||||||||
| Type | − | 材質記号 | ||||||||||||||||||||||
| SL-BLUES | − | SUD | − | A80 | − | B40 | − | T2.0 | − | H40 | − | V50 | − | S7 | − | W20 | − | N3 | − | L40 | − | Y20 | − | D20 |
| 型式 | 指定1mm単位 | 選択 | 指定1mm単位 | S | W | 穴指定① | L | Y | D | ||||
| Type | 材質記号 | A | B | T | H | V | Code/指定方法 | ||||||
| SL-BLUES SH-BLUES SHD-BLUES | SUD AM AMW AMB | 30 ~ 200 | 20 ~ 200 | 1.5 ・ 2.0 ・ 3.0 ・ 40 | 10 | min | min 15 ~ [ ! ]V≧H | N (ボルト通し穴) 0・3・4・5 6・8・10 (選択) [ ! ] | M (タップ穴) 0・3・4・5 6・8・10 (選択) [ ! ] | 指定 0.1mm単位 | 3~30 0.5mm単位 | ||
| SPU SPK | 0.8 ・ 1.0 ・ 1.2 ・ 1.6 | ||||||||||||
| 2.3 ・ 3.2 ・ 4.5 ・ 6.0 | |||||||||||||
| [ ! ]穴が端面に近すぎると穴が変形する可能性がありますが、加工限界内であればそのまま加工します。 | |||||||||||||
| [ NG ]AM・AMW・AMBはT=4.0適用不可 | |||||||||||||
| [ NG ]AMW・AMB・SPU・SPKは電解研磨(SHD-)適用不可 | |||||||||||||
[ ! ]N加工寸法
| N指定値 | 通し穴径(d) |
| 0 | (穴無し) |
| 3 | 3.5 |
| 4 | 4.5 |
| 5 | 5.5 |
| 6 | 6.5 |
| 8 | 9 |
| 10 | 11 |
[ ! ]穴加工対応表
| T | N(ボルト通し穴) | M(タップ穴) |
| 0.8 | 0・3・4・5・6・8・10 | 0 |
| 1.0、1.2 | 0・3 | |
| 1.5、1.6 | 0・3・4 | |
| 2.0、2.3 | 0・3・4・5・6 | |
| 3.0、3.2 | 0・3・4・5・6・8 | |
| 4.0~6.0 | 0・3・4・5・6・8・10 |
|
| ||||||||||||||||||||||||||||||||||||||||||||||||||||||||||||||||||||||||||||||
[ ! ]1.許容差は下図を参照
| <加工寸法の普通許容差> | ||||||
| 商品 | 基準寸法の区分 (A・H寸法) | 6以下 | 6を超え 30以下 | 30を超え 120以下 | 120を超え 400以下 | |
| 板金(曲げ加工品) | 許容差(a・h) | ±0.3 | ±0.5 | ±0.8 | ±1.2 | |
| ※板金は、JIS B 0408の金属プレス加工品普通許容差の公差等級:B級を採用。 | ||||||

[ ! ]4.薄板の場合は、タップの山がつぶれる可能性がありますので締め付けの際はご注意ください。
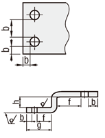
[ ! ]5.下図のf,b,h,gの各部には加工限界があります。
| T | f(穴と曲げの距離) | b (穴と断面 との距離) | h | g | ||||||
| SPCC SPHC | A5052 | SUS304 | 通し穴 | タップ穴 | 公差付穴 曲げと平行な長穴 | |||||
| L曲げ | Z・凸曲げ | L曲げ | Z・凸曲げ | |||||||
| 0.8 | ー | ー | 2 | 3 | - | - | 3.5 | 1 | 5 | 5 |
| 1.0 | ー | ー | 2 | 3 | 3 | 5.5 | 3.5 | 1 | 5.5 | 5.5 |
| 1.2 | ー | ー | 2 | 3 | 3 | 5.5 | 3.5 | 1 | 5.5 | 5.5 |
| 1.6 | 1.5 | 1.5 | 2 | 3.5 | 3 | 6 | 4 | 1 | 6 | 6 |
| 2.3 | 2.0 | 2.0 | 2 | 4.5 | 3 | 7 | 5 | 1.5 | 7 | 7 |
| 3.2 | 3.0 | 3.0 | 2 | 6.5 | 3 | 9 | 7 | 1.5 | 9 | 9 |
| 4.5 | ー | 4.0 | 3 | 7.5 | 4 | 11 | 8(9) | 2 | 11 | 11 |
| 6.0 | ー | ー | 3 | 14 | 4 | 16 | 15 | 2.5 | 16 | 18 |
[ ! ] T4.0・T4.5の曲げと平行な長穴のfは(9)となります。
[ ! ]上記加工限界値で寸法指定した場合、穴が変形する可能性があります。

[ ! ]6.プレスブレーキのブレーキ押さえによるキズが付きます。r・e・d寸法は目安となります。
| T | 曲げ後R | ブレーキキズ | |||
| 位置 | 深さ | ||||
| SPCC SPHC | A5052 | SUS304 | (r) | (e) | (d) |
| 0.8 | ー | ー | 0.8 | 5 | 0.1 |
| 1.0 | ー | ー | 1 | 5 | 0.1 |
| 1.2 | ー | ー | 1.2 | 5 | 0.1 |
| 1.6 | 1.5 | 1.5 | 1.5 | 6 | 0.1 |
| 2.3 | 2.0 | 2.0 | 2.0 | 7.5 | 0.1 |
| 3.2 | 3.0 | 3.0 | 3.0 | 10.5 | 0.2 |
| 4.5 | ー | 4.0 | 4.0 | 13.5 | 0.3 |
| 6.0 | ー | ー | 6.0 | 17 | 0.5 |

[ ! ] 曲げと穴の位置が近い場合、rが小さくなることがあります。
[ ! ]7.曲げによる食い込み、及び膨らみが付きます。

| なし | 四三酸化鉄皮膜 | 三価クロメート(白) | 三価クロメート(黒) | |
| SP | SPB | SPU | SPK | |
| SPCC T0.8~3.2 | ![]() | ![]() | ![]() | ![]() |
| SPHC T4.5~6.0 | ![]() | ![]() | ![]() | ![]() |
| SS400(黒皮) T9.0 | ![]() | ![]() | ![]() | ![]() |
| なし | アルマイト処理(白) | アルマイト処理(黒) | |
| AM | AMW | AMB | |
| A5052 | ![]() | ![]() | ![]() |
| なし | |
| SUD | |
| SUS304(2B) T0.8~6.0 | ![]() |
| SUS304(No.1) T9.0 | ![]() |
洗浄工程| ※材質がステンレスの場合、アルカリ系温水洗浄となることがあります。 | |
| ・脱脂洗浄(型式:SL-□□) | ※表面処理が低温黒色クロムメッキの場合、IPA洗浄となります。 |
作業環境:一般環境 | ||||||
|---|---|---|---|---|---|---|
![]() 炭化水素系洗浄※ Ro水洗浄 中性洗剤洗浄 | ![]() | ![]() 高圧ジェット水洗(Ro水) 後に純水(10MΩ・cm)で 洗浄 | ![]() | ![]() エアブロー(オイルフリー) 使用 | ![]() | ![]() 防錆袋使用 |
| ・精密洗浄(型式:SH-□□) | ※表面処理が低温黒色クロムメッキの場合、IPA洗浄となります。 |
作業環境:クラス1000 | 作業環境:クラス10 | |||||||
|---|---|---|---|---|---|---|---|---|
![]() 炭化水素系洗浄※ Ro水洗浄 中性洗剤洗浄 | ![]() | ![]() 高圧ジェット水洗(Ro水) 後に純水(10MΩ・cm)で 洗浄 | ![]() | ![]() 温純水(13MΩ・cm)使用 | ![]() | ![]() 窒素ブロー使用 | ![]() | ![]() クリーンベンチ(クラス10) で実施 |
作業環境:クラス1000 | 作業環境:クラス10 | |||||||||
|---|---|---|---|---|---|---|---|---|---|---|
![]() 炭化水素系洗浄 Ro水洗浄 中性洗剤洗浄 | ![]() | ![]() 材質に応じた電解研磨槽 で電解研磨 | ![]() | ![]() 高圧ジェット水洗(Ro水) 後に純水(10MΩ・cm)で 洗浄 | ![]() | ![]() 温純水(13MΩ・cm)使用 | ![]() | ![]() 窒素ブロー使用 | ![]() | ![]() クリーンベンチ(クラス10) で実施 |
梱包例| 脱脂洗浄の場合 (TYPE型番:SL-□□) | 精密洗浄または電解研磨+精密洗浄の場合 | |
| (TYPE型番:SH-□□・SHD-□□) | ||
| オーステナイト系ステンレス・アルミ材質の場合 | 鉄・マルテンサイト系ステンレス材質の場合 | |
![]() | ![]() | ![]() |
| 一部商品・サイズによっては、 梱包形態が異なる場合がございます。 | [ ! ]1重目・2重目の梱包とも、脱気されております。 | [ ! ]防錆対策として乾燥剤を同封しております。 1梱包につき1つになります。 |
洗浄効果・利用推奨環境洗浄方法 | 商品型番 | 梱包形態 | 未洗浄品と比べた効果 | ご利用環境(目安) | 利用シーン・工程 |
|---|---|---|---|---|---|
| 脱脂洗浄 | SL-□□ | 防錆梱包 | 油分除去 | 一般環境 | 通常組立工程 |
| バッテリー組立後工程 | |||||
| 精密洗浄 | SH-□□ | 脱気2重梱包 | 油分除去 粉塵除去 | クリーン環境(クラス10~1,000) | バッテリー組立工程 |
| 液晶関連組立後工程 | |||||
| 車載カメラ組立工程 | |||||
| 電解研磨+精密洗浄 | SHD-□□ | 脱気2重梱包 | 油分除去 粉塵除去 アウトガス低減 | 真空環境 クリーン環境(クラス10~1,000) | 半導体前工程 |
| 液晶成膜工程 | |||||
| 有機EL前工程 |
| 型番 |
|---|
通常単価(税別)
(税込単価) | 通常出荷日 |
洗浄不要の場合の代替品
|
|---|
- ( - ) | 6日目 |
|
- ( - ) | 8日目 |
|
- ( - ) | 8日目 |
|
- ( - ) | 8日目 |
|
- ( - ) | 8日目 |
|
- ( - ) | 6日目 |
|
- ( - ) | 6日目 |
|
- ( - ) | 6日目 |
|
- ( - ) | 6日目 |
|
- ( - ) | 8日目 |
|
- ( - ) | 8日目 |
|
- ( - ) | 8日目 |
|
- ( - ) | 8日目 |
|
- ( - ) | 6日目 |
| ・脱脂洗浄(防錆1重梱包) | :型番SL-□□ |
| ・精密洗浄(脱気2重梱包) | :型番SH-□□ |
| ・電解研磨+精密洗浄(脱気2重梱包) | :型番SHD-□□ |
| 商品型番 | 洗浄方法 | 梱包形態 | 未洗浄品と比べた効果 | ご利用環境(目安) | 工程別 |
| SL-□□ | 脱脂洗浄 | 防錆梱包 | 油分除去 | 一般環境 | 通常組立工程 |
| バッテリー組立後工程 | |||||
| SH-□□ | 精密洗浄 | 脱気2重梱包 | 油分除去 粉塵除去 | クリーン環境(クラス10~1,000) | バッテリー組立工程 |
| 液晶関連組立後工程 | |||||
| 車載カメラ組立工程 | |||||
| SHD-□□ | 電解研磨+精密洗浄 | 脱気2重梱包 | 油分除去 粉塵除去 アウトガス低減 | 真空環境 クリーン環境(クラス10~1,000) | 半導体前工程 |
| 液晶成膜工程 | |||||
| 有機EL前工程 |
鉄・アルミ・ステンレスからご選定頂ける凸曲げ板金ブラケットです。汎用的な穴パターンをご用意しております。寸法フリーにて指定可能です。
| A | B | T | ¥基準単価 | ||
| SL-BLUES | SH-BLUES | SHD-BLUES | |||
| 30~120 | 20~100 | 1.5 | 3,160 | 3,660 | 3,960 |
| 2.0 | 3,450 | 3,950 | 4,250 | ||
| 3.0 | 3,470 | 3,970 | 4,270 | ||
| 4.0 | 3,940 | 4,440 | 4,740 | ||
| 101~140 | 1.5 | 3,260 | 3,760 | 4,060 | |
| 2.0 | 3,590 | 4,090 | 4,390 | ||
| 3.0 | 3,810 | 4,310 | 4,610 | ||
| 4.0 | 4,390 | 4,890 | 5,190 | ||
| 141~200 | 1.5 | 3,350 | 3,850 | 4,150 | |
| 2.0 | 3,730 | 4,230 | 4,530 | ||
| 3.0 | 4,120 | 4,620 | 4,920 | ||
| 4.0 | 4,820 | 5,320 | 5,620 | ||
| 121~200 | 20~100 | 1.5 | 3,240 | 3,740 | 4,040 |
| 2.0 | 3,590 | 4,090 | 4,390 | ||
| 3.0 | 3,970 | 4,470 | 4,770 | ||
| 4.0 | 4,520 | 5,020 | 5,320 | ||
| 101~140 | 1.5 | 3,420 | 3,920 | 4,220 | |
| 2.0 | 3,820 | 4,320 | 4,620 | ||
| 3.0 | 4,320 | 4,820 | 5,120 | ||
| 4.0 | 5,000 | 5,500 | 5,800 | ||
| 141~200 | 1.5 | 3,580 | 4,080 | 4,380 | |
| 2.0 | 4,050 | 4,550 | 4,850 | ||
| 3.0 | 4,640 | 5,140 | 5,440 | ||
| 4.0 | 5,410 | 5,910 | 6,210 | ||
| A | B | T | ¥基準単価 | ||||||
| AM (表面処理なし) | AMW (アルマイト処理(白)) | AMB (アルマイト処理(黒)) | |||||||
| SL-BLUES | SH-BLUES | SHD-BLUES | SL-BLUES | SH-BLUES | SL-BLUES | SH-BLUES | |||
| 30~120 | 20~100 | 1.5 | 2,940 | 3,440 | 3,740 | 3,890 | 4,390 | 4,060 | 4,560 |
| 2.0 | 2,980 | 3,480 | 3,780 | 3,940 | 4,440 | 4,110 | 4,610 | ||
| 3.0 | 3,080 | 3,580 | 3,880 | 4,030 | 4,530 | 4,200 | 4,700 | ||
| 101~140 | 1.5 | 3,240 | 3,740 | 4,040 | 4,670 | 5,170 | 4,990 | 5,490 | |
| 2.0 | 3,280 | 3,780 | 4,080 | 4,710 | 5,210 | 5,030 | 5,530 | ||
| 3.0 | 3,360 | 3,860 | 4,160 | 4,790 | 5,290 | 5,110 | 5,610 | ||
| 141~200 | 1.5 | 3,510 | 4,010 | 4,310 | 5,430 | 5,930 | 5,710 | 6,210 | |
| 2.0 | 3,580 | 4,080 | 4,380 | 5,490 | 5,990 | 5,770 | 6,270 | ||
| 3.0 | 3,660 | 4,160 | 4,460 | 5,580 | 6,080 | 5,850 | 6,350 | ||
| 121~200 | 20~100 | 1.5 | 3,360 | 3,860 | 4,160 | 4,490 | 4,990 | 4,640 | 5,140 |
| 2.0 | 3,430 | 3,930 | 4,230 | 4,550 | 5,050 | 4,700 | 5,200 | ||
| 3.0 | 3,510 | 4,010 | 4,310 | 4,640 | 5,140 | 4,780 | 5,280 | ||
| 101~140 | 1.5 | 3,710 | 4,210 | 4,510 | 5,540 | 6,040 | 5,980 | 6,480 | |
| 2.0 | 3,790 | 4,290 | 4,590 | 5,770 | 6,270 | 6,060 | 6,560 | ||
| 3.0 | 3,870 | 4,370 | 4,670 | 5,850 | 6,350 | 6,140 | 6,640 | ||
| 141~200 | 1.5 | 4,110 | 4,610 | 4,910 | 6,550 | 7,050 | 6,830 | 7,330 | |
| 2.0 | 4,160 | 4,660 | 4,960 | 6,610 | 7,110 | 6,880 | 7,380 | ||
| 3.0 | 4,250 | 4,750 | 5,050 | 6,700 | 7,200 | 6,980 | 7,480 | ||
| A | B | T | 本体価格 ¥基準単価 | |||
| SPU(三価クロメート(白)) | SPK(三価クロメート(黒)) | |||||
| SL-BLUES | SH-BLUES | SL-BLUES | SH-BLUES | |||
| 30~120 | 20~100 | 0.8~1.6 | 3,040 | 3,540 | 3,020 | 3,520 |
| 2.3 | 3,160 | 3,660 | 3,150 | 3,650 | ||
| 3.2 | 3,180 | 3,680 | 3,170 | 3,670 | ||
| 4.5 | 3,510 | 4,010 | 3,500 | 4,000 | ||
| 6.0 | 3,510 | 4,010 | 3,500 | 4,000 | ||
| 101~140 | 0.8~1.6 | 3,070 | 3,570 | 3,060 | 3,560 | |
| 2.3 | 3,260 | 3,760 | 3,250 | 3,750 | ||
| 3.2 | 3,390 | 3,890 | 3,370 | 3,870 | ||
| 4.5 | 3,700 | 4,200 | 3,690 | 4,190 | ||
| 6.0 | 3,700 | 4,200 | 3,690 | 4,190 | ||
| 141~200 | 0.8~1.6 | 3,140 | 3,640 | 3,130 | 3,630 | |
| 2.3 | 3,350 | 3,850 | 3,340 | 3,840 | ||
| 3.2 | 3,550 | 4,050 | 3,540 | 4,040 | ||
| 4.5 | 3,870 | 4,370 | 3,850 | 4,350 | ||
| 6.0 | 3,870 | 4,370 | 3,850 | 4,350 | ||
| 121~200 | 20~100 | 0.8~1.6 | 3,080 | 3,580 | 3,070 | 3,570 |
| 2.3 | 3,250 | 3,750 | 3,240 | 3,740 | ||
| 3.2 | 3,500 | 4,000 | 3,490 | 3,990 | ||
| 4.5 | 3,790 | 4,290 | 3,770 | 4,270 | ||
| 6.0 | 3,870 | 4,370 | 3,850 | 4,350 | ||
| 101~140 | 0.8~1.6 | 3,200 | 3,700 | 3,190 | 3,690 | |
| 2.3 | 3,400 | 3,900 | 3,390 | 3,890 | ||
| 3.2 | 3,700 | 4,200 | 3,680 | 4,180 | ||
| 4.5 | 4,030 | 4,530 | 4,010 | 4,510 | ||
| 6.0 | 4,080 | 4,580 | 4,060 | 4,560 | ||
| 141~200 | 0.8~1.6 | 3,280 | 3,780 | 3,270 | 3,770 | |
| 2.3 | 3,550 | 4,050 | 3,530 | 4,030 | ||
| 3.2 | 3,840 | 4,340 | 3,820 | 4,320 | ||
| 4.5 | 4,230 | 4,730 | 4,210 | 4,710 | ||
| 6.0 | 4,260 | 4,760 | 4,240 | 4,740 | ||
| 数量区分 | 標準対応 | 個別対応 | ||||
| 小口 | 大口 | 大口 | ||||
| 数 量 | 1〜3 | 4〜7 | 8〜19 | 20〜39 | 40〜100 | 101~ |
| 値引率 | 基準価格 | 35% | 40% | 50% | 50% | お見積り |
| 出荷日 | 通常 | +2日 | +5日 | |||

通常価格、通常出荷日が表示と異なる場合がございます
通常価格、通常出荷日が表示と異なる場合がございます

ミスミ
板金 取付板・ブラケット-凸曲げタイプ- BLUES
4.6
ミスミ
板金 取付板・ブラケット-凸曲げタイプ- BLUJS
4.7
ミスミ
板金 取付板・ブラケット-凸曲げタイプ- BLUFS
4.5
ミスミ
板金 取付板・ブラケット-凸曲げタイプ- BLUZS
4.7
ミスミ
板金 取付板・ブラケット -フリー寸法タイプ- JTDAS・JTDAR
4.4
ミスミ
板金 取付板・ブラケット-センター振り分けタイプ- JSDAS
4.6
ミスミ
板金 取付板・ブラケット -フリー寸法タイプ- JTAAS・JTAAR
4.6
ミスミ
L型板金 取付板・ブラケット-フリー寸法タイプ- FAMCS・FAMCR
4.3
ミスミ
L型板金 取付板・ブラケット-フリー寸法タイプ- FALCS・FALCR
4.4