メカニカル部品技術窓口
ミスミ品のみ対象

[ ! ]
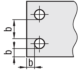
(穴加工)
| 穴種 | タップ穴 | ボルト通し穴 | ザグリ表 | ザグリ裏 | |||||||||||||||||||||||||||||||||||||||
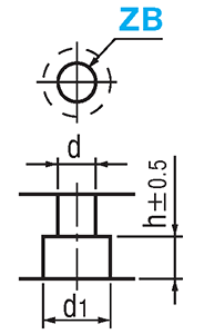
| Code | M・MA | N・NA | Z・ZF | ZB | |||||||||||||||||||||||||||||||||||||||
| 形状図 | ![]() | ![]() | ![]() | ![]() | |||||||||||||||||||||||||||||||||||||||
| 加工 仕様 | タップ有効長 最大M・MA×2 [ ! ]T≧M・MA×3のとき、 タップ下穴が貫通しない 場合があります。 |
| |||||||||||||||||||||||||||||||||||||||||

| 型式 | [ M ]材質 | [ S ]表面処理 | 洗浄方法 | ||||
| Type | 材質記号 | 洗浄方法 | 洗浄環境 | 梱包形態 | 梱包環境 | ||
| SL-HFMDB | SU | SUS304 | - | 脱脂洗浄 | 一般環境 | 防錆梱包 | 一般環境 |
| SH-HFMDB | 精密洗浄 | クラス1000 | 脱気2重梱包 | クラス10 | |||
| SHD-HFMDB | 電解研磨+精密洗浄 | ||||||
| SL-HFMDB | AM | A5052 | - | 脱脂洗浄 | 一般環境 | 防錆梱包 | 一般環境 |
| SH-HFMDB | 精密洗浄 | クラス1000 | 脱気2重梱包 | クラス10 | |||
| SHD-HFMDB | 電解研磨+精密洗浄 | ||||||
| SL-HFMDB | AMW | アルマイト処理(白) | 脱脂洗浄 | 一般環境 | 防錆梱包 | 一般環境 | |
| SH-HFMDB | 精密洗浄 | クラス1000 | 脱気2重梱包 | クラス10 | |||
| SL-HFMDB | AMB | アルマイト処理(黒) | 脱脂洗浄 | 一般環境 | 防錆梱包 | 一般環境 | |
| SH-HFMDB | 精密洗浄 | クラス1000 | 脱気2重梱包 | クラス10 | |||
| SL-HFMDB | SCM | S50C | 無電解ニッケルメッキ | 脱脂洗浄 | 一般環境 | 防錆梱包 | 一般環境 |
| SH-HFMDB | 精密洗浄 | クラス1000 | 脱気2重梱包 | クラス10 | |||
| 型式 | − | A | − | B | − | T | − | X | − | V | − | Y | − | W | − | 穴指定① | − | L | − | F | − | S | − | G | − | 穴指定② | ||
| Code・ | Code・ | |||||||||||||||||||||||||||
| Type | − | 材質記号 | 呼び径 | 呼び径 | ||||||||||||||||||||||||
| SL-HFMDB | − | SU | − | A100 | − | B80 | − | T10 | − | X15 | − | V70 | − | Y10 | − | W60 | − | Z6 | − | L20 | − | F50 | − | G20 | − | MA6 | ||
| 型式 | 指定0.1mm単位 | X | V | Y | W | 穴指定① | L | F | S | G | 穴指定② | |||||
| Type | 材質記号 | A | B | T | Code | 呼び径 | Code | 呼び径 | ||||||||
| SL-HFMDB SH-HFMDB SHD-HFMDB | SU | 25.0 ~ 200.0 | 10.0 ~ 200.0 | 3.0 ~ 25.0 | 指定0.1mm単位 | N[ ! ] M Z[ ! ] [ ! ]加工寸法は 穴種選択表参照 | 0 (穴なし) 3 4 5 6 8 10 12 14 16 | 指定0.1mm単位 | NA[ ! ] MA ZF[ ! ] ZB[ ! ] [ ! ]加工寸法は 穴種選択表参照 | 0 (穴なし) 3 4 5 6 8 10 12 14 16 | ||||||
| AM | 25.0 ~ 200.0 | 10.0 ~ 200.0 | 3.0 ~ 30.0 | |||||||||||||
| AMW | ||||||||||||||||
| AMB | ||||||||||||||||
| SCM | ||||||||||||||||
| 型式 | − | A | − | B | − | T | − | X | − | V | − | Y | − | W | − | 穴指定① | − | L | − | F | − | S | − | G | − | 穴指定② | − | (CC) | ||
| Code・ | Code・ | |||||||||||||||||||||||||||||
| Type | − | 材質記号 | 呼び径 | 呼び径 | ||||||||||||||||||||||||||
| SL-HFMDB | − | SU | − | A100 | − | B80 | − | T10 | − | X15 | − | V70 | − | Y10 | − | W60 | − | Z6 | − | L20 | − | F50 | − | G20 | − | MA6 | − | CC10 | ||
| Alterations | コーナーカット変更 | 板厚(T寸)公差変更 | |||||||||||
![]() | TKCTHC ![]() | ||||||||||||
| Code | CC | TKC・THC | |||||||||||
| Spec. | コーナーカットを変更します。 CC=指定1mm単位 [ ! ]1≦CC≦50
(例)~-CC10 | 板厚(T寸)の公差を変更します。 TKC:公差±0.05 THC:公差±0.02 [ ! ]材質記号SCMのみ適用 [ NG ]TKC・THCは同時指定不可
(例)~-TKC、~-THC | |||||||||||
| ¥/1Code |
|
|
洗浄工程| ※材質がステンレスの場合、アルカリ系温水洗浄となることがあります。 | |
| ・脱脂洗浄(型式:SL-□□) | ※表面処理が低温黒色クロムメッキの場合、IPA洗浄となります。 |
作業環境:一般環境 | ||||||
|---|---|---|---|---|---|---|
![]() 炭化水素系洗浄※ Ro水洗浄 中性洗剤洗浄 | ![]() | ![]() 高圧ジェット水洗(Ro水) 後に純水(10MΩ・cm)で 洗浄 | ![]() | ![]() エアブロー(オイルフリー) 使用 | ![]() | ![]() 防錆袋使用 |
| ・精密洗浄(型式:SH-□□) | ※表面処理が低温黒色クロムメッキの場合、IPA洗浄となります。 |
作業環境:クラス1000 | 作業環境:クラス10 | |||||||
|---|---|---|---|---|---|---|---|---|
![]() 炭化水素系洗浄※ Ro水洗浄 中性洗剤洗浄 | ![]() | ![]() 高圧ジェット水洗(Ro水) 後に純水(10MΩ・cm)で 洗浄 | ![]() | ![]() 温純水(13MΩ・cm)使用 | ![]() | ![]() 窒素ブロー使用 | ![]() | ![]() クリーンベンチ(クラス10) で実施 |
作業環境:クラス1000 | 作業環境:クラス10 | |||||||||
|---|---|---|---|---|---|---|---|---|---|---|
![]() 炭化水素系洗浄 Ro水洗浄 中性洗剤洗浄 | ![]() | ![]() 材質に応じた電解研磨槽 で電解研磨 | ![]() | ![]() 高圧ジェット水洗(Ro水) 後に純水(10MΩ・cm)で 洗浄 | ![]() | ![]() 温純水(13MΩ・cm)使用 | ![]() | ![]() 窒素ブロー使用 | ![]() | ![]() クリーンベンチ(クラス10) で実施 |
梱包例| 脱脂洗浄の場合 (TYPE型番:SL-□□) | 精密洗浄または電解研磨+精密洗浄の場合 | |
| (TYPE型番:SH-□□・SHD-□□) | ||
| オーステナイト系ステンレス・アルミ材質の場合 | 鉄・マルテンサイト系ステンレス材質の場合 | |
![]() | ![]() | ![]() |
| 一部商品・サイズによっては、 梱包形態が異なる場合がございます。 | [ ! ]1重目・2重目の梱包とも、脱気されております。 | [ ! ]防錆対策として乾燥剤を同封しております。 1梱包につき1つになります。 |
洗浄効果・利用推奨環境洗浄方法 | 商品型番 | 梱包形態 | 未洗浄品と比べた効果 | ご利用環境(目安) | 利用シーン・工程 |
|---|---|---|---|---|---|
| 脱脂洗浄 | SL-□□ | 防錆梱包 | 油分除去 | 一般環境 | 通常組立工程 |
| バッテリー組立後工程 | |||||
| 精密洗浄 | SH-□□ | 脱気2重梱包 | 油分除去 粉塵除去 | クリーン環境(クラス10~1,000) | バッテリー組立工程 |
| 液晶関連組立後工程 | |||||
| 車載カメラ組立工程 | |||||
| 電解研磨+精密洗浄 | SHD-□□ | 脱気2重梱包 | 油分除去 粉塵除去 アウトガス低減 | 真空環境 クリーン環境(クラス10~1,000) | 半導体前工程 |
| 液晶成膜工程 | |||||
| 有機EL前工程 |
| 型番 |
|---|
| ・脱脂洗浄(防錆1重梱包) | :型番SL-□□ |
| ・精密洗浄(脱気2重梱包) | :型番SH-□□ |
| ・電解研磨+精密洗浄(脱気2重梱包) | :型番SHD-□□ |
| 商品型番 | 洗浄方法 | 梱包形態 | 未洗浄品と比べた効果 | ご利用環境(目安) | 工程別 |
| SL-□□ | 脱脂洗浄 | 防錆梱包 | 油分除去 | 一般環境 | 通常組立工程 |
| バッテリー組立後工程 | |||||
| SH-□□ | 精密洗浄 | 脱気2重梱包 | 油分除去 粉塵除去 | クリーン環境(クラス10~1,000) | バッテリー組立工程 |
| 液晶関連組立後工程 | |||||
| 車載カメラ組立工程 | |||||
| SHD-□□ | 電解研磨+精密洗浄 | 脱気2重梱包 | 油分除去 粉塵除去 アウトガス低減 | 真空環境 クリーン環境(クラス10~1,000) | 半導体前工程 |
| 液晶成膜工程 | |||||
| 有機EL前工程 |
6面フライス加工のブラケットです。汎用的な穴パターンをご用意しております。寸法フリーにて指定可能です。板圧も寸法フリーにて指定可能です。
| A | B | ¥本体価格+穴加工料金 | |||||||||||
| SL-HFMDB | SH-HFMDB | SHD-HFMDB | |||||||||||
| T3.0~7.0 | T7.1~10.0 | T10.1~15.0 | T15.1~25.0 | T3.0~7.0 | T7.1~10.0 | T10.1~15.0 | T15.1~25.0 | T3.0~7.0 | T7.1~10.0 | T10.1~15.0 | T15.1~25.0 | ||
| 25.0~50.0 | 10.0~50.0 | 5,530 | 5,860 | 6,250 | 6,390 | 6,530 | 6,860 | 7,250 | 7,390 | 7,130 | 7,460 | 7,850 | 7,990 |
| 50.1~100.0 | 5,930 | 6,580 | 7,010 | 7,540 | 6,930 | 7,580 | 8,010 | 8,540 | 7,530 | 8,180 | 8,610 | 9,140 | |
| 100.1~150.0 | 6,310 | 6,870 | 7,900 | 8,630 | 7,310 | 7,870 | 8,900 | 9,630 | 7,910 | 8,470 | 9,500 | 10,230 | |
| 150.1~200.0 | 6,740 | 7,360 | 8,470 | 9,570 | 7,740 | 8,360 | 9,470 | 10,570 | 8,340 | 8,960 | 10,070 | 11,170 | |
| 50.1~100.0 | 10.0~50.0 | 5,930 | 6,260 | 7,280 | 7,860 | 6,930 | 7,260 | 8,280 | 8,860 | 7,530 | 7,860 | 8,880 | 9,460 |
| 50.1~100.0 | 6,720 | 7,360 | 8,470 | 9,570 | 7,720 | 8,360 | 9,470 | 10,570 | 8,320 | 8,960 | 10,070 | 11,170 | |
| 100.1~150.0 | 7,480 | 8,470 | 10,130 | 11,770 | 8,480 | 9,470 | 11,130 | 12,770 | 9,080 | 10,070 | 11,730 | 13,370 | |
| 150.1~200.0 | 8,300 | 9,570 | 11,080 | 12,940 | 9,300 | 10,570 | 12,080 | 13,940 | 9,900 | 11,170 | 12,680 | 14,540 | |
| 100.1~150.0 | 10.0~50.0 | 6,310 | 6,820 | 8,110 | 8,880 | 7,310 | 7,820 | 9,110 | 9,880 | 7,910 | 8,420 | 9,710 | 10,480 |
| 50.1~100.0 | 7,480 | 8,470 | 10,130 | 11,770 | 8,480 | 9,470 | 11,130 | 12,770 | 9,080 | 10,070 | 11,730 | 13,370 | |
| 100.1~150.0 | 8,640 | 10,130 | 12,600 | 15,080 | 9,640 | 11,130 | 13,600 | 16,080 | 10,240 | 11,730 | 14,200 | 16,680 | |
| 150.1~200.0 | 9,870 | 11,780 | 15,100 | 18,380 | 10,870 | 12,780 | 16,100 | 19,380 | 11,470 | 13,380 | 16,700 | 19,980 | |
| 150.1~200.0 | 10.0~50.0 | 6,740 | 7,360 | 9,040 | 10,110 | 7,740 | 8,360 | 10,040 | 11,110 | 8,340 | 8,960 | 10,640 | 11,710 |
| 50.1~100.0 | 8,300 | 9,570 | 11,080 | 12,940 | 9,300 | 10,570 | 12,080 | 13,940 | 9,900 | 11,170 | 12,680 | 14,540 | |
| 100.1~150.0 | 9,870 | 11,780 | 15,100 | 18,380 | 10,870 | 12,780 | 16,100 | 19,380 | 11,470 | 13,380 | 16,700 | 19,980 | |
| 150.1~200.0 | 11,080 | 12,830 | 15,760 | 19,150 | 12,080 | 13,830 | 16,760 | 20,150 | 12,680 | 14,430 | 17,360 | 20,750 | |
| A | B | ¥本体価格+穴加工料金 | ||||||||||||||
| SL-HFMDB | SH-HFMDB | SHD-HFMDB | ||||||||||||||
| T3.0~7.0 | T7.1~10.0 | T10.1~15.0 | T15.1~25.0 | T25.1~30.0 | T3.0~7.0 | T7.1~10.0 | T10.1~15.0 | T15.1~25.0 | T25.1~30.0 | T3.0~7.0 | T7.1~10.0 | T10.1~15.0 | T15.1~25.0 | T25.1~30.0 | ||
| 25.0~50.0 | 10.0~50.0 | 4,240 | 4,430 | 4,510 | 4,600 | 4,660 | 5,240 | 5,430 | 5,510 | 5,600 | 5,660 | 5,840 | 6,030 | 6,110 | 6,200 | 6,260 |
| 50.1~100.0 | 4,430 | 4,460 | 4,790 | 4,960 | 5,200 | 5,430 | 5,460 | 5,790 | 5,960 | 6,200 | 6,030 | 6,060 | 6,390 | 6,560 | 6,800 | |
| 100.1~150.0 | 4,620 | 4,790 | 5,060 | 5,340 | 5,750 | 5,620 | 5,790 | 6,060 | 6,340 | 6,750 | 6,220 | 6,390 | 6,660 | 6,940 | 7,350 | |
| 150.1~200.0 | 4,770 | 4,970 | 5,340 | 5,700 | 6,280 | 5,770 | 5,970 | 6,340 | 6,700 | 7,280 | 6,370 | 6,570 | 6,940 | 7,300 | 7,880 | |
| 50.1~100.0 | 10.0~50.0 | 4,290 | 4,460 | 4,790 | 4,960 | 5,200 | 5,290 | 5,460 | 5,790 | 5,960 | 6,200 | 5,890 | 6,060 | 6,390 | 6,560 | 6,800 |
| 50.1~100.0 | 4,730 | 4,920 | 5,340 | 5,700 | 6,280 | 5,730 | 5,920 | 6,340 | 6,700 | 7,280 | 6,330 | 6,520 | 6,940 | 7,300 | 7,880 | |
| 100.1~150.0 | 4,840 | 5,340 | 5,880 | 6,440 | 7,370 | 5,840 | 6,340 | 6,880 | 7,440 | 8,370 | 6,440 | 6,940 | 7,480 | 8,040 | 8,970 | |
| 150.1~200.0 | 5,300 | 5,700 | 6,450 | 7,180 | 8,440 | 6,300 | 6,700 | 7,450 | 8,180 | 9,440 | 6,900 | 7,300 | 8,050 | 8,780 | 10,040 | |
| 100.1~150.0 | 10.0~50.0 | 4,620 | 4,790 | 5,060 | 5,340 | 5,750 | 5,620 | 5,790 | 6,060 | 6,340 | 6,750 | 6,220 | 6,390 | 6,660 | 6,940 | 7,350 |
| 50.1~100.0 | 4,770 | 5,340 | 5,880 | 6,440 | 7,370 | 5,770 | 6,340 | 6,880 | 7,440 | 8,370 | 6,370 | 6,940 | 7,480 | 8,040 | 8,970 | |
| 100.1~150.0 | 5,380 | 5,880 | 6,720 | 7,540 | 8,990 | 6,380 | 6,880 | 7,720 | 8,540 | 9,990 | 6,980 | 7,480 | 8,320 | 9,140 | 10,590 | |
| 150.1~200.0 | 5,820 | 6,450 | 7,540 | 8,650 | 10,620 | 6,820 | 7,450 | 8,540 | 9,650 | 11,620 | 7,420 | 8,050 | 9,140 | 10,250 | 12,220 | |
| 150.1~200.0 | 10.0~50.0 | 4,770 | 4,970 | 5,340 | 5,700 | 6,280 | 5,770 | 5,970 | 6,340 | 6,700 | 7,280 | 6,370 | 6,570 | 6,940 | 7,300 | 7,880 |
| 50.1~100.0 | 5,170 | 5,700 | 6,450 | 7,180 | 8,440 | 6,170 | 6,700 | 7,450 | 8,180 | 9,440 | 6,770 | 7,300 | 8,050 | 8,780 | 10,040 | |
| 100.1~150.0 | 5,820 | 6,450 | 7,540 | 8,650 | 10,620 | 6,820 | 7,450 | 8,540 | 9,650 | 11,620 | 7,420 | 8,050 | 9,140 | 10,250 | 12,220 | |
| 150.1~200.0 | 6,350 | 7,180 | 8,660 | 10,130 | 12,760 | 7,350 | 8,180 | 9,660 | 11,130 | 13,760 | 7,950 | 8,780 | 10,260 | 11,730 | 14,360 | |
| A | B | ¥本体価格+穴加工料金 | |||||||||
| SL-HFMDB | SH-HFMDB | ||||||||||
| T5.0~7.0 | T7.1~10.0 | T10.1~15.0 | T15.1~25.0 | T25.1~30.0 | T5.0~7.0 | T7.1~10.0 | T10.1~15.0 | T15.1~25.0 | T25.1~30.0 | ||
| 25.0~50.0 | 10.0~50.0 | 4,410 | 4,680 | 4,790 | 4,900 | 5,020 | 5,410 | 5,680 | 5,790 | 5,900 | 6,020 |
| 50.1~100.0 | 4,600 | 4,710 | 5,050 | 5,280 | 5,560 | 5,600 | 5,710 | 6,050 | 6,280 | 6,560 | |
| 100.1~150.0 | 4,840 | 5,050 | 5,460 | 5,780 | 6,250 | 5,840 | 6,050 | 6,460 | 6,780 | 7,250 | |
| 150.1~200.0 | 5,040 | 5,260 | 5,860 | 6,290 | 6,970 | 6,040 | 6,260 | 6,860 | 7,290 | 7,970 | |
| 50.1~100.0 | 10.0~50.0 | 4,480 | 4,750 | 5,230 | 5,500 | 5,840 | 5,480 | 5,750 | 6,230 | 6,500 | 6,840 |
| 50.1~100.0 | 4,930 | 5,200 | 5,780 | 6,230 | 6,920 | 5,930 | 6,200 | 6,780 | 7,230 | 7,920 | |
| 100.1~150.0 | 5,130 | 5,780 | 6,540 | 7,220 | 8,300 | 6,130 | 6,780 | 7,540 | 8,220 | 9,300 | |
| 150.1~200.0 | 5,650 | 6,270 | 7,330 | 8,230 | 9,690 | 6,650 | 7,270 | 8,330 | 9,230 | 10,690 | |
| 100.1~150.0 | 10.0~50.0 | 4,900 | 5,230 | 5,720 | 6,120 | 6,670 | 5,900 | 6,230 | 6,720 | 7,120 | 7,670 |
| 50.1~100.0 | 5,060 | 5,780 | 6,540 | 7,220 | 8,300 | 6,060 | 6,780 | 7,540 | 8,220 | 9,300 | |
| 100.1~150.0 | 5,790 | 6,540 | 7,700 | 8,710 | 10,380 | 6,790 | 7,540 | 8,700 | 9,710 | 11,380 | |
| 150.1~200.0 | 6,370 | 7,330 | 8,850 | 10,190 | 12,450 | 7,370 | 8,330 | 9,850 | 11,190 | 13,450 | |
| 150.1~200.0 | 10.0~50.0 | 5,130 | 5,550 | 6,220 | 6,740 | 7,520 | 6,130 | 6,550 | 7,220 | 7,740 | 8,520 |
| 50.1~100.0 | 5,530 | 6,270 | 7,330 | 8,230 | 9,690 | 6,530 | 7,270 | 8,330 | 9,230 | 10,690 | |
| 100.1~150.0 | 6,370 | 7,330 | 8,850 | 10,190 | 12,450 | 7,370 | 8,330 | 9,850 | 11,190 | 13,450 | |
| 150.1~200.0 | 7,040 | 8,360 | 10,400 | 12,200 | 15,220 | 8,040 | 9,360 | 11,400 | 13,200 | 16,220 | |
| A | B | ¥本体価格+穴加工料金 | |||||||||
| SL-HFMDB | SH-HFMDB | ||||||||||
| T5.0~7.0 | T7.1~10.0 | T10.1~15.0 | T15.1~25.0 | T25.1~30.0 | T5.0~7.0 | T7.1~10.0 | T10.1~15.0 | T15.1~25.0 | T25.1~30.0 | ||
| 25.0~50.0 | 10.0~50.0 | 4,410 | 4,680 | 4,790 | 4,900 | 5,020 | 5,410 | 5,680 | 5,790 | 5,900 | 6,020 |
| 50.1~100.0 | 4,600 | 4,710 | 5,050 | 5,280 | 5,560 | 5,600 | 5,710 | 6,050 | 6,280 | 6,560 | |
| 100.1~150.0 | 4,840 | 5,050 | 5,460 | 5,780 | 6,250 | 5,840 | 6,050 | 6,460 | 6,780 | 7,250 | |
| 150.1~200.0 | 5,040 | 5,260 | 5,860 | 6,290 | 6,970 | 6,040 | 6,260 | 6,860 | 7,290 | 7,970 | |
| 50.1~100.0 | 10.0~50.0 | 4,480 | 4,750 | 5,230 | 5,500 | 5,840 | 5,480 | 5,750 | 6,230 | 6,500 | 6,840 |
| 50.1~100.0 | 4,930 | 5,200 | 5,780 | 6,230 | 6,920 | 5,930 | 6,200 | 6,780 | 7,230 | 7,920 | |
| 100.1~150.0 | 5,130 | 5,780 | 6,540 | 7,220 | 8,300 | 6,130 | 6,780 | 7,540 | 8,220 | 9,300 | |
| 150.1~200.0 | 5,650 | 6,270 | 7,330 | 8,230 | 9,690 | 6,650 | 7,270 | 8,330 | 9,230 | 10,690 | |
| 100.1~150.0 | 10.0~50.0 | 4,900 | 5,230 | 5,720 | 6,120 | 6,670 | 5,900 | 6,230 | 6,720 | 7,120 | 7,670 |
| 50.1~100.0 | 5,060 | 5,780 | 6,540 | 7,220 | 8,300 | 6,060 | 6,780 | 7,540 | 8,220 | 9,300 | |
| 100.1~150.0 | 5,790 | 6,540 | 7,700 | 8,710 | 10,380 | 6,790 | 7,540 | 8,700 | 9,710 | 11,380 | |
| 150.1~200.0 | 6,370 | 7,330 | 8,850 | 10,190 | 12,450 | 7,370 | 8,330 | 9,850 | 11,190 | 13,450 | |
| 150.1~200.0 | 10.0~50.0 | 5,130 | 5,550 | 6,220 | 6,740 | 7,520 | 6,130 | 6,550 | 7,220 | 7,740 | 8,520 |
| 50.1~100.0 | 5,530 | 6,270 | 7,330 | 8,230 | 9,690 | 6,530 | 7,270 | 8,330 | 9,230 | 10,690 | |
| 100.1~150.0 | 6,370 | 7,330 | 8,850 | 10,190 | 12,450 | 7,370 | 8,330 | 9,850 | 11,190 | 13,450 | |
| 150.1~200.0 | 7,040 | 8,360 | 10,400 | 12,200 | 15,220 | 8,040 | 9,360 | 11,400 | 13,200 | 16,220 | |
| A | B | ¥本体価格+穴加工料金 | |||||||||
| SL-HFMDB | SH-HFMDB | ||||||||||
| T3.0~7.0 | T7.1~10.0 | T10.1~15.0 | T15.1~25.0 | T25.1~30.0 | T3.0~7.0 | T7.1~10.0 | T10.1~15.0 | T15.1~25.0 | T25.1~30.0 | ||
| 25.0~50.0 | 10.0~50.0 | 4,580 | 4,800 | 4,920 | 5,110 | 5,210 | 5,580 | 5,800 | 5,920 | 6,110 | 6,210 |
| 50.1~100.0 | 4,730 | 4,900 | 5,030 | 5,210 | 5,570 | 5,730 | 5,900 | 6,030 | 6,210 | 6,570 | |
| 100.1~150.0 | 4,880 | 5,040 | 5,360 | 5,560 | 6,060 | 5,880 | 6,040 | 6,360 | 6,560 | 7,060 | |
| 150.1~200.0 | 5,180 | 5,380 | 5,860 | 6,200 | 6,650 | 6,180 | 6,380 | 6,860 | 7,200 | 7,650 | |
| 50.1~100.0 | 10.0~50.0 | 4,600 | 5,020 | 5,420 | 5,660 | 5,870 | 5,600 | 6,020 | 6,420 | 6,660 | 6,870 |
| 50.1~100.0 | 4,960 | 5,230 | 5,720 | 5,950 | 6,580 | 5,960 | 6,230 | 6,720 | 6,950 | 7,580 | |
| 100.1~150.0 | 5,530 | 5,860 | 6,460 | 6,770 | 7,620 | 6,530 | 6,860 | 7,460 | 7,770 | 8,620 | |
| 150.1~200.0 | 5,660 | 6,200 | 7,020 | 7,660 | 8,680 | 6,660 | 7,200 | 8,020 | 8,660 | 9,680 | |
| 100.1~150.0 | 10.0~50.0 | 5,150 | 5,420 | 5,880 | 6,210 | 6,600 | 6,150 | 6,420 | 6,880 | 7,210 | 7,600 |
| 50.1~100.0 | 5,600 | 5,870 | 6,360 | 6,650 | 7,620 | 6,600 | 6,870 | 7,360 | 7,650 | 8,620 | |
| 100.1~150.0 | 6,080 | 6,520 | 7,310 | 8,030 | 9,180 | 7,080 | 7,520 | 8,310 | 9,030 | 10,180 | |
| 150.1~200.0 | 6,260 | 7,020 | 8,210 | 9,200 | 10,760 | 7,260 | 8,020 | 9,210 | 10,200 | 11,760 | |
| 150.1~200.0 | 10.0~50.0 | 5,360 | 5,740 | 6,250 | 6,750 | 7,430 | 6,360 | 6,740 | 7,250 | 7,750 | 8,430 |
| 50.1~100.0 | 5,790 | 6,200 | 7,020 | 7,660 | 8,680 | 6,790 | 7,200 | 8,020 | 8,660 | 9,680 | |
| 100.1~150.0 | 6,890 | 7,360 | 8,210 | 9,200 | 10,760 | 7,890 | 8,360 | 9,210 | 10,200 | 11,760 | |
| 150.1~200.0 | 7,200 | 7,810 | 9,440 | 10,760 | 12,840 | 8,200 | 8,810 | 10,440 | 11,760 | 13,840 | |
| 数量区分 | 標準対応 | 個別対応 | |||||
| 小口 | 大口 | 大口 | |||||
| 数 量 | 1 | 2~3 | 4~7 | 8~10 | 11~30 | 31~50 | 51~ |
| 値引率 | 基準価格 | 5% | 10% | 15% | 20% | 20% | お見積り |
| 出荷日 | 通常 | +2日 | +7日 | ||||
| 7 | 日目出荷 |
| 9 | 日目出荷 |
| 11 | 日目出荷 |
通常価格、通常出荷日が表示と異なる場合がございます
通常価格、通常出荷日が表示と異なる場合がございます

ミスミ
板金 取付板・ブラケット -フリー寸法タイプ- JTDAS・JTDAR
4.4
ミスミ
板金 取付板・ブラケット-センター振り分けタイプ- JSDAS
4.6
ミスミ
板金 取付板・ブラケット -フリー寸法タイプ- JTAAS・JTAAR
4.6
ミスミ
板金 取付板・ブラケット -フリー寸法タイプ- JTNAS・JTNAR
4.6
ミスミ
板金 取付板・ブラケット-センター振り分けタイプ- JSAAS
4.4
ミスミ
フラットバー 取付板・ブラケット -センター振り分けタイプ- HRCZA
4.7
ミスミ
板金 取付板・ブラケット -フリー寸法タイプ- JTDZS・JTDZR
4.4
ミスミ
板金 取付板・ブラケット -フリー寸法タイプ- JTBAS・JTBAR
4.6
ミスミ
板金 取付板・ブラケット -フリー寸法タイプ- JTMAS・JTMAR
5