メカニカル部品技術窓口
ミスミ品のみ対象

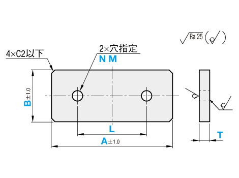
穴種 | ボルト通し穴 | タップ穴(並目) |
Code | N | M |
形状図 | [ ! ] ![]() [ ! ]d寸法は規格表下部 | ![]() |
| 型式 | [ M ]材質 | [ S ]表面処理 | 洗浄方法 | |||||
| Type | 材質記号 | 洗浄方法 | 洗浄環境 | 梱包形態 | 梱包環境 | |||
| SL-JSDAS | SUD | SUS304(2B) | - | 脱脂洗浄 | 一般環境 | 防錆梱包 | 一般環境 | |
| SH-JSDAS | 精密洗浄 | クラス1000 | 脱気2重梱包 | クラス10 | ||||
| SHD-JSDAS | 電解研磨+精密洗浄 | |||||||
| SL-JSDAS | AM | A5052 | - | 脱脂洗浄 | 一般環境 | 防錆梱包 | 一般環境 | |
| SH-JSDAS | 精密洗浄 | クラス1000 | 脱気2重梱包 | クラス10 | ||||
| SHD-JSDAS | 電解研磨+精密洗浄 | |||||||
| SL-JSDAS | AMW | アルマイト処理(白) | 脱脂洗浄 | 一般環境 | 防錆梱包 | 一般環境 | ||
| SH-JSDAS | 精密洗浄 | クラス1000 | 脱気2重梱包 | クラス10 | ||||
| SL-JSDAS | AMB | アルマイト処理(黒) | 脱脂洗浄 | 一般環境 | 防錆梱包 | 一般環境 | ||
| SH-JSDAS | 精密洗浄 | クラス1000 | 脱気2重梱包 | クラス10 | ||||
| SL-JSDAS | SPU | T0.8~3.2 T4.5~6.0 T9.0 | : SPCC : SPHC : SS400(黒皮) | 三価クロメート(白) | 脱脂洗浄 | 一般環境 | 防錆梱包 | 一般環境 |
| SH-JSDAS | 精密洗浄 | クラス1000 | 脱気2重梱包 | クラス10 | ||||
| SL-JSDAS | SPK | 三価クロメート(黒) | 脱脂洗浄 | 一般環境 | 防錆梱包 | 一般環境 | ||
| SH-JSDAS | 精密洗浄 | クラス1000 | 脱気2重梱包 | クラス10 | ||||
| 型式 | - | A | - | B | - | T | - | L | - | 穴指定 Code・呼び径 | ||
| Type | - | 材質記号 | ||||||||||
| SL-JSDAS | - | SUD | - | A80 | - | B40 | - | T3.0 | - | L30 | - | N4 |
| 型式 | 指定1mm単位 | 選択 | L | 穴指定① | |||
| Type | 材質記号 | A | B | T | Code/指定方法 | ||
| SL-JSDAS SH-JSDAS SHD-JSDAS | SUD | 10 ~ 200 | 10 ~ 100 | 2.0・3.0・4.0 | 指定 1mm単位 | N | M |
| AM | (ボルト通し穴) | (タップ穴) | |||||
| AMW | 0・3・4・5 | 0・3・4・5 | |||||
| AMB | 6・8・10 | 6・8・10 | |||||
| SPU | 0.8 ・ 1.0 ・ 1.2 ・ 1.6 ・ 2.3 | (選択) | (選択) | ||||
| SPK | 3.2 ・ 4.5 ・ 6.0 ・ 9.0 | [ ! ] | [ ! ] | ||||
| N指定値 | 通し穴径(d) |
| 3 | 3.5 |
| 4 | 4.5 |
| 5 | 5.5 |
| 6 | 6.5 |
| 8 | 9 |
| 10 | 11 |
| T | N(ボルト通し穴) | M(タップ穴) |
| 0.8 | 3・4・5・6・8・10 | 不可 |
| 1.0、1.2 | 3 | |
| 1.5、1.6 | 3・4 | |
| 2.0、2.3 | 3・4・5・6 | |
| 3.0、3.2 | 3・4・5・6・8 | |
| 4.0~6.0 | 3・4・5・6・8・10 | |
| 9.0 | 5・6・8・10 | 5・6・8・10 |


| T | b | ||
| SPCC SPHC | A5052 | SUS304 | |
| 0.8 | ー | ー | 1 |
| 1.0 | ー | ー | 1 |
| 1.2 | ー | ー | 1 |
| 1.6 | ー | ー | 1 |
| 2.3 | 2.0 | 2.0 | 1.5 |
| 3.2 | 3.0 | 3.0 | 1.5 |
| 4.5 | 4.0 | 4.0 | 2 |
| ー | ー | ー | 2.5 |
| 6.0 | ー | ー | 2.5 |
| 9.0 | ー | ー | 4 |
| なし | 四三酸化鉄皮膜 | 三価クロメート(白) | 三価クロメート(黒) | |
| SP | SPB | SPU | SPK | |
| SPCC T0.8~3.2 | ![]() | ![]() | ![]() | ![]() |
| SPHC T4.5~6.0 | ![]() | ![]() | ![]() | ![]() |
| SS400(黒皮) T9.0 | ![]() | ![]() | ![]() | ![]() |
| なし | アルマイト処理(白) | アルマイト処理(黒) | |
| AM | AMW | AMB | |
| A5052 | ![]() | ![]() | ![]() |
| なし | |
| SUD | |
| SUS304(2B) T0.8~6.0 | ![]() |
| SUS304(No.1) T9.0 | ![]() |
洗浄工程| ※材質がステンレスの場合、アルカリ系温水洗浄となることがあります。 | |
| ・脱脂洗浄(型式:SL-□□) | ※表面処理が低温黒色クロムメッキの場合、IPA洗浄となります。 |
作業環境:一般環境 | ||||||
|---|---|---|---|---|---|---|
![]() 炭化水素系洗浄※ Ro水洗浄 中性洗剤洗浄 | ![]() | ![]() 高圧ジェット水洗(Ro水) 後に純水(10MΩ・cm)で 洗浄 | ![]() | ![]() エアブロー(オイルフリー) 使用 | ![]() | ![]() 防錆袋使用 |
| ・精密洗浄(型式:SH-□□) | ※表面処理が低温黒色クロムメッキの場合、IPA洗浄となります。 |
作業環境:クラス1000 | 作業環境:クラス10 | |||||||
|---|---|---|---|---|---|---|---|---|
![]() 炭化水素系洗浄※ Ro水洗浄 中性洗剤洗浄 | ![]() | ![]() 高圧ジェット水洗(Ro水) 後に純水(10MΩ・cm)で 洗浄 | ![]() | ![]() 温純水(13MΩ・cm)使用 | ![]() | ![]() 窒素ブロー使用 | ![]() | ![]() クリーンベンチ(クラス10) で実施 |
作業環境:クラス1000 | 作業環境:クラス10 | |||||||||
|---|---|---|---|---|---|---|---|---|---|---|
![]() 炭化水素系洗浄 Ro水洗浄 中性洗剤洗浄 | ![]() | ![]() 材質に応じた電解研磨槽 で電解研磨 | ![]() | ![]() 高圧ジェット水洗(Ro水) 後に純水(10MΩ・cm)で 洗浄 | ![]() | ![]() 温純水(13MΩ・cm)使用 | ![]() | ![]() 窒素ブロー使用 | ![]() | ![]() クリーンベンチ(クラス10) で実施 |
梱包例| 脱脂洗浄の場合 (TYPE型番:SL-□□) | 精密洗浄または電解研磨+精密洗浄の場合 | |
| (TYPE型番:SH-□□・SHD-□□) | ||
| オーステナイト系ステンレス・アルミ材質の場合 | 鉄・マルテンサイト系ステンレス材質の場合 | |
![]() | ![]() | ![]() |
| 一部商品・サイズによっては、 梱包形態が異なる場合がございます。 | [ ! ]1重目・2重目の梱包とも、脱気されております。 | [ ! ]防錆対策として乾燥剤を同封しております。 1梱包につき1つになります。 |
洗浄効果・利用推奨環境洗浄方法 | 商品型番 | 梱包形態 | 未洗浄品と比べた効果 | ご利用環境(目安) | 利用シーン・工程 |
|---|---|---|---|---|---|
| 脱脂洗浄 | SL-□□ | 防錆梱包 | 油分除去 | 一般環境 | 通常組立工程 |
| バッテリー組立後工程 | |||||
| 精密洗浄 | SH-□□ | 脱気2重梱包 | 油分除去 粉塵除去 | クリーン環境(クラス10~1,000) | バッテリー組立工程 |
| 液晶関連組立後工程 | |||||
| 車載カメラ組立工程 | |||||
| 電解研磨+精密洗浄 | SHD-□□ | 脱気2重梱包 | 油分除去 粉塵除去 アウトガス低減 | 真空環境 クリーン環境(クラス10~1,000) | 半導体前工程 |
| 液晶成膜工程 | |||||
| 有機EL前工程 |
| 型番 |
|---|
通常単価(税別)
(税込単価) | 通常出荷日 |
洗浄不要の場合の代替品
|
|---|
- ( - ) | 6日目 |
|
- ( - ) | 6日目 |
|
- ( - ) | 8日目 |
|
- ( - ) | 8日目 |
|
- ( - ) | 8日目 |
|
- ( - ) | 8日目 |
|
- ( - ) | 6日目 |
|
- ( - ) | 6日目 |
|
- ( - ) | 6日目 |
|
- ( - ) | 6日目 |
|
- ( - ) | 6日目 |
|
- ( - ) | 6日目 |
|
- ( - ) | 6日目 |
|
- ( - ) | 6日目 |
|
- ( - ) | 6日目 |
|
- ( - ) | 6日目 |
|
- ( - ) | 6日目 |
|
- ( - ) | 6日目 |
|
- ( - ) | 8日目 |
|
- ( - ) | 8日目 |
|
- ( - ) | 8日目 |
|
- ( - ) | 8日目 |
|
- ( - ) | 6日目 |
|
- ( - ) | 6日目 |
|
- ( - ) | 6日目 |
|
- ( - ) | 6日目 |
|
- ( - ) | 6日目 |
|
- ( - ) | 6日目 |
| ・脱脂洗浄(防錆1重梱包) | :型番SL-□□ |
| ・精密洗浄(脱気2重梱包) | :型番SH-□□ |
| ・電解研磨+精密洗浄(脱気2重梱包) | :型番SHD-□□ |
| 商品型番 | 洗浄方法 | 梱包形態 | 未洗浄品と比べた効果 | ご利用環境(目安) | 工程別 |
| SL-□□ | 脱脂洗浄 | 防錆梱包 | 油分除去 | 一般環境 | 通常組立工程 |
| バッテリー組立後工程 | |||||
| SH-□□ | 精密洗浄 | 脱気2重梱包 | 油分除去 粉塵除去 | クリーン環境(クラス10~1,000) | バッテリー組立工程 |
| 液晶関連組立後工程 | |||||
| 車載カメラ組立工程 | |||||
| SHD-□□ | 電解研磨+精密洗浄 | 脱気2重梱包 | 油分除去 粉塵除去 アウトガス低減 | 真空環境 クリーン環境(クラス10~1,000) | 半導体前工程 |
| 液晶成膜工程 | |||||
| 有機EL前工程 |
| A | B | T | SL-JSDAS | SH-JSDAS | SHD-JSDAS | ||||||||||||
| ¥基準単価 | ¥スライド単価 | ¥基準単価 | ¥スライド単価 | ¥基準単価 | ¥スライド単価 | ||||||||||||
| 1~3コ | 4~7コ | 8~19コ | 20~39コ | 40~200コ | 1~3コ | 4~7コ | 8~19コ | 20~39コ | 40~200コ | 1~3コ | 4~7コ | 8~19コ | 20~39コ | 40~200コ | |||
| 10 ~ 100 | 10 | 2.0 | 1,860 | 1,860 | 1,190 | 1,116 | 1,116 | 2,260 | 2,260 | 1,446 | 1,356 | 1,356 | 2,500 | 2,500 | 1,600 | 1,500 | 1,500 |
| ~ | 3.0 | 1,930 | 1,930 | 1,235 | 1,158 | 1,158 | 2,330 | 2,330 | 1,491 | 1,398 | 1,398 | 2,570 | 2,570 | 1,644 | 1,542 | 1,542 | |
| 50 | 4.0 | 2,080 | 2,080 | 1,331 | 1,227 | 1,227 | 2,480 | 2,480 | 1,587 | 1,463 | 1,463 | 2,720 | 2,720 | 1,740 | 1,604 | 1,604 | |
| 51 | 2.0 | 1,910 | 1,910 | 1,222 | 1,126 | 1,126 | 2,310 | 2,310 | 1,478 | 1,362 | 1,362 | 2,550 | 2,550 | 1,632 | 1,504 | 1,504 | |
| ~ | 3.0 | 1,990 | 1,990 | 1,253 | 1,194 | 1,194 | 2,390 | 2,390 | 1,505 | 1,434 | 1,434 | 2,630 | 2,630 | 1,656 | 1,578 | 1,578 | |
| 100 | 4.0 | 2,140 | 2,140 | 1,391 | 1,284 | 1,284 | 2,540 | 2,540 | 1,651 | 1,524 | 1,524 | 2,780 | 2,780 | 1,807 | 1,668 | 1,668 | |
| 101 ~ 200 | 10 | 2.0 | 2,010 | 2,010 | 1,326 | 1,226 | 1,226 | 2,410 | 2,410 | 1,590 | 1,470 | 1,470 | 2,650 | 2,650 | 1,749 | 1,616 | 1,616 |
| ~ | 3.0 | 2,170 | 2,170 | 1,388 | 1,302 | 1,302 | 2,570 | 2,570 | 1,644 | 1,542 | 1,542 | 2,810 | 2,810 | 1,798 | 1,686 | 1,686 | |
| 50 | 4.0 | 2,400 | 2,400 | 1,584 | 1,440 | 1,440 | 2,800 | 2,800 | 1,848 | 1,680 | 1,680 | 3,040 | 3,040 | 2,006 | 1,824 | 1,824 | |
| 51 | 2.0 | 2,070 | 2,070 | 1,345 | 1,221 | 1,221 | 2,470 | 2,470 | 1,605 | 1,457 | 1,457 | 2,710 | 2,710 | 1,761 | 1,598 | 1,598 | |
| ~ | 3.0 | 2,230 | 2,230 | 1,427 | 1,360 | 1,360 | 2,630 | 2,630 | 1,683 | 1,604 | 1,604 | 2,870 | 2,870 | 1,836 | 1,750 | 1,750 | |
| 100 | 4.0 | 2,490 | 2,490 | 1,618 | 1,494 | 1,494 | 2,890 | 2,890 | 1,878 | 1,734 | 1,734 | 3,130 | 3,130 | 2,034 | 1,878 | 1,878 | |
| A | B | T | SL-JSDAS | SH-JSDAS | SHD-JSDAS | ||||||||||||
| ¥基準単価 | ¥スライド単価 | ¥基準単価 | ¥スライド単価 | ¥基準単価 | ¥スライド単価 | ||||||||||||
| 1~3コ | 4~7コ | 8~19コ | 20~39コ | 40~200コ | 1~3コ | 4~7コ | 8~19コ | 20~39コ | 40~200コ | 1~3コ | 4~7コ | 8~19コ | 20~39コ | 40~200コ | |||
| 10 | 2.0 | 1,750 | 1,575 | 1,575 | 1,488 | 1,488 | 2,150 | 1,935 | 1,935 | 1,828 | 1,828 | 2,390 | 2,151 | 2,151 | 2,032 | 2,032 | |
| 10 | ~ | 3.0 | 1,820 | 1,638 | 1,638 | 1,547 | 1,547 | 2,220 | 1,998 | 1,998 | 1,887 | 1,887 | 2,460 | 2,214 | 2,214 | 2,091 | 2,091 |
| ~ | 50 | 4.0 | 1,900 | 1,710 | 1,710 | 1,615 | 1,615 | 2,300 | 2,070 | 2,070 | 1,955 | 1,955 | 2,540 | 2,286 | 2,286 | 2,159 | 2,159 |
| 100 | 51 | 2.0 | 1,790 | 1,611 | 1,611 | 1,522 | 1,522 | 2,190 | 1,971 | 1,971 | 1,862 | 1,862 | 2,430 | 2,187 | 2,187 | 2,066 | 2,066 |
| ~ | 3.0 | 1,850 | 1,665 | 1,665 | 1,573 | 1,573 | 2,250 | 2,025 | 2,025 | 1,913 | 1,913 | 2,490 | 2,241 | 2,241 | 2,117 | 2,117 | |
| 100 | 4.0 | 1,940 | 1,746 | 1,746 | 1,649 | 1,649 | 2,340 | 2,106 | 2,106 | 1,989 | 1,989 | 2,580 | 2,322 | 2,322 | 2,193 | 2,193 | |
| 10 | 2.0 | 1,860 | 1,674 | 1,674 | 1,581 | 1,581 | 2,260 | 2,034 | 2,034 | 1,921 | 1,921 | 2,500 | 2,250 | 2,250 | 2,125 | 2,125 | |
| 101 | ~ | 3.0 | 1,920 | 1,728 | 1,728 | 1,632 | 1,632 | 2,320 | 2,088 | 2,088 | 1,972 | 1,972 | 2,560 | 2,304 | 2,304 | 2,176 | 2,176 |
| ~ | 50 | 4.0 | 2,050 | 1,845 | 1,845 | 1,743 | 1,743 | 2,450 | 2,205 | 2,205 | 2,083 | 2,083 | 2,690 | 2,421 | 2,421 | 2,287 | 2,287 |
| 200 | 51 | 2.0 | 1,910 | 1,719 | 1,719 | 1,624 | 1,624 | 2,310 | 2,079 | 2,079 | 1,964 | 1,964 | 2,550 | 2,295 | 2,295 | 2,168 | 2,168 |
| ~ | 3.0 | 1,980 | 1,782 | 1,782 | 1,683 | 1,683 | 2,380 | 2,142 | 2,142 | 2,023 | 2,023 | 2,620 | 2,358 | 2,358 | 2,227 | 2,227 | |
| 100 | 4.0 | 2,090 | 1,881 | 1,881 | 1,777 | 1,777 | 2,490 | 2,241 | 2,241 | 2,117 | 2,117 | 2,730 | 2,457 | 2,457 | 2,321 | 2,321 | |
| 材質 記号 | A | B | T | SL-JSDAS | SH-JSDAS | ||||||||
| ¥基準単価 | ¥スライド単価 | ¥基準単価 | ¥スライド単価 | ||||||||||
| 1~3コ | 4~7コ | 8~19コ | 20~39コ | 40~200コ | 1~3コ | 4~7コ | 8~19コ | 20~39コ | 40~200コ | ||||
| 10 | 2.0 | 2,200 | 1,980 | 1,980 | 1,870 | 1,870 | 2,600 | 2,340 | 2,340 | 2,210 | 2,210 | ||
| 10 | ~ | 3.0 | 2,260 | 2,034 | 2,034 | 1,921 | 1,921 | 2,660 | 2,394 | 2,394 | 2,261 | 2,261 | |
| ~ | 50 | 4.0 | 2,460 | 2,214 | 2,214 | 2,091 | 2,091 | 2,860 | 2,574 | 2,574 | 2,431 | 2,431 | |
| 100 | 51 | 2.0 | 2,230 | 2,007 | 2,007 | 1,896 | 1,896 | 2,630 | 2,367 | 2,367 | 2,236 | 2,236 | |
| ~ | 3.0 | 2,290 | 2,061 | 2,061 | 1,947 | 1,947 | 2,690 | 2,421 | 2,421 | 2,287 | 2,287 | ||
| AMW | 100 | 4.0 | 2,510 | 2,259 | 2,259 | 2,134 | 2,134 | 2,910 | 2,619 | 2,619 | 2,474 | 2,474 | |
| AMB | 10 | 2.0 | 2,640 | 2,376 | 2,376 | 2,244 | 2,244 | 3,040 | 2,736 | 2,736 | 2,584 | 2,584 | |
| 101 | ~ | 3.0 | 2,710 | 2,439 | 2,439 | 2,304 | 2,304 | 3,110 | 2,799 | 2,799 | 2,644 | 2,644 | |
| ~ | 50 | 4.0 | 2,930 | 2,637 | 2,637 | 2,491 | 2,491 | 3,330 | 2,997 | 2,997 | 2,831 | 2,831 | |
| 200 | 51 | 2.0 | 2,890 | 2,601 | 2,601 | 2,457 | 2,457 | 3,290 | 2,961 | 2,961 | 2,797 | 2,797 | |
| ~ | 3.0 | 2,950 | 2,655 | 2,655 | 2,508 | 2,508 | 3,350 | 3,015 | 3,015 | 2,848 | 2,848 | ||
| 100 | 4.0 | 3,200 | 2,880 | 2,880 | 2,720 | 2,720 | 3,600 | 3,240 | 3,240 | 3,060 | 3,060 | ||
| A | B | T | SL-JSDAS | SH-JSDAS | ||||||||
| ¥基準単価 | ¥スライド単価 | ¥基準単価 | ¥スライド単価 | |||||||||
| 1~3コ | 4~7コ | 8~19コ | 20~39コ | 40~200コ | 1~3コ | 4~7コ | 8~19コ | 20~39コ | 40~200コ | |||
| 10 ~ 50 | 10 ~ 50 | 0.8 | 1,680 | 1,680 | 1,092 | 1,092 | 1,008 | 2,080 | 2,080 | 1,352 | 1,352 | 1,248 |
| 1.0 | 1,680 | 1,680 | 1,092 | 1,092 | 1,008 | 2,080 | 2,080 | 1,352 | 1,352 | 1,248 | ||
| 1.2 | 1,680 | 1,680 | 1,092 | 1,092 | 1,008 | 2,080 | 2,080 | 1,352 | 1,352 | 1,248 | ||
| 1.6 | 1,680 | 1,680 | 1,092 | 1,092 | 1,008 | 2,080 | 2,080 | 1,352 | 1,352 | 1,248 | ||
| 2.3 | 1,760 | 1,760 | 1,126 | 1,020 | 1,020 | 2,160 | 2,160 | 1,382 | 1,252 | 1,252 | ||
| 3.2 | 1,800 | 1,800 | 1,152 | 1,044 | 1,044 | 2,200 | 2,200 | 1,408 | 1,276 | 1,276 | ||
| 4.5 | 1,930 | 1,930 | 1,235 | 1,119 | 1,119 | 2,330 | 2,330 | 1,491 | 1,351 | 1,351 | ||
| 6.0 | 2,080 | 2,080 | 1,352 | 1,352 | 1,248 | 2,480 | 2,480 | 1,612 | 1,612 | 1,488 | ||
| 9.0 | 2,310 | 2,310 | 1,501 | 1,501 | 1,386 | 2,710 | 2,710 | 1,761 | 1,761 | 1,626 | ||
| 51 ~ 100 | 0.8 | 1,720 | 1,720 | 1,118 | 1,118 | 1,049 | 2,120 | 2,120 | 1,378 | 1,378 | 1,293 | |
| 1.0 | 1,720 | 1,720 | 1,118 | 1,118 | 1,049 | 2,120 | 2,120 | 1,378 | 1,378 | 1,293 | ||
| 1.2 | 1,720 | 1,720 | 1,118 | 1,118 | 1,049 | 2,120 | 2,120 | 1,378 | 1,378 | 1,293 | ||
| 1.6 | 1,720 | 1,720 | 1,118 | 1,118 | 1,049 | 2,120 | 2,120 | 1,378 | 1,378 | 1,293 | ||
| 2.3 | 1,800 | 1,800 | 1,152 | 1,026 | 1,026 | 2,200 | 2,200 | 1,408 | 1,254 | 1,254 | ||
| 3.2 | 1,840 | 1,840 | 1,159 | 1,122 | 1,122 | 2,240 | 2,240 | 1,411 | 1,366 | 1,366 | ||
| 4.5 | 1,970 | 1,970 | 1,241 | 1,162 | 1,162 | 2,370 | 2,370 | 1,493 | 1,398 | 1,398 | ||
| 6.0 | 2,130 | 2,130 | 1,384 | 1,384 | 1,278 | 2,530 | 2,530 | 1,644 | 1,644 | 1,518 | ||
| 9.0 | 2,370 | 2,370 | 1,540 | 1,540 | 1,445 | 2,770 | 2,770 | 1,800 | 1,800 | 1,689 | ||
| 101 ~ 200 | 10 ~ 50 | 0.8 | 1,760 | 1,760 | 1,144 | 1,144 | 1,056 | 2,160 | 2,160 | 1,404 | 1,404 | 1,296 |
| 1.0 | 1,760 | 1,760 | 1,144 | 1,144 | 1,056 | 2,160 | 2,160 | 1,404 | 1,404 | 1,296 | ||
| 1.2 | 1,760 | 1,760 | 1,144 | 1,144 | 1,056 | 2,160 | 2,160 | 1,404 | 1,404 | 1,296 | ||
| 1.6 | 1,760 | 1,760 | 1,144 | 1,144 | 1,056 | 2,160 | 2,160 | 1,404 | 1,404 | 1,296 | ||
| 2.3 | 1,860 | 1,860 | 1,209 | 1,134 | 1,134 | 2,260 | 2,260 | 1,469 | 1,378 | 1,378 | ||
| 3.2 | 1,910 | 1,910 | 1,203 | 1,146 | 1,146 | 2,310 | 2,310 | 1,455 | 1,386 | 1,386 | ||
| 4.5 | 2,030 | 2,030 | 1,278 | 1,197 | 1,197 | 2,430 | 2,430 | 1,530 | 1,433 | 1,433 | ||
| 6.0 | 2,220 | 2,220 | 1,443 | 1,443 | 1,354 | 2,620 | 2,620 | 1,703 | 1,703 | 1,598 | ||
| 9.0 | 2,620 | 2,620 | 1,703 | 1,703 | 1,572 | 3,020 | 3,020 | 1,963 | 1,963 | 1,812 | ||
| 51 ~ 100 | 0.8 | 1,790 | 1,790 | 1,163 | 1,163 | 1,091 | 2,190 | 2,190 | 1,423 | 1,423 | 1,335 | |
| 1.0 | 1,790 | 1,790 | 1,163 | 1,163 | 1,091 | 2,190 | 2,190 | 1,423 | 1,423 | 1,335 | ||
| 1.2 | 1,790 | 1,790 | 1,163 | 1,163 | 1,091 | 2,190 | 2,190 | 1,423 | 1,423 | 1,335 | ||
| 1.6 | 1,790 | 1,790 | 1,163 | 1,163 | 1,091 | 2,190 | 2,190 | 1,423 | 1,423 | 1,335 | ||
| 2.3 | 1,900 | 1,900 | 1,235 | 1,159 | 1,159 | 2,300 | 2,300 | 1,495 | 1,403 | 1,403 | ||
| 3.2 | 1,940 | 1,940 | 1,241 | 1,183 | 1,183 | 2,340 | 2,340 | 1,497 | 1,427 | 1,427 | ||
| 4.5 | 2,080 | 2,080 | 1,310 | 1,227 | 1,227 | 2,480 | 2,480 | 1,562 | 1,463 | 1,463 | ||
| 6.0 | 2,260 | 2,260 | 1,469 | 1,469 | 1,356 | 2,660 | 2,660 | 1,729 | 1,729 | 1,596 | ||
| 9.0 | 2,660 | 2,660 | 1,729 | 1,729 | 1,596 | 3,060 | 3,060 | 1,989 | 1,989 | 1,836 | ||
| 7 | 日目出荷 |
| 9 | 日目出荷 |
| 12 | 日目出荷 |
通常価格、通常出荷日が表示と異なる場合がございます
通常価格、通常出荷日が表示と異なる場合がございます

ミスミ
板金 取付板・ブラケット -フリー寸法タイプ- JTDAS・JTDAR
4.4
ミスミ
板金 取付板・ブラケット-センター振り分けタイプ- JSDAS
4.6
ミスミ
板金 取付板・ブラケット -フリー寸法タイプ- JTAAS・JTAAR
4.6
ミスミ
フラットバー 取付板・ブラケット -センター振り分けタイプ- HRCZA
4.7
ミスミ
板金 取付板・ブラケット-センター振り分けタイプ- JSAAS
4.4
ミスミ
板金 取付板・ブラケット -フリー寸法タイプ- JTNAS・JTNAR
4.6
ミスミ
板金 取付板・ブラケット -フリー寸法タイプ- JTDZS・JTDZR
4.4
ミスミ
6面フライス 取付板・ブラケット-外径寸法フリー指定- HFMQA
4.9
ミスミ
板金 取付板・ブラケット -フリー寸法タイプ- JTBAS・JTBAR
4.6