メカニカル部品技術窓口
ミスミ品のみ対象



| 穴種 | タップ穴 | ボルト通し穴 | |||||||||||||||||||||||||||||||||||||||||||||||||
| Code | M・MA | N・NA | |||||||||||||||||||||||||||||||||||||||||||||||||
| 形状図 ・ Code | ![]() | ![]() | |||||||||||||||||||||||||||||||||||||||||||||||||
| 加工 仕様 | タップ有効長 最大M・MA×2 |
| |||||||||||||||||||||||||||||||||||||||||||||||||

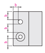
![]() | ・b条件値 単位:mm
| |||||||||||||||||||||||||||||||||||||||||||||||||||
| 型式 | [ M ]材質 | [ S ]表面処理 | 洗浄方法 | ||||
| Type | 材質記号 | 洗浄方法 | 洗浄環境 | 梱包形態 | 梱包環境 | ||
| SL-LAFDA | SU | SUS304 | - | 脱脂洗浄 | 一般環境 | 防錆梱包 | 一般環境 |
| SH-LAFDA | 精密洗浄 | クラス1000 | 脱気2重梱包 | クラス10 | |||
| SHD-LAFDA | 電解研磨+精密洗浄 | ||||||
| SL-LAFDA | AS | A6063 | - | 脱脂洗浄 | 一般環境 | 防錆梱包 | 一般環境 |
| SH-LAFDA | 精密洗浄 | クラス1000 | 脱気2重梱包 | クラス10 | |||
| SHD-LAFDA | 電解研磨+精密洗浄 | ||||||
| SL-LAFDA | ASW | アルマイト処理(白) | 脱脂洗浄 | 一般環境 | 防錆梱包 | 一般環境 | |
| SH-LAFDA | 精密洗浄 | クラス1000 | 脱気2重梱包 | クラス10 | |||
| SL-LAFDA | ASB | アルマイト処理(黒) | 脱脂洗浄 | 一般環境 | 防錆梱包 | 一般環境 | |
| SH-LAFDA | 精密洗浄 | クラス1000 | 脱気2重梱包 | クラス10 | |||
| SL-LAFDA | SSM | SS400 | 無電解ニッケルメッキ | 脱脂洗浄 | 一般環境 | 防錆梱包 | 一般環境 |
| SH-LAFDA | 精密洗浄 | クラス1000 | 脱気2重梱包 | クラス10 | |||
| A・B寸法の長手 | 直角度 K |
| 10~80 | 0.05以内 |
| 80.5~130 | 0.10以内 |
| 型式 | − | T | − | A | − | B | − | L | − | P | − | V | − | S | − | 穴指定① | − | X | − | H | − | F | − | 穴指定② | ||
| Code・呼び径 | Code・呼び径 | |||||||||||||||||||||||||
| Type | − | 材質記号 | ||||||||||||||||||||||||
| SL-LAFDA | − | SU | − | T6 | − | A50 | − | B30 | − | L30 | − | V15 | − | S20 | − | N5 | − | H30 | − | F15 | − | NA5 | ||||
| 型式 | 外形寸法 | P | V | S | 穴指定① | X | H | F | 穴指定② | ||||||
| 選択 | 指定0.5mm単位 | ||||||||||||||
| Type | 材質記号 | T | A | B | L | Code | 呼び径 | Code | 呼び径 | ||||||
| SL-LAFDA SH-LAFDA SHD-LAFDA | SU | 5・6・8 | 10.0~90.0 | 10.0~90.0 | 10.0~100.0 | 指定0.1mm単位 | N [ ! ] M | 0(穴なし) 3 4 5 6 8 10 12 [ ! ]加工寸法は 穴種選択表参照 | 指定0.1mm単位 | NA [ ! ] MA | 0(穴なし) 3 4 5 6 8 10 12 [ ! ]加工寸法は 穴種選択表参照 | ||||
| AS ASW ASB | 5 | 10.0~75.0 | 10.0~75.0 | 10.0~100.0 | |||||||||||
| 6 | |||||||||||||||
| 10 | 10.0~100.0 | 10.0~100.0 | |||||||||||||
| 12 | 50.0~125.0 | 50.0~125.0 | 50.0~100.0 | ||||||||||||
| SSM | 5 | 10.0~75.0 | 10.0~75.0 | 10.0~100.0 | |||||||||||
| 6 | |||||||||||||||
| 10 | 10.0~125.0 | 10.0~125.0 | |||||||||||||
| 12 | 50.0~125.0 | 50.0~125.0 | 50.0~100.0 | ||||||||||||
| 15 | 50.0~130.0 | 50.0~130.0 | |||||||||||||
| 型式 | − | T | − | A | − | B | − | L | − | P | − | V | − | S | − | 穴指定① | − | X | − | H | − | F | − | 穴指定② | − | (CC) | ||
| Code・呼び径 | Code・呼び径 | |||||||||||||||||||||||||||
| Type | − | 材質記号 | ||||||||||||||||||||||||||
| SL-LAFDA | − | SU | − | T6 | − | A50 | − | B30 | − | L30 | − | V15 | − | S20 | − | N5 | − | H30 | − | F15 | − | NA5 | − | CC5 | ||||
| Alterations | コーナーカット変更 | |||||||||||||||||||||||
![]() | ||||||||||||||||||||||||
| Code | CC | |||||||||||||||||||||||
| Spec. | CC=指定1mm単位 [ ! ]1≦CC≦30 指定方法 CCを型式末尾に追加 (例)~-CC10 | |||||||||||||||||||||||
| ¥/1Code |
| |||||||||||||||||||||||
洗浄工程| ※材質がステンレスの場合、アルカリ系温水洗浄となることがあります。 | |
| ・脱脂洗浄(型式:SL-□□) | ※表面処理が低温黒色クロムメッキの場合、IPA洗浄となります。 |
作業環境:一般環境 | ||||||
|---|---|---|---|---|---|---|
![]() 炭化水素系洗浄※ Ro水洗浄 中性洗剤洗浄 | ![]() | ![]() 高圧ジェット水洗(Ro水) 後に純水(10MΩ・cm)で 洗浄 | ![]() | ![]() エアブロー(オイルフリー) 使用 | ![]() | ![]() 防錆袋使用 |
| ・精密洗浄(型式:SH-□□) | ※表面処理が低温黒色クロムメッキの場合、IPA洗浄となります。 |
作業環境:クラス1000 | 作業環境:クラス10 | |||||||
|---|---|---|---|---|---|---|---|---|
![]() 炭化水素系洗浄※ Ro水洗浄 中性洗剤洗浄 | ![]() | ![]() 高圧ジェット水洗(Ro水) 後に純水(10MΩ・cm)で 洗浄 | ![]() | ![]() 温純水(13MΩ・cm)使用 | ![]() | ![]() 窒素ブロー使用 | ![]() | ![]() クリーンベンチ(クラス10) で実施 |
作業環境:クラス1000 | 作業環境:クラス10 | |||||||||
|---|---|---|---|---|---|---|---|---|---|---|
![]() 炭化水素系洗浄 Ro水洗浄 中性洗剤洗浄 | ![]() | ![]() 材質に応じた電解研磨槽 で電解研磨 | ![]() | ![]() 高圧ジェット水洗(Ro水) 後に純水(10MΩ・cm)で 洗浄 | ![]() | ![]() 温純水(13MΩ・cm)使用 | ![]() | ![]() 窒素ブロー使用 | ![]() | ![]() クリーンベンチ(クラス10) で実施 |
梱包例| 脱脂洗浄の場合 (TYPE型番:SL-□□) | 精密洗浄または電解研磨+精密洗浄の場合 | |
| (TYPE型番:SH-□□・SHD-□□) | ||
| オーステナイト系ステンレス・アルミ材質の場合 | 鉄・マルテンサイト系ステンレス材質の場合 | |
![]() | ![]() | ![]() |
| 一部商品・サイズによっては、 梱包形態が異なる場合がございます。 | [ ! ]1重目・2重目の梱包とも、脱気されております。 | [ ! ]防錆対策として乾燥剤を同封しております。 1梱包につき1つになります。 |
洗浄効果・利用推奨環境洗浄方法 | 商品型番 | 梱包形態 | 未洗浄品と比べた効果 | ご利用環境(目安) | 利用シーン・工程 |
|---|---|---|---|---|---|
| 脱脂洗浄 | SL-□□ | 防錆梱包 | 油分除去 | 一般環境 | 通常組立工程 |
| バッテリー組立後工程 | |||||
| 精密洗浄 | SH-□□ | 脱気2重梱包 | 油分除去 粉塵除去 | クリーン環境(クラス10~1,000) | バッテリー組立工程 |
| 液晶関連組立後工程 | |||||
| 車載カメラ組立工程 | |||||
| 電解研磨+精密洗浄 | SHD-□□ | 脱気2重梱包 | 油分除去 粉塵除去 アウトガス低減 | 真空環境 クリーン環境(クラス10~1,000) | 半導体前工程 |
| 液晶成膜工程 | |||||
| 有機EL前工程 |
| 型番 |
|---|
通常単価(税別)
(税込単価) | 通常出荷日 |
|---|
- ( - ) | 6日目 |
- ( - ) | 6日目 |
- ( - ) | 6日目 |
- ( - ) | 6日目 |
- ( - ) | 9日目 |
- ( - ) | 9日目 |
- ( - ) | 9日目 |
- ( - ) | 9日目 |
- ( - ) | 9日目 |
- ( - ) | 9日目 |
- ( - ) | 9日目 |
- ( - ) | 9日目 |
- ( - ) | 8日目 |
- ( - ) | 8日目 |
- ( - ) | 8日目 |
- ( - ) | 8日目 |
- ( - ) | 8日目 |
- ( - ) | 6日目 |
- ( - ) | 6日目 |
- ( - ) | 6日目 |
- ( - ) | 6日目 |
- ( - ) | 6日目 |
- ( - ) | 6日目 |
- ( - ) | 6日目 |
- ( - ) | 6日目 |
- ( - ) | 6日目 |
- ( - ) | 6日目 |
- ( - ) | 6日目 |
- ( - ) | 6日目 |
- ( - ) | 6日目 |
- ( - ) | 6日目 |
- ( - ) | 9日目 |
- ( - ) | 9日目 |
- ( - ) | 9日目 |
- ( - ) | 9日目 |
- ( - ) | 9日目 |
- ( - ) | 9日目 |
- ( - ) | 9日目 |
- ( - ) | 9日目 |
- ( - ) | 8日目 |
- ( - ) | 8日目 |
- ( - ) | 8日目 |
- ( - ) | 8日目 |
- ( - ) | 8日目 |
- ( - ) | 6日目 |
- ( - ) | 6日目 |
- ( - ) | 6日目 |
| ・脱脂洗浄(防錆1重梱包) | :型番SL-□□ |
| ・精密洗浄(脱気2重梱包) | :型番SH-□□ |
| ・電解研磨+精密洗浄(脱気2重梱包) | :型番SHD-□□ |
| 商品型番 | 洗浄方法 | 梱包形態 | 未洗浄品と比べた効果 | ご利用環境(目安) | 工程別 |
| SL-□□ | 脱脂洗浄 | 防錆梱包 | 油分除去 | 一般環境 | 通常組立工程 |
| バッテリー組立後工程 | |||||
| SH-□□ | 精密洗浄 | 脱気2重梱包 | 油分除去 粉塵除去 | クリーン環境(クラス10~1,000) | バッテリー組立工程 |
| 液晶関連組立後工程 | |||||
| 車載カメラ組立工程 | |||||
| SHD-□□ | 電解研磨+精密洗浄 | 脱気2重梱包 | 油分除去 粉塵除去 アウトガス低減 | 真空環境 クリーン環境(クラス10~1,000) | 半導体前工程 |
| 液晶成膜工程 | |||||
| 有機EL前工程 |
| T | A | B | ¥基準単価 | ||||||||
| SL-LAFDA | SH-LAFDA | SHD-LAFDA | |||||||||
| L10~50 | L50.5~75 | L75.5~100 | L10~50 | L50.5~75 | L75.5~100 | L10~50 | L50.5~75 | L75.5~100 | |||
| 5・6 | 10~50 | 10~50 | 7,320 | 8,960 | 10,600 | 8,570 | 10,210 | 11,850 | 9,320 | 10,960 | 12,600 |
| 50.5~75 | 8,090 | 9,700 | 11,740 | 9,340 | 10,950 | 12,990 | 10,090 | 11,700 | 13,740 | ||
| 75.5~90 | 9,450 | 11,320 | 13,760 | 10,700 | 12,570 | 15,010 | 11,450 | 13,320 | 15,760 | ||
| 50.5~75 | 10~50 | 8,090 | 9,910 | 11,740 | 9,340 | 11,160 | 12,990 | 10,090 | 11,910 | 13,740 | |
| 50.5~75 | 8,300 | 10,350 | 12,260 | 9,550 | 11,600 | 13,510 | 10,300 | 12,350 | 14,260 | ||
| 75.5~90 | 9,890 | 11,720 | 14,060 | 11,140 | 12,970 | 15,310 | 11,890 | 13,720 | 16,060 | ||
| 75.5~90 | 10~50 | 9,450 | 11,580 | 13,760 | 10,700 | 12,830 | 15,010 | 11,450 | 13,580 | 15,760 | |
| 50.5~75 | 9,890 | 11,720 | 14,230 | 11,140 | 12,970 | 15,480 | 11,890 | 13,720 | 16,230 | ||
| 75.5~90 | 10,470 | 12,040 | 14,480 | 11,720 | 13,290 | 15,730 | 12,470 | 14,040 | 16,480 | ||
| 8 | 10~50 | 10~50 | 8,540 | 10,550 | 12,550 | 9,790 | 11,800 | 13,800 | 10,540 | 12,550 | 14,550 |
| 50.5~75 | 9,180 | 11,230 | 13,330 | 10,430 | 12,480 | 14,580 | 11,180 | 13,230 | 15,330 | ||
| 75.5~90 | 9,840 | 11,930 | 14,060 | 11,090 | 13,180 | 15,310 | 11,840 | 13,930 | 16,060 | ||
| 50.5~75 | 10~50 | 9,140 | 10,980 | 13,330 | 10,390 | 12,230 | 14,580 | 11,140 | 12,980 | 15,330 | |
| 50.5~75 | 9,490 | 11,810 | 13,920 | 10,740 | 13,060 | 15,170 | 11,490 | 13,810 | 15,920 | ||
| 75.5~90 | 10,390 | 12,370 | 14,710 | 11,640 | 13,620 | 15,960 | 12,390 | 14,370 | 16,710 | ||
| 75.5~90 | 10~50 | 9,780 | 11,930 | 14,060 | 11,030 | 13,180 | 15,310 | 11,780 | 13,930 | 16,060 | |
| 50.5~75 | 10,390 | 12,520 | 14,710 | 11,640 | 13,770 | 15,960 | 12,390 | 14,520 | 16,710 | ||
| 75.5~90 | 10,970 | 12,650 | 15,120 | 12,220 | 13,900 | 16,370 | 12,970 | 14,650 | 17,120 | ||
| T | A | B | ¥基準単価 | ||||||||
| SL-LAFDA | SH-LAFDA | SHD-LAFDA | |||||||||
| L10~50 | L50.5~75 | L75.5~100 | L10~50 | L50.5~75 | L75.5~100 | L10~50 | L50.5~75 | L75.5~100 | |||
| 5・6 | 10~50 | 10~50 | 4,750 | 5,550 | 6,130 | 6,000 | 6,800 | 7,380 | 6,750 | 7,550 | 8,130 |
| 50.5~75 | 5,250 | 6,240 | 6,940 | 6,500 | 7,490 | 8,190 | 7,250 | 8,240 | 8,940 | ||
| 50.5~75 | 10~50 | 5,250 | 6,240 | 6,940 | 6,500 | 7,490 | 8,190 | 7,250 | 8,240 | 8,940 | |
| 50.5~75 | 5,680 | 6,690 | 7,520 | 6,930 | 7,940 | 8,770 | 7,680 | 8,690 | 9,520 | ||
| 10 | 10~50 | 10~50 | 5,130 | 5,870 | 6,330 | 6,380 | 7,120 | 7,580 | 7,130 | 7,870 | 8,330 |
| 50.5~75 | 5,860 | 6,860 | 7,680 | 7,110 | 8,110 | 8,930 | 7,860 | 8,860 | 9,680 | ||
| 75.5~100 | 6,320 | 7,420 | 8,370 | 7,570 | 8,670 | 9,620 | 8,320 | 9,420 | 10,370 | ||
| 50.5~75 | 10~50 | 5,860 | 6,860 | 7,680 | 7,110 | 8,110 | 8,930 | 7,860 | 8,860 | 9,680 | |
| 50.5~75 | 6,110 | 7,110 | 7,970 | 7,360 | 8,360 | 9,220 | 8,110 | 9,110 | 9,970 | ||
| 75.5~100 | 6,760 | 7,930 | 8,990 | 8,010 | 9,180 | 10,240 | 8,760 | 9,930 | 10,990 | ||
| 75.5~100 | 10~50 | 6,320 | 7,420 | 8,370 | 7,570 | 8,670 | 9,620 | 8,320 | 9,420 | 10,370 | |
| 50.5~75 | 6,760 | 7,930 | 8,990 | 8,010 | 9,180 | 10,240 | 8,760 | 9,930 | 10,990 | ||
| 75.5~100 | 7,090 | 8,310 | 9,390 | 8,340 | 9,560 | 10,640 | 9,090 | 10,310 | 11,390 | ||
| 12 | 50~75 | 50.0~75 | 10,390 | 12,520 | 14,320 | 11,640 | 13,770 | 15,570 | 12,390 | 14,520 | 16,320 |
| 75.5~100 | 11,450 | 13,950 | 16,150 | 12,700 | 15,200 | 17,400 | 13,450 | 15,950 | 18,150 | ||
| 100.5~125 | 12,170 | 14,760 | 17,020 | 13,420 | 16,010 | 18,270 | 14,170 | 16,760 | 19,020 | ||
| 75.5~100 | 50.0~75 | 11,450 | 13,950 | 16,150 | 12,700 | 15,200 | 17,400 | 13,450 | 15,950 | 18,150 | |
| 75.5~100 | 12,120 | 14,710 | 16,960 | 13,370 | 15,960 | 18,210 | 14,120 | 16,710 | 18,960 | ||
| 100.5~125 | 12,590 | 15,230 | 17,610 | 13,840 | 16,480 | 18,860 | 14,590 | 17,230 | 19,610 | ||
| 100.5~125 | 50.0~75 | 12,170 | 14,760 | 17,020 | 13,420 | 16,010 | 18,270 | 14,170 | 16,760 | 19,020 | |
| 75.5~100 | 12,590 | 15,230 | 17,610 | 13,840 | 16,480 | 18,860 | 14,590 | 17,230 | 19,610 | ||
| 100.5~125 | 13,000 | 15,750 | 18,180 | 14,250 | 17,000 | 19,430 | 15,000 | 17,750 | 20,180 | ||
| T | A | B | ¥基準単価 | |||||
| SL-LAFDA | SH-LAFDA | |||||||
| L10~50 | L50.5~75 | L75.5~100 | L10~50 | L50.5~75 | L75.5~100 | |||
| 5・6 | 10~50 | 10~50 | 5,310 | 6,450 | 7,200 | 6,560 | 7,700 | 8,450 |
| 50.5~75 | 5,880 | 7,220 | 8,090 | 7,130 | 8,470 | 9,340 | ||
| 50.5~75 | 10~50 | 5,880 | 7,220 | 8,090 | 7,130 | 8,470 | 9,340 | |
| 50.5~75 | 6,430 | 7,810 | 8,820 | 7,680 | 9,060 | 10,070 | ||
| 10 | 10~50 | 10~50 | 5,710 | 6,770 | 7,300 | 6,960 | 8,020 | 8,550 |
| 50.5~75 | 6,510 | 7,820 | 8,810 | 7,760 | 9,070 | 10,060 | ||
| 75.5~100 | 7,060 | 8,480 | 9,580 | 8,310 | 9,730 | 10,830 | ||
| 50.5~75 | 10~50 | 6,510 | 7,820 | 8,810 | 7,760 | 9,070 | 10,060 | |
| 50.5~75 | 6,880 | 8,210 | 9,230 | 8,130 | 9,460 | 10,480 | ||
| 75.5~100 | 7,640 | 9,110 | 10,330 | 8,890 | 10,360 | 11,580 | ||
| 75.5~100 | 10~50 | 7,060 | 8,480 | 9,580 | 8,310 | 9,730 | 10,830 | |
| 50.5~75 | 7,640 | 9,110 | 10,330 | 8,890 | 10,360 | 11,580 | ||
| 75.5~100 | 8,050 | 9,590 | 10,840 | 9,300 | 10,840 | 12,090 | ||
| 12 | 50~75 | 50.0~75 | 11,550 | 13,680 | 15,700 | 12,800 | 14,930 | 16,950 |
| 75.5~100 | 12,910 | 15,410 | 17,850 | 14,160 | 16,660 | 19,100 | ||
| 100.5~125 | 13,760 | 16,350 | 18,860 | 15,010 | 17,600 | 20,110 | ||
| 75.5~100 | 50.0~75 | 12,910 | 15,410 | 17,850 | 14,160 | 16,660 | 19,100 | |
| 75.5~100 | 14,040 | 16,630 | 19,140 | 15,290 | 17,880 | 20,390 | ||
| 100.5~125 | 14,670 | 17,310 | 19,980 | 15,920 | 18,560 | 21,230 | ||
| 100.5~125 | 50.0~75 | 13,760 | 16,350 | 18,860 | 15,010 | 17,600 | 20,110 | |
| 75.5~100 | 14,670 | 17,310 | 19,980 | 15,920 | 18,560 | 21,230 | ||
| 100.5~125 | 15,500 | 18,240 | 21,030 | 16,750 | 19,490 | 22,280 | ||
| T | A | B | ¥基準単価 | |||||
| SL-LAFDA | SH-LAFDA | |||||||
| L10~50 | L50.5~75 | L75.5~100 | L10~50 | L50.5~75 | L75.5~100 | |||
| 5・6 | 10~50 | 10~50 | 5,460 | 6,700 | 7,490 | 6,710 | 7,950 | 8,740 |
| 50.5~75 | 6,050 | 7,490 | 8,400 | 7,300 | 8,740 | 9,650 | ||
| 50.5~75 | 10~50 | 6,050 | 7,490 | 8,400 | 7,300 | 8,740 | 9,650 | |
| 50.5~75 | 6,630 | 8,110 | 9,170 | 7,880 | 9,360 | 10,420 | ||
| 10 | 10~50 | 10~50 | 5,870 | 7,020 | 7,580 | 7,120 | 8,270 | 8,830 |
| 50.5~75 | 6,690 | 8,100 | 9,110 | 7,940 | 9,350 | 10,360 | ||
| 75.5~100 | 7,560 | 9,050 | 10,220 | 8,810 | 10,300 | 11,470 | ||
| 50.5~75 | 10~50 | 6,700 | 8,100 | 9,110 | 7,950 | 9,350 | 10,360 | |
| 50.5~75 | 7,080 | 8,510 | 9,570 | 8,330 | 9,760 | 10,820 | ||
| 75.5~100 | 7,700 | 9,270 | 10,530 | 8,950 | 10,520 | 11,780 | ||
| 75.5~100 | 10~50 | 7,260 | 8,760 | 9,920 | 8,510 | 10,010 | 11,170 | |
| 50.5~75 | 7,870 | 9,440 | 10,720 | 9,120 | 10,690 | 11,970 | ||
| 75.5~100 | 8,200 | 9,820 | 11,120 | 9,450 | 11,070 | 12,370 | ||
| 12 | 50~75 | 50.0~75 | 11,880 | 14,010 | 16,080 | 13,130 | 15,260 | 17,330 |
| 75.5~100 | 13,300 | 15,800 | 18,300 | 14,550 | 17,050 | 19,550 | ||
| 100.5~125 | 14,190 | 16,790 | 19,360 | 15,440 | 18,040 | 20,610 | ||
| 75.5~100 | 50.0~75 | 13,300 | 15,800 | 18,300 | 14,550 | 17,050 | 19,550 | |
| 75.5~100 | 14,560 | 17,150 | 19,750 | 15,810 | 18,400 | 21,000 | ||
| 100.5~125 | 15,240 | 17,880 | 20,640 | 16,490 | 19,130 | 21,890 | ||
| 100.5~125 | 50.0~75 | 14,190 | 16,790 | 19,360 | 15,440 | 18,040 | 20,610 | |
| 75.5~100 | 15,240 | 17,880 | 20,640 | 16,490 | 19,130 | 21,890 | ||
| 100.5~125 | 16,170 | 18,920 | 21,800 | 17,420 | 20,170 | 23,050 | ||
| T | A | B | ¥基準単価 | |||||
| SL-LAFDA | SH-LAFDA | |||||||
| L10~50 | L50.5~75 | L75.5~100 | L10~50 | L50.5~75 | L75.5~100 | |||
| 5・6 | 10~50 | 10~50 | 5,520 | 6,540 | 7,310 | 6,020 | 7,040 | 7,810 |
| 50.5~75 | 5,860 | 6,970 | 7,850 | 6,360 | 7,470 | 8,350 | ||
| 50.5~75 | 10~50 | 5,860 | 6,970 | 7,840 | 6,360 | 7,470 | 8,340 | |
| 50.5~75 | 6,270 | 7,510 | 8,490 | 6,770 | 8,010 | 8,990 | ||
| 10 | 10~50 | 10~50 | 5,620 | 6,620 | 7,400 | 6,120 | 7,120 | 7,900 |
| 50.5~75 | 5,950 | 7,040 | 7,880 | 6,450 | 7,540 | 8,380 | ||
| 75.5~100 | 6,450 | 7,680 | 8,690 | 6,950 | 8,180 | 9,190 | ||
| 100.5~125 | 6,800 | 8,100 | 9,190 | 7,300 | 8,600 | 9,690 | ||
| 50.5~75 | 10~50 | 5,950 | 7,040 | 7,880 | 6,450 | 7,540 | 8,380 | |
| 50.5~75 | 6,350 | 7,550 | 8,480 | 6,850 | 8,050 | 8,980 | ||
| 75.5~100 | 7,030 | 8,390 | 9,550 | 7,530 | 8,890 | 10,050 | ||
| 100.5~125 | 7,270 | 8,660 | 9,860 | 7,770 | 9,160 | 10,360 | ||
| 75.5~100 | 10~50 | 6,450 | 7,680 | 8,690 | 6,950 | 8,180 | 9,190 | |
| 50.5~75 | 7,030 | 8,390 | 9,550 | 7,530 | 8,890 | 10,050 | ||
| 75.5~100 | 7,250 | 8,620 | 9,790 | 7,750 | 9,120 | 10,290 | ||
| 100.5~125 | 7,610 | 9,070 | 10,310 | 8,110 | 9,570 | 10,810 | ||
| 100.5~125 | 10~50 | 7,780 | 8,580 | 9,770 | 8,280 | 9,080 | 10,270 | |
| 50.5~75 | 8,340 | 9,240 | 10,550 | 8,840 | 9,740 | 11,050 | ||
| 75.5~100 | 8,930 | 9,900 | 11,310 | 9,430 | 10,400 | 11,810 | ||
| 100.5~125 | 9,760 | 10,790 | 12,380 | 10,260 | 11,290 | 12,880 | ||
| 12 | 50~75 | 50.0~75 | 11,340 | 12,870 | 14,690 | 11,840 | 13,370 | 15,190 |
| 75.5~100 | 12,610 | 14,440 | 16,600 | 13,110 | 14,940 | 17,100 | ||
| 100.5~125 | 13,610 | 15,750 | 18,230 | 14,110 | 16,250 | 18,730 | ||
| 75.5~100 | 50.0~75 | 12,610 | 14,440 | 16,600 | 13,110 | 14,940 | 17,100 | |
| 75.5~100 | 13,230 | 15,080 | 17,300 | 13,730 | 15,580 | 17,800 | ||
| 100.5~125 | 14,200 | 16,320 | 18,880 | 14,700 | 16,820 | 19,380 | ||
| 100.5~125 | 50.0~75 | 13,610 | 15,750 | 18,230 | 14,110 | 16,250 | 18,730 | |
| 75.5~100 | 14,200 | 16,320 | 18,880 | 14,700 | 16,820 | 19,380 | ||
| 100.5~125 | 15,620 | 17,770 | 20,410 | 16,120 | 18,270 | 20,910 | ||
| 15 | 50~75 | 50.0~75 | 12,970 | 15,160 | 17,700 | 13,470 | 15,660 | 18,200 |
| 75.5~100 | 13,920 | 16,310 | 19,070 | 14,420 | 16,810 | 19,570 | ||
| 100.5~130 | 15,140 | 17,870 | 20,900 | 15,640 | 18,370 | 21,400 | ||
| 75.5~100 | 50.0~75 | 13,920 | 16,310 | 19,070 | 14,420 | 16,810 | 19,570 | |
| 75.5~100 | 14,730 | 17,210 | 20,190 | 15,230 | 17,710 | 20,690 | ||
| 100.5~130 | 16,050 | 18,770 | 21,960 | 16,550 | 19,270 | 22,460 | ||
| 100.5~130 | 50.0~75 | 15,140 | 17,870 | 20,900 | 15,640 | 18,370 | 21,400 | |
| 75.5~100 | 16,050 | 18,770 | 21,960 | 16,550 | 19,270 | 22,460 | ||
| 100.5~130 | 17,360 | 20,220 | 23,570 | 17,860 | 20,720 | 24,070 | ||
| 数量区分 | 標準対応 | 個別対応 | ||||
| 小口 | 大口 | 大口 | ||||
| 数 量 | 1 | 2~4 | 5~15 | 16~19 | 20~40 | 41~ |
| 値引率 | 基準単価 | 10% | 15% | 20% | 25% | お見積り |
| 出荷日 | 通常 | +2日 | ||||
| 7 | 日目出荷 |
| 10 | 日目出荷 |
| 9 | 日目出荷 |
通常価格、通常出荷日が表示と異なる場合がございます
通常価格、通常出荷日が表示と異なる場合がございます

ミスミ
L型板金 取付板・ブラケット-フリー寸法タイプ- FALCS・FALCR
4.4
ミスミ
L型板金 取付板・ブラケット-フリー寸法タイプ- FALBS・FALBR
4.3
ミスミ
L型板金 取付板・ブラケット-フリー寸法タイプ- FAMAS・FAMAR
4.3
ミスミ
L型板金 取付板・ブラケット-センター振り分けタイプ- FSMAS
4.4
ミスミ
L型板金 取付板・ブラケット-フリー寸法タイプ- FACAS・FACAR
4.5
ミスミ
L型板金 取付板・ブラケット-フリー寸法タイプ- FASBS・FASBR
4.7
ミスミ
L型板金 取付板・ブラケット-センター振り分けタイプ- FSLAS
4.5
ミスミ
L型板金 取付板・ブラケット-フリー寸法タイプ- FAMCS・FAMCR
4.3
ミスミ
L型板金 取付板・ブラケット-フリー寸法タイプ- FALZS・FALZR
4.7