メカニカル部品技術窓口
ミスミ品のみ対象



| 穴種 | タップ穴 | ボルト用通し穴 | 公差付通し穴 | |||||||||||||||||||||||||||||||||||||||||||||||||||||||||||||||||||||
| Code | MA | N・NA | DA | |||||||||||||||||||||||||||||||||||||||||||||||||||||||||||||||||||||
| 形状図 ・ Code | ![]() | ![]() | ![]() | |||||||||||||||||||||||||||||||||||||||||||||||||||||||||||||||||||||
| 加工 仕様 | タップ有効長 最大MA×2 |
|
| |||||||||||||||||||||||||||||||||||||||||||||||||||||||||||||||||||||
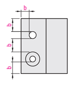
![]() | ・b条件値 単位:mm
| |||||||||||||||||||||||||||||||||||||||||||||||||||||||||||||||||||||||
| 型式 | [ M ]材質 | [ S ]表面処理 | 洗浄方法 | ||||
| Type | 材質記号 | 洗浄方法 | 洗浄環境 | 梱包形態 | 梱包環境 | ||
| SL-LAFSN | SU | SUS304 | - | 脱脂洗浄 | 一般環境 | 防錆梱包 | 一般環境 |
| SH-LAFSN | 精密洗浄 | クラス1000 | 脱気2重梱包 | クラス10 | |||
| SHD-LAFSN | 電解研磨+精密洗浄 | ||||||
| SL-LAFSN | AS | A6063 | - | 脱脂洗浄 | 一般環境 | 防錆梱包 | 一般環境 |
| SH-LAFSN | 精密洗浄 | クラス1000 | 脱気2重梱包 | クラス10 | |||
| SHD-LAFSN | 電解研磨+精密洗浄 | ||||||
| SL-LAFSN | ASW | アルマイト処理(白) | 脱脂洗浄 | 一般環境 | 防錆梱包 | 一般環境 | |
| SH-LAFSN | 精密洗浄 | クラス1000 | 脱気2重梱包 | クラス10 | |||
| SL-LAFSN | ASB | アルマイト処理(黒) | 脱脂洗浄 | 一般環境 | 防錆梱包 | 一般環境 | |
| SH-LAFSN | 精密洗浄 | クラス1000 | 脱気2重梱包 | クラス10 | |||
| SL-LAFSN | SSM | SS400 | 無電解ニッケルメッキ | 脱脂洗浄 | 一般環境 | 防錆梱包 | 一般環境 |
| SH-LAFSN | 精密洗浄 | クラス1000 | 脱気2重梱包 | クラス10 | |||
| A・B寸法の長手 | 直角度 K |
| 10~80 | 0.05以内 |
| 80.5~130 | 0.10以内 |
| 型式 | − | T | − | A | − | B | − | L | − | P | − | S | − | 穴指定① | − | K | − | X | − | H | − | 穴指定② | ||
| Code・呼び径 | Code・呼び径 | |||||||||||||||||||||||
| Type | − | 材質記号 | ||||||||||||||||||||||
| SL-LAFSN | − | SU | − | T6 | − | A50 | − | B30 | − | L30 | − | S20 | − | N6 | − | K10 | − | H35 | − | NA6 | ||||
| 型式 | 外形寸法 | P | S | 穴指定① | K | X | H | 穴指定② | ||||||||
| 選択 | 指定0.5mm単位 | |||||||||||||||
| Type | 材質記号 | T | A | B | L | Code | 呼び径 | Code | 呼び径 | Code | 指定 | |||||
| SL-LAFSN SH-LAFSN SHD-LAFSN | SU | 5・6・8 | 10.0~90.0 | 10.0~90.0 | 10.0~100.0 | 指定0.1mm単位 | N [ ! ] | 0(穴なし) 3 4 5 6 8 10 12 [ ! ]加工寸法は 穴種選択表参照 | 指定0.1mm単位 [ ! ]K≦N×5 | NA [ ! ] MA | 0(穴なし) 3 4 5 6 8 10 12 [ ! ]加工寸法は 穴種選択表参照 | DA | 3~30(0.5mm単位) 31~60(1mm単位) | |||
| AS ASW ASB | 5 | 10.0~75.0 | 10.0~75.0 | 10.0~100.0 | ||||||||||||
| 6 | ||||||||||||||||
| 10 | 10.0~100.0 | 10.0~100.0 | ||||||||||||||
| 12 | 50.0~125.0 | 50.0~125.0 | 50.0~100.0 | |||||||||||||
| SSM | 5 | 10.0~75.0 | 10.0~75.0 | 10.0~100.0 | ||||||||||||
| 6 | ||||||||||||||||
| 10 | 10.0~125.0 | 10.0~125.0 | ||||||||||||||
| 12 | 50.0~125.0 | 50.0~125.0 | 50.0~100.0 | |||||||||||||
| 15 | 50.0~130.0 | 50.0~130.0 | ||||||||||||||
| 型式 | − | T | − | A | − | B | − | L | − | P | − | S | − | 穴指定① | − | K | − | X | − | H | − | 穴指定② | − | (CC・RC) | ||
| Code・呼び径 | Code・呼び径 | |||||||||||||||||||||||||
| Type | − | 材質記号 | ||||||||||||||||||||||||
| SL-LAFSN | − | SU | − | T6 | − | A50 | − | B30 | − | L30 | − | S20 | − | N6 | − | K10 | − | H35 | − | NA6 | − | CC5 | ||||
| Alterations | コーナーカット変更 | 底面長穴角度変更 | |||||||||||||||||||||||
![]() | ![]() | ||||||||||||||||||||||||
| Code | CC | RC | |||||||||||||||||||||||
| Spec. | CC=指定1mm単位 [ ! ]1≦CC≦30 指定方法 CCを型式末尾に追加 (例)~-CC10 | B面の長穴を上図のように変更します。 [ ! ]寸法関係に注意 指定方法 RCを型式末尾に追加 (例)~-RC | |||||||||||||||||||||||
| ¥/1Code |
| 無料 | |||||||||||||||||||||||
洗浄工程| ※材質がステンレスの場合、アルカリ系温水洗浄となることがあります。 | |
| ・脱脂洗浄(型式:SL-□□) | ※表面処理が低温黒色クロムメッキの場合、IPA洗浄となります。 |
作業環境:一般環境 | ||||||
|---|---|---|---|---|---|---|
![]() 炭化水素系洗浄※ Ro水洗浄 中性洗剤洗浄 | ![]() | ![]() 高圧ジェット水洗(Ro水) 後に純水(10MΩ・cm)で 洗浄 | ![]() | ![]() エアブロー(オイルフリー) 使用 | ![]() | ![]() 防錆袋使用 |
| ・精密洗浄(型式:SH-□□) | ※表面処理が低温黒色クロムメッキの場合、IPA洗浄となります。 |
作業環境:クラス1000 | 作業環境:クラス10 | |||||||
|---|---|---|---|---|---|---|---|---|
![]() 炭化水素系洗浄※ Ro水洗浄 中性洗剤洗浄 | ![]() | ![]() 高圧ジェット水洗(Ro水) 後に純水(10MΩ・cm)で 洗浄 | ![]() | ![]() 温純水(13MΩ・cm)使用 | ![]() | ![]() 窒素ブロー使用 | ![]() | ![]() クリーンベンチ(クラス10) で実施 |
作業環境:クラス1000 | 作業環境:クラス10 | |||||||||
|---|---|---|---|---|---|---|---|---|---|---|
![]() 炭化水素系洗浄 Ro水洗浄 中性洗剤洗浄 | ![]() | ![]() 材質に応じた電解研磨槽 で電解研磨 | ![]() | ![]() 高圧ジェット水洗(Ro水) 後に純水(10MΩ・cm)で 洗浄 | ![]() | ![]() 温純水(13MΩ・cm)使用 | ![]() | ![]() 窒素ブロー使用 | ![]() | ![]() クリーンベンチ(クラス10) で実施 |
梱包例| 脱脂洗浄の場合 (TYPE型番:SL-□□) | 精密洗浄または電解研磨+精密洗浄の場合 | |
| (TYPE型番:SH-□□・SHD-□□) | ||
| オーステナイト系ステンレス・アルミ材質の場合 | 鉄・マルテンサイト系ステンレス材質の場合 | |
![]() | ![]() | ![]() |
| 一部商品・サイズによっては、 梱包形態が異なる場合がございます。 | [ ! ]1重目・2重目の梱包とも、脱気されております。 | [ ! ]防錆対策として乾燥剤を同封しております。 1梱包につき1つになります。 |
洗浄効果・利用推奨環境洗浄方法 | 商品型番 | 梱包形態 | 未洗浄品と比べた効果 | ご利用環境(目安) | 利用シーン・工程 |
|---|---|---|---|---|---|
| 脱脂洗浄 | SL-□□ | 防錆梱包 | 油分除去 | 一般環境 | 通常組立工程 |
| バッテリー組立後工程 | |||||
| 精密洗浄 | SH-□□ | 脱気2重梱包 | 油分除去 粉塵除去 | クリーン環境(クラス10~1,000) | バッテリー組立工程 |
| 液晶関連組立後工程 | |||||
| 車載カメラ組立工程 | |||||
| 電解研磨+精密洗浄 | SHD-□□ | 脱気2重梱包 | 油分除去 粉塵除去 アウトガス低減 | 真空環境 クリーン環境(クラス10~1,000) | 半導体前工程 |
| 液晶成膜工程 | |||||
| 有機EL前工程 |
| 型番 |
|---|
通常単価(税別)
(税込単価) | 通常出荷日 |
|---|
- ( - ) | 6日目 |
- ( - ) | 6日目 |
- ( - ) | 6日目 |
- ( - ) | 6日目 |
- ( - ) | 9日目 |
- ( - ) | 9日目 |
- ( - ) | 9日目 |
- ( - ) | 9日目 |
- ( - ) | 9日目 |
- ( - ) | 9日目 |
- ( - ) | 9日目 |
- ( - ) | 9日目 |
- ( - ) | 8日目 |
- ( - ) | 8日目 |
- ( - ) | 8日目 |
- ( - ) | 8日目 |
- ( - ) | 8日目 |
- ( - ) | 6日目 |
- ( - ) | 6日目 |
- ( - ) | 6日目 |
- ( - ) | 6日目 |
- ( - ) | 6日目 |
- ( - ) | 6日目 |
- ( - ) | 6日目 |
- ( - ) | 6日目 |
- ( - ) | 6日目 |
- ( - ) | 6日目 |
- ( - ) | 6日目 |
- ( - ) | 6日目 |
- ( - ) | 6日目 |
- ( - ) | 6日目 |
- ( - ) | 9日目 |
- ( - ) | 9日目 |
- ( - ) | 9日目 |
- ( - ) | 9日目 |
- ( - ) | 9日目 |
- ( - ) | 9日目 |
- ( - ) | 9日目 |
- ( - ) | 9日目 |
- ( - ) | 8日目 |
- ( - ) | 8日目 |
- ( - ) | 8日目 |
- ( - ) | 8日目 |
- ( - ) | 8日目 |
- ( - ) | 6日目 |
- ( - ) | 6日目 |
- ( - ) | 6日目 |
| ・脱脂洗浄(防錆1重梱包) | :型番SL-□□ |
| ・精密洗浄(脱気2重梱包) | :型番SH-□□ |
| ・電解研磨+精密洗浄(脱気2重梱包) | :型番SHD-□□ |
| 商品型番 | 洗浄方法 | 梱包形態 | 未洗浄品と比べた効果 | ご利用環境(目安) | 工程別 |
| SL-□□ | 脱脂洗浄 | 防錆梱包 | 油分除去 | 一般環境 | 通常組立工程 |
| バッテリー組立後工程 | |||||
| SH-□□ | 精密洗浄 | 脱気2重梱包 | 油分除去 粉塵除去 | クリーン環境(クラス10~1,000) | バッテリー組立工程 |
| 液晶関連組立後工程 | |||||
| 車載カメラ組立工程 | |||||
| SHD-□□ | 電解研磨+精密洗浄 | 脱気2重梱包 | 油分除去 粉塵除去 アウトガス低減 | 真空環境 クリーン環境(クラス10~1,000) | 半導体前工程 |
| 液晶成膜工程 | |||||
| 有機EL前工程 |
| DA穴加工 | ||
| 穴径31~40 | 穴径41~50 | 穴径51~60 |
| 600 | 800 | 1,000 |
| T | A | B | 本体価格 ¥基準単価 | ||||||||
| SL-LAFSN | SH-LAFSN | SHD-LAFSN | |||||||||
| L10~50 | L50.5~75 | L75.5~100 | L10~50 | L50.5~75 | L75.5~100 | L10~50 | L50.5~75 | L75.5~100 | |||
| 5・6 | 10~50 | 10~50 | 7,600 | 9,240 | 10,880 | 8,850 | 10,490 | 12,130 | 9,600 | 11,240 | 12,880 |
| 50.5~75 | 8,370 | 9,980 | 12,020 | 9,620 | 11,230 | 13,270 | 10,370 | 11,980 | 14,020 | ||
| 75.5~90 | 9,740 | 11,590 | 14,030 | 10,990 | 12,840 | 15,280 | 11,740 | 13,590 | 16,030 | ||
| 50.5~75 | 10~50 | 8,370 | 10,200 | 12,020 | 9,620 | 11,450 | 13,270 | 10,370 | 12,200 | 14,020 | |
| 50.5~75 | 8,580 | 10,640 | 12,550 | 9,830 | 11,890 | 13,800 | 10,580 | 12,640 | 14,550 | ||
| 75.5~90 | 10,170 | 12,010 | 14,350 | 11,420 | 13,260 | 15,600 | 12,170 | 14,010 | 16,350 | ||
| 75.5~90 | 10~50 | 9,740 | 11,870 | 14,030 | 10,990 | 13,120 | 15,280 | 11,740 | 13,870 | 16,030 | |
| 50.5~75 | 10,170 | 12,010 | 14,510 | 11,420 | 13,260 | 15,760 | 12,170 | 14,010 | 16,510 | ||
| 75.5~90 | 10,760 | 12,330 | 14,760 | 12,010 | 13,580 | 16,010 | 12,760 | 14,330 | 16,760 | ||
| 8 | 10~50 | 10~50 | 8,830 | 10,830 | 12,840 | 10,080 | 12,080 | 14,090 | 10,830 | 12,830 | 14,840 |
| 50.5~75 | 9,460 | 11,520 | 13,610 | 10,710 | 12,770 | 14,860 | 11,460 | 13,520 | 15,610 | ||
| 75.5~90 | 10,120 | 12,220 | 14,350 | 11,370 | 13,470 | 15,600 | 12,120 | 14,220 | 16,350 | ||
| 50.5~75 | 10~50 | 9,420 | 11,270 | 13,610 | 10,670 | 12,520 | 14,860 | 11,420 | 13,270 | 15,610 | |
| 50.5~75 | 9,770 | 12,090 | 14,200 | 11,020 | 13,340 | 15,450 | 11,770 | 14,090 | 16,200 | ||
| 75.5~90 | 10,670 | 12,650 | 15,000 | 11,920 | 13,900 | 16,250 | 12,670 | 14,650 | 17,000 | ||
| 75.5~90 | 10~50 | 10,060 | 12,220 | 14,350 | 11,310 | 13,470 | 15,600 | 12,060 | 14,220 | 16,350 | |
| 50.5~75 | 10,670 | 12,800 | 15,000 | 11,920 | 14,050 | 16,250 | 12,670 | 14,800 | 17,000 | ||
| 75.5~90 | 11,260 | 12,930 | 15,400 | 12,510 | 14,180 | 16,650 | 13,260 | 14,930 | 17,400 | ||
| T | A | B | 本体価格 ¥基準単価 | ||||||||
| SL-LAFSN | SH-LAFSN | SHD-LAFSN | |||||||||
| L10~50 | L50.5~75 | L75.5~100 | L10~50 | L50.5~75 | L75.5~100 | L10~50 | L50.5~75 | L75.5~100 | |||
| 5・6 | 10~50 | 10~50 | 5,040 | 5,840 | 6,420 | 6,290 | 7,090 | 7,670 | 7,040 | 7,840 | 8,420 |
| 50.5~75 | 5,540 | 6,530 | 7,230 | 6,790 | 7,780 | 8,480 | 7,540 | 8,530 | 9,230 | ||
| 50.5~75 | 10~50 | 5,540 | 6,530 | 7,230 | 6,790 | 7,780 | 8,480 | 7,540 | 8,530 | 9,230 | |
| 50.5~75 | 5,980 | 6,970 | 7,810 | 7,230 | 8,220 | 9,060 | 7,980 | 8,970 | 9,810 | ||
| 10 | 10~50 | 10~50 | 5,420 | 6,170 | 6,620 | 6,670 | 7,420 | 7,870 | 7,420 | 8,170 | 8,620 |
| 50.5~75 | 6,160 | 7,140 | 7,980 | 7,410 | 8,390 | 9,230 | 8,160 | 9,140 | 9,980 | ||
| 75.5~100 | 6,610 | 7,720 | 8,670 | 7,860 | 8,970 | 9,920 | 8,610 | 9,720 | 10,670 | ||
| 50.5~75 | 10~50 | 6,160 | 7,140 | 7,980 | 7410 | 8,390 | 9,230 | 8,160 | 9,140 | 9,980 | |
| 50.5~75 | 6,410 | 7,400 | 8,260 | 7,660 | 8,650 | 9,510 | 8,410 | 9,400 | 10,260 | ||
| 75.5~100 | 7,060 | 8,220 | 9,280 | 8,310 | 9,470 | 10,530 | 9,060 | 10,220 | 11,280 | ||
| 75.5~100 | 10~50 | 6,610 | 7,720 | 8,670 | 7,860 | 8,970 | 9,920 | 8,610 | 9,720 | 10,670 | |
| 50.5~75 | 7,060 | 8,220 | 9,280 | 8,310 | 9,470 | 10,530 | 9,060 | 10,220 | 11,280 | ||
| 75.5~100 | 7,380 | 8,610 | 9,680 | 8,630 | 9,860 | 10,930 | 9,380 | 10,610 | 11,680 | ||
| 12 | 50~75 | 50.0~75 | 10,590 | 12,720 | 14,520 | 11,840 | 13,970 | 15,770 | 12,590 | 14,720 | 16,520 |
| 75.5~100 | 11,650 | 14,150 | 16,350 | 12,900 | 15,400 | 17,600 | 13,650 | 16,150 | 18,350 | ||
| 100.5~125 | 12,370 | 14,970 | 17,220 | 13,620 | 16,220 | 18,470 | 14,370 | 16,970 | 19,220 | ||
| 75.5~100 | 50.0~75 | 11,650 | 14,150 | 16,350 | 12,900 | 15,400 | 17,600 | 13,650 | 16,150 | 18,350 | |
| 75.5~100 | 12,330 | 14,910 | 17,160 | 13,580 | 16,160 | 18,410 | 14,330 | 16,910 | 19,160 | ||
| 100.5~125 | 12,790 | 15,430 | 17,810 | 14,040 | 16,680 | 19,060 | 14,790 | 17,430 | 19,810 | ||
| 100.5~125 | 50.0~75 | 12,370 | 14,970 | 17,220 | 13,620 | 16,220 | 18,470 | 14,370 | 16,970 | 19,220 | |
| 75.5~100 | 12,790 | 15,430 | 17,810 | 14,040 | 16,680 | 19,060 | 14,790 | 17,430 | 19,810 | ||
| 100.5~125 | 13,210 | 15,950 | 18,380 | 14,460 | 17,200 | 19,630 | 15,210 | 17,950 | 20,380 | ||
| T | A | B | 本体価格 ¥基準単価 | |||||
| SL-LAFSN | SH-LAFSN | |||||||
| L10~50 | L50.5~75 | L75.5~100 | L10~50 | L50.5~75 | L75.5~100 | |||
| 5・6 | 10~50 | 10~50 | 5,610 | 6,740 | 7,490 | 6,860 | 7,990 | 8,740 |
| 50.5~75 | 6,180 | 7,500 | 8,370 | 7,430 | 8,750 | 9,620 | ||
| 50.5~75 | 10~50 | 6,180 | 7,500 | 8,370 | 7,430 | 8,750 | 9,620 | |
| 50.5~75 | 6,730 | 8,100 | 9,100 | 7,980 | 9,350 | 10,350 | ||
| 10 | 10~50 | 10~50 | 6,000 | 7,070 | 7,600 | 7,250 | 8,320 | 8,850 |
| 50.5~75 | 6,800 | 8,110 | 9,100 | 8,050 | 9,360 | 10,350 | ||
| 75.5~100 | 7,350 | 8,780 | 9,880 | 8,600 | 10,030 | 11,130 | ||
| 50.5~75 | 10~50 | 6,800 | 8,110 | 9,100 | 8,050 | 9,360 | 10,350 | |
| 50.5~75 | 7,170 | 8,500 | 9,520 | 8,420 | 9,750 | 10,770 | ||
| 75.5~100 | 7,940 | 9,410 | 10,630 | 9,190 | 10,660 | 11,880 | ||
| 75.5~100 | 10~50 | 7,350 | 8,780 | 9,880 | 8,600 | 10,030 | 11,130 | |
| 50.5~75 | 7,940 | 9,410 | 10,630 | 9,190 | 10,660 | 11,880 | ||
| 75.5~100 | 8,340 | 9,890 | 11,130 | 9,590 | 11,140 | 12,380 | ||
| 12 | 50~75 | 50.0~75 | 11,750 | 13,880 | 15,900 | 13,000 | 15,130 | 17,150 |
| 75.5~100 | 13,110 | 15,610 | 18,050 | 14,360 | 16,860 | 19,300 | ||
| 100.5~125 | 13,960 | 16,560 | 19,060 | 15,210 | 17,810 | 20,310 | ||
| 75.5~100 | 50.0~75 | 13,110 | 15,610 | 18,050 | 14,360 | 16,860 | 19,300 | |
| 75.5~100 | 14,240 | 16,830 | 19,340 | 15,490 | 18,080 | 20,590 | ||
| 100.5~125 | 14,870 | 17,510 | 20,180 | 16,120 | 18,760 | 21,430 | ||
| 100.5~125 | 50.0~75 | 13,960 | 16,560 | 19,060 | 15,210 | 17,810 | 20,310 | |
| 75.5~100 | 14,870 | 17,510 | 20,180 | 16,120 | 18,760 | 21,430 | ||
| 100.5~125 | 15,700 | 18,440 | 21,230 | 16,950 | 19,690 | 22,480 | ||
| T | A | B | 本体価格 ¥基準単価 | |||||
| SL-LAFSN | SH-LAFSN | |||||||
| L10~50 | L50.5~75 | L75.5~100 | L10~50 | L50.5~75 | L75.5~100 | |||
| 5・6 | 10~50 | 10~50 | 5,750 | 6,980 | 7,790 | 7,000 | 8,230 | 9,040 |
| 50.5~75 | 6,350 | 7,780 | 8,690 | 7,600 | 9,030 | 9,940 | ||
| 50.5~75 | 10~50 | 6,350 | 7,780 | 8,690 | 7,600 | 9,030 | 9,940 | |
| 50.5~75 | 6,930 | 8,390 | 9,450 | 8,180 | 9,640 | 10,700 | ||
| 10 | 10~50 | 10~50 | 6,160 | 7,310 | 7,870 | 7,410 | 8,560 | 9,120 |
| 50.5~75 | 6,980 | 8,380 | 9,410 | 8,230 | 9,630 | 10,660 | ||
| 75.5~100 | 7,850 | 9,350 | 10,510 | 9,100 | 10,600 | 11,760 | ||
| 50.5~75 | 10~50 | 6,990 | 8,380 | 9,410 | 8,240 | 9,630 | 10,660 | |
| 50.5~75 | 7,380 | 8,800 | 9,860 | 8,630 | 10,050 | 11,110 | ||
| 75.5~100 | 8,000 | 9,570 | 10,830 | 9,250 | 10,820 | 12,080 | ||
| 75.5~100 | 10~50 | 7,560 | 9,060 | 10,220 | 8,810 | 10,310 | 11,470 | |
| 50.5~75 | 8,170 | 9,740 | 11,010 | 9,420 | 10,990 | 12,260 | ||
| 75.5~100 | 8,490 | 10,120 | 11,400 | 9,740 | 11,370 | 12,650 | ||
| 12 | 50~75 | 50.0~75 | 12,080 | 14,210 | 16,280 | 13,330 | 15,460 | 17,530 |
| 75.5~100 | 13,500 | 16,000 | 18,510 | 14,750 | 17,250 | 19,760 | ||
| 100.5~125 | 14,390 | 16,990 | 19,570 | 15,640 | 18,240 | 20,820 | ||
| 75.5~100 | 50.0~75 | 13,500 | 16,000 | 18,510 | 14,750 | 17,250 | 19,760 | |
| 75.5~100 | 14,760 | 17,350 | 19,950 | 16,010 | 18,600 | 21,200 | ||
| 100.5~125 | 15,440 | 18,080 | 20,840 | 16,690 | 19,330 | 22,090 | ||
| 100.5~125 | 50.0~75 | 14,390 | 16,990 | 19,570 | 15,640 | 18,240 | 20,820 | |
| 75.5~100 | 15,440 | 18,080 | 20,840 | 16,690 | 19,330 | 22,090 | ||
| 100.5~125 | 16,380 | 19,120 | 22,000 | 17,630 | 20,370 | 23,250 | ||
| T | A | B | ¥基準単価 | |||||
| SL-LAFSN | SH-LAFSN | |||||||
| L10~50 | L50.5~75 | L75.5~100 | L10~50 | L50.5~75 | L75.5~100 | |||
| 5・6 | 10~50 | 10~50 | 5,740 | 6,760 | 7,540 | 6,240 | 7,260 | 8,040 |
| 50.5~75 | 6,080 | 7,200 | 8,080 | 6,580 | 7,700 | 8,580 | ||
| 50.5~75 | 10~50 | 6,080 | 7,200 | 8,070 | 6,580 | 7,700 | 8,570 | |
| 50.5~75 | 6,500 | 7,740 | 8,710 | 7,000 | 8,240 | 9,210 | ||
| 10 | 10~50 | 10~50 | 5,840 | 6,850 | 7,620 | 6,340 | 7,350 | 8,120 |
| 50.5~75 | 6,170 | 7,260 | 8,110 | 6,670 | 7,760 | 8,610 | ||
| 75.5~100 | 6,680 | 7,910 | 8,910 | 7,180 | 8,410 | 9,410 | ||
| 100.5~125 | 7,030 | 8,320 | 9,410 | 7,530 | 8,820 | 9,910 | ||
| 50.5~75 | 10~50 | 6,170 | 7,260 | 8,110 | 6,670 | 7,760 | 8,610 | |
| 50.5~75 | 6,570 | 7,770 | 8,700 | 7,070 | 8,270 | 9,200 | ||
| 75.5~100 | 7,250 | 8,620 | 9,770 | 7,750 | 9,120 | 10,270 | ||
| 100.5~125 | 7,490 | 8,880 | 10,080 | 7,990 | 9,380 | 10,580 | ||
| 75.5~100 | 10~50 | 6,680 | 7,910 | 8,910 | 7,180 | 8,410 | 9,410 | |
| 50.5~75 | 7,250 | 8,620 | 9,770 | 7,750 | 9,120 | 10,270 | ||
| 75.5~100 | 7,470 | 8,840 | 10,020 | 7,970 | 9,340 | 10,520 | ||
| 100.5~125 | 7,830 | 9,290 | 10,530 | 8,330 | 9,790 | 11,030 | ||
| 100.5~125 | 10~50 | 8,000 | 8,810 | 9,990 | 8,500 | 9,310 | 10,490 | |
| 50.5~75 | 8,560 | 9,460 | 10,770 | 9,060 | 9,960 | 11,270 | ||
| 75.5~100 | 9,160 | 10,120 | 11,530 | 9,660 | 10,620 | 12,030 | ||
| 100.5~125 | 9,980 | 11,010 | 12,600 | 10,480 | 11,510 | 13,100 | ||
| 12 | 50~75 | 50.0~75 | 11,530 | 13,060 | 14,880 | 12,030 | 13,560 | 15,380 |
| 75.5~100 | 12,800 | 14,630 | 16,790 | 13,300 | 15,130 | 17,290 | ||
| 100.5~125 | 13,800 | 15,940 | 18,420 | 14,300 | 16,440 | 18,920 | ||
| 75.5~100 | 50.0~75 | 12,800 | 14,630 | 16,790 | 13,300 | 15,130 | 17,290 | |
| 75.5~100 | 13,420 | 15,270 | 17,490 | 13,920 | 15,770 | 17,990 | ||
| 100.5~125 | 14,390 | 16,510 | 19,070 | 14,890 | 17,010 | 19,570 | ||
| 100.5~125 | 50.0~75 | 13,800 | 15,940 | 18,420 | 14,300 | 16,440 | 18,920 | |
| 75.5~100 | 14,390 | 16,510 | 19,070 | 14,890 | 17,010 | 19,570 | ||
| 100.5~125 | 15,810 | 17,970 | 20,600 | 16,310 | 18,470 | 21,100 | ||
| 15 | 50~75 | 50.0~75 | 13,160 | 15,350 | 17,890 | 13,660 | 15,850 | 18,390 |
| 75.5~100 | 14,110 | 16,500 | 19,260 | 14,610 | 17,000 | 19,760 | ||
| 100.5~130 | 15,330 | 18,060 | 21,090 | 15,830 | 18,560 | 21,590 | ||
| 75.5~100 | 50.0~75 | 14,110 | 16,500 | 19,260 | 14,610 | 17,000 | 19,760 | |
| 75.5~100 | 14,920 | 17,400 | 20,380 | 15,420 | 17,900 | 20,880 | ||
| 100.5~130 | 16,240 | 18,960 | 22,150 | 16,740 | 19,460 | 22,650 | ||
| 100.5~130 | 50.0~75 | 15,330 | 18,060 | 21,090 | 15,830 | 18,560 | 21,590 | |
| 75.5~100 | 16,240 | 18,960 | 22,150 | 16,740 | 19,460 | 22,650 | ||
| 100.5~130 | 17,550 | 20,410 | 23,760 | 18,050 | 20,910 | 24,260 | ||
| 数量区分 | 標準対応 | 個別対応 | ||||
| 小口 | 大口 | 大口 | ||||
| 数 量 | 1 | 2~4 | 5~15 | 16~19 | 20~40 | 41~ |
| 値引率 | 基準単価 | 10% | 15% | 20% | 25% | お見積り |
| 出荷日 | 通常 | +2日 | ||||
| 7 | 日目出荷 |
| 10 | 日目出荷 |
| 9 | 日目出荷 |
通常価格、通常出荷日が表示と異なる場合がございます
通常価格、通常出荷日が表示と異なる場合がございます

ミスミ
L型板金 取付板・ブラケット-フリー寸法タイプ- FALBS・FALBR
4.3
ミスミ
L型板金 取付板・ブラケット-フリー寸法タイプ- FALCS・FALCR
4.4
ミスミ
L型板金 取付板・ブラケット-フリー寸法タイプ- FACAS・FACAR
4.5
ミスミ
L型板金 取付板・ブラケット-センター振り分けタイプ- FSMAS
4.4
ミスミ
L型板金 取付板・ブラケット-フリー寸法タイプ- FAMAS・FAMAR
4.3
ミスミ
L型板金 取付板・ブラケット-センター振り分けタイプ- FSLAS
4.5
ミスミ
L型板金 取付板・ブラケット-フリー寸法タイプ- FAMCS・FAMCR
4.3
ミスミ
L型板金 取付板・ブラケット-センター振り分けタイプ- FSLBS
4.7
ミスミ
L型板金 取付板・ブラケット-フリー寸法タイプ- FALZS・FALZR
4.7