メカニカル部品技術窓口
ミスミ品のみ対象

コーナーカット
コーナーR


(共通寸法)
| コーナー形状仕様 | |
| コーナーカット | コーナーR |
| SL-FALBS SH-FALBS SHD-FALBS | SL-FALBR SH-FALBR SHD-FALBR |
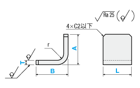
4×C2以下![]() | 4×R2以下![]() |
[ ! ]緑色のパラメータは省略可能です。省略した場合、センターに対して均等配置になります。詳細は>>こちら
[ ! ]仕様・加工限界の詳細は>>こちら
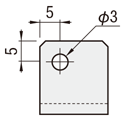
| 穴種 | ボルト通し穴 | タップ穴(並目) | 公差付き通し穴 |
| Code | N・NA | M・MA | DA |
| 形状図 | ![]() | ![]() | ![]() |
[ ! ]d寸法は下部 |
| N・NA | 0 | 3 | 4 | 5 | 6 | 8 | 10 |
| d | (穴無し) | 3.5 | 4.5 | 5.5 | 6.5 | 9 | 11 |
| 商品 | 基準寸法の区分 (A・B寸法) | 6以下 | 6を超え 30以下 | 30を超え 120以下 | 120を超え 400以下 |
| 板金(曲げ加工品) | 許容差(a・b) | ±0.3 | ±0.5 | ±0.8 | ±1.2 |


| T | f(穴と曲げの距離) | b (穴と断面 との距離) | g | ||||||
| SPCC SPHC SS400 | A5052 | SUS304 | 通し穴 | タップ穴 | 公差付穴 曲げと平行な長穴 | ||||
| L曲げ | Z・凸曲げ | L曲げ | Z・凸曲げ | ||||||
| 0.8 | ー | 0.8 | 2 | 3 | ー | ー | 3.5 | 1 | 5 |
| 1.0 | 1.0 | 1.0 | 2 | 3 | 3 | 5.5 | 3.5 | 1 | 5.5 |
| 1.2 | ー | 1.2 | 2 | 3 | 3 | 5.5 | 3.5 | 1 | 5.5 |
| 1.6 | 1.5 | 1.5 | 2 | 3.5 | 3 | 6 | 4 | 1 | 6 |
| 2.3 | 2.0 | 2.0 | 2 | 4.5 | 3 | 7 | 5 | 1.5 | 7 |
| 3.2 | 3.0 | 3.0 | 2 | 6.5 | 3 | 9 | 7 | 1.5 | 9 |
| 4.5 | 4.0 | 4.0 | 3 | 7.5 | 4 | 11 | 8(9) | 2 | 11 |
| ー | 5.0 | 5.0 | 3 | 14 | 4 | 16 | 15 | 2.5 | 18 |
| 6.0 | ー | 6.0 | 3 | 14 | 4 | 16 | 15 | 2.5 | 18 |
| 9.0 | ー | 9.0 | 20 | ー | 20.5 | ー | 20 | 4 | 20 |

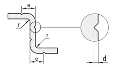
| T | 曲げ後R | ブレーキキズ | |||
| 位置 | 深さ | ||||
| SPCC SPHC SS400 | A5052 | SUS304 | (r) | (e) | (d) |
| 0.8 | ー | 0.8 | 0.8 | 5 | 0.1 |
| 1.0 | 1.0 | 1.0 | 1 | 5 | 0.1 |
| 1.2 | ー | 1.2 | 1.2 | 5 | 0.1 |
| 1.6 | 1.5 | 1.5 | 1.5 | 6 | 0.1 |
| 2.3 | 2.0 | 2.0 | 2.0 | 7.5 | 0.1 |
| 3.2 | 3.0 | 3.0 | 3.0 | 10.5 | 0.2 |
| 4.5 | 4.0 | 4.0 | 4.0 | 13.5 | 0.3 |
| ー | 5.0 | 5.0 | 5.0 | 17 | 0.5 |
| 6.0 | ー | 6.0 | 6.0 | 17 | 0.5 |
| 9.0 | ー | 9.0 | 9.0 | 27 | 0.8 |


| Type | 材質記号 | [ M ]材質 | [ S ]表面処理 | 洗浄方法 | ||||
| コーナーカット | コーナーR | 洗浄方法 | 洗浄環境 | 梱包形態 | 梱包環境 | |||
| SL-FALCS | SL-FALCR | SUD | T0.8~6.0:SUS304(2B) T9.0:SUS304(No.1) | - | 脱脂洗浄 | 一般環境 | 防錆梱包 | 一般環境 |
| SH-FALCS | SH-FALCR | 精密洗浄 | クラス1000 | 脱気2重梱包 | クラス10 | |||
| SHD-FALCS | SHD-FALCR | 電解研磨+精密洗浄 | ||||||
| SL-FALCS | SL-FALCR | AM | A5052 | - | 脱脂洗浄 | 一般環境 | 防錆梱包 | 一般環境 |
| SH-FALCS | SH-FALCR | 精密洗浄 | クラス1000 | 脱気2重梱包 | クラス10 | |||
| SHD-FALCS | - | 電解研磨+精密洗浄 | ||||||
| SL-FALCS | SL-FALCR | AMW | アルマイト処理(白) | 脱脂洗浄 | 一般環境 | 防錆梱包 | 一般環境 | |
| SH-FALCS | SH-FALCR | 精密洗浄 | クラス1000 | 脱気2重梱包 | クラス10 | |||
| SL-FALCS | SL-FALCR | AMB | アルマイト処理(黒) | 脱脂洗浄 | 一般環境 | 防錆梱包 | 一般環境 | |
| SH-FALCS | SH-FALCR | 精密洗浄 | クラス1000 | 脱気2重梱包 | クラス10 | |||
| SL-FALCS | SL-FALCR | SPU | T0.8~3.2: SPCC T4.5~6.0: SPHC T9.0:SS400(黒皮) | 三価クロメート(白) | 脱脂洗浄 | 一般環境 | 防錆梱包 | 一般環境 |
| SH-FALCS | SH-FALCR | 精密洗浄 | クラス1000 | 脱気2重梱包 | クラス10 | |||
| SL-FALCS | SL-FALCR | SPK | 三価クロメート(黒) | 脱脂洗浄 | 一般環境 | 防錆梱包 | 一般環境 | |
| SH-FALCS | SH-FALCR | 精密洗浄 | クラス1000 | 脱気2重梱包 | クラス10 | |||
| 三価クロメート(白) | 三価クロメート(黒) | |
| SPU | SPK | |
| SPCC T0.8~3.2 | ![]() | ![]() |
| SPHC T4.5~6.0 | ![]() | ![]() |
| SS400 (黒皮) T9.0 | ![]() | ![]() |
| なし | アルマイト処理(白) | アルマイト処理(黒) | |
| AM | AMW | AMB | |
| A5052 | ![]() | ![]() | ![]() |
| なし | |
| SUD | |
| SUS304(2B) T0.8~6.0 | ![]() |
| SUS304(No.1) T9.0 | ![]() |
| 型式 | - | T | - | A | - | B | - | L | - | X | - | H | - | 穴指定① Code・呼び径 | - | Y | - | V | - | S | - | 穴指定② Code・呼び径 | ||
| Type | - | 材質記号 | ||||||||||||||||||||||
| SL-FALBS | - | SUD | - | T1.5 | - | A30 | - | B30 | - | L30 | - | X15 | - | H20 | - | N5 | - | Y5 | - | V15 | - | S15 | - | NA6 |
| 型式 | 選択 | 指定1mm単位 | X | H | 穴指定① | Y | V | S | 穴指定② | |||||||
| Type | 材質記号 | T | A | B | L | Code/指定方法 | Code/指定方法 | |||||||||
| SL-FALBS SH-FALBS SHD-FALBS | SL-FALBR SH-FALBR SHD-FALBR | SUD | 0.8 ・ 1.0 ・ 1.2 ・ 1.5 ・ 2.0 3.0 ・ 4.0 ・ 5.0 ・ 6.0 ・ 9.0 | 20 ~ 200 (300) [ ! ] | 15 ~ 200 [ ! ] | 10 ~ 200 [ ! ] | 指定 0.1mm単位 | N (ボルト通し穴) 0(穴無し) 3・4・5 6・8・10 (選択) [ ! ] | M (タップ穴) 0(穴無し) 3・4・5 6・8・10 (選択) [ ! ] | DA (通し穴) 3~30 (0.5mm単位) [ ! ] | 指定 0.1mm単位 | NA (ボルト通し穴) 0(穴無し) 3・4・5 6・8・10 (選択) [ ! ] | MA (タップ穴) 0(穴無し) 3・4・5 6・8・10 (選択) [ ! ] | |||
| SL-FALBS SH-FALBS SHD-FALBS | SL-FALBR SH-FALBR | AM | 1.0 ・ 1.5 ・ 2.0 ・ 3.0 ・ 4.0 ・ 5.0 | |||||||||||||
| SL-FALBS SH-FALBS | SL-FALBR SH-FALBR | AMW AMB | ||||||||||||||
| SPU SPK | 0.8 ・ 1.0 ・ 1.2 ・ 1.6 ・ 2.3 3.2 ・ 4.5 ・ 6.0 ・ 9.0 | |||||||||||||||
| [ ! ]T6.0は、A≦300, B≧20, L≧20 [ ! ]T9.0は、A≦300, B≧32, L≧20, DA穴不可 [ ! ]穴が端面や曲げ部に近すぎると穴が変形する可能性がありますが、加工限界内であればそのまま加工します。 *N・NA・M・MAはT寸法により選択できる呼び径が異なります。詳しくは下記穴加工対応表を参照ください。 | ||||||||||||||||
| T | N・NA(ボルト通し穴) | M・MA(タップ穴) |
| 0.8 | 0・3・4・5・6・8・10 | 0 |
| 1.0、1.2 | 0・3 | |
| 1.5、1.6 | 0・3・4 | |
| 2.0、2.3 | 0・3・4・5・6 | |
| 3.0、3.2 | 0・3・4・5・6・8 | |
| 4.0~6.0 | 0・3・4・5・6・8・10 | |
| 9.0 | 0・5・6・8・10 | 0・5・6・8・10 |
| Alteration | コーナーカット | コーナーR加工 | ||
![]() A面のみ適応 | ![]() A面のみ適応 | |||
| Code | CC | CR | ||
| Spec. | CC=指定1mm単位 1≦CC≦10 指定方法 型式末尾に追加 (例)~-CC5 | CR=指定1mm単位 1≦CR≦10 指定方法 型式末尾に追加 (例)~-CR5 | ||
| ¥/1Code | 600 | 600 | ||
洗浄工程| ※材質がステンレスの場合、アルカリ系温水洗浄となることがあります。 | |
| ・脱脂洗浄(型式:SL-□□) | ※表面処理が低温黒色クロムメッキの場合、IPA洗浄となります。 |
作業環境:一般環境 | ||||||||||||||
|---|---|---|---|---|---|---|---|---|---|---|---|---|---|---|
Ro水洗浄 中性洗剤洗浄 | ![]() |
後に純水(10MΩ・cm)で 洗浄 | ![]() |
使用 | ![]() |
| ||||||||
作業環境:クラス1000 | 作業環境:クラス10 | |||||||||||||||||
|---|---|---|---|---|---|---|---|---|---|---|---|---|---|---|---|---|---|---|
Ro水洗浄 中性洗剤洗浄 | ![]() |
後に純水(10MΩ・cm)で 洗浄 | ![]() |
| ![]() |
| ![]() |
で実施 | ||||||||||
作業環境:クラス1000 | 作業環境:クラス10 | |||||||||||||||||||||
|---|---|---|---|---|---|---|---|---|---|---|---|---|---|---|---|---|---|---|---|---|---|---|
Ro水洗浄 中性洗剤洗浄 | ![]() |
で電解研磨 | ![]() |
後に純水(10MΩ・cm)で 洗浄 | ![]() |
| ![]() |
| ![]() |
で実施 | ||||||||||||
梱包例| 脱脂洗浄の場合 (TYPE型番:SL-□□) | 精密洗浄または電解研磨+精密洗浄の場合 | |
| (TYPE型番:SH-□□・SHD-□□) | ||
| オーステナイト系ステンレス・アルミ材質の場合 | 鉄・マルテンサイト系ステンレス材質の場合 | |
防錆梱包(1重梱包) | 1重目梱包2重目梱包 | 1重目梱包2重目梱包乾燥剤 |
| 一部商品・サイズによっては、 梱包形態が異なる場合がございます。 | [ ! ]1重目・2重目の梱包とも、脱気されております。 | [ ! ]防錆対策として乾燥剤を同封しております。 1梱包につき1つになります。 |
洗浄効果・利用推奨環境洗浄方法 | 商品型番 | 梱包形態 | 未洗浄品と比べた効果 | ご利用環境(目安) | 利用シーン・工程 |
|---|---|---|---|---|---|
| 脱脂洗浄 | SL-□□ | 防錆梱包 | 油分除去 | 一般環境 | 通常組立工程 |
| バッテリー組立後工程 | |||||
| 精密洗浄 | SH-□□ | 脱気2重梱包 | 油分除去 粉塵除去 | クリーン環境(クラス10~1,000) | バッテリー組立工程 |
| 液晶関連組立後工程 | |||||
| 車載カメラ組立工程 | |||||
| 電解研磨+精密洗浄 | SHD-□□ | 脱気2重梱包 | 油分除去 粉塵除去 アウトガス低減 | 真空環境 クリーン環境(クラス10~1,000) | 半導体前工程 |
| 液晶成膜工程 | |||||
| 有機EL前工程 |
| 型番 |
|---|
通常単価(税別)
(税込単価) | 通常出荷日 |
洗浄不要の場合の代替品
|
|---|
- ( - ) | 7日目 |
- |
- ( - ) | 9日目 |
- |
- ( - ) | 9日目 |
- |
- ( - ) | 6日目 |
- |
- ( - ) | 6日目 |
- |
- ( - ) | 6日目 |
- |
- ( - ) | 6日目 |
|
- ( - ) | 8日目 |
|
- ( - ) | 8日目 |
|
- ( - ) | 6日目 |
|
- ( - ) | 6日目 |
|
- ( - ) | 6日目 |
|
- ( - ) | 6日目 |
- |
- ( - ) | 6日目 |
|
- ( - ) | 6日目 |
|
- ( - ) | 7日目 |
- |
- ( - ) | 9日目 |
- |
- ( - ) | 9日目 |
- |
- ( - ) | 6日目 |
- |
- ( - ) | 6日目 |
- |
- ( - ) | 6日目 |
- |
- ( - ) | 6日目 |
|
- ( - ) | 8日目 |
|
- ( - ) | 8日目 |
|
- ( - ) | 6日目 |
|
- ( - ) | 6日目 |
|
- ( - ) | 6日目 |
| ・脱脂洗浄(防錆1重梱包) | :型番SL-□□ |
| ・精密洗浄(脱気2重梱包) | :型番SH-□□ |
| ・電解研磨+精密洗浄(脱気2重梱包) | :型番SHD-□□ |
| 商品型番 | 洗浄方法 | 梱包形態 | 未洗浄品と比べた効果 | ご利用環境(目安) | 工程別 |
| SL-□□ | 脱脂洗浄 | 防錆梱包 | 油分除去 | 一般環境 | 通常組立工程 |
| バッテリー組立後工程 | |||||
| SH-□□ | 精密洗浄 | 脱気2重梱包 | 油分除去 粉塵除去 | クリーン環境(クラス10~1,000) | バッテリー組立工程 |
| 液晶関連組立後工程 | |||||
| 車載カメラ組立工程 | |||||
| SHD-□□ | 電解研磨+精密洗浄 | 脱気2重梱包 | 油分除去 粉塵除去 アウトガス低減 | 真空環境 クリーン環境(クラス10~1,000) | 半導体前工程 |
| 液晶成膜工程 | |||||
| 有機EL前工程 |
| A | L | T | ¥基準単価 | |||||
| コーナーカット | コーナーR | |||||||
| SL-FALBS | SH-FALBS | SHD-FALBS | SL-FALBR | SH-FALBR | SHD-FALBR | |||
| 20~100 | 10~100 | 0.8 | - | - | - | 2,290 | 2,330 | 2,510 |
| 1.0 | 2,200 | 2,500 | 2,680 | 2,290 | 2,330 | 2,510 | ||
| 1.2 | - | - | - | 2,290 | 2,330 | 2,510 | ||
| 1.5 | 2,200 | 2,500 | 2,680 | 2,290 | 2,330 | 2,510 | ||
| 2.0 | 2,350 | 2,650 | 2,830 | 2,460 | 2,500 | 2,680 | ||
| 3.0 | 2,350 | 2,650 | 2,830 | 2,460 | 2,500 | 2,680 | ||
| 4.0 | 2,890 | 3,190 | 3,370 | 2,990 | 3,030 | 3,210 | ||
| 5.0 | 2,890 | 3,190 | 3,370 | 2,990 | 3,030 | 3,210 | ||
| 6.0 | - | - | - | 3,280 | 3,320 | 3,500 | ||
| 9.0 | - | - | - | 6,000 | 6,040 | 6,220 | ||
| 101~200 | 0.8 | - | - | - | 3,710 | 3,750 | 3,930 | |
| 1.0 | 3,490 | 3,790 | 3,970 | 3,710 | 3,750 | 3,930 | ||
| 1.2 | - | - | - | 3,710 | 3,750 | 3,930 | ||
| 1.5 | 3,490 | 3,790 | 3,970 | 3,710 | 3,750 | 3,930 | ||
| 2.0 | 3,760 | 4,060 | 4,240 | 4,020 | 4,060 | 4,240 | ||
| 3.0 | 3,760 | 4,060 | 4,240 | 4,020 | 4,060 | 4,240 | ||
| 4.0 | 4,730 | 5,030 | 5,210 | 4,980 | 5,020 | 5,200 | ||
| 5.0 | 4,730 | 5,030 | 5,210 | 4,980 | 5,020 | 5,200 | ||
| 6.0 | - | - | - | 4,980 | 5,020 | 5,200 | ||
| 9.0 | - | - | - | 9,330 | 9,370 | 9,550 | ||
| 101~200 | 10~100 | 0.8 | - | - | - | 3,400 | 3,440 | 3,620 |
| 1.0 | 3,210 | 3,510 | 3,690 | 3,400 | 3,440 | 3,620 | ||
| 1.2 | - | - | - | 3,400 | 3,440 | 3,620 | ||
| 1.5 | 3,210 | 3,510 | 3,690 | 3,400 | 3,440 | 3,620 | ||
| 2.0 | 3,450 | 3,750 | 3,930 | 3,670 | 3,710 | 3,890 | ||
| 3.0 | 3,450 | 3,750 | 3,930 | 3,670 | 3,710 | 3,890 | ||
| 4.0 | 4,330 | 4,630 | 4,810 | 4,540 | 4,580 | 4,760 | ||
| 5.0 | 4,330 | 4,630 | 4,810 | 4,540 | 4,580 | 4,760 | ||
| 6.0 | - | - | - | 4,540 | 4,580 | 4,760 | ||
| 9.0 | - | - | - | 7,880 | 7,920 | 8,100 | ||
| 101~200 | 0.8 | - | - | - | 4,870 | 4,910 | 5,090 | |
| 1.0 | 4,510 | 4,810 | 4,990 | 4,870 | 4,910 | 5,090 | ||
| 1.2 | - | - | - | 4,870 | 4,910 | 5,090 | ||
| 1.5 | 4,510 | 4,810 | 4,990 | 4,870 | 4,910 | 5,090 | ||
| 2.0 | 4,860 | 5,160 | 5,340 | 5,260 | 5,300 | 5,480 | ||
| 3.0 | 4,860 | 5,160 | 5,340 | 5,260 | 5,300 | 5,480 | ||
| 4.0 | 6,190 | 6,490 | 6,670 | 6,560 | 6,600 | 6,780 | ||
| 5.0 | 6,190 | 6,490 | 6,670 | 6,560 | 6,600 | 6,780 | ||
| 6.0 | - | - | - | 6,560 | 6,600 | 6,780 | ||
| 9.0 | - | - | - | 12,020 | 12,060 | 12,240 | ||
| 201~300 | 20~100 | 6.0 | - | - | - | 8,990 | 9,030 | 9,210 |
| 9.0 | - | - | - | 12,370 | 12,410 | 12,590 | ||
| 101~200 | 6.0 | - | - | - | 11,390 | 11,430 | 11,610 | |
| 9.0 | - | - | - | 16,570 | 16,610 | 16,790 | ||
| A | L | T | ¥基準単価 | ||||||||||||
| コーナーカット | コーナーR | ||||||||||||||
| AM | AMW | AMB | AM | AMW | AMB | ||||||||||
| SL-FALBS | SH-FALBS | SHD-FALBS | SL-FALBS | SH-FALBS | SL-FALBS | SH-FALBS | SL-FALBR | SH-FALBR | SL-FALBR | SH-FALBR | SL-FALBR | SH-FALBR | |||
| 20~100 | 10~100 | 1.0 | - | - | - | - | - | - | - | 2,300 | 2,340 | 2,960 | 3,000 | 3,090 | 3,130 |
| 1.5 | 2,400 | 2,700 | 2,880 | 3,060 | 3,360 | 3,190 | 3,490 | 2,300 | 2,340 | 2,960 | 3,000 | 3,090 | 3,130 | ||
| 2.0 | 2,430 | 2,730 | 2,910 | 3,090 | 3,390 | 3,220 | 3,520 | 2,330 | 2,370 | 2,990 | 3,030 | 3,120 | 3,160 | ||
| 3.0 | 2,430 | 2,730 | 2,910 | 3,090 | 3,390 | 3,220 | 3,520 | 2,330 | 2,370 | 2,990 | 3,030 | 3,120 | 3,160 | ||
| 4.0 | 3,010 | 3,310 | 3,490 | 3,860 | 4,160 | 4,020 | 4,320 | 2,910 | 2,950 | 3,760 | 3,800 | 3,920 | 3,960 | ||
| 5.0 | 3,010 | 3,310 | 3,490 | 3,860 | 4,160 | 4,020 | 4,320 | 2,910 | 2,950 | 3,760 | 3,800 | 3,920 | 3,960 | ||
| 101~200 | 1.0 | - | - | - | - | - | - | - | 3,750 | 3,790 | 4,870 | 4,910 | 5,080 | 5,120 | |
| 1.5 | 3,850 | 4,150 | 4,330 | 4,970 | 5,270 | 5,180 | 5,480 | 3,750 | 3,790 | 4,870 | 4,910 | 5,080 | 5,120 | ||
| 2.0 | 3,920 | 4,220 | 4,400 | 5,030 | 5,330 | 5,240 | 5,540 | 3,820 | 3,860 | 4,930 | 4,970 | 5,140 | 5,180 | ||
| 3.0 | 3,920 | 4,220 | 4,400 | 5,030 | 5,330 | 5,240 | 5,540 | 3,820 | 3,860 | 4,930 | 4,970 | 5,140 | 5,180 | ||
| 4.0 | 4,920 | 5,220 | 5,400 | 6,380 | 6,680 | 6,640 | 6,940 | 4,820 | 4,860 | 6,280 | 6,320 | 6,540 | 6,580 | ||
| 5.0 | 4,920 | 5,220 | 5,400 | 6,380 | 6,680 | 6,640 | 6,940 | 4,820 | 4,860 | 6,280 | 6,320 | 6,540 | 6,580 | ||
| 101~200 | 10~100 | 1.0 | - | - | - | - | - | - | - | 3,440 | 3,480 | 4,450 | 4,490 | 4,620 | 4,660 |
| 1.5 | 3,540 | 3,840 | 4,020 | 4,550 | 4,850 | 4,720 | 5,020 | 3,440 | 3,480 | 4,450 | 4,490 | 4,620 | 4,660 | ||
| 2.0 | 3,580 | 3,880 | 4,060 | 4,600 | 4,900 | 4,770 | 5,070 | 3,480 | 3,520 | 4,500 | 4,540 | 4,670 | 4,710 | ||
| 3.0 | 3,580 | 3,880 | 4,060 | 4,600 | 4,900 | 4,770 | 5,070 | 3,480 | 3,520 | 4,500 | 4,540 | 4,670 | 4,710 | ||
| 4.0 | 4,500 | 4,800 | 4,980 | 5,800 | 6,100 | 6,050 | 6,350 | 4,400 | 4,440 | 5,700 | 5,740 | 5,950 | 5,990 | ||
| 5.0 | 4,500 | 4,800 | 4,980 | 5,800 | 6,100 | 6,050 | 6,350 | 4,400 | 4,440 | 5,700 | 5,740 | 5,950 | 5,990 | ||
| 101~200 | 1.0 | - | - | - | - | - | - | - | 4,910 | 4,950 | 6,430 | 6,470 | 6,700 | 6,740 | |
| 1.5 | 5,010 | 5,310 | 5,490 | 6,530 | 6,830 | 6,800 | 7,100 | 4,910 | 4,950 | 6,430 | 6,470 | 6,700 | 6,740 | ||
| 2.0 | 5,080 | 5,380 | 5,560 | 6,600 | 6,900 | 6,880 | 7,180 | 4,980 | 5,020 | 6,500 | 6,540 | 6,780 | 6,820 | ||
| 3.0 | 5,080 | 5,380 | 5,560 | 6,600 | 6,900 | 6,880 | 7,180 | 4,980 | 5,020 | 6,500 | 6,540 | 6,780 | 6,820 | ||
| 4.0 | 6,450 | 6,750 | 6,930 | 8,410 | 8,710 | 8,760 | 9,060 | 6,350 | 6,390 | 8,310 | 8,350 | 8,660 | 8,700 | ||
| 5.0 | 6,450 | 6,750 | 6,930 | 8,410 | 8,710 | 8,760 | 9,060 | 6,350 | 6,390 | 8,310 | 8,350 | 8,660 | 8,700 | ||
| A | L | T | ¥基準単価 | |||||||
| コーナーカット | コーナーR | |||||||||
| SPU | SPK | SPU | SPK | |||||||
| SL-FALBS | SH-FALBS | SL-FALBS | SH-FALBS | SL-FALBR | SH-FALBR | SL-FALBR | SH-FALBR | |||
| 20~100 | 10~100 | 0.8 | 2,310 | 2,430 | 2,310 | 2,430 | 2,210 | 2,250 | 2,210 | 2,250 |
| 1.0 | 2,310 | 2,430 | 2,310 | 2,430 | 2,210 | 2,250 | 2,210 | 2,250 | ||
| 1.2 | 2,310 | 2,430 | 2,310 | 2,430 | 2,210 | 2,250 | 2,210 | 2,250 | ||
| 1.6 | 2,310 | 2,430 | 2,310 | 2,430 | 2,210 | 2,250 | 2,210 | 2,250 | ||
| 2.3 | 2,420 | 2,540 | 2,420 | 2,540 | 2,320 | 2,360 | 2,320 | 2,360 | ||
| 3.2 | 2,420 | 2,540 | 2,420 | 2,540 | 2,320 | 2,360 | 2,320 | 2,360 | ||
| 4.5 | 2,720 | 2,840 | 2,720 | 2,840 | 2,620 | 2,660 | 2,620 | 2,660 | ||
| 6.0 | 2,720 | 2,840 | 2,720 | 2,840 | 2,620 | 2,660 | 2,620 | 2,660 | ||
| 9.0 | 3,410 | 3,530 | 3,700 | 3,820 | 3,310 | 3,350 | 3,600 | 3,640 | ||
| 101~200 | 0.8 | 3,150 | 3,270 | 3,150 | 3,270 | 3,050 | 3,090 | 3,050 | 3,090 | |
| 1.0 | 3,150 | 3,270 | 3,150 | 3,270 | 3,050 | 3,090 | 3,050 | 3,090 | ||
| 1.2 | 3,150 | 3,270 | 3,150 | 3,270 | 3,050 | 3,090 | 3,050 | 3,090 | ||
| 1.6 | 3,150 | 3,270 | 3,150 | 3,270 | 3,050 | 3,090 | 3,050 | 3,090 | ||
| 2.3 | 3,320 | 3,440 | 3,320 | 3,440 | 3,220 | 3,260 | 3,220 | 3,260 | ||
| 3.2 | 3,320 | 3,440 | 3,320 | 3,440 | 3,220 | 3,260 | 3,220 | 3,260 | ||
| 4.5 | 3,770 | 3,890 | 3,770 | 3,890 | 3,670 | 3,710 | 3,670 | 3,710 | ||
| 6.0 | 3,770 | 3,890 | 3,770 | 3,890 | 3,670 | 3,710 | 3,670 | 3,710 | ||
| 9.0 | 4,490 | 4,610 | 4,810 | 4,930 | 4,390 | 4,430 | 4,710 | 4,750 | ||
| 101~200 | 10~100 | 0.8 | 2,910 | 3,030 | 2,910 | 3,030 | 2,810 | 2,850 | 2,810 | 2,850 |
| 1.0 | 2,910 | 3,030 | 2,910 | 3,030 | 2,810 | 2,850 | 2,810 | 2,850 | ||
| 1.2 | 2,910 | 3,030 | 2,910 | 3,030 | 2,810 | 2,850 | 2,810 | 2,850 | ||
| 1.6 | 2,910 | 3,030 | 2,910 | 3,030 | 2,810 | 2,850 | 2,810 | 2,850 | ||
| 2.3 | 3,070 | 3,190 | 3,070 | 3,190 | 2,970 | 3,010 | 2,970 | 3,010 | ||
| 3.2 | 3,070 | 3,190 | 3,070 | 3,190 | 2,970 | 3,010 | 2,970 | 3,010 | ||
| 4.5 | 3,580 | 3,700 | 3,580 | 3,700 | 3,480 | 3,520 | 3,480 | 3,520 | ||
| 6.0 | 3,580 | 3,700 | 3,580 | 3,700 | 3,480 | 3,520 | 3,480 | 3,520 | ||
| 9.0 | 4,200 | 4,320 | 4,340 | 4,460 | 4,100 | 4,140 | 4,240 | 4,280 | ||
| 101~200 | 0.8 | 3,780 | 3,900 | 3,780 | 3,900 | 3,680 | 3,720 | 3,680 | 3,720 | |
| 1.0 | 3,780 | 3,900 | 3,780 | 3,900 | 3,680 | 3,720 | 3,680 | 3,720 | ||
| 1.2 | 3,780 | 3,900 | 3,780 | 3,900 | 3,680 | 3,720 | 3,680 | 3,720 | ||
| 1.6 | 3,780 | 3,900 | 3,780 | 3,900 | 3,680 | 3,720 | 3,680 | 3,720 | ||
| 2.3 | 4,030 | 4,150 | 4,030 | 4,150 | 3,930 | 3,970 | 3,930 | 3,970 | ||
| 3.2 | 4,030 | 4,150 | 4,030 | 4,150 | 3,930 | 3,970 | 3,930 | 3,970 | ||
| 4.5 | 4,710 | 4,830 | 4,710 | 4,830 | 4,610 | 4,650 | 4,610 | 4,650 | ||
| 6.0 | 4,710 | 4,830 | 4,710 | 4,830 | 4,610 | 4,650 | 4,610 | 4,650 | ||
| 9.0 | 5,630 | 5,750 | 6,010 | 6,130 | 5,530 | 5,570 | 5,910 | 5,950 | ||
| 201~300 | 20~100 | 6.0 | 4,360 | 4,480 | 4,360 | 4,480 | 4,260 | 4,300 | 4,260 | 4,300 |
| 9.0 | 5,330 | 5,450 | 5,700 | 5,820 | 5,230 | 5,270 | 5,600 | 5,640 | ||
| 101~200 | 6.0 | 6,150 | 6,270 | 6,150 | 6,270 | 6,050 | 6,090 | 6,050 | 6,090 | |
| 9.0 | 7,590 | 7,710 | 8,200 | 8,320 | 7,490 | 7,530 | 8,100 | 8,140 | ||
| 数量区分 | 標準対応 | 個別対応 | ||||
| 小口 | 大口 | 大口 | ||||
| 数 量 | 1〜3 | 4〜7 | 8〜19 | 20〜39 | 40〜100 | 101~ |
| 値引率 | 基準価格 | 35% | 40% | 45% | 50% | お見積り |
| 出荷日 | 通常 | +2日 | +5日 | |||
| 6 | 日目出荷 |
| 8 | 日目出荷 |
| 11 | 日目出荷 |

通常価格、通常出荷日が表示と異なる場合がございます
通常価格、通常出荷日が表示と異なる場合がございます

ミスミ
L型板金 取付板・ブラケット-フリー寸法タイプ- FACAS・FACAR
4.5
ミスミ
L型板金 取付板・ブラケット-フリー寸法タイプ- FAMAS・FAMAR
4.3
ミスミ
L型板金 取付板・ブラケット-センター振り分けタイプ- FSMAS
4.4
ミスミ
L型板金 取付板・ブラケット-センター振り分けタイプ- FSLAS
4.5
ミスミ
L型板金 取付板・ブラケット-フリー寸法タイプ- FALBS・FALBR
4.3
ミスミ
L型板金 取付板・ブラケット-フリー寸法タイプ- FASBS・FASBR
4.7
ミスミ
L型板金 取付板・ブラケット-フリー寸法タイプ- FAMCS・FAMCR
4.3
ミスミ
L型板金 取付板・ブラケット-フリー寸法タイプ- FALCS・FALCR
4.4
ミスミ
L型板金 取付板・ブラケット-フリー寸法タイプ- FALZS・FALZR
4.7