メカニカル部品技術窓口
ミスミ品のみ対象


| 穴種 | タップ穴 | ボルト通し穴 | ザグリ表 | ザグリ裏 | 通し穴 | |||||||||||||||||||||||||||||||||||||||||||||||||||
| Code | M・MA | N・NA | Z・ZF | ZB | DA | |||||||||||||||||||||||||||||||||||||||||||||||||||
| 形状図 | ![]() | ![]() | ![]() | ![]() | ![]() | |||||||||||||||||||||||||||||||||||||||||||||||||||
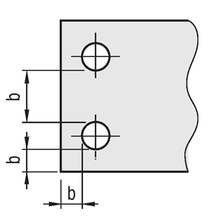
| 加工 仕様 | タップ有効長最大 M・MA×2 [ ! ]T≧M・MA×3のとき、 タップ下穴が貫通しない 場合があります。 |
|
| |||||||||||||||||||||||||||||||||||||||||||||||||||||

| 型式 | [ M ]材質 | [ S ]表面処理 | 洗浄方法 | |||||
| Type | 材質記号 | |||||||
| B寸選択 | B寸フリー指定 | 洗浄方法 | 洗浄環境 | 梱包形態 | 梱包環境 | |||
| SL-HRMQA | SL-HUMQA | SU | SUS304D | - | 脱脂洗浄 | 一般環境 | 防錆梱包 | 一般環境 |
| SH-HRMQA | SH-HUMQA | 精密洗浄 | クラス1000 | 脱気2重梱包 | クラス10 | |||
| SHD-HRMQA | SHD-HUMQA | 電解研磨+精密洗浄 | ||||||
| - | SL-HUMQA | AM | A5052 | - | 脱脂洗浄 | 一般環境 | 防錆梱包 | 一般環境 |
| SH-HUMQA | 精密洗浄 | クラス1000 | 脱気2重梱包 | クラス10 | ||||
| SHD-HUMQA | 電解研磨+精密洗浄 | |||||||
| SL-HUMQA | AMW | アルマイト処理(白) | 脱脂洗浄 | 一般環境 | 防錆梱包 | 一般環境 | ||
| SH-HUMQA | 精密洗浄 | クラス1000 | 脱気2重梱包 | クラス10 | ||||
| SL-HUMQA | AMB | アルマイト処理(黒) | 脱脂洗浄 | 一般環境 | 防錆梱包 | 一般環境 | ||
| SH-HUMQA | 精密洗浄 | クラス1000 | 脱気2重梱包 | クラス10 | ||||
| SL-HRMQA | SL-HUMQA | SCM | S45CD | 無電解ニッケルメッキ | 脱脂洗浄 | 一般環境 | 防錆梱包 | 一般環境 |
| SH-HRMQA | SH-HUMQA | 精密洗浄 | クラス1000 | 脱気2重梱包 | クラス10 | |||
| 型式 | A | - | B | - | T | - | X | - | Y | - | 穴指定① | - | L | - | 穴指定② | |||
| - | Code・呼び径 | Code・呼び径 | ||||||||||||||||
| Type | - | 材質記号 | ||||||||||||||||
| SL-HRMQA | - | SU | - | A80 | - | B50 | - | T6 | - | X10 | - | Y25 | - | M6 | - | L60 | - | MA6 |
| タイプ | 型式 | 0.1mm単位 | B | T | X | Y | 穴指定① | L | 穴指定② | |||||
| Type | 材質記号 | A | Code | 呼び径 | Code | 呼び径 | DA | 0.5mm | ||||||
| B寸 選択 | SU | 25.0 ~ 200.0 | 15 20 25 32 38 50 65 100 125 | 指定 0.1mm 単位 | 指定 0.1mm 単位 | DA | ||||||||
| 6 | ||||||||||||||
| SL-HRMQA | 9 | |||||||||||||
| SH-HRMQA | (10) | |||||||||||||
| SHD-HRMQA | 12 | |||||||||||||
| 16 | ||||||||||||||
| 19 | 0 | NA[ ! ] | 0 | |||||||||||
| SCM | 16 22 25 32 38 50 60 75 100 125 | N[ ! ] | (穴なし) | MA | (穴なし) | |||||||||
| M | 3 | ZF[ ! ] | 3 | |||||||||||
| B寸 フリー指定 | SU SCM | 25.0 ~ 200.0 | 6 | Z[ ! ] | 4 | ZB[ ! ] | 4 | |||||||
| 9 | 5 | 5 | 3 | |||||||||||
| 15.0~150.0 | (10) | [ ! ]加工寸法は | 6 | [ ! ]加工寸法は | 6 | ~ | ||||||||
| (指定0.1mm単位) | 12 | 穴種選択表参照 | 8 | 穴種選択表参照 | 8 | 30 | ||||||||
| 16 | 10 | 10 | ||||||||||||
| SL-HUMQA | 19 | 12 | 12 | |||||||||||
| SH-HUMQA | 5 | 14 | 14 | |||||||||||
| SHD-HUMQA | 6 | 16 | 16 | |||||||||||
| AM | 10.0~200.0 | 8 | ||||||||||||
| AMW | (指定0.1mm単位) | 10 | ||||||||||||
| AMB | 12 | |||||||||||||
| 15 | ||||||||||||||
| 20 | ||||||||||||||
| [ NG ]SCMはT10選択不可 [ NG ]SCMでB16・22の時、T19選択不可 [ NG ]SUでB15の時、T10~19選択不可 [ NG ]SUでB20の時、T19選択不可 [ NG ]アルマイト品・S45CDは電解研磨(SHD-)選択不可 | ||||||||||||||
| 型式 | A | - | B | - | T | - | X | - | Y | - | 穴指定① | - | L | - | 穴指定② | - | (CC) | |||
| - | Code・呼び径 | Code・呼び径 | ||||||||||||||||||
| Type | - | 材質記号 | ||||||||||||||||||
| SL-HRMQA | - | SU | - | A80 | - | B50 | - | T6 | - | X10 | - | Y25 | - | M6 | - | L60 | - | MA6 | - | CC10 |
| Alterations | コーナーカット変更 | |||||||||||||||||||
![]() | ||||||||||||||||||||
| Code | CC | |||||||||||||||||||
| Spec. | コーナーカットを変更します。 CC=指定1mm単位 [ ! ]1≦CC≦50 指定方法 CCを型式末尾に追加 (例)~-CC10 | |||||||||||||||||||
| ¥/1Code |
| |||||||||||||||||||
洗浄工程| ※材質がステンレスの場合、アルカリ系温水洗浄となることがあります。 | |
| ・脱脂洗浄(型式:SL-□□) | ※表面処理が低温黒色クロムメッキの場合、IPA洗浄となります。 |
作業環境:一般環境 | ||||||
|---|---|---|---|---|---|---|
![]() 炭化水素系洗浄※ Ro水洗浄 中性洗剤洗浄 | ![]() | ![]() 高圧ジェット水洗(Ro水) 後に純水(10MΩ・cm)で 洗浄 | ![]() | ![]() エアブロー(オイルフリー) 使用 | ![]() | ![]() 防錆袋使用 |
| ・精密洗浄(型式:SH-□□) | ※表面処理が低温黒色クロムメッキの場合、IPA洗浄となります。 |
作業環境:クラス1000 | 作業環境:クラス10 | |||||||
|---|---|---|---|---|---|---|---|---|
![]() 炭化水素系洗浄※ Ro水洗浄 中性洗剤洗浄 | ![]() | ![]() 高圧ジェット水洗(Ro水) 後に純水(10MΩ・cm)で 洗浄 | ![]() | ![]() 温純水(13MΩ・cm)使用 | ![]() | ![]() 窒素ブロー使用 | ![]() | ![]() クリーンベンチ(クラス10) で実施 |
作業環境:クラス1000 | 作業環境:クラス10 | |||||||||
|---|---|---|---|---|---|---|---|---|---|---|
![]() 炭化水素系洗浄 Ro水洗浄 中性洗剤洗浄 | ![]() | ![]() 材質に応じた電解研磨槽 で電解研磨 | ![]() | ![]() 高圧ジェット水洗(Ro水) 後に純水(10MΩ・cm)で 洗浄 | ![]() | ![]() 温純水(13MΩ・cm)使用 | ![]() | ![]() 窒素ブロー使用 | ![]() | ![]() クリーンベンチ(クラス10) で実施 |
梱包例| 脱脂洗浄の場合 (TYPE型番:SL-□□) | 精密洗浄または電解研磨+精密洗浄の場合 | |
| (TYPE型番:SH-□□・SHD-□□) | ||
| オーステナイト系ステンレス・アルミ材質の場合 | 鉄・マルテンサイト系ステンレス材質の場合 | |
![]() | ![]() | ![]() |
| 一部商品・サイズによっては、 梱包形態が異なる場合がございます。 | [ ! ]1重目・2重目の梱包とも、脱気されております。 | [ ! ]防錆対策として乾燥剤を同封しております。 1梱包につき1つになります。 |
洗浄効果・利用推奨環境洗浄方法 | 商品型番 | 梱包形態 | 未洗浄品と比べた効果 | ご利用環境(目安) | 利用シーン・工程 |
|---|---|---|---|---|---|
| 脱脂洗浄 | SL-□□ | 防錆梱包 | 油分除去 | 一般環境 | 通常組立工程 |
| バッテリー組立後工程 | |||||
| 精密洗浄 | SH-□□ | 脱気2重梱包 | 油分除去 粉塵除去 | クリーン環境(クラス10~1,000) | バッテリー組立工程 |
| 液晶関連組立後工程 | |||||
| 車載カメラ組立工程 | |||||
| 電解研磨+精密洗浄 | SHD-□□ | 脱気2重梱包 | 油分除去 粉塵除去 アウトガス低減 | 真空環境 クリーン環境(クラス10~1,000) | 半導体前工程 |
| 液晶成膜工程 | |||||
| 有機EL前工程 |
| 型番 |
|---|
通常単価(税別)
(税込単価) | 通常出荷日 |
洗浄不要の場合の代替品
|
|---|
- ( - ) | 10日目 |
|
- ( - ) | 6日目 |
|
- ( - ) | 6日目 |
|
- ( - ) | 10日目 |
|
- ( - ) | 10日目 |
|
- ( - ) | 8日目 |
|
- ( - ) | 6日目 |
|
- ( - ) | 6日目 |
|
- ( - ) | 6日目 |
|
- ( - ) | 6日目 |
|
- ( - ) | 10日目 |
|
- ( - ) | 6日目 |
|
- ( - ) | 6日目 |
|
- ( - ) | 10日目 |
|
- ( - ) | 10日目 |
|
- ( - ) | 8日目 |
|
- ( - ) | 6日目 |
| ・脱脂洗浄(防錆1重梱包) | :型番SL-□□ |
| ・精密洗浄(脱気2重梱包) | :型番SH-□□ |
| ・電解研磨+精密洗浄(脱気2重梱包) | :型番SHD-□□ |
| 商品型番 | 洗浄方法 | 梱包形態 | 未洗浄品と比べた効果 | ご利用環境(目安) | 工程別 |
| SL-□□ | 脱脂洗浄 | 防錆梱包 | 油分除去 | 一般環境 | 通常組立工程 |
| バッテリー組立後工程 | |||||
| SH-□□ | 精密洗浄 | 脱気2重梱包 | 油分除去 粉塵除去 | クリーン環境(クラス10~1,000) | バッテリー組立工程 |
| 液晶関連組立後工程 | |||||
| 車載カメラ組立工程 | |||||
| SHD-□□ | 電解研磨+精密洗浄 | 脱気2重梱包 | 油分除去 粉塵除去 アウトガス低減 | 真空環境 クリーン環境(クラス10~1,000) | 半導体前工程 |
| 液晶成膜工程 | |||||
| 有機EL前工程 |
| A | B | ¥本体価格+穴加工料金 | |||||||||||
| SL-HRMQA | SH-HRMQA | SHD-HRMQA | |||||||||||
| B寸選択 | T6 | T9・10 | T12 | T16・19 | T6 | T9・10 | T12 | T16・19 | T6 | T9・10 | T12 | T16・19 | |
| 25.0~50.0 | 15~32 | 2,030 | 2,520 | 3,060 | 3,060 | 2,480 | 2,970 | 3,510 | 3,510 | 2,750 | 3,240 | 3,780 | 3,780 |
| 38・50 | 2,030 | 2,520 | 3,060 | 3,060 | 2,480 | 2,970 | 3,510 | 3,510 | 2,750 | 3,240 | 3,780 | 3,780 | |
| 65 | 2,250 | 2,890 | 3,620 | 3,950 | 2,700 | 3,340 | 4,070 | 4,400 | 2,970 | 3,610 | 4,340 | 4,670 | |
| 100 | 2,460 | 3,250 | 4,190 | 4,840 | 2,910 | 3,700 | 4,640 | 5,290 | 3,180 | 3,970 | 4,910 | 5,560 | |
| 125 | 2,650 | 3,540 | 4,590 | 5,330 | 3,100 | 3,990 | 5,040 | 5,780 | 3,370 | 4,260 | 5,310 | 6,050 | |
| 50.1~100.0 | 15~32 | 2,040 | 2,570 | 3,630 | 4,070 | 2,490 | 3,020 | 4,080 | 4,520 | 2,760 | 3,290 | 4,350 | 4,790 |
| 38・50 | 2,080 | 2,810 | 3,950 | 4,560 | 2,530 | 3,260 | 4,400 | 5,010 | 2,800 | 3,530 | 4,670 | 5,280 | |
| 65 | 2,410 | 3,220 | 4,560 | 5,030 | 2,860 | 3,670 | 5,010 | 5,480 | 3,130 | 3,940 | 5,280 | 5,750 | |
| 100 | 2,720 | 3,650 | 5,160 | 5,500 | 3,170 | 4,100 | 5,610 | 5,950 | 3,440 | 4,370 | 5,880 | 6,220 | |
| 125 | 2,970 | 4,020 | 5,220 | 6,100 | 3,420 | 4,470 | 5,670 | 6,550 | 3,690 | 4,740 | 5,940 | 6,820 | |
| 100.1~150.0 | 15~32 | 2,100 | 2,670 | 4,050 | 4,540 | 2,550 | 3,120 | 4,500 | 4,990 | 2,820 | 3,390 | 4,770 | 5,260 |
| 38・50 | 2,320 | 3,320 | 4,240 | 4,750 | 2,770 | 3,770 | 4,690 | 5,200 | 3,040 | 4,040 | 4,960 | 5,470 | |
| 65 | 2,770 | 3,850 | 5,020 | 5,770 | 3,220 | 4,300 | 5,470 | 6,220 | 3,490 | 4,570 | 5,740 | 6,490 | |
| 100 | 3,200 | 4,390 | 5,790 | 6,760 | 3,650 | 4,840 | 6,240 | 7,210 | 3,920 | 5,110 | 6,510 | 7,480 | |
| 125 | 3,510 | 4,840 | 6,430 | 7,550 | 3,960 | 5,290 | 6,880 | 8,000 | 4,230 | 5,560 | 7,150 | 8,270 | |
| 150.1~200.0 | 15~32 | 2,160 | 3,020 | 4,290 | 4,950 | 2,610 | 3,470 | 4,740 | 5,400 | 2,880 | 3,740 | 5,010 | 5,670 |
| 38・50 | 2,520 | 3,830 | 5,280 | 6,230 | 2,970 | 4,280 | 5,730 | 6,680 | 3,240 | 4,550 | 6,000 | 6,950 | |
| 65 | 3,090 | 4,460 | 6,040 | 7,120 | 3,540 | 4,910 | 6,490 | 7,570 | 3,810 | 5,180 | 6,760 | 7,840 | |
| 100 | 3,650 | 5,100 | 6,810 | 8,000 | 4,100 | 5,550 | 7,260 | 8,450 | 4,370 | 5,820 | 7,530 | 8,720 | |
| 125 | 4,730 | 6,080 | 8,190 | 9,650 | 5,180 | 6,530 | 8,640 | 10,100 | 5,450 | 6,800 | 8,910 | 10,370 | |
| A | B | ¥本体価格+穴加工料金 | |||||||
| SL-HRMQA | SH-HRMQA | ||||||||
| T6 | T9 | T12 | T16・19 | T6 | T9 | T12 | T16・19 | ||
| 25.0~50.0 | 16~32 | 2,000 | 2,420 | 2,600 | 2,830 | 2,450 | 2,870 | 3,050 | 3,280 |
| 38~60 | 2,240 | 2,460 | 2,640 | 2,870 | 2,690 | 2,910 | 3,090 | 3,320 | |
| 75・100 | 2,500 | 2,690 | 2,820 | 2,990 | 2,950 | 3,140 | 3,270 | 3,440 | |
| 125 | 2,670 | 2,810 | 3,070 | 3,250 | 3,120 | 3,260 | 3,520 | 3,700 | |
| 50.1~100.0 | 16~32 | 2,040 | 2,550 | 2,900 | 3,180 | 2,490 | 3,000 | 3,350 | 3,630 |
| 38~60 | 2,300 | 2,710 | 3,030 | 3,190 | 2,750 | 3,160 | 3,480 | 3,640 | |
| 75・100 | 2,710 | 3,000 | 3,260 | 3,430 | 3,160 | 3,450 | 3,710 | 3,880 | |
| 125 | 2,970 | 3,380 | 3,700 | 3,870 | 3,420 | 3,830 | 4,150 | 4,320 | |
| 100.1~150.0 | 16~32 | 2,240 | 2,740 | 3,360 | 3,560 | 2,690 | 3,190 | 3,810 | 4,010 |
| 38~60 | 2,550 | 3,080 | 3,430 | 3,630 | 3,000 | 3,530 | 3,880 | 4,080 | |
| 75・100 | 3,020 | 3,420 | 3,740 | 4,010 | 3,470 | 3,870 | 4,190 | 4,460 | |
| 125 | 3,470 | 3,880 | 4,370 | 4,660 | 3,920 | 4,330 | 4,820 | 5,110 | |
| 150.1~200.0 | 16~32 | 2,450 | 3,270 | 3,630 | 3,910 | 2,900 | 3,720 | 4,080 | 4,360 |
| 38~60 | 2,990 | 3,350 | 3,780 | 4,060 | 3,440 | 3,800 | 4,230 | 4,510 | |
| 75・100 | 3,500 | 3,840 | 4,280 | 4,550 | 3,950 | 4,290 | 4,730 | 5,000 | |
| 125 | 4,060 | 4,600 | 5,150 | 5,550 | 4,510 | 5,050 | 5,600 | 6,000 | |
| A | B | ¥本体価格+穴加工料金 | |||||||||||
| SL-HUMQA | SH-HUMQA | SHD-HUMQA | |||||||||||
| B寸フリー | T6 | T9・10 | T12 | T16・19 | T6 | T9・10 | T12 | T16・19 | T6 | T9・10 | T12 | T16・19 | |
| 25.0~50.0 | 15.0~32.0 | 3,070 | 3,150 | 3,600 | 3,670 | 3,520 | 3,600 | 4,050 | 4,120 | 3,790 | 3,870 | 4,320 | 4,390 |
| 32.1~50.0 | 3,070 | 3,150 | 3,600 | 3,670 | 3,520 | 3,600 | 4,050 | 4,120 | 3,790 | 3,870 | 4,320 | 4,390 | |
| 50.1~65.0 | 3,150 | 3,860 | 4,550 | 5,140 | 3,600 | 4,310 | 5,000 | 5,590 | 3,870 | 4,580 | 5,270 | 5,860 | |
| 65.1~100.0 | 3,150 | 3,860 | 4,550 | 5,140 | 3,600 | 4,310 | 5,000 | 5,590 | 3,870 | 4,580 | 5,270 | 5,860 | |
| 100.1~150.0 | 3,430 | 4,150 | 5,190 | 5,940 | 3,880 | 4,600 | 5,640 | 6,390 | 4,150 | 4,870 | 5,910 | 6,660 | |
| 50.1~100.0 | 15.0~32.0 | 3,400 | 3,650 | 4,560 | 5,160 | 3,850 | 4,100 | 5,010 | 5,610 | 4,120 | 4,370 | 5,280 | 5,880 |
| 32.1~50.0 | 3,410 | 4,040 | 4,560 | 5,160 | 3,860 | 4,490 | 5,010 | 5,610 | 4,130 | 4,760 | 5,280 | 5,880 | |
| 50.1~65.0 | 3,670 | 4,460 | 5,770 | 6,490 | 4,120 | 4,910 | 6,220 | 6,940 | 4,390 | 5,180 | 6,490 | 7,210 | |
| 65.1~100.0 | 3,670 | 4,460 | 5,770 | 6,490 | 4,120 | 4,910 | 6,220 | 6,940 | 4,390 | 5,180 | 6,490 | 7,210 | |
| 100.1~150.0 | 4,180 | 5,190 | 6,630 | 7,890 | 4,630 | 5,640 | 7,080 | 8,340 | 4,900 | 5,910 | 7,350 | 8,610 | |
| 100.1~150.0 | 15.0~32.0 | 3,410 | 4,020 | 5,130 | 5,770 | 3,860 | 4,470 | 5,580 | 6,220 | 4,130 | 4,740 | 5,850 | 6,490 |
| 32.1~50.0 | 3,410 | 4,020 | 5,130 | 5,770 | 3,860 | 4,470 | 5,580 | 6,220 | 4,130 | 4,740 | 5,850 | 6,490 | |
| 50.1~65.0 | 4,290 | 5,370 | 6,910 | 8,220 | 4,740 | 5,820 | 7,360 | 8,670 | 5,010 | 6,090 | 7,630 | 8,940 | |
| 65.1~100.0 | 4,290 | 5,370 | 6,910 | 8,220 | 4,740 | 5,820 | 7,360 | 8,670 | 5,010 | 6,090 | 7,630 | 8,940 | |
| 100.1~150.0 | 5,020 | 6,430 | 8,470 | 10,260 | 5,470 | 6,880 | 8,920 | 10,710 | 5,740 | 7,150 | 9,190 | 10,980 | |
| 150.1~200.0 | 15.0~32.0 | 3,800 | 4,550 | 6,100 | 7,120 | 4,250 | 5,000 | 6,550 | 7,570 | 4,520 | 5,270 | 6,820 | 7,840 |
| 32.1~50.0 | 4,080 | 4,550 | 6,100 | 7,120 | 4,530 | 5,000 | 6,550 | 7,570 | 4,800 | 5,270 | 6,820 | 7,840 | |
| 50.1~65.0 | 4,930 | 6,280 | 7,900 | 9,420 | 5,380 | 6,730 | 8,350 | 9,870 | 5,650 | 7,000 | 8,620 | 10,140 | |
| 65.1~100.0 | 4,930 | 6,280 | 7,900 | 9,420 | 5,380 | 6,730 | 8,350 | 9,870 | 5,650 | 7,000 | 8,620 | 10,140 | |
| 100.1~150.0 | 6,250 | 7,890 | 10,600 | 12,960 | 6,700 | 8,340 | 11,050 | 13,410 | 6,970 | 8,610 | 11,320 | 13,680 | |
| A | B | ¥本体価格 | |||||||||||
| SL-HUMQA | SH-HUMQA | SHD-HUMQA | |||||||||||
| T5・6 | T8・10 | T12・15 | T20 | T5・6 | T8・10 | T12・15 | T20 | T5・6 | T8・10 | T12・15 | T20 | ||
| 25.0~50.0 | 10.0~50.0 | 2,280 | 2,440 | 2,510 | 2,570 | 2,730 | 2,890 | 2,960 | 3,020 | 3,000 | 3,160 | 3,230 | 3,290 |
| 50.1~100.0 | 2,440 | 2,460 | 2,730 | 2,870 | 2,890 | 2,910 | 3,180 | 3,320 | 3,160 | 3,180 | 3,450 | 3,590 | |
| 100.1~150.0 | 2,600 | 2,730 | 2,960 | 3,130 | 3,050 | 3,180 | 3,410 | 3,580 | 3,320 | 3,450 | 3,680 | 3,850 | |
| 150.1~200.0 | 2,720 | 2,890 | 3,190 | 3,500 | 3,170 | 3,340 | 3,640 | 3,950 | 3,440 | 3,610 | 3,910 | 4,220 | |
| 50.1~100.0 | 10.0~50.0 | 2,320 | 2,460 | 2,730 | 2,870 | 2,770 | 2,910 | 3,180 | 3,320 | 3,040 | 3,180 | 3,450 | 3,590 |
| 50.1~100.0 | 2,690 | 2,830 | 2,840 | 2,880 | 3,140 | 3,280 | 3,290 | 3,330 | 3,410 | 3,550 | 3,560 | 3,600 | |
| 100.1~150.0 | 2,770 | 2,970 | 2,980 | 3,200 | 3,220 | 3,420 | 3,430 | 3,650 | 3,490 | 3,690 | 3,700 | 3,920 | |
| 150.1~200.0 | 3,150 | 3,290 | 3,290 | 3,630 | 3,600 | 3,740 | 3,740 | 4,080 | 3,870 | 4,010 | 4,010 | 4,350 | |
| 100.1~150.0 | 10.0~50.0 | 2,600 | 2,730 | 2,960 | 3,130 | 3,050 | 3,180 | 3,410 | 3,580 | 3,320 | 3,450 | 3,680 | 3,850 |
| 50.1~100.0 | 2,720 | 2,970 | 2,980 | 3,200 | 3,170 | 3,420 | 3,430 | 3,650 | 3,440 | 3,690 | 3,700 | 3,920 | |
| 100.1~150.0 | 2,970 | 2,980 | 3,360 | 3,840 | 3,420 | 3,430 | 3,810 | 4,290 | 3,690 | 3,700 | 4,080 | 4,560 | |
| 150.1~200.0 | 3,290 | 3,290 | 3,840 | 4,460 | 3,740 | 3,740 | 4,290 | 4,910 | 4,010 | 4,010 | 4,560 | 5,180 | |
| 150.1~200.0 | 10.0~50.0 | 2,720 | 2,890 | 3,190 | 3,500 | 3,170 | 3,340 | 3,640 | 3,950 | 3,440 | 3,610 | 3,910 | 4,220 |
| 50.1~100.0 | 3,060 | 3,290 | 3,290 | 3,630 | 3,510 | 3,740 | 3,740 | 4,080 | 3,780 | 4,010 | 4,010 | 4,350 | |
| 100.1~150.0 | 3,290 | 3,290 | 3,840 | 4,460 | 3,740 | 3,740 | 4,290 | 4,910 | 4,010 | 4,010 | 4,560 | 5,180 | |
| 150.1~200.0 | 3,290 | 3,630 | 4,470 | 5,310 | 3,740 | 4,080 | 4,920 | 5,760 | 4,010 | 4,350 | 5,190 | 6,030 | |
| A | B | ¥本体価格 | |||||||
| SL-HUMQA | SH-HUMQA | ||||||||
| T5・6 | T8・10 | T12・15 | T20 | T5・6 | T8・10 | T12・15 | T20 | ||
| 25.0~50.0 | 10.0~50.0 | 2,450 | 2,690 | 2,780 | 2,880 | 2,900 | 3,140 | 3,230 | 3,330 |
| 50.1~100.0 | 2,610 | 2,710 | 3,000 | 3,180 | 3,060 | 3,160 | 3,450 | 3,630 | |
| 100.1~150.0 | 2,820 | 3,000 | 3,350 | 3,570 | 3,270 | 3,450 | 3,800 | 4,020 | |
| 150.1~200.0 | 2,990 | 3,180 | 3,720 | 4,090 | 3,440 | 3,630 | 4,170 | 4,540 | |
| 50.1~100.0 | 10.0~50.0 | 2,510 | 2,740 | 3,180 | 3,400 | 2,960 | 3,190 | 3,630 | 3,850 |
| 50.1~100.0 | 2,880 | 3,120 | 3,290 | 3,410 | 3,330 | 3,570 | 3,740 | 3,860 | |
| 100.1~150.0 | 3,060 | 3,410 | 3,630 | 3,980 | 3,510 | 3,860 | 4,080 | 4,430 | |
| 150.1~200.0 | 3,510 | 3,860 | 4,160 | 4,680 | 3,960 | 4,310 | 4,610 | 5,130 | |
| 100.1~150.0 | 10.0~50.0 | 2,880 | 3,180 | 3,610 | 3,910 | 3,330 | 3,630 | 4,060 | 4,360 |
| 50.1~100.0 | 3,020 | 3,410 | 3,630 | 3,980 | 3,470 | 3,860 | 4,080 | 4,430 | |
| 100.1~150.0 | 3,380 | 3,630 | 4,330 | 5,000 | 3,830 | 4,080 | 4,780 | 5,450 | |
| 150.1~200.0 | 3,830 | 4,160 | 5,140 | 6,010 | 4,280 | 4,610 | 5,590 | 6,460 | |
| 150.1~200.0 | 10.0~50.0 | 3,080 | 3,480 | 4,070 | 4,540 | 3,530 | 3,930 | 4,520 | 4,990 |
| 50.1~100.0 | 3,410 | 3,860 | 4,160 | 4,680 | 3,860 | 4,310 | 4,610 | 5,130 | |
| 100.1~150.0 | 3,830 | 4,160 | 5,140 | 6,010 | 4,280 | 4,610 | 5,590 | 6,460 | |
| 150.1~200.0 | 3,970 | 4,810 | 6,210 | 7,380 | 4,420 | 5,260 | 6,660 | 7,830 | |
| A | B | ¥本体価格 | |||||||
| SL-HUMQA | SH-HUMQA | ||||||||
| T5・6 | T8・10 | T12・15 | T20 | T5・6 | T8・10 | T12・15 | T20 | ||
| 25.0~50.0 | 10.0~50.0 | 2,490 | 2,770 | 2,850 | 2,970 | 2,940 | 3,220 | 3,300 | 3,420 |
| 50.1~100.0 | 2,650 | 2,800 | 3,070 | 3,270 | 3,100 | 3,250 | 3,520 | 3,720 | |
| 100.1~150.0 | 2,890 | 3,070 | 3,470 | 3,700 | 3,340 | 3,520 | 3,920 | 4,150 | |
| 150.1~200.0 | 3,060 | 3,260 | 3,860 | 4,250 | 3,510 | 3,710 | 4,310 | 4,700 | |
| 50.1~100.0 | 10.0~50.0 | 2,570 | 2,850 | 3,320 | 3,560 | 3,020 | 3,300 | 3,770 | 4,010 |
| 50.1~100.0 | 2,940 | 3,210 | 3,410 | 3,570 | 3,390 | 3,660 | 3,860 | 4,020 | |
| 100.1~150.0 | 3,160 | 3,550 | 3,860 | 4,250 | 3,610 | 4,000 | 4,310 | 4,700 | |
| 150.1~200.0 | 3,620 | 4,050 | 4,450 | 5,030 | 4,070 | 4,500 | 4,900 | 5,480 | |
| 100.1~150.0 | 10.0~50.0 | 2,980 | 3,320 | 3,840 | 4,180 | 3,430 | 3,770 | 4,290 | 4,630 |
| 50.1~100.0 | 3,120 | 3,550 | 3,860 | 4,250 | 3,570 | 4,000 | 4,310 | 4,700 | |
| 100.1~150.0 | 3,510 | 3,860 | 4,660 | 5,380 | 3,960 | 4,310 | 5,110 | 5,830 | |
| 150.1~200.0 | 4,010 | 4,450 | 5,570 | 6,530 | 4,460 | 4,900 | 6,020 | 6,980 | |
| 150.1~200.0 | 10.0~50.0 | 3,200 | 3,660 | 4,370 | 4,890 | 3,650 | 4,110 | 4,820 | 5,340 |
| 50.1~100.0 | 3,540 | 4,050 | 4,450 | 5,030 | 3,990 | 4,500 | 4,900 | 5,480 | |
| 100.1~150.0 | 4,010 | 4,450 | 5,570 | 6,530 | 4,460 | 4,900 | 6,020 | 6,980 | |
| 150.1~200.0 | 4,210 | 5,180 | 6,600 | 8,070 | 4,660 | 5,630 | 7,050 | 8,520 | |
| A | B | ¥本体価格+穴加工料金 | |||||||
| SL-HUMQA | SH-HUMQA | ||||||||
| T6 | T9 | T12 | T16・19 | T6 | T9 | T12 | T16・19 | ||
| 25.0~50.0 | 15.0~32.0 | 2,490 | 2,760 | 2,900 | 3,120 | 2,940 | 3,210 | 3,350 | 3,570 |
| 32.1~50.0 | 2,490 | 2,760 | 2,900 | 3,120 | 2,940 | 3,210 | 3,350 | 3,570 | |
| 50.1~100.0 | 2,700 | 2,880 | 3,020 | 3,210 | 3,150 | 3,330 | 3,470 | 3,660 | |
| 100.1~150.0 | 2,910 | 3,060 | 3,350 | 3,540 | 3,360 | 3,510 | 3,800 | 3,990 | |
| 50.1~100.0 | 15.0~32.0 | 2,530 | 2,970 | 3,340 | 3,560 | 2,980 | 3,420 | 3,790 | 4,010 |
| 32.1~50.0 | 2,530 | 2,970 | 3,340 | 3,560 | 2,980 | 3,420 | 3,790 | 4,010 | |
| 50.1~100.0 | 2,880 | 3,180 | 3,570 | 3,760 | 3,330 | 3,630 | 4,020 | 4,210 | |
| 100.1~150.0 | 3,390 | 3,760 | 4,210 | 4,440 | 3,840 | 4,210 | 4,660 | 4,890 | |
| 100.1~150.0 | 15.0~32.0 | 2,910 | 3,310 | 3,770 | 4,020 | 3,360 | 3,760 | 4,220 | 4,470 |
| 32.1~50.0 | 2,910 | 3,310 | 3,770 | 4,020 | 3,360 | 3,760 | 4,220 | 4,470 | |
| 50.1~100.0 | 3,340 | 3,710 | 4,090 | 4,360 | 3,790 | 4,160 | 4,540 | 4,810 | |
| 100.1~150.0 | 3,910 | 4,320 | 4,940 | 5,440 | 4,360 | 4,770 | 5,390 | 5,890 | |
| 150.1~200.0 | 15.0~32.0 | 3,180 | 3,650 | 4,130 | 4,470 | 3,630 | 4,100 | 4,580 | 4,920 |
| 32.1~50.0 | 3,180 | 3,650 | 4,130 | 4,470 | 3,630 | 4,100 | 4,580 | 4,920 | |
| 50.1~100.0 | 3,660 | 4,020 | 4,640 | 5,090 | 4,110 | 4,470 | 5,090 | 5,540 | |
| 100.1~150.0 | 4,610 | 5,100 | 5,780 | 6,450 | 5,060 | 5,550 | 6,230 | 6,900 | |
| 数量区分 | 標準対応 | 個別対応 | ||||
| 小口 | 大口 | 大口 | ||||
| 数 量 | 1~3 | 4~7 | 8~10 | 11~30 | 31~50 | 51~ |
| 値引率 | 基準単価 | 10% | 20% | 30% | 30% | お見積り |
| 出荷日 | 通常 | +2日 | +7日 | |||
| 7 | 日目出荷 |
| 9 | 日目出荷 |
| 11 | 日目出荷 |
通常価格、通常出荷日が表示と異なる場合がございます
通常価格、通常出荷日が表示と異なる場合がございます

ミスミ
板金 取付板・ブラケット -フリー寸法タイプ- JTDAS・JTDAR
4.4
ミスミ
板金 取付板・ブラケット-センター振り分けタイプ- JSDAS
4.6
ミスミ
板金 取付板・ブラケット -フリー寸法タイプ- JTAAS・JTAAR
4.6
ミスミ
板金 取付板・ブラケット-センター振り分けタイプ- JSAAS
4.4
ミスミ
板金 取付板・ブラケット -フリー寸法タイプ- JTABS・JTABR
4.4
ミスミ
フラットバー/アルミ圧延材 取付板・ブラケット-B寸選択- HRMQA HUMQA
4.4
ミスミ
板金 取付板・ブラケット -フリー寸法タイプ- JTNAS・JTNAR
4.6
ミスミ
板金 取付板・ブラケット -フリー寸法タイプ- JTHAS・JTHAR
4.5
ミスミ
6面フライス 取付板・ブラケット-外径寸法フリー指定- HFMQA
4.9