メカニカル部品技術窓口
ミスミ品のみ対象

| 穴種 | タップ穴 | ボルト通し穴 | ザグリ穴 | |||||||||||||||||||||||||||||||
| Code | M | N | Z | |||||||||||||||||||||||||||||||
| 形状図 | ![]() | ![]() | ![]() | |||||||||||||||||||||||||||||||
| 加工 仕様 | タップ有効長最大M×2 [ ! ]T≧M×3のとき、 タップ下穴が貫通しない 場合があります。 |
| ||||||||||||||||||||||||||||||||
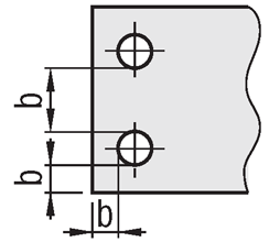
■加工限界 穴と穴、穴と端面の肉厚に加工限界があります。(例:右図b部)限界値はこちらを参照 | ![]() |
| 型式 | [ M ]材質 | [S]表面処理 | 洗浄方法 | ||||
| Type | 材質記号 | 洗浄方法 | 洗浄環境 | 梱包形態 | 梱包環境 | ||
| SL-HRCZA | SU | SUS304D | - | 脱脂洗浄 | 一般環境 | 防錆梱包 | 一般環境 |
| SH-HRCZA | 精密洗浄 | クラス1000 | 脱気2重梱包 | クラス10 | |||
| SHD-HRCZA | 電解研磨+精密洗浄 | ||||||
| SL-HRCZA | SSM | SS400D | 無電解ニッケルメッキ | 脱脂洗浄 | 一般環境 | 防錆梱包 | 一般環境 |
| SH-HRCZA | 精密洗浄 | クラス1000 | 脱気2重梱包 | クラス10 | |||
| 型式 | - | A | - | B | - | T | - | L | - | 穴指定 Code・呼び径 | ||
| Type | - | 材質記号 | ||||||||||
| SL-HRCZA | - | SU | - | A80 | - | B65 | - | T6 | - | L60 | - | M6 |
| 型式 | 指定1mm単位 | B | T | L | 穴指定 | ||
| Type | 材質記号 | A | Code | 呼び径 | |||
| SL-HRCZA SH-HRCZA SHD-HRCZA | SU | 30~150 | 15 20 25 32 38 50 65 100 125 | 6 9 10 12 16 19 | 指定 0.1mm 単位 | N[ ! ] M Z[ ! ] [ ! ]加工寸法は 穴種選択表参照 | 3 4 5 6 8 10 12 |
| SSM | 16 22 25 32 38 50 60 75 100 125 | ||||||
| [ NG ]SSMでB16の時、T19選択不可 [ NG ]SSMでB125の時、T10選択不可 [ NG ]SUでB15の時、T10~19選択不可 [ NG ]SUでB20の時、T19選択不可 | |||||||
| [ NG ]SS400Dは電解研磨(SHD-)選択不可 | |||||||
| 型式 | - | A | - | B | - | T | - | L | - | 穴指定 Code・呼び径 | - | (CC) | ||
| Type | - | 材質記号 | ||||||||||||
| SL-HRCZA | - | SU | - | A80 | - | B65 | - | T6 | - | L60 | - | M6 | - | CC5 |
| Alteration | コーナーカット変更 | |||||||
![]() | ||||||||
| Code | CC | |||||||
| Spec. | コーナーカットを変更します。 CC=指定1mm単位 [ ! ]1≦CC≦50
(例) ~-CC10 | |||||||
| ¥/1Code |
| |||||||
洗浄工程| ※材質がステンレスの場合、アルカリ系温水洗浄となることがあります。 | |
| ・脱脂洗浄(型式:SL-□□) | ※表面処理が低温黒色クロムメッキの場合、IPA洗浄となります。 |
作業環境:一般環境 | ||||||
|---|---|---|---|---|---|---|
![]() 炭化水素系洗浄※ Ro水洗浄 中性洗剤洗浄 | ![]() | ![]() 高圧ジェット水洗(Ro水) 後に純水(10MΩ・cm)で 洗浄 | ![]() | ![]() エアブロー(オイルフリー) 使用 | ![]() | ![]() 防錆袋使用 |
| ・精密洗浄(型式:SH-□□) | ※表面処理が低温黒色クロムメッキの場合、IPA洗浄となります。 |
作業環境:クラス1000 | 作業環境:クラス10 | |||||||
|---|---|---|---|---|---|---|---|---|
![]() 炭化水素系洗浄※ Ro水洗浄 中性洗剤洗浄 | ![]() | ![]() 高圧ジェット水洗(Ro水) 後に純水(10MΩ・cm)で 洗浄 | ![]() | ![]() 温純水(13MΩ・cm)使用 | ![]() | ![]() 窒素ブロー使用 | ![]() | ![]() クリーンベンチ(クラス10) で実施 |
作業環境:クラス1000 | 作業環境:クラス10 | |||||||||
|---|---|---|---|---|---|---|---|---|---|---|
![]() 炭化水素系洗浄 Ro水洗浄 中性洗剤洗浄 | ![]() | ![]() 材質に応じた電解研磨槽 で電解研磨 | ![]() | ![]() 高圧ジェット水洗(Ro水) 後に純水(10MΩ・cm)で 洗浄 | ![]() | ![]() 温純水(13MΩ・cm)使用 | ![]() | ![]() 窒素ブロー使用 | ![]() | ![]() クリーンベンチ(クラス10) で実施 |
梱包例| 脱脂洗浄の場合 (TYPE型番:SL-□□) | 精密洗浄または電解研磨+精密洗浄の場合 | |
| (TYPE型番:SH-□□・SHD-□□) | ||
| オーステナイト系ステンレス・アルミ材質の場合 | 鉄・マルテンサイト系ステンレス材質の場合 | |
![]() | ![]() | ![]() |
| 一部商品・サイズによっては、 梱包形態が異なる場合がございます。 | [ ! ]1重目・2重目の梱包とも、脱気されております。 | [ ! ]防錆対策として乾燥剤を同封しております。 1梱包につき1つになります。 |
洗浄効果・利用推奨環境洗浄方法 | 商品型番 | 梱包形態 | 未洗浄品と比べた効果 | ご利用環境(目安) | 利用シーン・工程 |
|---|---|---|---|---|---|
| 脱脂洗浄 | SL-□□ | 防錆梱包 | 油分除去 | 一般環境 | 通常組立工程 |
| バッテリー組立後工程 | |||||
| 精密洗浄 | SH-□□ | 脱気2重梱包 | 油分除去 粉塵除去 | クリーン環境(クラス10~1,000) | バッテリー組立工程 |
| 液晶関連組立後工程 | |||||
| 車載カメラ組立工程 | |||||
| 電解研磨+精密洗浄 | SHD-□□ | 脱気2重梱包 | 油分除去 粉塵除去 アウトガス低減 | 真空環境 クリーン環境(クラス10~1,000) | 半導体前工程 |
| 液晶成膜工程 | |||||
| 有機EL前工程 |
| 型番 |
|---|
通常単価(税別)
(税込単価) | 通常出荷日 |
洗浄不要の場合の代替品
|
|---|
- ( - ) | 8日目 |
|
- ( - ) | 8日目 |
|
- ( - ) | 8日目 |
|
- ( - ) | 6日目 |
|
- ( - ) | 6日目 |
|
- ( - ) | 6日目 |
|
- ( - ) | 6日目 |
|
- ( - ) | 6日目 |
|
- ( - ) | 6日目 |
|
- ( - ) | 8日目 |
|
- ( - ) | 8日目 |
|
- ( - ) | 8日目 |
|
- ( - ) | 6日目 |
|
- ( - ) | 6日目 |
|
- ( - ) | 6日目 |
| ・脱脂洗浄(防錆1重梱包) | :型番SL-□□ |
| ・精密洗浄(脱気2重梱包) | :型番SH-□□ |
| ・電解研磨+精密洗浄(脱気2重梱包) | :型番SHD-□□ |
| 商品型番 | 洗浄方法 | 梱包形態 | 未洗浄品と比べた効果 | ご利用環境(目安) | 工程別 |
| SL-□□ | 脱脂洗浄 | 防錆梱包 | 油分除去 | 一般環境 | 通常組立工程 |
| バッテリー組立後工程 | |||||
| SH-□□ | 精密洗浄 | 脱気2重梱包 | 油分除去 粉塵除去 | クリーン環境(クラス10~1,000) | バッテリー組立工程 |
| 液晶関連組立後工程 | |||||
| 車載カメラ組立工程 | |||||
| SHD-□□ | 電解研磨+精密洗浄 | 脱気2重梱包 | 油分除去 粉塵除去 アウトガス低減 | 真空環境 クリーン環境(クラス10~1,000) | 半導体前工程 |
| 液晶成膜工程 | |||||
| 有機EL前工程 |
フラットバー材を使用したブラケットです。従来品よりも寸法指定箇所が少なく、簡単に型式が選定可能です。
| A | B | T | ¥基準単価 | ||||
| SL-HRCZA-SU | SH-HRCZA-SU | SHD-HRCZA-SU | SL-HRCZA-SSM | SH-HRCZA-SSM | |||
| 30~50 | 15~32 | 6 | 2,030 | 2,480 | 2,750 | 1,960 | 2,410 |
| 9・10 | 2,450 | 2,900 | 3,170 | 2,360 | 2,810 | ||
| 12 | 2,960 | 3,410 | 3,680 | 2,550 | 3,000 | ||
| 16・19 | 2,960 | 3,410 | 3,680 | 2,800 | 3,250 | ||
| 38~65 | 6 | 2,030 | 2,480 | 2,750 | 2,010 | 2,460 | |
| 9・10 | 2,500 | 2,950 | 3,220 | 2,440 | 2,890 | ||
| 12 | 3,030 | 3,480 | 3,750 | 2,610 | 3,060 | ||
| 16・19 | 3,030 | 3,480 | 3,750 | 2,840 | 3,290 | ||
| 75~100 | 6 | 2,440 | 2,890 | 3,160 | 2,470 | 2,920 | |
| 9・10 | 3,200 | 3,650 | 3,920 | 2,660 | 3,110 | ||
| 12 | 4,130 | 4,580 | 4,850 | 2,780 | 3,230 | ||
| 16・19 | 4,760 | 5,210 | 5,480 | 2,960 | 3,410 | ||
| 125 | 6 | 2,620 | 3,070 | 3,340 | 2,640 | 3,090 | |
| 9・10 | 3,500 | 3,950 | 4,220 | 2,770 | 3,220 | ||
| 12 | 4,510 | 4,960 | 5,230 | 3,040 | 3,490 | ||
| 16・19 | 5,260 | 5,710 | 5,980 | 3,200 | 3,650 | ||
| 51~100 | 15~32 | 6 | 2,040 | 2,490 | 2,760 | 2,000 | 2,450 |
| 9・10 | 2,530 | 2,980 | 3,250 | 2,490 | 2,940 | ||
| 12 | 3,590 | 4,040 | 4,310 | 2,840 | 3,290 | ||
| 16・19 | 3,920 | 4,370 | 4,640 | 3,100 | 3,550 | ||
| 38~65 | 6 | 2,080 | 2,530 | 2,800 | 2,180 | 2,630 | |
| 9・10 | 2,770 | 3,220 | 3,490 | 2,650 | 3,100 | ||
| 12 | 3,800 | 4,250 | 4,520 | 2,990 | 3,440 | ||
| 16・19 | 4,490 | 4,940 | 5,210 | 3,160 | 3,610 | ||
| 75~100 | 6 | 2,690 | 3,140 | 3,410 | 2,680 | 3,130 | |
| 9・10 | 3,600 | 4,050 | 4,320 | 2,910 | 3,360 | ||
| 12 | 4,430 | 4,880 | 5,150 | 3,210 | 3,660 | ||
| 16・19 | 5,410 | 5,860 | 6,130 | 3,390 | 3,840 | ||
| 125 | 6 | 2,940 | 3,390 | 3,660 | 2,940 | 3,390 | |
| 9・10 | 3,960 | 4,410 | 4,680 | 3,340 | 3,790 | ||
| 12 | 5,150 | 5,600 | 5,870 | 3,650 | 4,100 | ||
| 16・19 | 6,010 | 6,460 | 6,730 | 3,830 | 4,280 | ||
| 101~150 | 15~32 | 6 | 2,440 | 2,890 | 3,160 | 2,210 | 2,660 |
| 9・10 | 2,640 | 3,090 | 3,360 | 2,710 | 3,160 | ||
| 12 | 4,000 | 4,450 | 4,720 | 3,330 | 3,780 | ||
| 16・19 | 4,470 | 4,920 | 5,190 | 3,520 | 3,970 | ||
| 38~65 | 6 | 2,710 | 3,160 | 3,430 | 2,520 | 2,970 | |
| 9・10 | 3,270 | 3,720 | 3,990 | 3,050 | 3,500 | ||
| 12 | 4,070 | 4,520 | 4,790 | 3,390 | 3,840 | ||
| 16・19 | 4,680 | 5,130 | 5,400 | 3,590 | 4,040 | ||
| 75~100 | 6 | 3,160 | 3,610 | 3,880 | 2,970 | 3,420 | |
| 9・10 | 4,310 | 4,760 | 5,030 | 3,380 | 3,830 | ||
| 12 | 5,700 | 6,150 | 6,420 | 3,700 | 4,150 | ||
| 16・19 | 6,660 | 7,110 | 7,380 | 3,950 | 4,400 | ||
| 125 | 6 | 3,380 | 3,830 | 4,100 | 3,410 | 3,860 | |
| 9・10 | 4,760 | 5,210 | 5,480 | 3,830 | 4,280 | ||
| 12 | 6,330 | 6,780 | 7,050 | 4,300 | 4,750 | ||
| 16・19 | 7,420 | 7,870 | 8,140 | 4,610 | 5,060 | ||
| 数量区分 | 標準対応 | 個別対応 | ||||
| 小口 | 大口 | 大口 | ||||
| 数 量 | 1〜3 | 4〜7 | 8〜10 | 11〜30 | 31〜50 | 51~ |
| 値引率 | 基準価格 | 15% | 25% | 35% | 35% | お見積り |
| 出荷日 | 通常 | +2日 | +7日 | |||
通常価格、通常出荷日が表示と異なる場合がございます
通常価格、通常出荷日が表示と異なる場合がございます

ミスミ
板金 取付板・ブラケット -フリー寸法タイプ- JTDAS・JTDAR
4.4
ミスミ
板金 取付板・ブラケット-センター振り分けタイプ- JSDAS
4.6
ミスミ
板金 取付板・ブラケット -フリー寸法タイプ- JTAAS・JTAAR
4.6
ミスミ
板金 取付板・ブラケット-センター振り分けタイプ- JSAAS
4.4
ミスミ
板金 取付板・ブラケット -フリー寸法タイプ- JTBAS・JTBAR
4.6
ミスミ
板金 取付板・ブラケット -フリー寸法タイプ- JTNAS・JTNAR
4.6
ミスミ
6面フライス 取付板・ブラケット-外径寸法フリー指定- HFMQA
4.9
ミスミ
フラットバー 取付板・ブラケット -センター振り分けタイプ- HRCZA
4.7
ミスミ
板金 取付板・ブラケット -フリー寸法タイプ- JTKAS・JTKAR
4.6